A/C compressor not staying engaged

Tiny
JAMIL ADECNOM
  • MEMBER
  • 1999 TOYOTA COROLLA
  • 1.3L
  • 3 CYL
  • 2WD
  • MANUAL
  • 100,000 MILES
My A/C will engage for a while then nothing follows even the Freon is full charge.
Thursday, April 23rd, 2020 AT 9:46 PM

3 Replies

Tiny
KASEKENNY
  • MECHANIC
  • 18,907 POSTS
We need to start with checking the pressure in the system when this happens. If the pressure is getting high then I suspect the pressure cut off switch is causing the compressor to stop. If the pressure is not getting high when the compressor stops then the pressure switch may be faulty causing the compressor to cut off.

Here are some guides that will help with this. If you don't have a pressure gauge set then you can rent them from a parts store that has a rental program. However, this is where we need to start to figure out what the issue is with this one.

https://www.2carpros.com/articles/car-air-conditioner-not-working-or-is-weak

https://www.2carpros.com/articles/re-charge-an-air-conditioner-system

Let me know if you can get the pressure of the system and we can go from there. If not, then we are going to be limited to guessing at replacing parts and that is not a good idea because we rarely get lucky. Thanks
Was this
answer
helpful?
Yes
No
Friday, April 24th, 2020 AT 7:59 AM
Tiny
JAMIL ADECNOM
  • MEMBER
  • 2 POSTS
  • 1999 TOYOTA COROLLA
  • 100,000 MILES
My A/C compressor will not engage if I turn it on while the blower works, but when we touch the A/C control box particularly the socket of the wire the compressor will engage but after awhile it will disengage. What is the problem with it?
Was this
answer
helpful?
Yes
No
Friday, April 24th, 2020 AT 3:23 PM (Merged)
Tiny
ASEMASTER6371
  • MECHANIC
  • 52,796 POSTS
Good morning,

A/C control box? Can you explain?

https://www.2carpros.com/articles/car-air-conditioner-not-working-or-is-weak

Can you upload a picture of this control box?

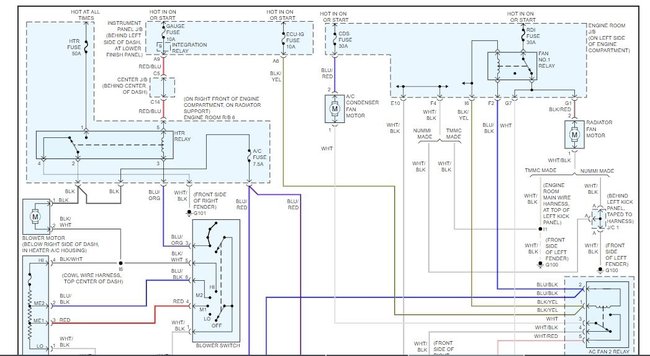
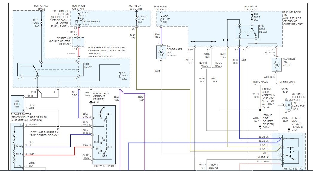
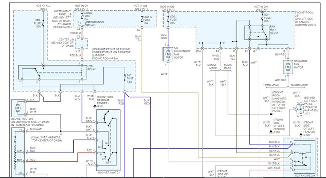
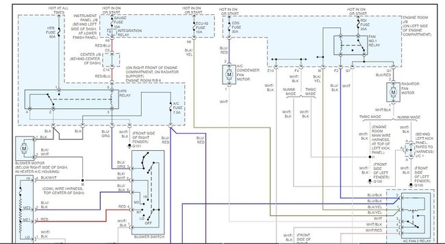
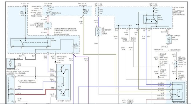
I attached a wiring diagram for you to view and we can do some tests once you show me what you have touched.

Roy
Was this
answer
helpful?
Yes
No
+1
Friday, April 24th, 2020 AT 3:23 PM (Merged)

Please login or register to post a reply.