Then after a bit of digging this code showed up.
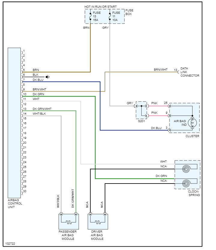
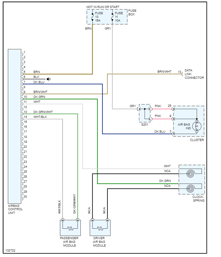
05. Passenger Airbag Resistance high.
See pic for DTC code display.
To help diagnose the issue I think it's important to give you some history that could be related to the problem.
I have had a minor front collision in the car which damaged the bar Cover and part of the front driver's side grille and headlight.
The airbag did not deploy in this accident.
But the mechanic said it's an issue with the passenger side of the vehicle.
I also removed the front seats recently to have access to replace the hand brake assembly.
From memory I can't say when I realized the airbag light was staying on, but I can say that when I removed the seats, I didn't know there was wiring attached to the underside of the seat.
So, it's possible I might have tugged on the wiring when pulling the seat out.
But as mentioned I don't know if the light was an issue before that or not.
The mechanic did say that there might be a short or loose wire or something that is restricting the current which is causing the issue.
What are the troubleshooting steps I could take to rectify the problem?
I am trying to get a roadworthy to sell the car but unfortunately it won't pass with the light on.
Monday, May 29th, 2023 AT 2:52 PM



