Airbag light is still on after replacing the clock spring?

Tiny
SIBOREPUNK
  • MEMBER
  • 2003 TOYOTA COROLLA
  • 0.8L
  • 4 CYL
  • 2WD
  • AUTOMATIC
  • 97,000 MILES
Replaced airbag clock spring but air bag light still on.
Tuesday, January 30th, 2024 AT 1:09 PM

3 Replies

Tiny
KEN L
  • MASTER CERTIFIED MECHANIC
  • 55,281 POSTS
Okay, let's find out the code for the system error that way we know what part of the system is having an issue. Please go over this guide so was can what's going on:

https://www.2carpros.com/articles/how-to-gather-airbag-safety-system-codes

Please go over this guide and get back to us with the code.
Was this
answer
helpful?
Yes
No
Tuesday, January 30th, 2024 AT 4:42 PM
Tiny
SIBOREPUNK
  • MEMBER
  • 2 POSTS
Code DTC 81183.
Was this
answer
helpful?
Yes
No
Tuesday, January 30th, 2024 AT 5:01 PM
Tiny
KEN L
  • MASTER CERTIFIED MECHANIC
  • 55,281 POSTS
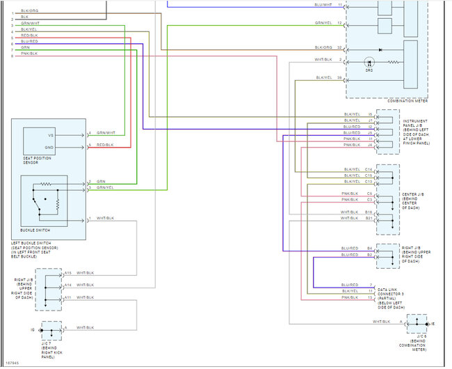
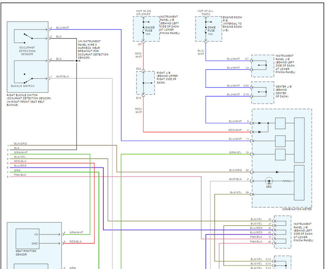
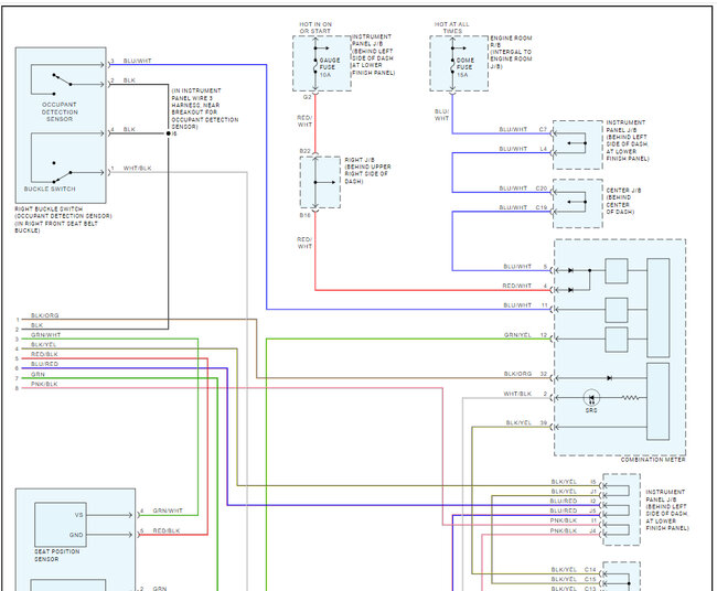
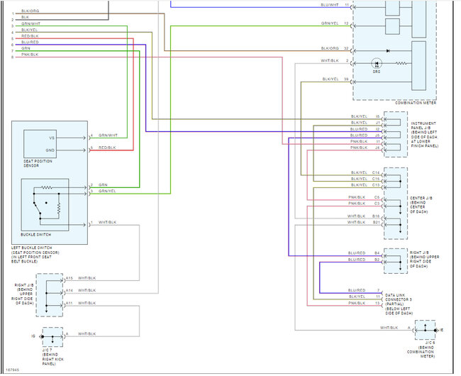
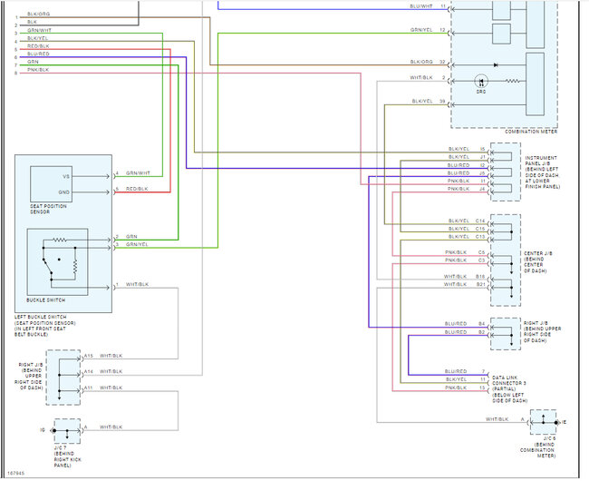
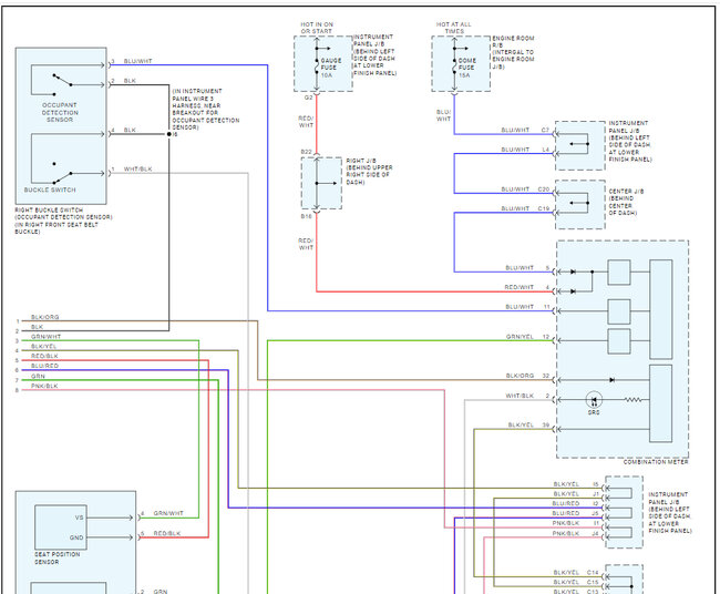
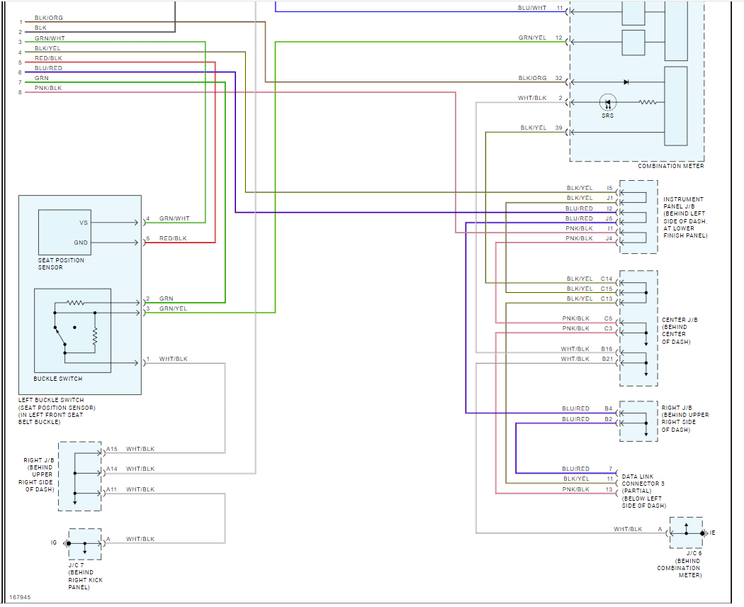
This is a code for the clock spring, but it could be anything in that circuit, did you use a new clock spring or used? Here is how to install the clock spring correctly in case you need it. Also here are the wiring diagrams for the system and a guide to help check them. Disconnect the battery before testing, you may have a bad steering wheel airbag module. You should be able to test through the clock spring to confirm the failure.

https://www.2carpros.com/articles/how-to-check-wiring

Also please check the GAUGE fuse in the interior fuse panel and the DOME fuse in the fuse panel under the hood.

https://www.2carpros.com/articles/how-to-check-a-car-fuse

Check out the images (below). Please let us know what happens.

Was this
answer
helpful?
Yes
No
Thursday, February 1st, 2024 AT 11:20 AM

Please login or register to post a reply.