Why are the HVAC vents not blowing air?

Tiny
BHAMDOC1973
  • MEMBER
  • 2013 FORD EDGE
  • 6 CYL
  • 2WD
  • AUTOMATIC
  • 213,000 MILES
Is there a common issue with these as far as A/C blower resistors? No air coming out of vents even at defrost.
Sunday, July 24th, 2022 AT 1:01 PM

3 Replies

Tiny
KEN L
  • MASTER CERTIFIED MECHANIC
  • 55,481 POSTS
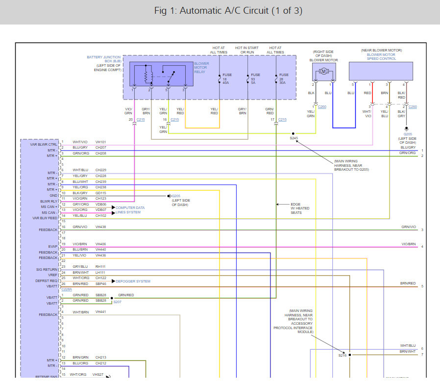
It is common for the blower motors to go out. To be sure, this guide can show you how to test for power and ground to be sure. Also, I have the location and replacement instructions for your car in the diagrams below. I also have found the wiring diagrams for the blower motor so you can see how it works. There is a blower motor relay and three fuses# 18, 93 and 28 and we need to check.

https://www.2carpros.com/articles/blower-fan-motor-works-on-high-speed-only

and

https://www.2carpros.com/articles/how-to-check-an-electrical-relay-and-wiring-control-circuit

and

https://www.2carpros.com/articles/how-to-check-a-car-fuse

Check out the diagrams (below). Please let us know what you find. We are interested to see what it is.
Was this
answer
helpful?
Yes
No
Sunday, July 24th, 2022 AT 4:37 PM
Tiny
BHAMDOC1973
  • MEMBER
  • 2,018 POSTS
Thanks.
Was this
answer
helpful?
Yes
No
Sunday, July 24th, 2022 AT 4:41 PM
Tiny
KEN L
  • MASTER CERTIFIED MECHANIC
  • 55,481 POSTS
Use 2CarPros anytime, we are here to help. Please tell a friend.
Was this
answer
helpful?
Yes
No
Monday, July 25th, 2022 AT 12:32 PM

Please login or register to post a reply.