Air not blowing through front vents

Tiny
RED80
  • MEMBER
  • 2002 FORD EXPEDITION
  • 5.4L
  • V8
  • 2WD
  • AUTOMATIC
  • 11,400 MILES
The air only blows through the front defrost vents, the back air works fine. What could that be?
Thursday, June 9th, 2016 AT 6:52 AM

22 Replies

Tiny
HMAC300
  • MECHANIC
  • 48,601 POSTS
Check for a vacuum leak see picture and look at the vacuum motors see if they are getting vacuum when put on defrost/floor etc.. It cold be a bad control as well. Also the main HVAC blend door actuator could be out here are two guides to help with and diagrams below to show you the location on your car.

https://www.2carpros.com/articles/replace-blend-door-motor

and

https://www.2carpros.com/articles/air-vents-stay-in-the-defrost-position

Check out the diagrams (Below). Please let us know what happens.
Was this
answer
helpful?
Yes
No
+2
Thursday, June 9th, 2016 AT 9:52 AM
Tiny
RED80
  • MEMBER
  • 4 POSTS
Thank you. I will let you know what I get. I did look at the lines and did not see any broken or cracked, but I will go out and try to find the motor.
Was this
answer
helpful?
Yes
No
+3
Thursday, June 9th, 2016 AT 10:05 AM
Tiny
HMAC300
  • MECHANIC
  • 48,601 POSTS
See if the motor gets vacuum, it may have easier access from driver's side.
Was this
answer
helpful?
Yes
No
+3
Thursday, June 9th, 2016 AT 12:23 PM
Tiny
RED80
  • MEMBER
  • 4 POSTS
Okay sir I see the motor now how do see if it is vacuuming?
Was this
answer
helpful?
Yes
No
-1
Thursday, June 9th, 2016 AT 12:56 PM
Tiny
HMAC300
  • MECHANIC
  • 48,601 POSTS
Turn the air conditioner on or what ever is not working and pull line off and put your finger over it to see if it has vacuum if it does then reinstall line to see if vacuum motor will move the door.
Was this
answer
helpful?
Yes
No
+4
Thursday, June 9th, 2016 AT 3:50 PM
Tiny
RED80
  • MEMBER
  • 4 POSTS
Okay I turned the air conditioner on max and I pulled this line off (skinny yellow one) and it has really good suction (vacuum) I also put it on defrost and still really good suction. Still no air coming through vents only defrost vents on top of dash.
Was this
answer
helpful?
Yes
No
+10
Thursday, June 9th, 2016 AT 4:21 PM
Tiny
HMAC300
  • MECHANIC
  • 48,601 POSTS
Make sure to see if the vacuum motor is working the linkage or it may be a broken door and not moving.
Was this
answer
helpful?
Yes
No
+2
Thursday, June 9th, 2016 AT 4:46 PM
Tiny
ELIZABETH GALE PATESEL
  • MEMBER
  • 1 POST
I have a 2003 Grand Cherokee Laredo. The air conditioner blows cold air but switches from front vent 2 floor 2 defrost vent simultaneously. None stay on very long they just keep switching back and forth. Do I need to get AC checked or what?
Was this
answer
helpful?
Yes
No
+4
Sunday, June 18th, 2017 AT 6:42 AM
Tiny
KEN L
  • MASTER CERTIFIED MECHANIC
  • 55,404 POSTS
Hello,

This sounds like a problem with the automatic zone control has gone bad and needs to be replaced. Here is a wiring diagram (below) so you can see how it is wired.

It might be good to check the ground wires for the system and the fuses.

https://www.2carpros.com/articles/how-to-check-a-car-fuse

and

https://www.2carpros.com/articles/how-to-use-a-test-light-circuit-tester

Please let us know what happens, we are interested to see what it is.

Cheers, Ken
Was this
answer
helpful?
Yes
No
+2
Tuesday, June 20th, 2017 AT 10:35 AM
Tiny
1YFZ450
  • MEMBER
  • 1 POST
  • 2004 FORD EXPEDITION
My front air vents do not work, but my defrost, and rear vents work just fine.
Was this
answer
helpful?
Yes
No
+11
Wednesday, March 27th, 2019 AT 5:36 PM (Merged)
Tiny
DOCFIXIT
  • MECHANIC
  • 18,828 POSTS
Hi
In default mode controls are vacuum operated may have lost vacuum check reservoir under battery see if hose connected and holding vacuum. if good maybe master select switch or servo faulty.Removal of control panel is needed to check operation of master switch. if servo instrument panel removal maybe needed.
Hope this helps

Heres a couple guides for you to read, they will help

https://www.2carpros.com/articles/low-or-no-air-flow-from-vents

https://www.2carpros.com/articles/air-vents-stay-in-the-defrost-position

Attached below you will find the vacuum diagram and actuator locations for you HVAC system
Was this
answer
helpful?
Yes
No
+3
Wednesday, March 27th, 2019 AT 5:36 PM (Merged)
Tiny
2CP-ARCHIVES
  • MEMBER
  • 4,540 POSTS
  • 2004 FORD EXPEDITION
  • 81,000 MILES
Ac is blowing through the defrost vent, not through the dash vents
Was this
answer
helpful?
Yes
No
Wednesday, March 27th, 2019 AT 5:36 PM (Merged)
Tiny
CJ MEDEVAC
  • MECHANIC
  • 11,005 POSTS
I really suggest you get the most helpful thing available.....see what i have been using for years for my "babies" in my 1st link

Http://www.2carpros.com/questions/2007-ford-taurus-tune-up

This may sorta help you understand what might be going on with your complex hvac system...(i'm not familiar with yours....but this link may help you---i think it's a playlist, more than one video, so don't "harp" on the 1st one!

Http://www.youtube.com/watch?v=ccuzouqw6ms&playnext=1&list=pl7a2b69a3c0a6f144&feature=results_main

The suggestions down the side as well as changing my search words may get you other related hits

Let me know if this helped at all

The medic
Was this
answer
helpful?
Yes
No
Wednesday, March 27th, 2019 AT 5:36 PM (Merged)
Tiny
MRRJQ28
  • MEMBER
  • 2 POSTS
  • 2002 FORD EXPEDITION
  • 168,523 MILES
I have a digital climate control unit, the dash vents does not blow air but if I switch it to roof vent or other vents they operate. I have checked the vents openings and someone told me to ck the black tubing / line behind the battery to see if it is melted. And if their is a cabin filter, where is it located?
Was this
answer
helpful?
Yes
No
+1
Wednesday, March 27th, 2019 AT 5:36 PM (Merged)
Tiny
JACOBANDNICKOLAS
  • MECHANIC
  • 110,194 POSTS
There is a cabin air filter. It is behind the glove box area. I'm not sure I understand the other question.
Was this
answer
helpful?
Yes
No
+1
Wednesday, March 27th, 2019 AT 5:36 PM (Merged)
Tiny
RIVERMIKERAT
  • MECHANIC
  • 6,110 POSTS
There is a plate on the bottom of the airbox that holds the cabin air filter. Check fuses, vacuum lines, and cables under the dash at the heater and air controls.
Was this
answer
helpful?
Yes
No
-1
Wednesday, March 27th, 2019 AT 5:36 PM (Merged)
Tiny
MRRJQ28
  • MEMBER
  • 2 POSTS
The problem that I have is that when I use the a/c or the fan, it will not blow throught the dash vents. But if I switch it to the vent on the interior roof or to the rear or the defroster, it blows fine. Keep in mind that I have a digital climate control unit that over see/controls which vent to use. Could it be the unit or cabin filter? What should I ck?
Was this
answer
helpful?
Yes
No
+3
Wednesday, March 27th, 2019 AT 5:36 PM (Merged)
Tiny
ASEMASTER6371
  • MECHANIC
  • 52,796 POSTS
I assume it is an automatic climate control system. It is all electronic controlled. It could be a stuck or bad motor for operating the direction of flow. Not something you can check unless you are familiar with this system. A shop with a scan tool can look at the hvac module for any codes and manipulate the mode doors for operation. It may require removal of the dash to check the mode door itself.
I suggest a shop for help

Roy
Was this
answer
helpful?
Yes
No
-3
Wednesday, March 27th, 2019 AT 5:36 PM (Merged)
Tiny
ERIVAS1207
  • MEMBER
  • 1 POST
  • 1999 FORD EXPEDITION
  • V8
  • 4WD
  • AUTOMATIC
  • 113,000 MILES
Not getting air out of the front or back vents, only from the defrost vents.
Was this
answer
helpful?
Yes
No
+1
Wednesday, March 27th, 2019 AT 5:36 PM (Merged)
Tiny
BMRFIXIT
  • MECHANIC
  • 19,053 POSTS
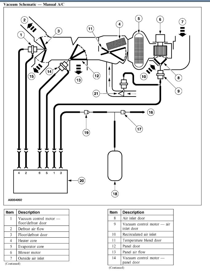
Check vacuum

Item Part Number Description
1 18A318 Vacuum Control motor †panel/defrost door
2 18A478 Panel/Defrost door (full vacuum position)
3 †Defrost airflow
4 †Side window demister airflow
5 18B545 Temperature blend door (full heat position)
6 19860 A/C evaporator core
7 19A813 Air inlet duct door (full vacuum position)
8 †Outside air inlet
9 18A318 Vacuum control motor †air inlet duct door
10 †Recirculated air inlet
11 19805 Blower motor
12 †Vacuum to emission control
13 †Vacuum from the engine intake manifold
14 19A563 A/C vacuum check valve
15 19A566 A/C vacuum reservoir tank and bracket
16 19B888 A/C-heater function selector switch
17 18476 Heater core
18 18A559 Floor/panel door (full vacuum position)
19 †Floor airflow
20 18A318 Vacuum control motor †floor/panel door
21 †Panel vent airflow
Was this
answer
helpful?
Yes
No
Wednesday, March 27th, 2019 AT 5:36 PM (Merged)

Please login or register to post a reply.