Air conditioner electrical problem

Tiny
BRIAN WILLIAMS
  • MEMBER
  • 2006 DODGE DAKOTA
  • V6
  • 2WD
  • AUTOMATIC
  • 180,000 MILES
I replaced the blower motor two years ago and everything was working fine then it just stopped blowing any air on every setting. I took it to a mechanic and they did a free A/C check. They said the blower motor is fine, but would need to do an electrical diagnosis to figure out the problem. The wires under my glove box (red and black) both have power running through them. The ground wire isn't supposed to be reading any power is what they told me. What could be the problem? Also I have very little knowledge of this stuff so please try to explain it the most basic way possible. Thanks.
Wednesday, May 29th, 2019 AT 4:14 PM

14 Replies

Tiny
ASEMASTER6371
  • MECHANIC
  • 52,796 POSTS
Good evening,

The most common cause is the blower resistor. If it has failed, it will not ground the blower motor.

Roy

1. Disconnect and isolate the negative battery cable.
2. Remove the glove box.
3. Disengage the wire harness connector locking tab and disconnect the wire harness connector (1) from the blower motor resistor (2).
4. Remove the two screws (3) that secure the blower motor resistor to the HVAC housing (4).
5. Remove the blower motor resistor from the HVAC housing.
Was this
answer
helpful?
Yes
No
+1
Wednesday, May 29th, 2019 AT 4:53 PM
Tiny
D6SPAN
  • MECHANIC
  • 58 POSTS
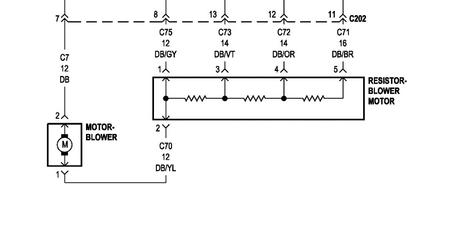
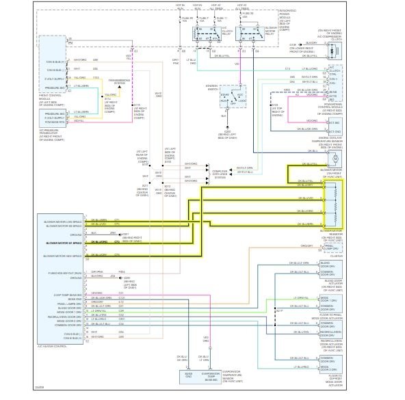
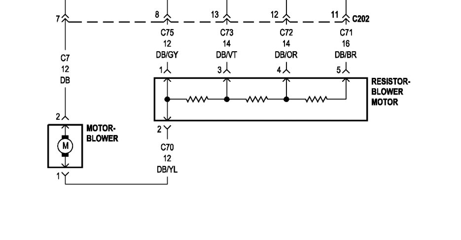
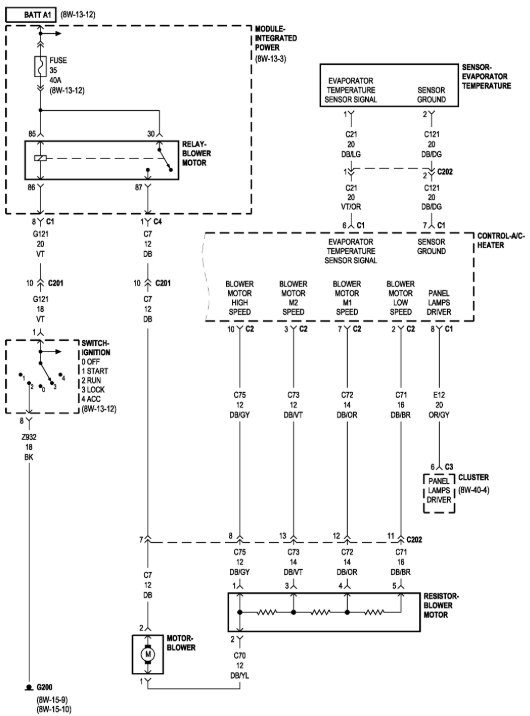
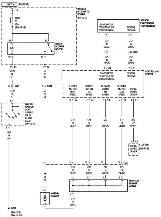
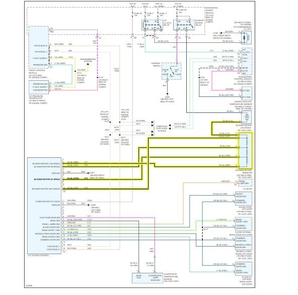
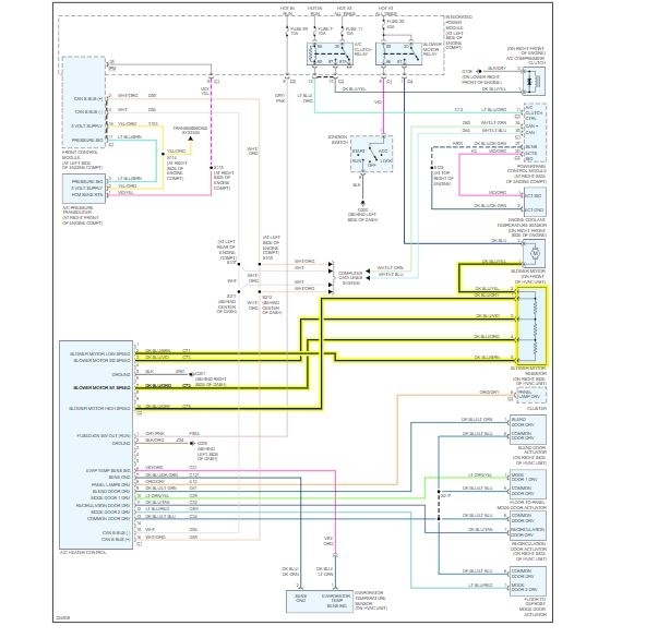
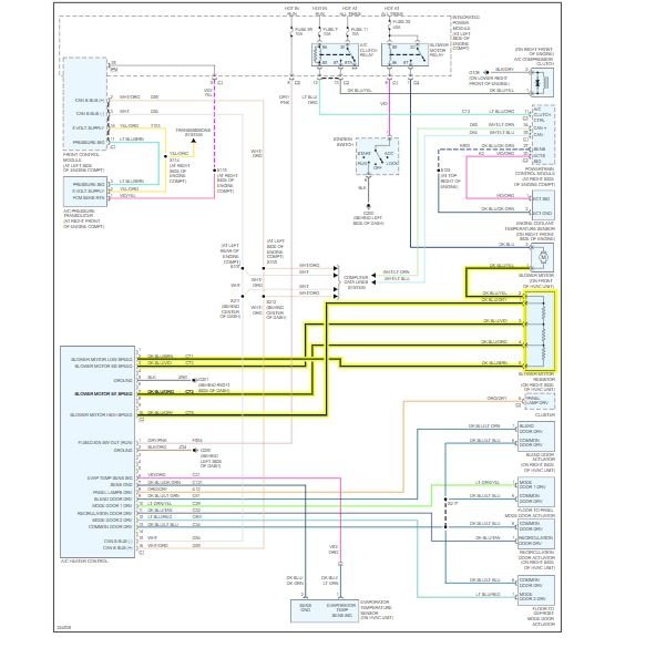
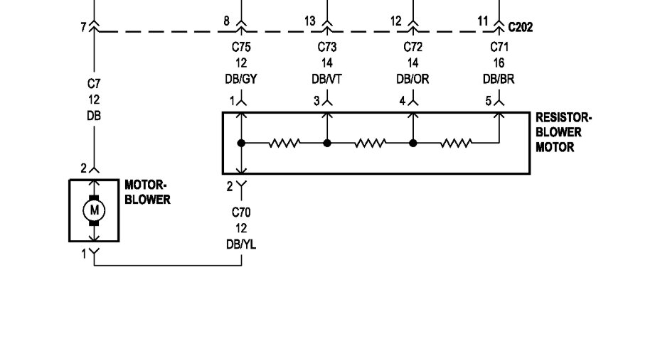
Hi Brian! I've attached a close up image of what wires should be going into and coming out of your blower motor. From this information, we see that the wires are dark blue (DB) and dark blue with a yellow stripe (DB/YL). On the regular image, you can trace back that dark blue wire and see that it gets power from the Blower Motor Relay when it it energized.
So the DB wire should have power when the blower motor is supposed to be on.
Now, the Dark Blue and Yellow wire may not have zero volts because it doesn't go directly to a ground, it goes to the blower motor resistor.
So, your first step would be to go directly to your blower motor and check for voltage on the dark blue wire, with the blowers on. Then check for voltage on the dark blue and yellow wire but see if it changes when you switch between high, med-hi, med-low, and low.
If you have voltage on the dark blue wire, then it is getting power, which is good. If there isn't power on the dark blue and yellow wire, then it could be your resistor, but let's not jump too far ahead, I'm also going to add links to some articles that will be helpful. Keep track of what you find so you can reference it later.

I think the latter half of this article on trouble shooting an AC system will be helpful to you, or at least the last half since you have had a mechanic do a free AC check.
https://www.2carpros.com/articles/car-air-conditioner-not-working-or-is-weak

This one is about how to test wiring.
https://www.2carpros.com/articles/how-to-check-wiring

And just one more, for good measure, is a troubleshooting guide for what to do when you are not getting air coming out of your vents.
https://www.2carpros.com/articles/low-or-no-air-flow-from-vents
Was this
answer
helpful?
Yes
No
+1
Wednesday, May 29th, 2019 AT 4:57 PM
Tiny
BRIAN WILLIAMS
  • MEMBER
  • 7 POSTS
Okay, thanks I will look at that stuff and see what I can figure out.
Was this
answer
helpful?
Yes
No
Wednesday, May 29th, 2019 AT 5:00 PM
Tiny
ASEMASTER6371
  • MECHANIC
  • 52,796 POSTS
Keep us updated.

Roy
Was this
answer
helpful?
Yes
No
+1
Wednesday, May 29th, 2019 AT 5:07 PM
Tiny
BRIAN WILLIAMS
  • MEMBER
  • 7 POSTS
I have bought the resistor and the housing/connector thing and will be putting it on at some point this weekend. I hope it fixes my problem.
Was this
answer
helpful?
Yes
No
Friday, May 31st, 2019 AT 8:28 AM
Tiny
ASEMASTER6371
  • MECHANIC
  • 52,796 POSTS
Keep us updated.

Roy
Was this
answer
helpful?
Yes
No
+1
Friday, May 31st, 2019 AT 12:32 PM
Tiny
BRIAN WILLIAMS
  • MEMBER
  • 7 POSTS
Replaced the resistor and harness. Still no air.
Was this
answer
helpful?
Yes
No
Saturday, June 1st, 2019 AT 1:26 PM
Tiny
ASEMASTER6371
  • MECHANIC
  • 52,796 POSTS
Did you verify the powers as I suggested way back in the beginning?

Roy
Was this
answer
helpful?
Yes
No
Saturday, June 1st, 2019 AT 1:29 PM
Tiny
BRIAN WILLIAMS
  • MEMBER
  • 7 POSTS
Yes, I had an electrical gauge.
Was this
answer
helpful?
Yes
No
Saturday, June 1st, 2019 AT 1:36 PM
Tiny
ASEMASTER6371
  • MECHANIC
  • 52,796 POSTS
How many volts did you have on both sides of the fuses?

Roy
Was this
answer
helpful?
Yes
No
+1
Saturday, June 1st, 2019 AT 1:38 PM
Tiny
BRIAN WILLIAMS
  • MEMBER
  • 7 POSTS
I had a guy doing it for me I think he said it was 12.
Was this
answer
helpful?
Yes
No
Saturday, June 1st, 2019 AT 1:38 PM
Tiny
ASEMASTER6371
  • MECHANIC
  • 52,796 POSTS
Okay, good.

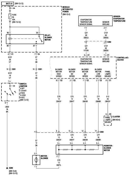
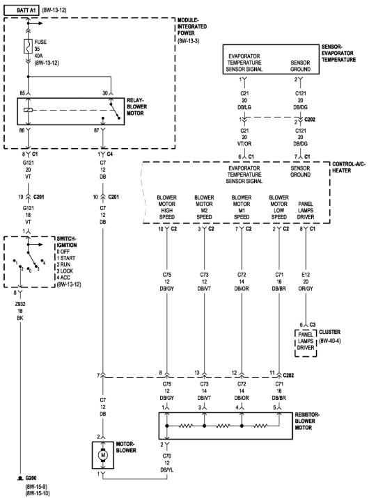
Now he needs to check for power to the resistor itself as in the diagram.

Roy
Was this
answer
helpful?
Yes
No
+1
Saturday, June 1st, 2019 AT 1:41 PM
Tiny
BRIAN WILLIAMS
  • MEMBER
  • 7 POSTS
Okay, well I think I'm just going to pay for the electrical diagnosis because this is way above my level of knowledge.
Was this
answer
helpful?
Yes
No
Saturday, June 1st, 2019 AT 1:57 PM
Tiny
ASEMASTER6371
  • MECHANIC
  • 52,796 POSTS
Okay, Keep me updated.

Roy
Was this
answer
helpful?
Yes
No
+1
Saturday, June 1st, 2019 AT 2:00 PM

Please login or register to post a reply.