HOME
ASK A QUESTION
REPAIR GUIDES
BECOME A MEMBER
LOG IN
Login with Facebook
OR
Remember me
NOT A MEMBER?
FORGOT PASSWORD?
CONTACT US
PRIVACY POLICY
TERMS AND CONDITIONS
☰
Home
Kia
Sedona
Climate Control
Air Conditioner
No Air
Air condition
MRBO
MEMBER
2009 KIA SEDONA
0.5L
6 CYL
FWD
AUTOMATIC
12,200 MILES
My air condition works in the rear but it will not blow at all in the front.
Wednesday, July 12th, 2017 AT 11:11 AM
1 Reply
KEN L
MASTER CERTIFIED MECHANIC
55,497 POSTS
Hello,
It sounds like you have a blower motor that could have failed. To be sure though lets check the easy stuff first.
Here is a guide to help check the fuses and relays:
https://www.2carpros.com/articles/how-to-check-a-car-fuse
and
https://www.2carpros.com/articles/how-to-use-a-test-light-circuit-tester
and
https://www.2carpros.com/articles/how-to-check-an-electrical-relay-and-wiring-control-circuit
and
https://www.2carpros.com/articles/blower-fan-motor-works-on-high-speed-only
Please run some tests and get back to us we are interested to see what it is.
Cheers, Ken
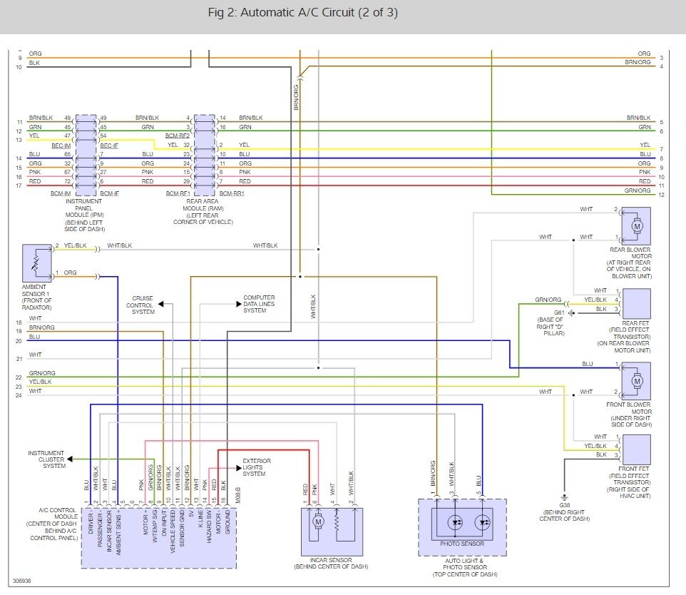
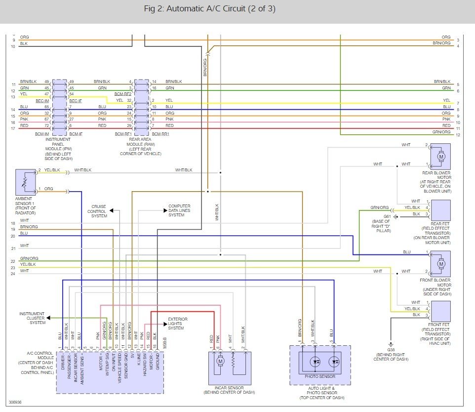
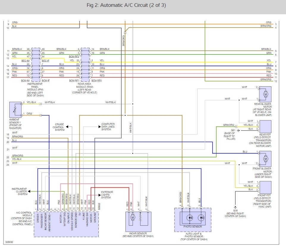
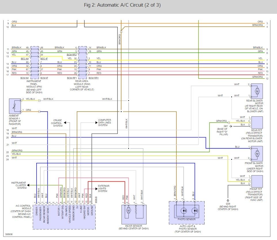
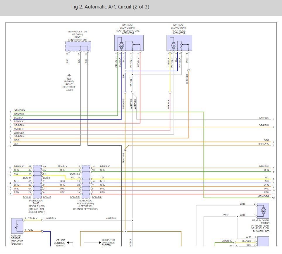
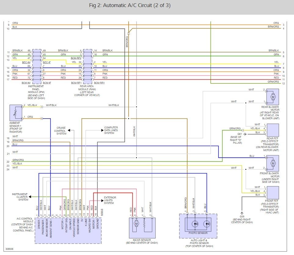
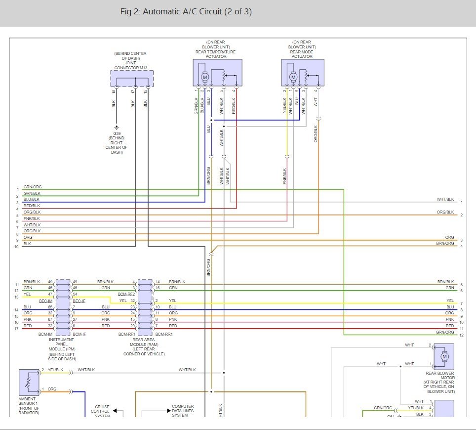
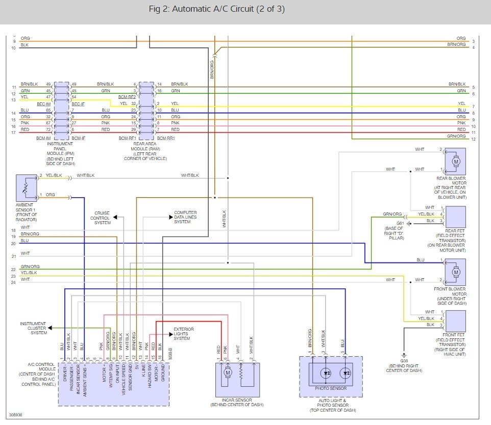
Images (Click to make bigger)
Was this
answer
helpful?
Yes
No
Thursday, July 13th, 2017 AT 3:22 PM
Please
login
or
register
to post a reply.
Related Air Conditioner No Air Content
Air Conditioner Not Working
Manual Climate Control Not Working At All. Manual Climate Control Not Working, No Resp Once From A/c, Heater, Fan, Lights, Checked Fuses...
Asked by
wildrichie69
·
51 ANSWERS
4 IMAGES
2006
KIA SEDONA
GUIDE
Vents No Air Flow
The HVAC system is designed to blow air from either the floor, mid or defrost vents. In the following guide we will show you what to check for depending on the symptoms of...
2003 Kia Sedona Ac Leak
Help I Had Replace The Compressor About A Year Ago The Ac Evap Last Month I Sniffed And Used A Black Light Still Leaks Its Last About Month...
Asked by
jcalvin77038
·
1 ANSWER
2003
KIA SEDONA
Charging The Air Conditioner
What Kind Of Freon Do I Use To Charge The Air Conditioner? I Do Not Have The Owners Manual.
Asked by
confused252
·
7 ANSWERS
1 IMAGE
2007
KIA SEDONA
2006 Kia Sedona A/c Compressor Seized Up
Can I Get Another Supertine Belt And Reroute Past The Compressor Until Summer? If So Do You Have A Diagram Of The Routing?
Asked by
mcavinee
·
2 ANSWERS
2006
KIA SEDONA
Air Conditioner Selector Switch
Air Conditioner Light Does Not Come On And No Control Of Air Flow Position.
Asked by
Debbie Kangas-Sloman
·
1 ANSWER
1 IMAGE
2004
KIA SEDONA
VIEW MORE
Ask a Car Question. It's Free!
How to Replace the A/C Blower Motor
Blend Door Actuator Replacement
Air Conditioner - Vacuum Down and Recharge