Stuck in limp mode

Tiny
COLBY WARHURST
  • MEMBER
  • 2015 CHEVROLET SILVERADO
  • 5.3L
  • V8
  • 4WD
  • AUTOMATIC
  • 164,234 MILES
No power after resetting due to limp mode. Sounds like it chokes itself down and rough idle. Soon as I touch the gas pedal it shuts off and will not crank back up unless I let it sit. Changed all grounds, throttle body and filters.
Monday, March 7th, 2022 AT 12:04 AM

11 Replies

Tiny
AL514
  • MECHANIC
  • 5,584 POSTS
Hello, did you change the throttle body because of codes for it? Is that what was setting the Limp Mode condition? The issue may be that the throttle body needs the throttle angle relearn procedure to occur. Is this a gasoline engine, 1500 series and what is the Sub-model_High Country, LS, LT, LTZ, SSV, WT? pickup crew cab, Extra cab? What were the previous codes that led to the throttle body being changed?
How did you do the KAM reset?

https://www.2carpros.com/articles/engine-has-low-power-output
Was this
answer
helpful?
Yes
No
Monday, March 7th, 2022 AT 7:15 AM
Tiny
COLBY WARHURST
  • MEMBER
  • 6 POSTS
It’s a gas crew cab LT 1500, it went into limp mode due to coolant being low from a leak on condenser. I fixed that issue, and the code went away. Then after charging battery trying to start, it that’s when the throttle body code appeared and it sounds like my entire cold air intake falls off when I try to push gas pedal like that massive amount of air, but I put my original throttle back on until it can stay running or it won’t ever learn the new one. I’ve checked all those connectors as well.
Was this
answer
helpful?
Yes
No
Monday, March 7th, 2022 AT 7:58 AM
Tiny
AL514
  • MECHANIC
  • 5,584 POSTS
Okay, so you had a leak from the radiator, you repaired that/or replaced the radiator. If the battery went so low that the computer memory was lost, I can see the throttle body having to relearn the throttle plate angle, because these are "drive by wire" systems. And with the old throttle body on there, the computer wouldn't need to deal with a relearn or longer relearn time. I would recommend removing the cold air intake system. I know they claim they're great, but this truck has a Multifunctional Intake Air sensor as well as an Intake air temperature sensor. Those need to be on the Air Intake Tube for correct performance.
Is your battery losing voltage overnight or possibly having trouble holding a charge? If you had to charge it, how long was it sitting without the truck being run?
It's possible the battery is failing and it's not keeping the memory alive. The engine computer (ECM) has a keep alive circuit that's always attached directly to the battery (always hot) even with the key off. This keeps the memory alive overnight or when the vehicle has sat for a few days.
As for the Throttle body, the new one will need a throttle relearn procedure. But I would check the battery voltage in the morning before starting it, and also if you have a multimeter I would put it on the battery in the morning, check the voltage level before starting and then watch the meter while cranking over in the morning and write down how low the battery goes at the first crank over in the morning. If it drops below 9volts during cranking, then you might have a battery that's starting to fail.
Batteries cause a lot more issues than people think, from drivability issues to starting issues.
Alot of shops, if they know what they're doing, the first thing they check when a vehicle comes in for an issue is to check the battery. If the battery voltage is dropping down low enough overnight, it's possible the ECM is losing its memory and causing these issues. You may not have a throttle body fault at all. Low input voltage to the computer can cause this.
I would also rescan for new codes as well. What exactly was the throttle body code??
It looks like this truck has two batteries.

https://www.2carpros.com/articles/how-to-use-a-voltmeter

https://www.2carpros.com/articles/symptoms-of-a-bad-car-battery

https://www.2carpros.com/articles/car-battery-load-test
Was this
answer
helpful?
Yes
No
Monday, March 7th, 2022 AT 8:25 AM
Tiny
COLBY WARHURST
  • MEMBER
  • 6 POSTS
Everything you’re saying sounds great, only one thing wrong with it is that I’ve put a new battery on it two weeks ago and it drained from trying to crank it so many times. It is holding a charge if I don’t go out there and try 20 times. I’m also wondering if the tune I had put on this truck is affecting it? Because I know the rear o2 sensors were deleted and this was all done by a professional on a dyno. It was actually the guy the programs for JJ on street outlaws from Memphis. My truck has a place for a second battery, but one was all it had when I bought it.
Was this
answer
helpful?
Yes
No
Monday, March 7th, 2022 AT 9:27 AM
Tiny
AL514
  • MECHANIC
  • 5,584 POSTS
If you had the fuel map changed, and the software is not OEM anymore, then there's so many variables as to what can be affecting it now. Do you have a scan tool that can read live engine data?
So, if you had an ECM tune, what that can do is cause the fuel injector pulse to be longer than the OEM spec for the truck. And these trucks on cold start up go into a dual-pulse mode, so it's firing the fuel injectors twice at each ignition cycle because a colder vehicle requires more fuel at start up. The manufacturers want to get the truck to operating temperature as fast as possible for emissions reasons. So, the tune could be flooding out the engine, especially if you have ignition coils that are not performing at their peak.

GM does have "clear flood mode" I believe. So, you can try holding the gas pedal to the floor and it should shut down the fuel injectors. This is in case of a flooded-out engine issue. We use this for testing sometimes when we don't want the injectors to fire, but if it's flooding out and the spark plugs are getting wet, try holding the pedal to floor and crank it over.
As for the scan tool data if you have that. I would be interested in seeing what the Long-Term and Short-Term Fuel trims are at Idle.
Did you have the catalytic converters removed? If not, they might have melted down and restricted your exhaust.
To check that take out the front Oxygen sensors and see if it runs better, if the cats are melted down and restricting the exhaust, this will allow that pressure to escape.
I would also recommend pulling a few spark plugs and seeing what they look like.
To me if the converters weren't removed during the tune. Which they shouldn't be, it sounds like it might have a restricted exhaust.
So there's a few things to check.
1. Spark plugs.
2. If you can take out a front oxygen sensor or both front ones.
3. Live Scan tool data if you have one.
4. Hold the gas pedal to the floor. Try to start it.

You can do these in whatever order you want, it doesn't matter.
And can you tell me the codes you go for the throttle body and any other codes? The code numbers specifically.
There is also a Technical Service Bulletin on coolant entering the cylinders, I'll post that below.
Was this
answer
helpful?
Yes
No
Monday, March 7th, 2022 AT 12:37 PM
Tiny
COLBY WARHURST
  • MEMBER
  • 6 POSTS
Okay, thanks. I've tried the gas pedal to floor but as stated in earlier message it won’t idle it will crank and run for maybe 45 seconds max and not crank back up. I put new plugs and coils on it. I haven’t removed cats so they may be restricted but it should crank more than once, correct? It’s had me scratching my head for going on three and half weeks now.
Was this
answer
helpful?
Yes
No
Monday, March 7th, 2022 AT 10:19 PM
Tiny
COLBY WARHURST
  • MEMBER
  • 6 POSTS
I’m not getting any codes anymore which is weird because something is definitely wrong.
Was this
answer
helpful?
Yes
No
Monday, March 7th, 2022 AT 10:22 PM
Tiny
AL514
  • MECHANIC
  • 5,584 POSTS
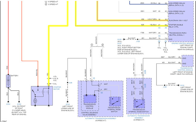
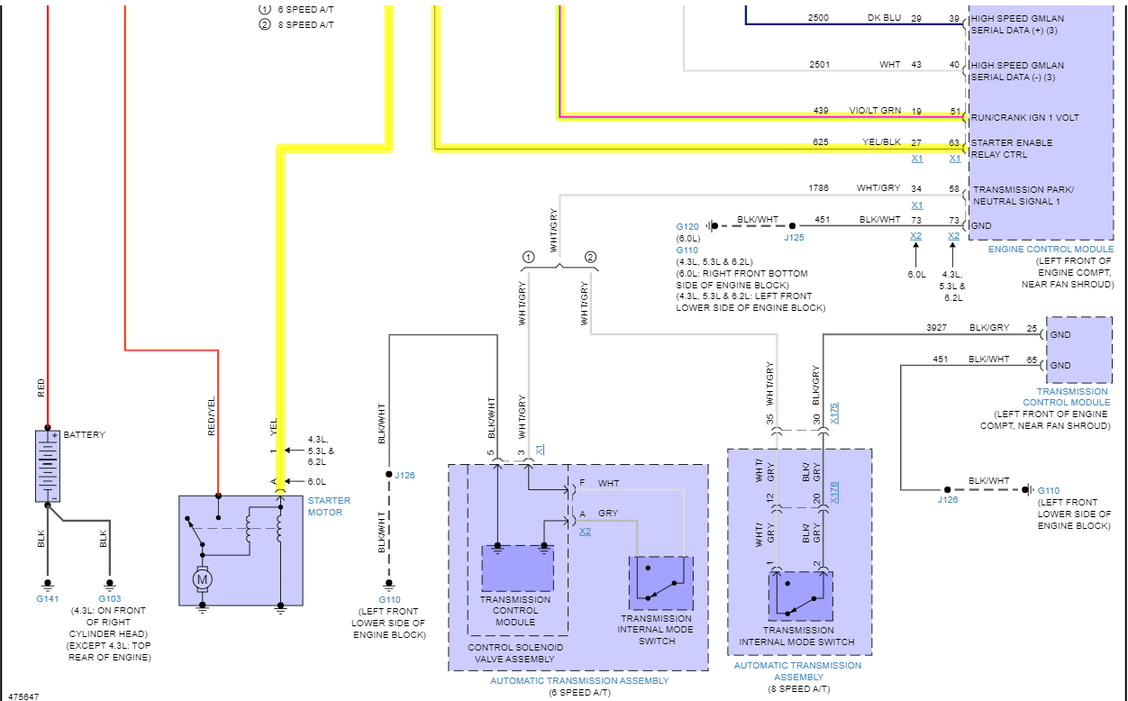
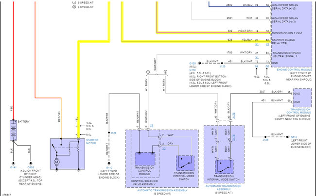
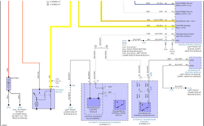
Oh, okay. I must have got the wrong idea; you're saying it won't actually turn the engine over anymore after it stalls out... So, if it is losing power and then won't even turn over, it sounds like it may be a module failing. If a circuit board has a cracked solder joint that's heating up and then cooling down allowing it to crank over again. I'll put the Starter wiring diagrams below, but it can be difficult to track down a failing module because if it is losing communications, as you can see the Body Control Module communicates on a CAN bus to the Engine computer for Starting signals and the engine computer then powers up the Starter Relay.

You can take out the Starter Relay and check the pins for corrosion as well as the underside of the Fuse Block in the engine compartment. When it stalls out and won't turn over again does the Check Engine light come on while the Key is in the On or Crank position? It should last for about 2-3 seconds. If it's not, then the ECM is not powering up and that would also explain why you're not getting any codes. Can you communicate with the ECM with your scan tool?

https://www.2carpros.com/articles/can-scan-controller-area-network-easy
Was this
answer
helpful?
Yes
No
Tuesday, March 8th, 2022 AT 11:49 AM
Tiny
COLBY WARHURST
  • MEMBER
  • 6 POSTS
Yes, it comes on and stays on like it would normally, but my oil gauge isn’t working. It’s the only thing in the cluster that’s not working.
Was this
answer
helpful?
Yes
No
Wednesday, March 9th, 2022 AT 9:17 AM
Tiny
AL514
  • MECHANIC
  • 5,584 POSTS
Are you getting a message on the display about low oil levels? It's interesting I'm reading here that it should actually set a code for that. I'm trying to see if that would cause a no start, no crank situation, it looks like the oil pressure sensor is just under the throttle body opening
The thing that's difficult with this truck is that it takes communications between the Body control module and then ECM to even crank the engine over. So, I can see it being inhibited by a lot of different issues.

So, it will crank for about 45 seconds, and run, stall out and no crank again, or does it just stop cranking and then won't turn over after that for a while? It seems like a strange intermittent problem. Plus, with the software change and no rear 02s, it's tough knowing where to begin with this.
Obviously, you're not getting power to the starter for one. But the bad running condition too, is it 2 different problems or just one module failing is what we need to figure out. Do you have a multimeter? So, we can do some circuit testing?
Was this
answer
helpful?
Yes
No
Wednesday, March 9th, 2022 AT 10:19 AM
Tiny
AL514
  • MECHANIC
  • 5,584 POSTS
Do you remember what the throttle body code was exactly? And have you checked the connections at the starter just to make sure there's no loose wires down in that area?
Was this
answer
helpful?
Yes
No
Wednesday, March 9th, 2022 AT 2:35 PM

Please login or register to post a reply.