Timing chain marks

Tiny
FACEMMAN
  • MEMBER
  • 1998 ACURA INTEGRA
What position are the timing chain marks for cam shafts.
Sunday, December 14th, 2008 AT 3:34 PM

1 Reply

Tiny
SQM
  • MECHANIC
  • 6,383 POSTS
Hello,

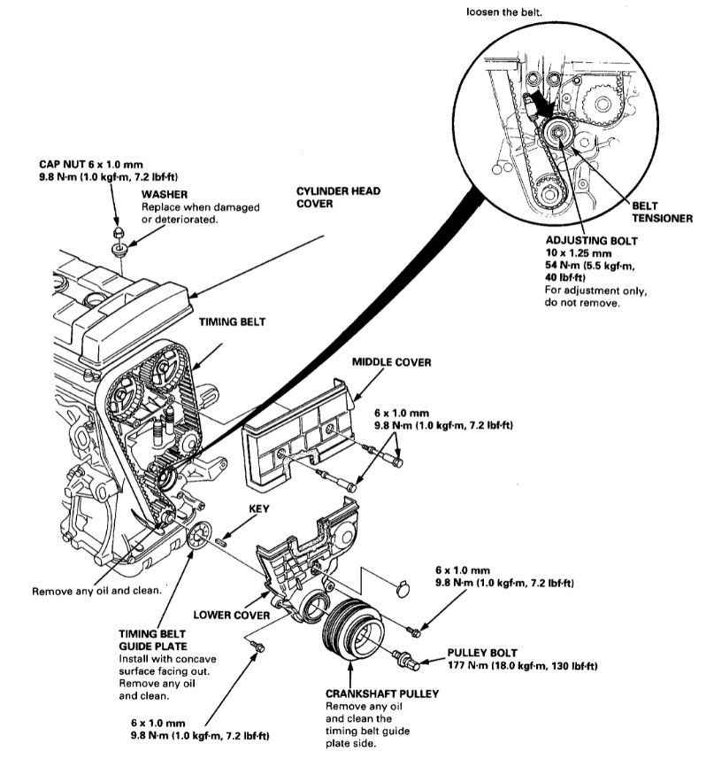
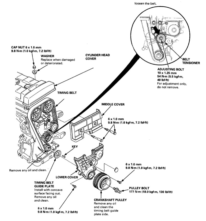
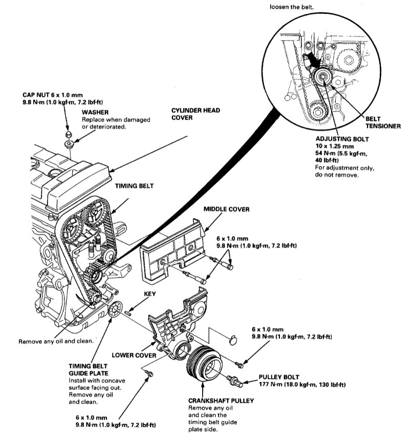
Before taking off the belt you need to make sure that number 1 cylinder is at TDC.

I have attached all the diagrams showing the timing marks for your reference.
Be sure to have everything lined up exactly as the diagrams.
Engine might not run properly even if you are off by just one notch of the belt.

Here is a helpful article:

https://www.2carpros.com/articles/how-a-timing-belt-works

Please let me know of any questions.

Thank you.
Was this
answer
helpful?
Yes
No
Monday, August 23rd, 2021 AT 7:53 PM

Please login or register to post a reply.