I am getting no power to the ECM.

Tiny
LARRY84
  • MEMBER
  • 1998 ACURA INTEGRA
  • 125,000 MILES
All 4 fuel injectors keep pumping gas and flooding the engine.
Tuesday, October 11th, 2011 AT 3:31 PM

15 Replies

Tiny
KHLOW2008
  • MECHANIC
  • 41,814 POSTS
The ECM is grounding the injector circuits. Have the ECM checked/tested.
Was this
answer
helpful?
Yes
No
Tuesday, October 11th, 2011 AT 4:43 PM
Tiny
LARRY84
  • MEMBER
  • 8 POSTS
I still need to know why I am not getting power to the ecm?
Was this
answer
helpful?
Yes
No
-1
Tuesday, October 11th, 2011 AT 4:57 PM
Tiny
KHLOW2008
  • MECHANIC
  • 41,814 POSTS
Have you checked the fuses?
How do you know the ECM is not getting power?
Does the Check Engine Light comer on and goes off after 2 seconds when ignition is turned on?
Was this
answer
helpful?
Yes
No
Tuesday, October 11th, 2011 AT 5:19 PM
Tiny
LARRY84
  • MEMBER
  • 8 POSTS
Fuses checked and all OK. We checked all the ECM ports with test light and no power. There are 3 plugs in the ECM, one blue and two gray, (one small gray and one larger gray plug) we want to know if we can run power into one of the wires in one of these plugs, and into which color wire to get power to the ECM.
Was this
answer
helpful?
Yes
No
Tuesday, October 11th, 2011 AT 5:51 PM
Tiny
KHLOW2008
  • MECHANIC
  • 41,814 POSTS
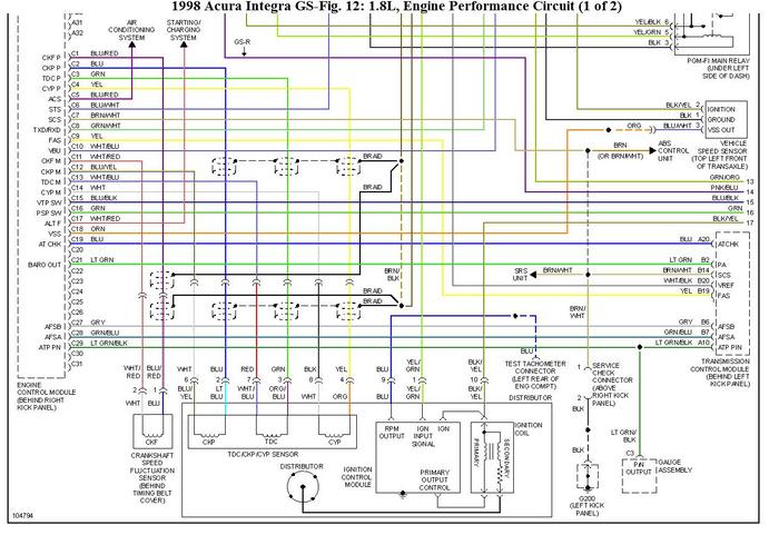
Here are the wiring schematics.
Was this
answer
helpful?
Yes
No
Tuesday, October 11th, 2011 AT 6:09 PM
Tiny
LARRY84
  • MEMBER
  • 8 POSTS
I have the schematics. Can you tell me which color wire to put power to.
Was this
answer
helpful?
Yes
No
Tuesday, October 11th, 2011 AT 6:18 PM
Tiny
KHLOW2008
  • MECHANIC
  • 41,814 POSTS
There must be constant battry voltage at terminal C10 (White/Blue wire).

Yellow/Black wire at terminal A11 and A 24 receives battery voltage from the PGM-FI main relay when ignition switch is turned on.

Have you checked/tested the PGM-FI main relay? You did not reply to my questions about the CEL etc in my previous post.
Was this
answer
helpful?
Yes
No
Tuesday, October 11th, 2011 AT 6:35 PM
Tiny
LARRY84
  • MEMBER
  • 8 POSTS
The CEL stays on when key is in on position along with other display lights
Was this
answer
helpful?
Yes
No
Tuesday, October 11th, 2011 AT 9:31 PM
Tiny
KHLOW2008
  • MECHANIC
  • 41,814 POSTS
Most likely the PGM-FI main relay is bad. That is one of the most common cause of non starting. The main relay has two circuits in it, one for the fual pump and the other for the ECM. During initial ignitiuon on, the CEL would turn on for 2 seconds and then goes off when the ECM has self check and the fuel pump circuit is cut off after priming the citcuit.

Remove the main relay and check the circuit board. Have the joints resoldered if any of them looks cracked, usually cracks are visible but might not be easily detected.

If terminal C10 (White/Blue wire) does not have any battery voltage, check the underhood fuse.

For the Yellow/Black wire at terminal A11 and A24, ensure there is battery voltage coming out of the main relay with ignition switch turned on.
Was this
answer
helpful?
Yes
No
Wednesday, October 12th, 2011 AT 4:40 PM
Tiny
LARRY84
  • MEMBER
  • 8 POSTS
We have tried all the above and still having problems. We believe it may be a wiring problem. Can you tell us what the on/off voltage is for each pin in the ecm.
Was this
answer
helpful?
Yes
No
Monday, October 17th, 2011 AT 9:56 PM
Tiny
KHLOW2008
  • MECHANIC
  • 41,814 POSTS
Does the CEL goes off after 2 seconds when ignition switch is turned on?

Replied on October 12, 2011

There must be constant battery voltage at terminal C10 (White/Blue wire).

Yellow/Black wire at terminal A11 and A 24 receives battery voltage from the PGM-FI main relay when ignition switch is turned on.

Do you have battery voltage for these terminals?
Was this
answer
helpful?
Yes
No
Tuesday, October 18th, 2011 AT 1:39 PM
Tiny
LARRY84
  • MEMBER
  • 8 POSTS
Yes to all above. There is constant battery voltage at terminal C10 and the yellow/black wire at terminal A11 and A24 has voltage when the ignition switch is turned on.
Was this
answer
helpful?
Yes
No
Tuesday, October 18th, 2011 AT 2:57 PM
Tiny
KHLOW2008
  • MECHANIC
  • 41,814 POSTS
The ECM is bad
Was this
answer
helpful?
Yes
No
+1
Tuesday, October 18th, 2011 AT 4:39 PM
Tiny
LARRY84
  • MEMBER
  • 8 POSTS
Before I spend lots of bucks on an ECM could you tell me the On/OFF volts for each pin on the A, C, and D plugs.
Was this
answer
helpful?
Yes
No
Tuesday, October 18th, 2011 AT 8:24 PM
Tiny
KHLOW2008
  • MECHANIC
  • 41,814 POSTS
Remove the ECM and open the cover. Look at the capacitors on the circuit board and if you find any that is leaking, get them replaced and the ECM might work. If you have voltage to the ECM and the grounding circuit is good, there is nothing much you can do even if you check through.

The grounding connection at the thermostat housing has to be good for the ECM to work correctly and if any work was done there, recheck the grounding point.
Was this
answer
helpful?
Yes
No
Wednesday, October 19th, 2011 AT 12:25 PM

Please login or register to post a reply.