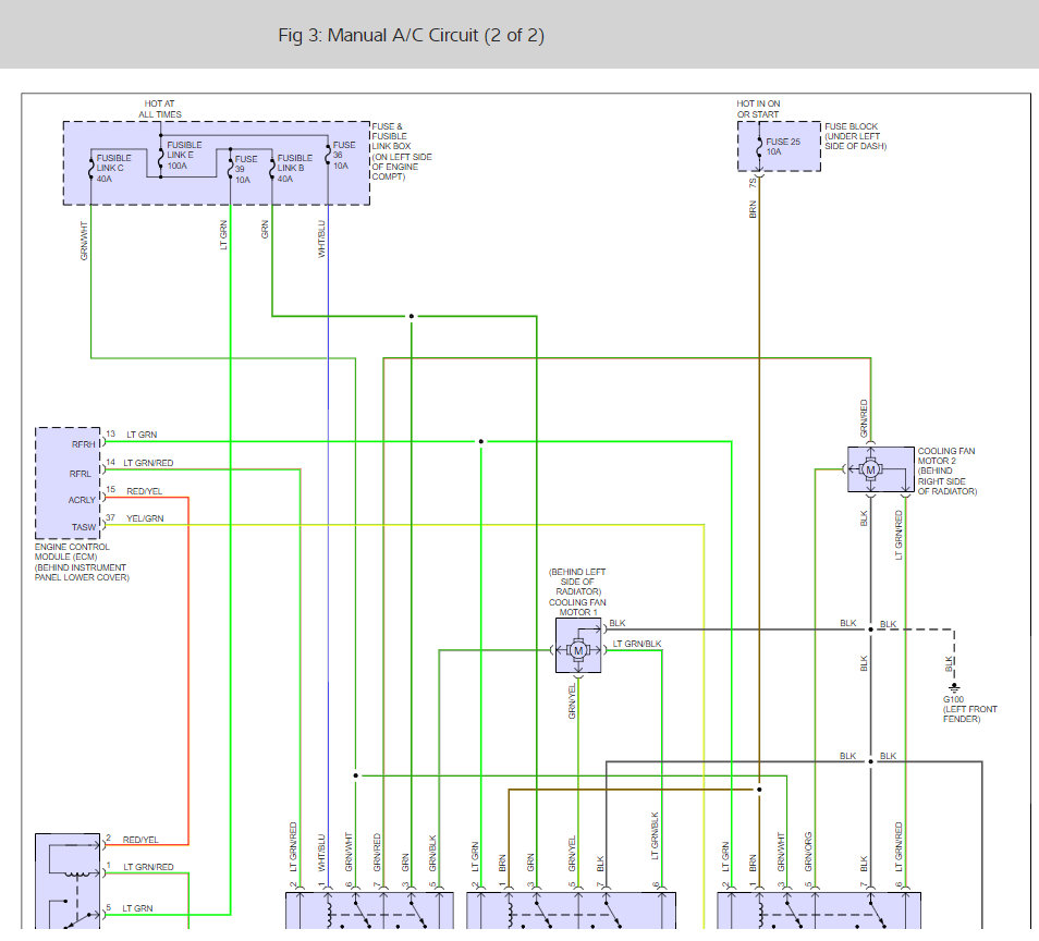
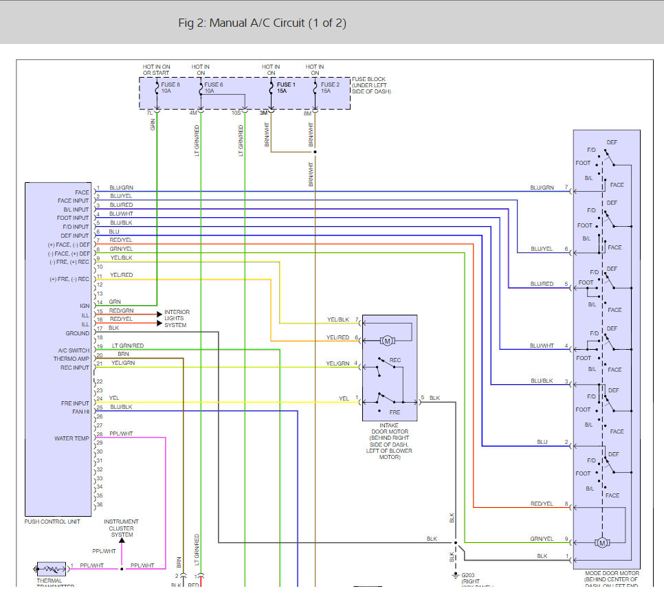
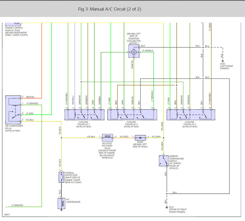
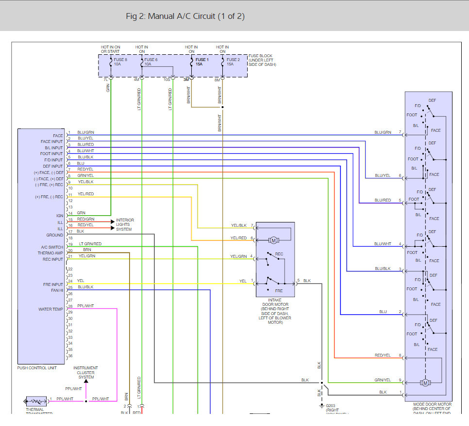
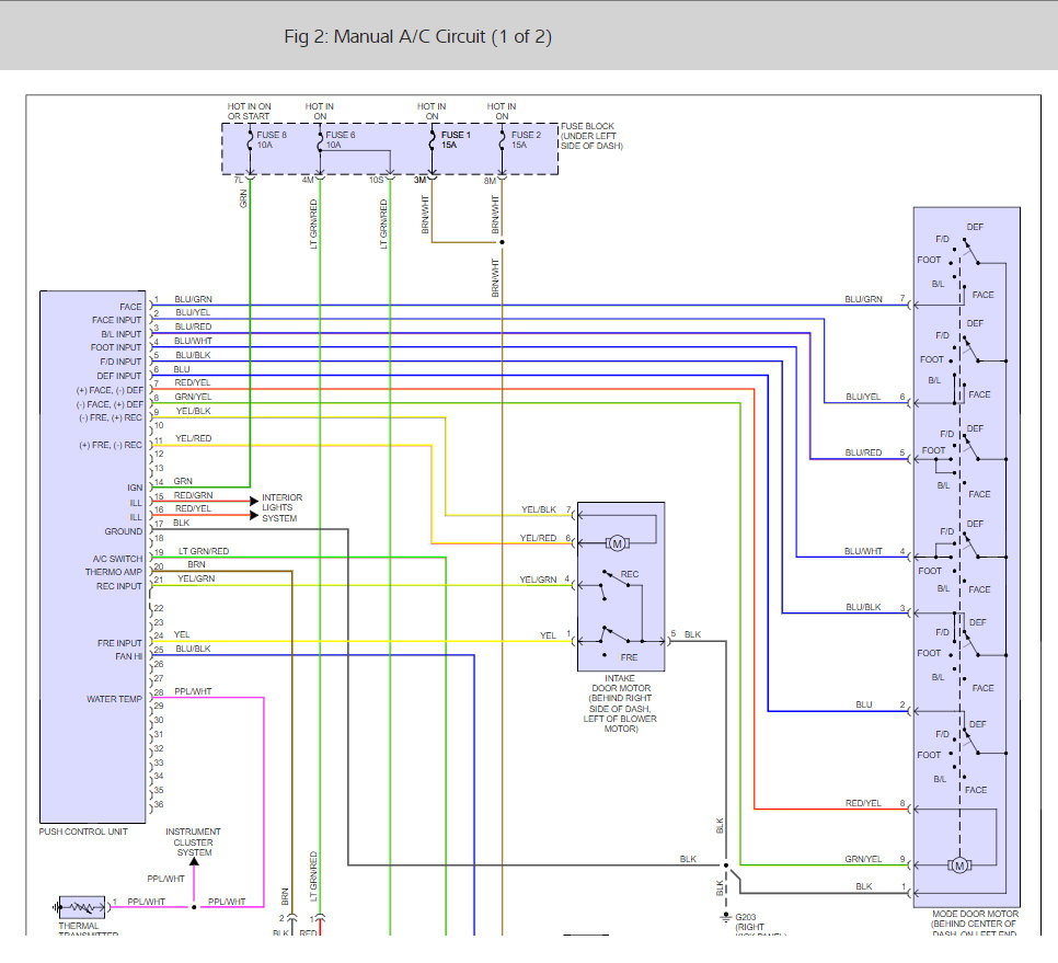
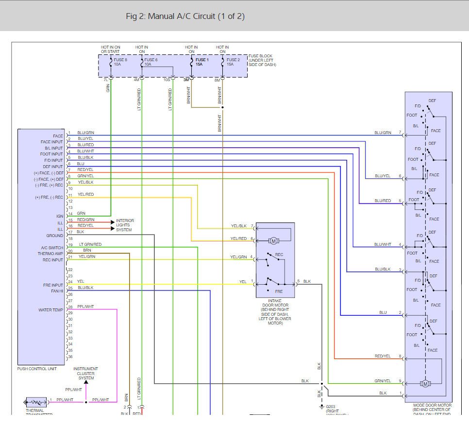
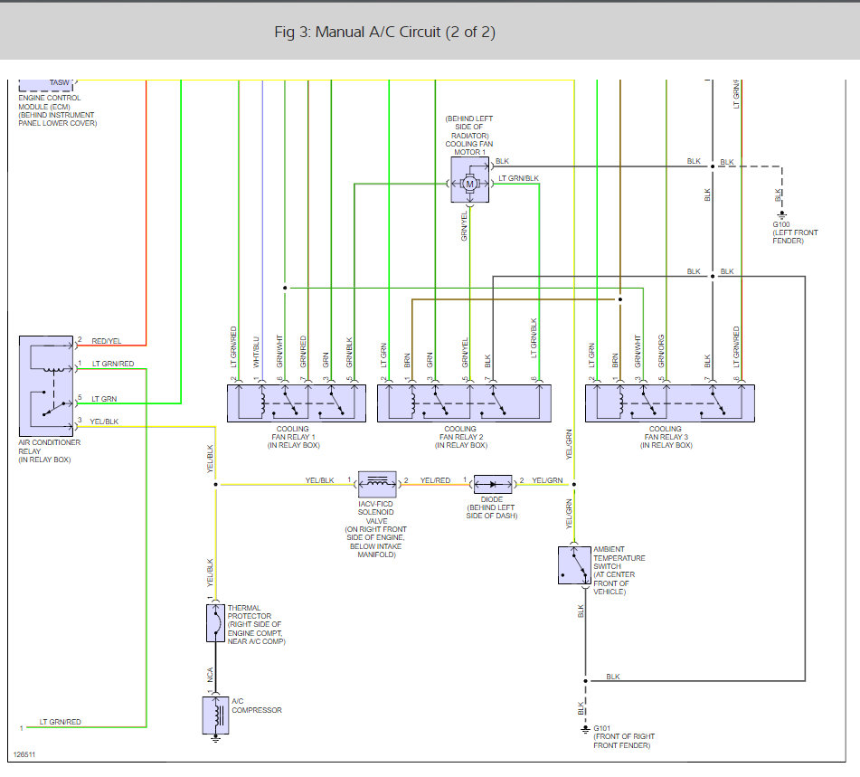
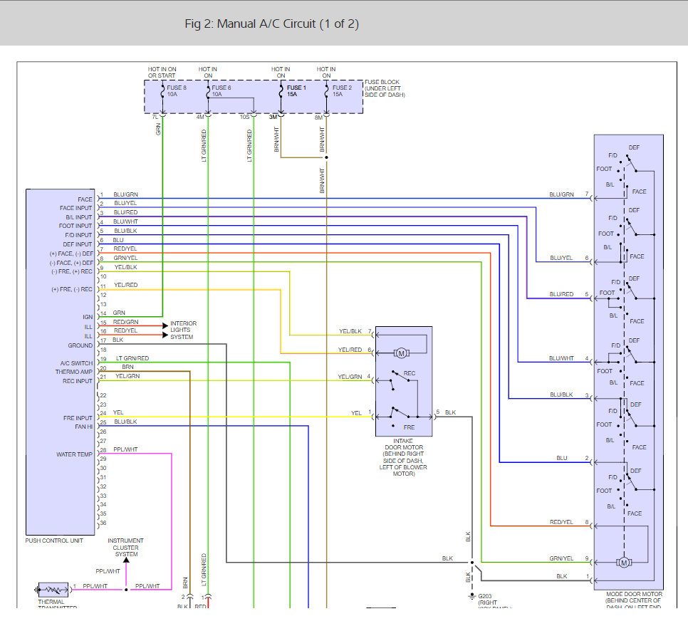
Air conditioner and HVAC wiring diagrams

Tiny
JAMES W.
  • MECHANIC
  • 2,394 POSTS
Here are some guides and some diagram (below) that will help us get the problem fixed. Check it out (below)

https://www.2carpros.com/articles/how-to-use-a-test-light-circuit-tester

Please let us know what happens.

Cheers
Was this
answer
helpful?
Yes
No
+1
Tuesday, May 25th, 2021 AT 11:15 AM (Merged)
Tiny
FIXSKY
  • MEMBER
  • 11 POSTS
Hi james
I was reading all question and anwser in the forum regarading my a/c probem, I find out that on sept. 25, 2008 ( dsdhornet) his code name, ask the same question as my problem! I was thinking counld it be the temp sensor on evaporator or the temp control amp causing this problem, I already replace the triple sw but it don't make defference
pls advise thank's fixsky
Was this
answer
helpful?
Yes
No
+1
Tuesday, May 25th, 2021 AT 11:15 AM (Merged)
Tiny
JAMES W.
  • MECHANIC
  • 2,394 POSTS
It could be any one of the sensors or controls on your system. It sounds like it could be the problem
Was this
answer
helpful?
Yes
No
Tuesday, May 25th, 2021 AT 11:15 AM (Merged)
Tiny
FIXSKY
  • MEMBER
  • 11 POSTS
Hi james
yeah, this could be one of the sensor but I don't have specs. For testing this thermo cntrl amp? And i'm a bit lost of this system coz when they call it thermo cntrl amp. This must be a module with printed broard, chips resistor ect. In the small box connected to the harness, and when I check it, its only three wire harness that go in to the a/c evap housing I don't know what on the end of this three wire . Like older nissan I see a small box stick on the side of the evap case call it thermo cntrl amp, and also this nissan altima was made MAY. 2001 may be we barcking the wrong and get the wrong info. Pls help thanks fixsky
Was this
answer
helpful?
Yes
No
Tuesday, May 25th, 2021 AT 11:15 AM (Merged)
Tiny
JAMES W.
  • MECHANIC
  • 2,394 POSTS
We have a lot of problems with import(Japanese) wiring diagrams not matching what is actually in the vehicle. Many times we just have to read between the lines. Usually, unless you have the diagnostic unit, there is very little the owner can do to isolate an electronic problem. You can use the"well that didn't fix it, let's try this" approach, but that can get expensive.
Was this
answer
helpful?
Yes
No
Tuesday, May 25th, 2021 AT 11:15 AM (Merged)
Tiny
FIXSKY
  • MEMBER
  • 11 POSTS
Hi james,

now I would like to say that "case is close" to this repair thank's for the help, I just change the temp control amp for the a/c located in the evap housing and it fix the problem
thank's fixsky
Was this
answer
helpful?
Yes
No
Tuesday, May 25th, 2021 AT 11:15 AM (Merged)
Tiny
JAMES W.
  • MECHANIC
  • 2,394 POSTS
Glad you got it. Anything else, youi know where to find us.
Was this
answer
helpful?
Yes
No
Tuesday, May 25th, 2021 AT 11:15 AM (Merged)
Tiny
YOYOMA
  • MEMBER
  • 2 POSTS
Hi Fixsky,
Looks like I have the same issue as you described and your solution seems to perfect fix for mine. I would like to get information on the following:
1. Where exactly is the Evap Housing Located on the Altima?
2. Where can I buy the Temp Control Amp? Please provide any part #, if you have it.
3. Does this fixing need any special tools?

Thanks in advance.
-Jay
Was this
answer
helpful?
Yes
No
Tuesday, May 25th, 2021 AT 11:15 AM (Merged)
Tiny
JAMES W.
  • MECHANIC
  • 2,394 POSTS
The evaporator is under the dash in the same box as the heater core. No special tools required, it's just a miserable bugger to get at.
Was this
answer
helpful?
Yes
No
+2
Tuesday, May 25th, 2021 AT 11:15 AM (Merged)
Tiny
YOYOMA
  • MEMBER
  • 2 POSTS
Thanks James W. I appreciate your input and will try it over the weekend. I was out of town for a while and didn't get a chance to see your reply until today and thus the late response. Thanks again.
Was this
answer
helpful?
Yes
No
Tuesday, May 25th, 2021 AT 11:15 AM (Merged)

Please login or register to post a reply.