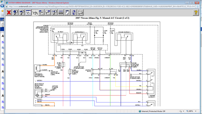
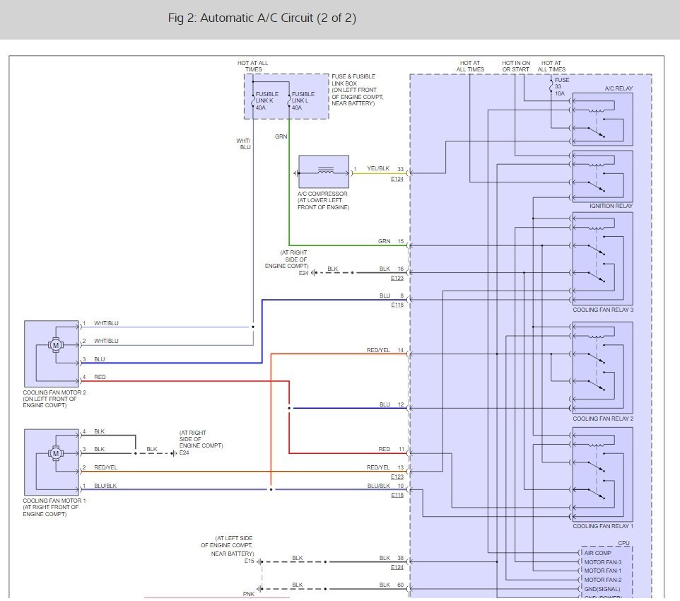
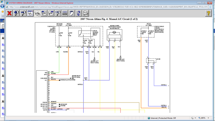
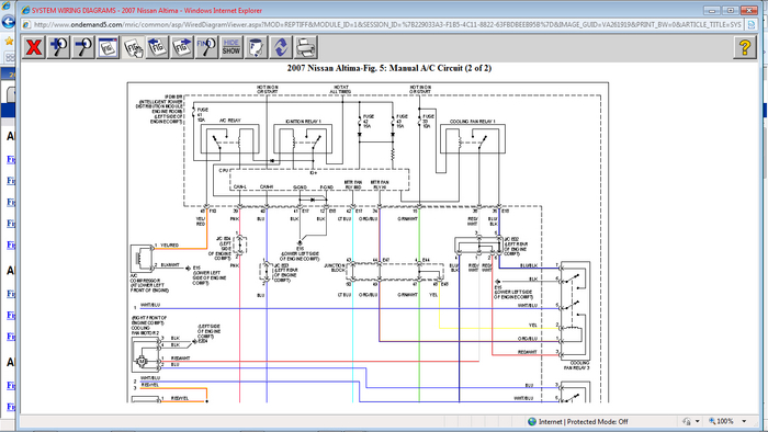
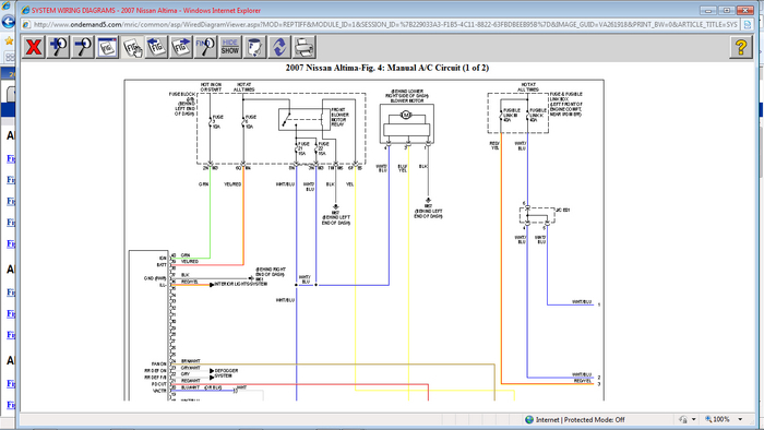
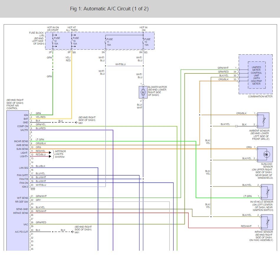
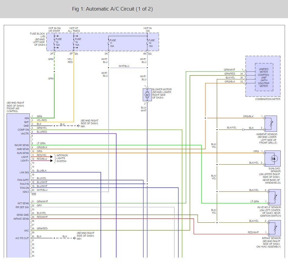
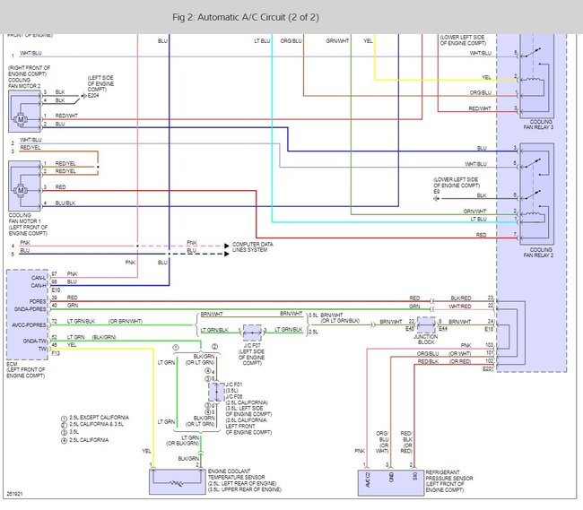
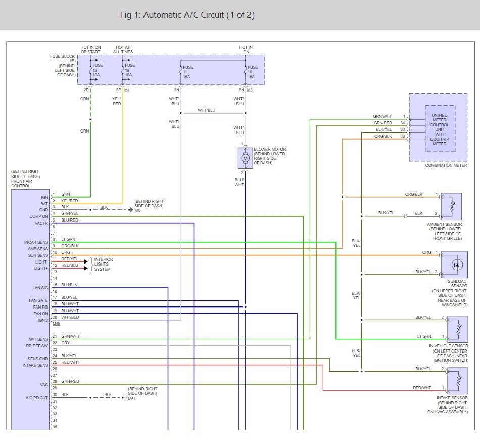
I changed everything of the A/C compressor about a year ago. Now the car has A/C sometimes and other times it doesn't . For example today i have ac but yesterday i didn't. when it works it is perfect, when it doesn't it is hot. this is what i changed:
Expansion valve
Dryer
Compressor
Condenser
A/C filter
Thanks in advance.
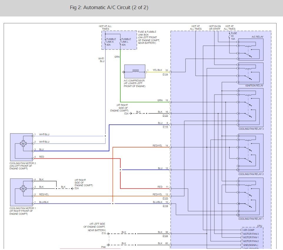
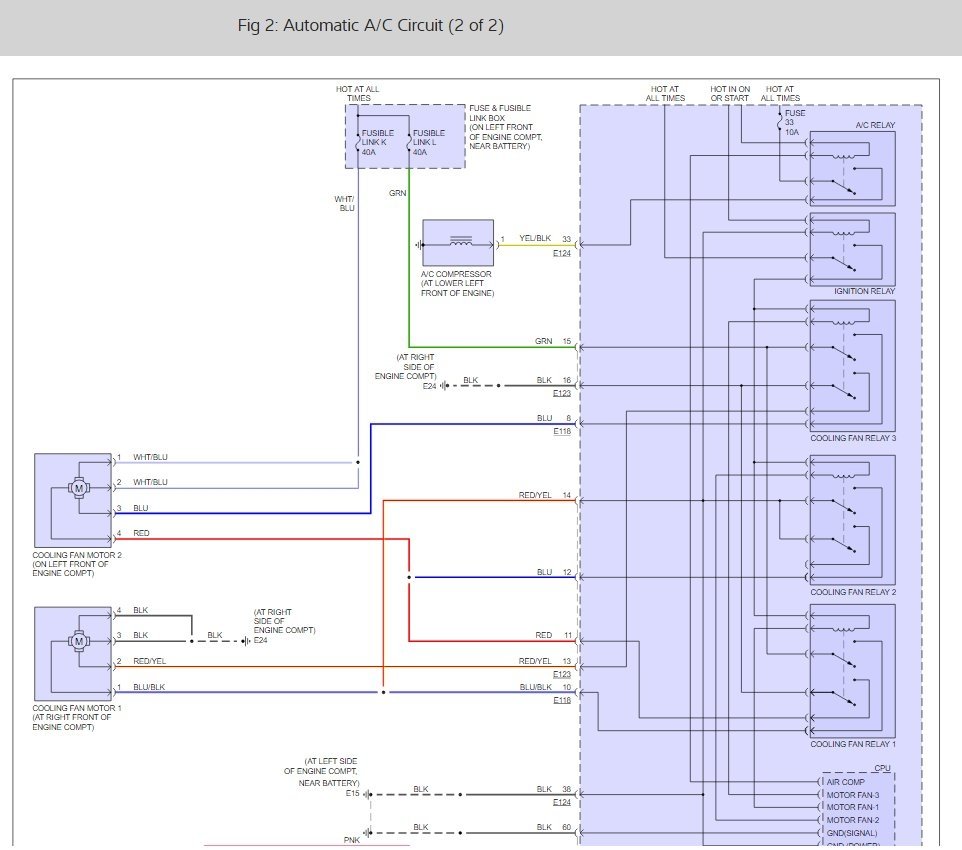
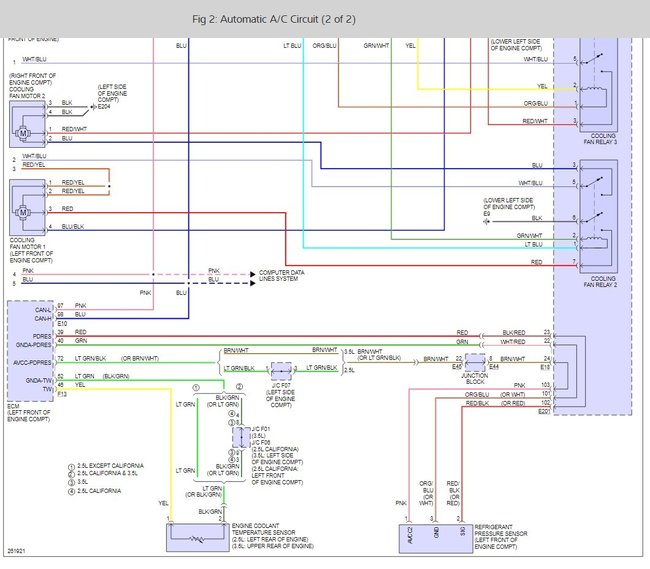
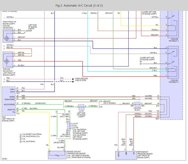
Expansion valve
Dryer
Compressor
Condenser
A/C filter
Thanks in advance.
Feb 10, 2020 at 8:48 AM




































