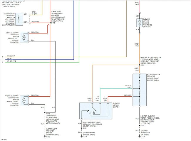
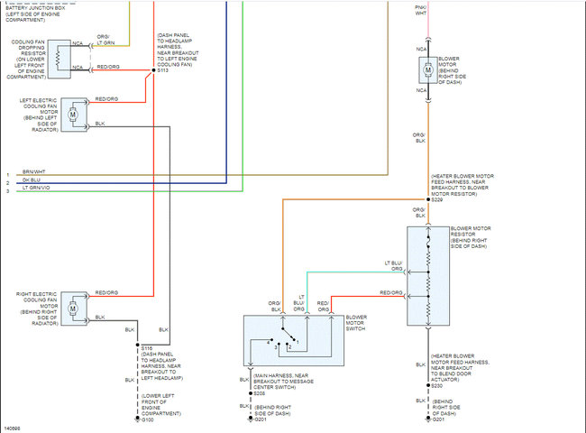
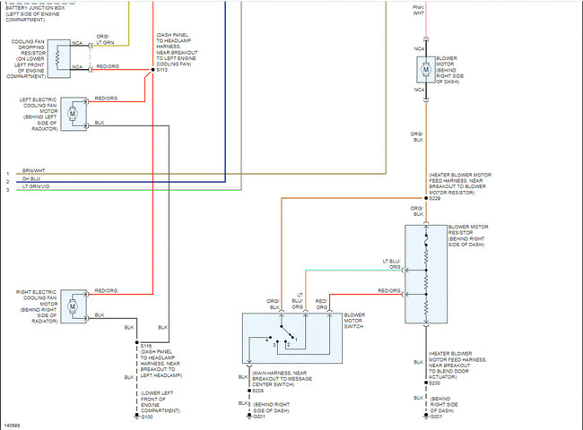
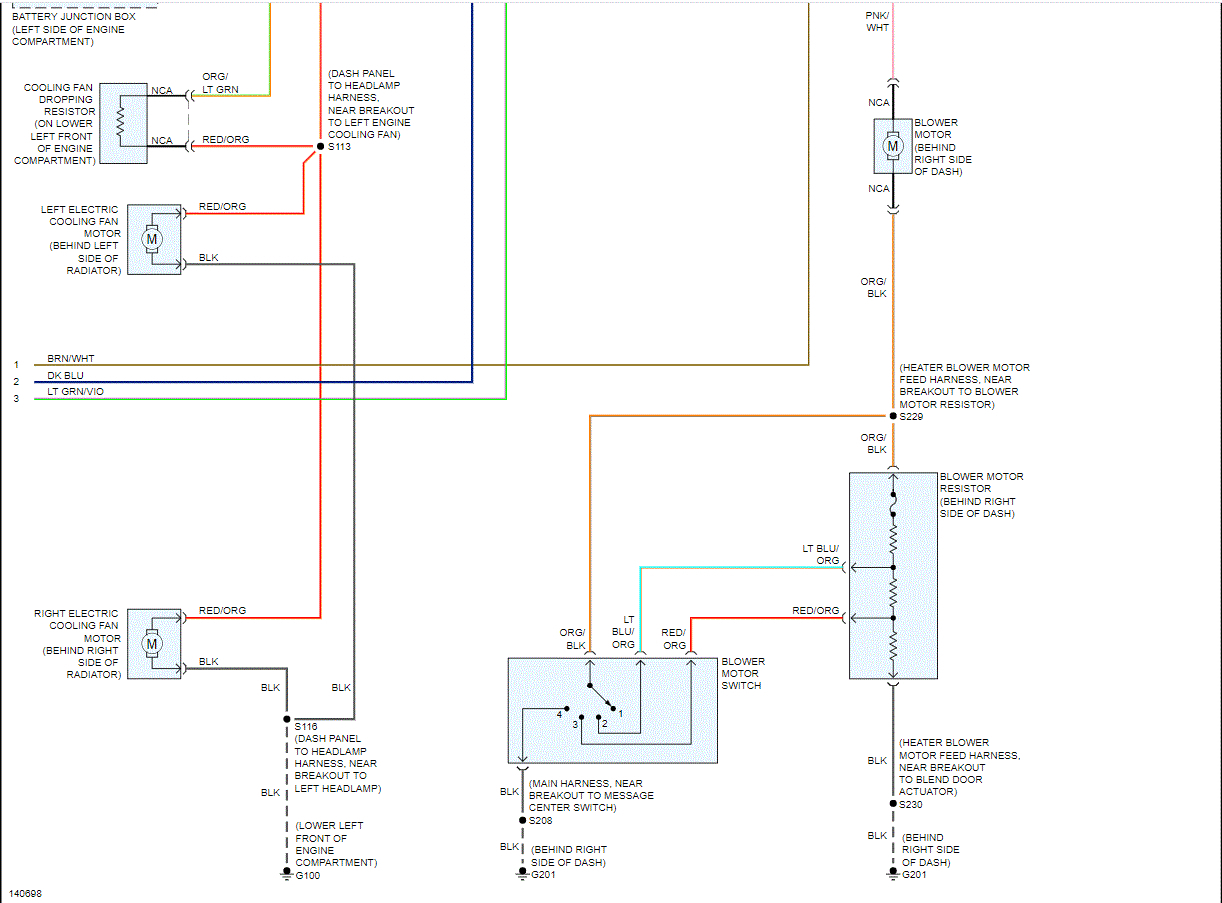
when you turn the A/C control inside on the light illuminates nothing happens. Add power directly to compressor and it works changed the relay and checked all fuses to make sure.
seems like it works when its hot out but under 75 degrees outside noting. There is no ambient air temperature sensor I can find behind the bumper like in the diagram but I also don't have the outside temperature display.
i'm lost on this one in can go home today and it will probably fire up but around 6:00 pm when the air drops outside it then wont work.
any help would be great.
Wednesday, September 8th, 2021 AT 9:29 AM








