A/C problem, compressor is not engaging or getting power

Tiny
STERLINGBSTRAIN
  • MEMBER
  • 2002 SATURN L200
  • 4 CYL
  • AUTOMATIC
  • 177,000 MILES
Blower was going in and out. I'd turn car on and need to open front hood and slam shut for it to come on, only sometimes. Began blowing low off and on while driving but still was cold. When I'd turn left it would blow hard, normal. Then back to low when straightened out. We used voltage meter to check relays and and such. Now the compressor is not engaging or getting power at all. But blower still works bad as before only hot air. Do I have electric problem?
Sunday, June 23rd, 2019 AT 8:48 PM

8 Replies

Tiny
ASEMASTER6371
  • MECHANIC
  • 52,796 POSTS
Good afternoon,

Yes, you do.

I suspect the blower motor or the connector is the issue with the blower motor.

As far as the A/C, do you have any gauges to tell me the pressures? I need to see them to see if there is Freon in the system.

Roy

1. Turn ignition On and select outside air on control head.
2. Disconnect negative battery cable.

ImageOpen In New TabZoom/Print

3. Open engine hood and remove wiper arm assemblies.

CAUTION: A SHARP EDGE IS REVEALED ONCE THE WEATHERSTRIP IS REMOVED.

ImageOpen In New TabZoom/Print

4. Remove weatherstrip at rear of engine compartment.

ImageOpen In New TabZoom/Print

5. Remove cowl retaining nuts and remove cowl screen assembly.

ImageOpen In New TabZoom/Print

6. Rotate locking tabs outward to release filter assembly.
7. Remove filter by lifting straight up.

ImageOpen In New TabZoom/Print

8. Remove wiper module retaining bolts and slide wiper module to right.

ImageOpen In New TabZoom/Print

9. Remove filter housing attachment bolts and remove filter housing.

ImageOpen In New TabZoom/Print

10. Remove blower motor housing screws, release locking tabs and remove fan housing.
11. Disconnect blower motor electrical connector by squeezing bottom of connector and pulling downward.
12. Remove blower motor assembly by lifting straight out.
Was this
answer
helpful?
Yes
No
Monday, June 24th, 2019 AT 1:46 PM
Tiny
STERLINGBSTRAIN
  • MEMBER
  • 6 POSTS
Thanks for your response. Reads 130 without compressor running.
Was this
answer
helpful?
Yes
No
Tuesday, June 25th, 2019 AT 12:24 AM
Tiny
ASEMASTER6371
  • MECHANIC
  • 52,796 POSTS
What is the outside temperature?

Is that both the high and low side pressure?

Roy
Was this
answer
helpful?
Yes
No
Tuesday, June 25th, 2019 AT 2:38 AM
Tiny
STERLINGBSTRAIN
  • MEMBER
  • 6 POSTS
That was pressure on both sides. Compressor not engaged. Temperature outside was 101 degrees.
Was this
answer
helpful?
Yes
No
-1
Tuesday, June 25th, 2019 AT 9:59 PM
Tiny
STERLINGBSTRAIN
  • MEMBER
  • 6 POSTS
130 on each side.
Was this
answer
helpful?
Yes
No
Tuesday, June 25th, 2019 AT 10:00 PM
Tiny
ASEMASTER6371
  • MECHANIC
  • 52,796 POSTS
That's not too bad. It is close to ambient temperature.

When the compressor comes on, what are the pressure readings?

Roy
Was this
answer
helpful?
Yes
No
Wednesday, June 26th, 2019 AT 1:53 AM
Tiny
STERLINGBSTRAIN
  • MEMBER
  • 6 POSTS
The compressor will not engage at all. That is my problem.
Was this
answer
helpful?
Yes
No
Wednesday, June 26th, 2019 AT 1:22 PM
Tiny
ASEMASTER6371
  • MECHANIC
  • 52,796 POSTS
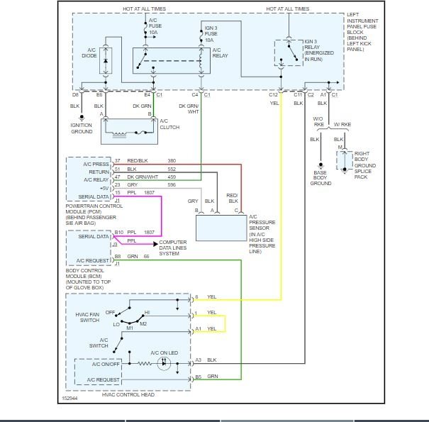
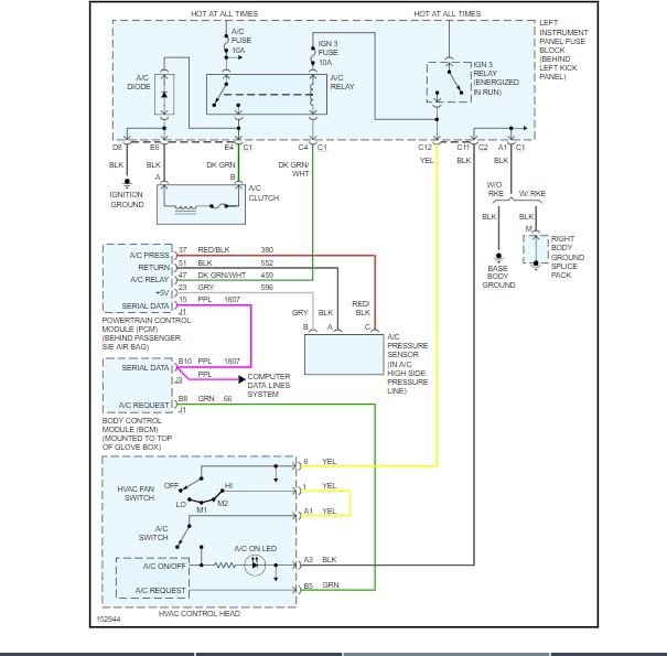
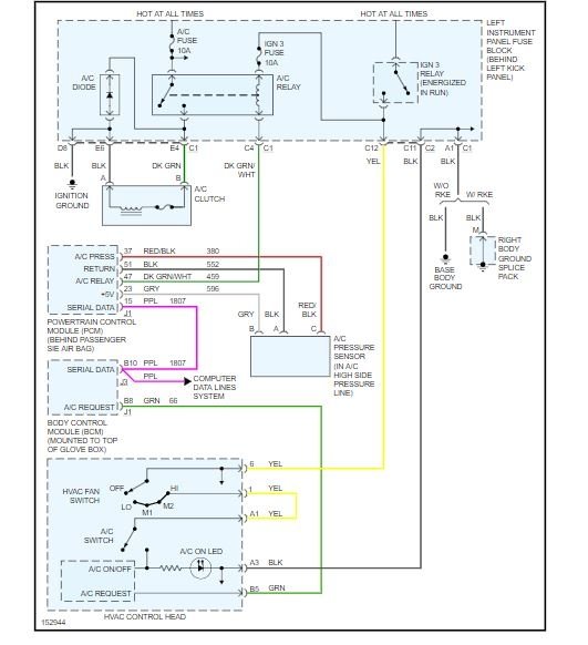
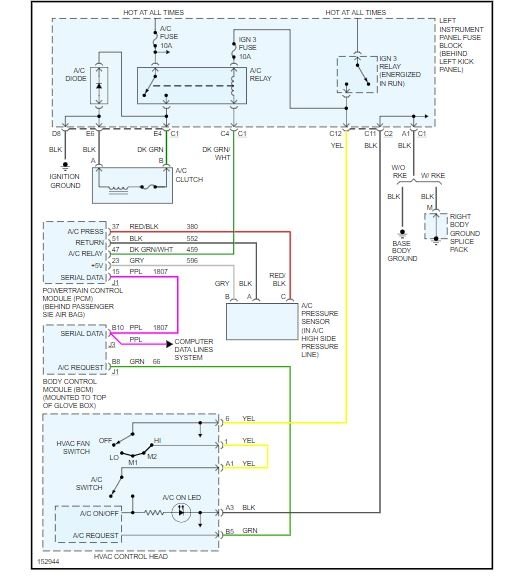
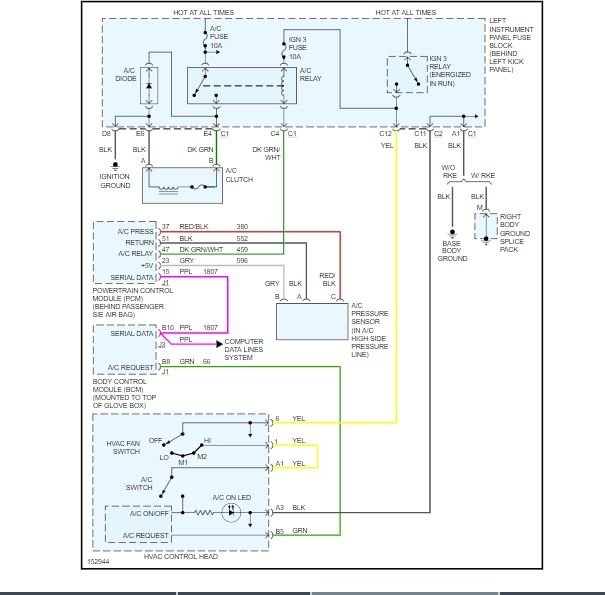
OK, I attached a wiring diagram for you to view. Test the 2 fuses I circled for power on both sides. Let's make sure power is available for the AC to work.

Roy
Was this
answer
helpful?
Yes
No
Wednesday, June 26th, 2019 AT 1:31 PM

Please login or register to post a reply.