Friday, November 13th, 2020 AT 6:57 AM
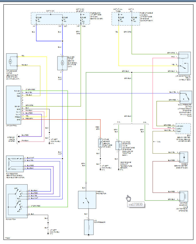
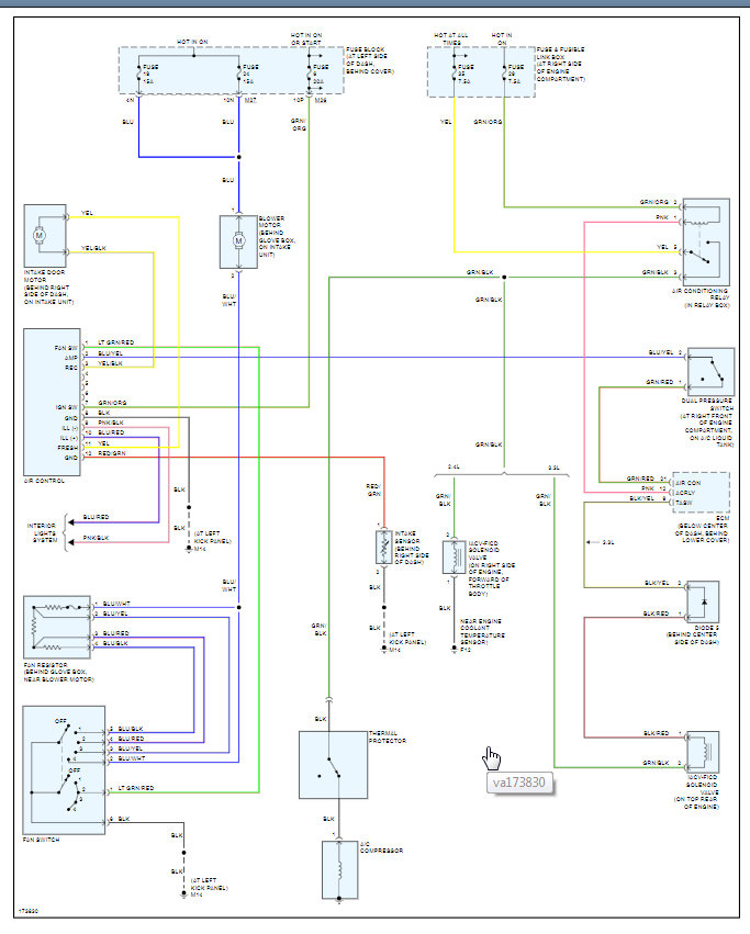
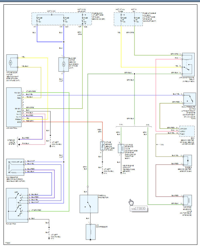
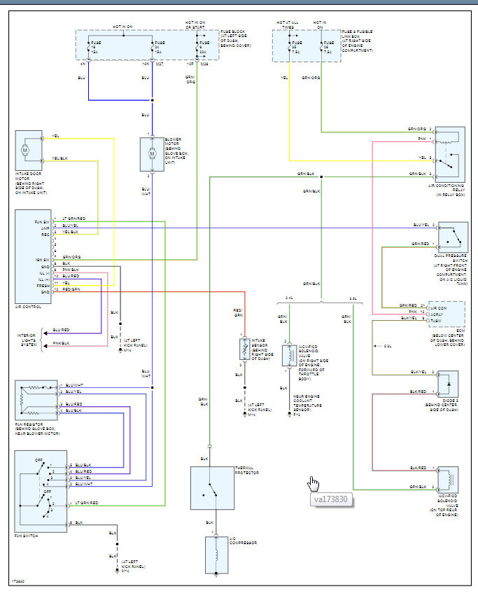
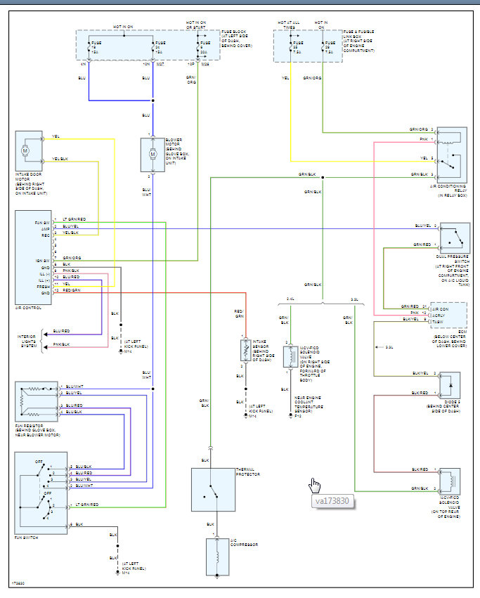
I’ve changed my A/C compressor and condenser vacuumed the system recharged at 25 oz with direct current to compressor so it kicks in. Then I thought I was done but compressor won’t engage. Replaced the relay nothing. I closed the circuit of the relay with a piece of wire and compressor engaged A/C button on dash lights up. I can’t find what’s wrong. Any ideas? Also, my good sir would you please help me with the wiring A/C schematics? Thanks for your help and time.



