2001 Nissan Xterra 6 cyl Two Wheel Drive Automatic 79.500 miles
Hi, I have Nissan Xtera 2001, V6 cyc, 79,500.
I have problem with AC, Ac clutch did not recieved power and It did not engaged. I hooked up AC manifold gage, It has full freon charged,
I Jumped wire form battery to AC cmpressor, the AC clutch engaged to compressor, and get cold air, I connected the plug back, and stil keeping Ac on, I checked the AC pressor switch at the top of the drier, there are no voltage, and If I Jumped negative from battery to the plug, the AC work right away. It tell me that, Ac plug did not recieved ground sinal from AC relay. I checked all relay all them worked and have power in very socket. And checked all the fuse in side the SUV and engine compartment specially more on AC fuse, But all them OK,
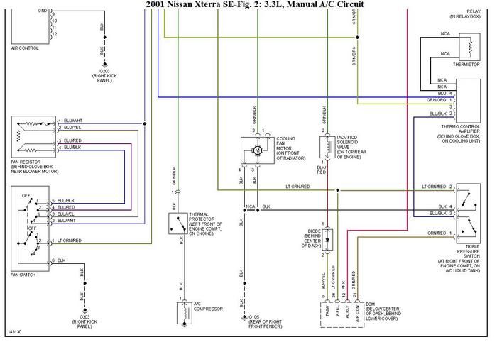
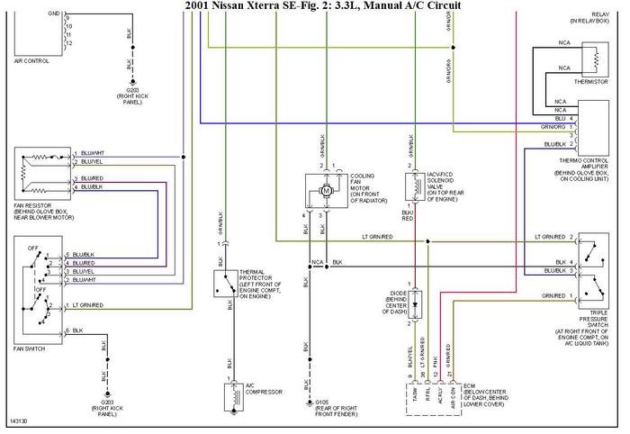
I need complete AC wire daigram and also please, some one tell me how to test ac pressor switch, and thermostatic switch/ relay.
Right now, there are no ground sinal from ac relay to pressor switch on the top of the Drier, If I jumped negative from bettery to the plug of ac pressor switch, the Ac clucth engaged to ac compressor right away.
Please, some one tell me what to do with this, the Freon is full charged, no leak, terminated low freon
Any helps will great, Thank you in advance
Monday, October 18th, 2010 AT 6:03 PM






