A/C not working

Tiny
LENNIKA
  • MEMBER
  • 2010 NISSAN PATHFINDER
  • 4.0L
  • 6 CYL
  • 4WD
  • AUTOMATIC
  • 136,000 MILES
Can’t find the A/C relay. The A/C blows hot air and the air clutch is not catching.
Thursday, July 2nd, 2020 AT 10:41 AM

1 Reply

Tiny
ASEMASTER6371
  • MECHANIC
  • 52,796 POSTS
Good afternoon,

Did you check the freon pressures? If they are low, the compressor will not come on.

https://www.2carpros.com/articles/car-air-conditioner-not-working-or-is-weak

https://www.2carpros.com/articles/re-charge-an-air-conditioner-system

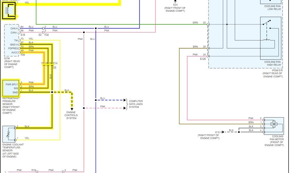
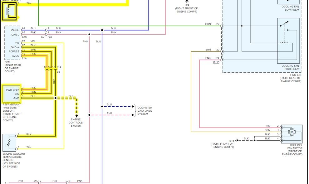
I attached a wiring diagram of the system for you. If you have a test light, we can do some voltage checks to see why the clutch is not engaging.

https://www.2carpros.com/articles/how-to-check-wiring

As far as the relay, it cannot be accessed. It is part of a module.

Note: The compressor relay or A/C relay is located in the IPDM (intelligent power distribution module) and is not serviceable.

Roy
Was this
answer
helpful?
Yes
No
Thursday, July 2nd, 2020 AT 11:45 AM

Please login or register to post a reply.