A/C light blinking

Tiny
KASEKENNY
  • MECHANIC
  • 18,907 POSTS
B+ means Battery positive.

In other words, you need to run a wire from the battery positive post to pin 3 and then connect a wire from pin 5 to ground.

Run 12 volts through pin 3 to 5 and then check for continuity on pin 1 and 2.

All you are doing is checking to see if the relay is working. When you run power through pin 3 and 5, it should close the relay. Then you will have continuity between pin 1 and 2 of the relay as it is now closed.
Was this
answer
helpful?
Yes
No
Tuesday, June 21st, 2022 AT 12:52 PM
Tiny
RODNEY7867
  • MEMBER
  • 70 POSTS
Okay, I'll try that after it cools down outside.
Was this
answer
helpful?
Yes
No
Tuesday, June 21st, 2022 AT 1:04 PM
Tiny
RODNEY7867
  • MEMBER
  • 70 POSTS
Okay. This might be a stupid question, but I did the test and there was no continuity so do both relays have to be good for the ac to work properly?
Was this
answer
helpful?
Yes
No
Tuesday, June 21st, 2022 AT 1:35 PM
Tiny
RODNEY7867
  • MEMBER
  • 70 POSTS
Or can I take and switch the good relay that for the back and put it in the front relay spot to get the front A/C to work right?
Was this
answer
helpful?
Yes
No
Tuesday, June 21st, 2022 AT 1:36 PM
Tiny
KASEKENNY
  • MECHANIC
  • 18,907 POSTS
If the relay fails, the test, then just replace it. However, does the blower motor work properly?

If it does, then the relay is fine. The relay indirectly powers the A/C switch which is then an input to the amplifier but if the blower motor works then the relay is not the issue.

Did you look at the testing that I attached previously that was specific to this issue of the A/C light flashing? This is one of three things according to the manual. It is either the compressor or belt causing the pressure to be off or the amplifier.

So, if we are going to assume that the pressure is okay, because you checked the low side then that means this is an amplifier issue.
Was this
answer
helpful?
Yes
No
Tuesday, June 21st, 2022 AT 5:48 PM
Tiny
JIS001
  • MECHANIC
  • 3,412 POSTS
Amplifiers rarely fail on these vehicles. Looking at low side pressure this would indicate a compressor failure. That is why I wanted to see a picture of the pressure with vehicle running and A/C on. Of course, I would like to see the high side as well, but it doesn't look like we can get that reading. That is why I provided the A/C amplifier connector to back probe pin #3. If he has voltage, then the system has freon. If there is no voltage, then the system is empty. That is the best we can get to know if the system has refrigerant without the gauges.
Was this
answer
helpful?
Yes
No
Tuesday, June 21st, 2022 AT 10:07 PM
Tiny
RODNEY7867
  • MEMBER
  • 70 POSTS
I'm going to get some wire hopefully today to check amplifier.
Was this
answer
helpful?
Yes
No
Wednesday, June 22nd, 2022 AT 4:43 AM
Tiny
RODNEY7867
  • MEMBER
  • 70 POSTS
Okay, one question. What do I use to get into the holes on the wires to check amplifier? I got some wire from neighbor.
Was this
answer
helpful?
Yes
No
Wednesday, June 22nd, 2022 AT 5:18 AM
Tiny
KASEKENNY
  • MECHANIC
  • 18,907 POSTS
They make what are called T pins in all different sizes. They will slide into the back of the connector and make contact with the metal so that you can check the voltage.

Don't probe the front of a connector or you can spread the connector and it won't work. You can use your meter probe to touch it from the front but don't shove something in the pin.

https://www.2carpros.com/articles/how-to-check-wiring

A small safety pin will work as well.
Was this
answer
helpful?
Yes
No
Wednesday, June 22nd, 2022 AT 6:35 AM
Tiny
RODNEY7867
  • MEMBER
  • 70 POSTS
What color is the connector? There are like 5 or 6 of them at that location. Is it white, black or grey?
Was this
answer
helpful?
Yes
No
Wednesday, June 22nd, 2022 AT 11:32 AM
Tiny
RODNEY7867
  • MEMBER
  • 70 POSTS
Okay, I figured out how to get to it. Is the wire green and yellow?
Was this
answer
helpful?
Yes
No
Wednesday, June 22nd, 2022 AT 12:33 PM
Tiny
RODNEY7867
  • MEMBER
  • 70 POSTS
And is the van supposed to be running with the A/C on?
Was this
answer
helpful?
Yes
No
Wednesday, June 22nd, 2022 AT 12:34 PM
Tiny
RODNEY7867
  • MEMBER
  • 70 POSTS
I had got confused on that the wires have to be plugged up too tight.
Was this
answer
helpful?
Yes
No
Wednesday, June 22nd, 2022 AT 12:35 PM
Tiny
JIS001
  • MECHANIC
  • 3,412 POSTS
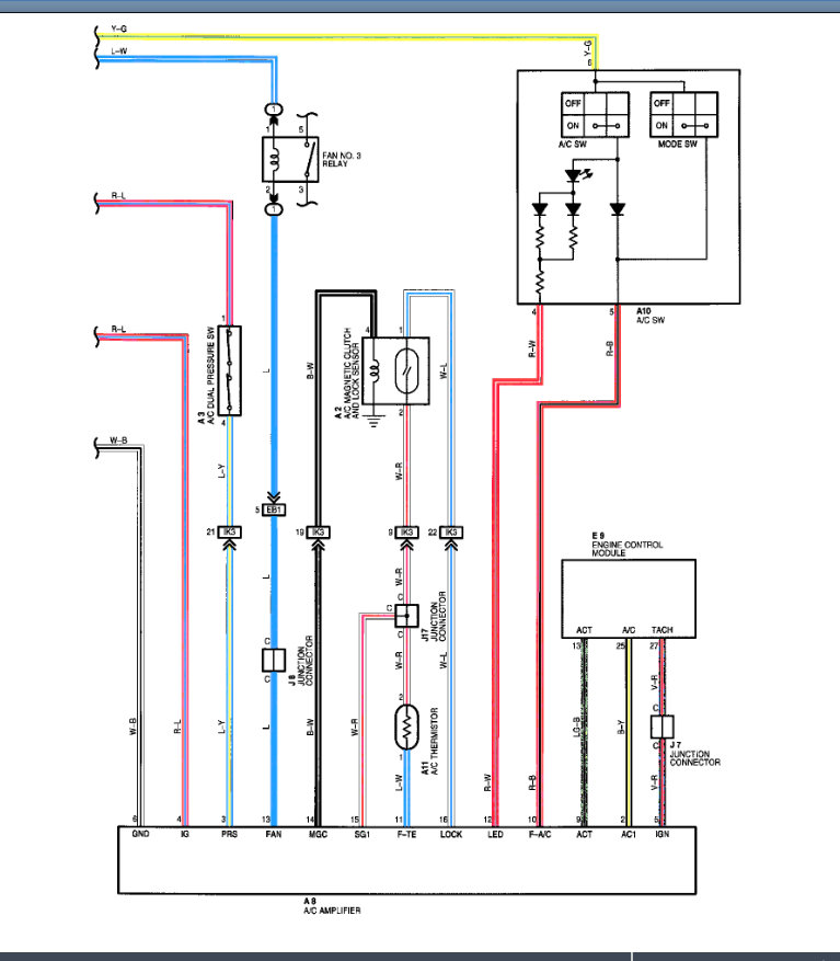
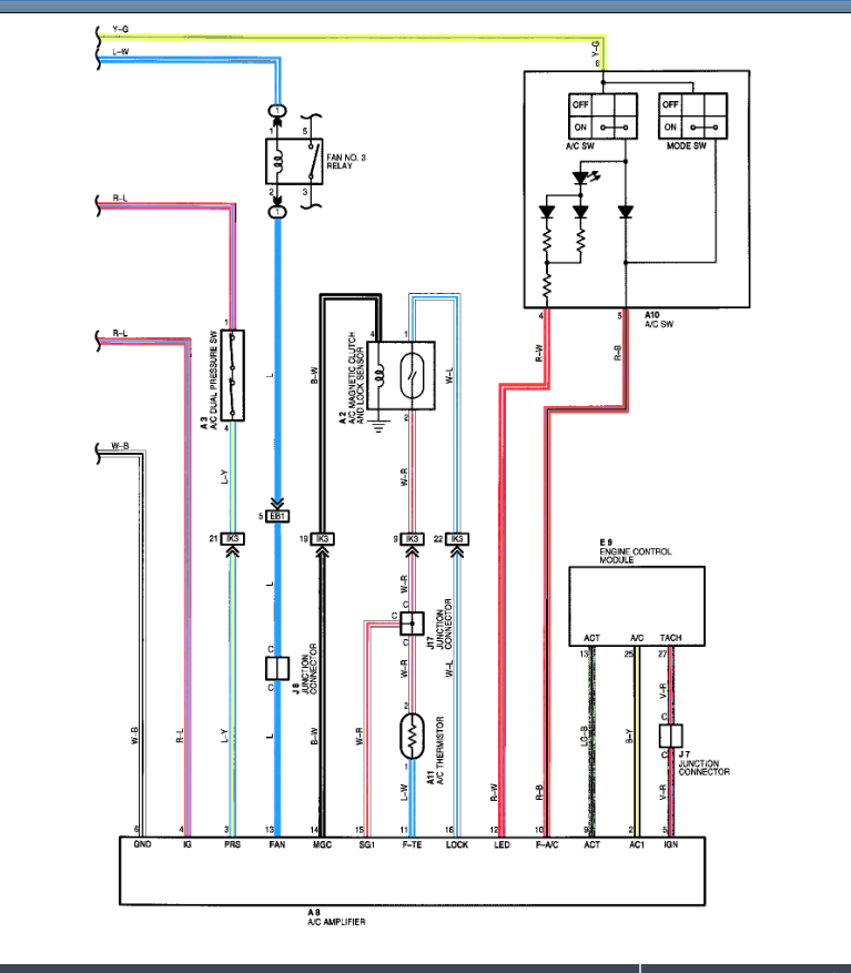
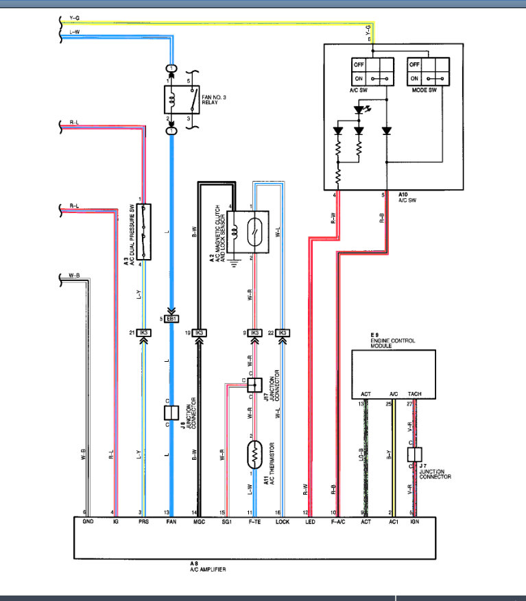
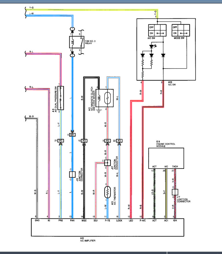
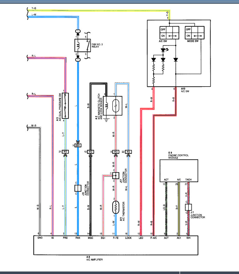
Yes, the vehicle has to be running. The connector is a 16-pin connector. It needs to be plugged in. You will need to back probe pine #3. I had posted the images on the previous answers.

Here is a guide to help you use your meter:

https://www.2carpros.com/articles/how-to-use-a-voltmeter
Was this
answer
helpful?
Yes
No
Wednesday, June 22nd, 2022 AT 12:37 PM
Tiny
RODNEY7867
  • MEMBER
  • 70 POSTS
Okay, let me try again.
Was this
answer
helpful?
Yes
No
Wednesday, June 22nd, 2022 AT 12:47 PM
Tiny
RODNEY7867
  • MEMBER
  • 70 POSTS
Okay, I got 8.9 dcv on multimeter. Do you think my drive belt might be too loose or too tight? Because on my alt I'm only getting 14.0 v when running at idle.
Was this
answer
helpful?
Yes
No
Wednesday, June 22nd, 2022 AT 1:05 PM
Tiny
KASEKENNY
  • MECHANIC
  • 18,907 POSTS
Rodney,

I think we keep jumping around and this post is getting very long. We are here to help but we want to try and stay focused on one area and rule it out or prove it is the issue so that, not only you correct the issue but also all others will be able to follow through this post. When they get too long, it is hard to follow.

The alternator producing 14 volts at idle is fine.

It appears this is an AC amp issue.

The way to prove this is to check the voltage on Pin 14 when the compressor is running and then when it cuts off. This will confirm the amp is cutting it off. Pin 3 is the voltage from the pressure sensor. So as long as that is not 0 volts then the switch is closed, and it is fine.

The flashing light is telling us that there is one of three issues. Either the compressor is faulty, the belt is loose, or the amp has failed. That is the purpose of the flashing LED.

Let us know how it turns out. Thanks
Was this
answer
helpful?
Yes
No
Wednesday, June 22nd, 2022 AT 1:26 PM
Tiny
RODNEY7867
  • MEMBER
  • 70 POSTS
Oh, okay, I will recheck.
Was this
answer
helpful?
Yes
No
Wednesday, June 22nd, 2022 AT 1:31 PM
Tiny
RODNEY7867
  • MEMBER
  • 70 POSTS
Okay, I understand it's getting long so I'll end it with one more question then update with the fix. The question is, if it is the Amp that is cutting it off, what does that mean?
Was this
answer
helpful?
Yes
No
Wednesday, June 22nd, 2022 AT 1:41 PM
Tiny
RODNEY7867
  • MEMBER
  • 70 POSTS
Okay, I found out something funny. I put the safety pin all the way in number 14 and the A/C started to work got cold, but the tachometer gauge quit working. The moment I took pin out the tachometer worked but the A/C did not.
Was this
answer
helpful?
Yes
No
Wednesday, June 22nd, 2022 AT 2:46 PM

Please login or register to post a reply.