Saturday, July 11th, 2020 AT 8:49 AM
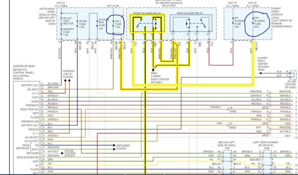
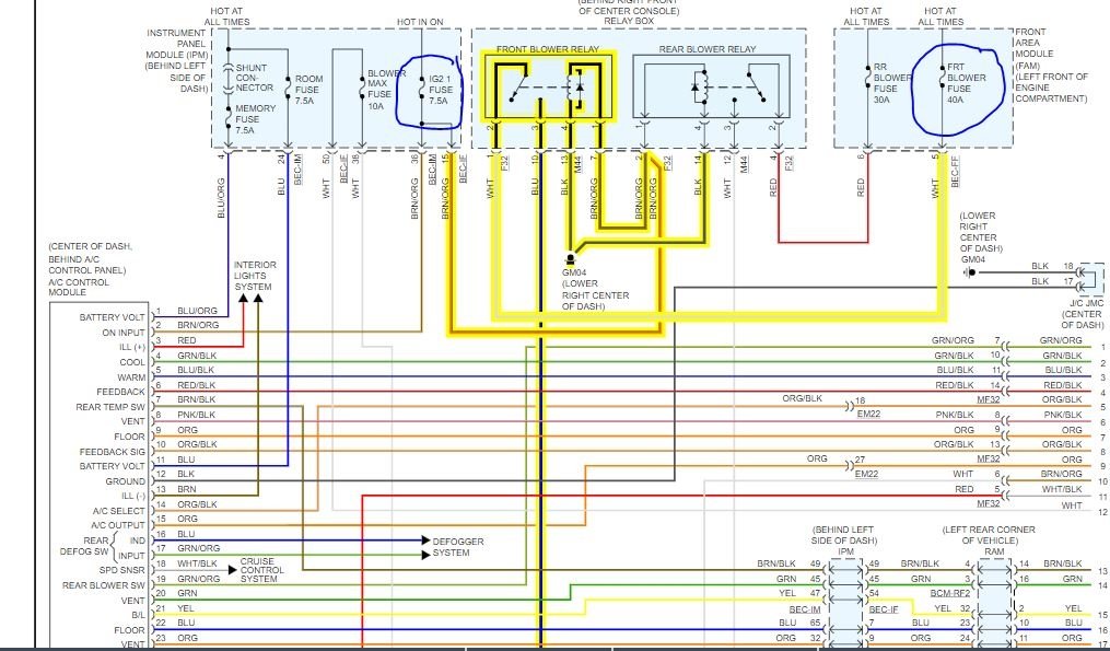
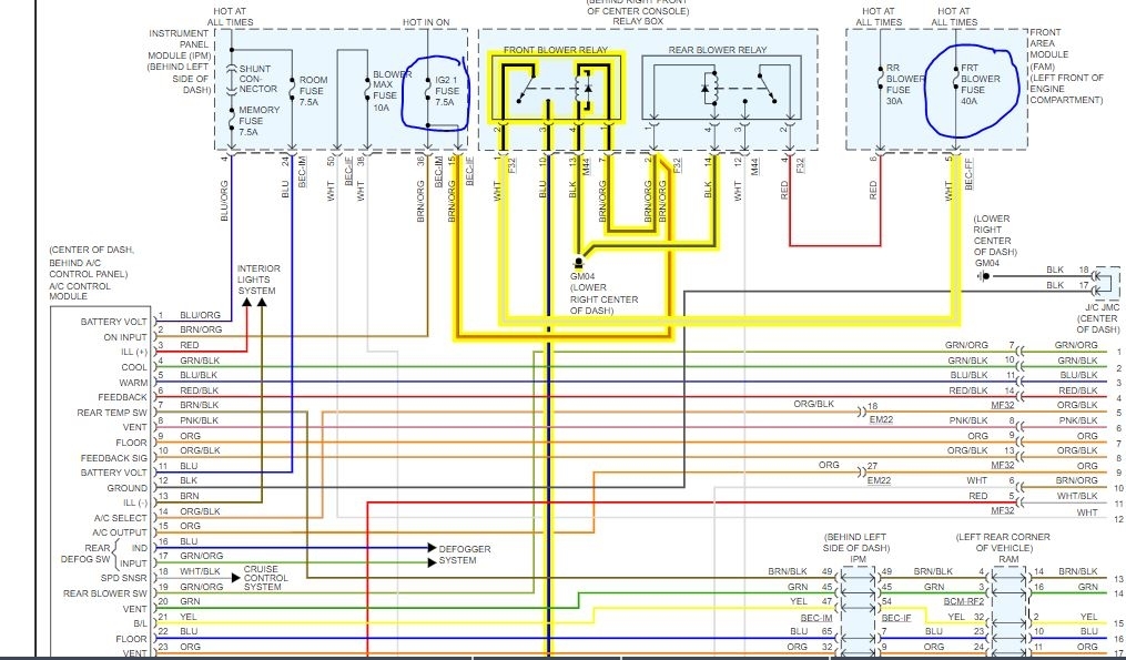
So whenever I turn the A/C knob on the A/C display to speeds 1, 2, or 3, nothing happens. Blower does not come on and the A/C button cannot be displayed in green or does not show it to be on, but when I turn it on 4 the A/C button lights up but only cold air is felt in the rear. Nothing comes from from vents.






