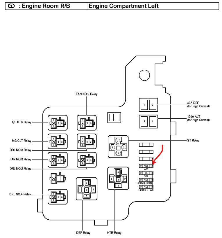
I grabbed the spare 10 fuse but I soon realized that it kind of just sat there and you could pull it out without any effort. I checked another fuse to make sure I wasn’t going crazy and saw that there was something holding the fuse in place. Spot 4 didn’t have anything to hold the fuse in and I was wondering how in the world I’d have to buy or do to allow it to stay.
Wednesday, July 7th, 2021 AT 10:25 PM






