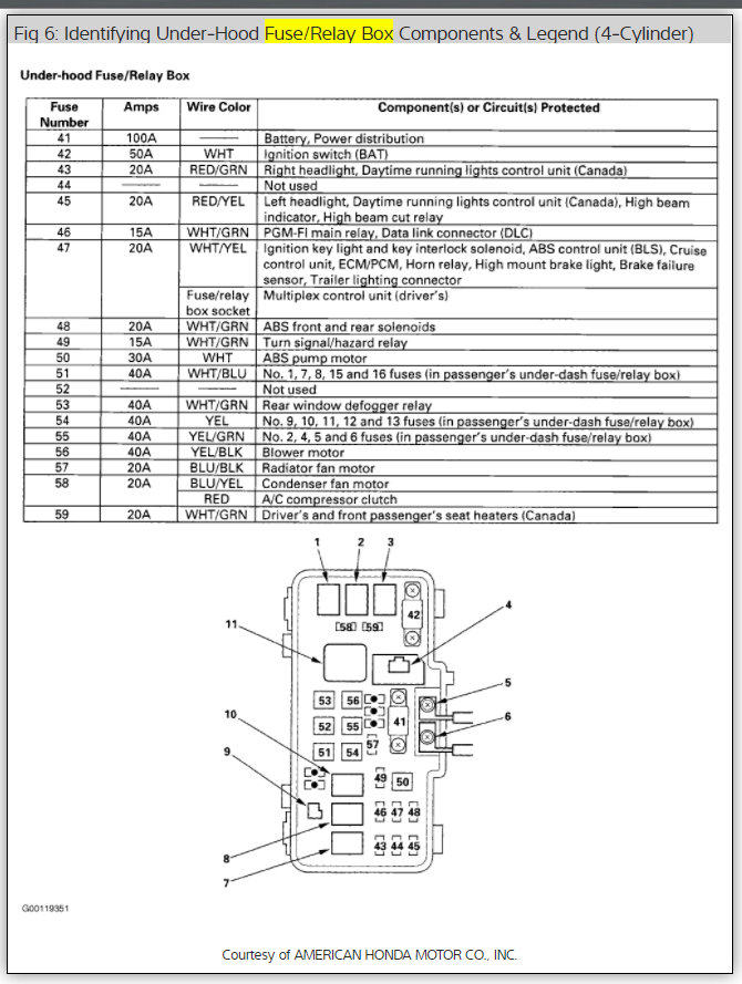
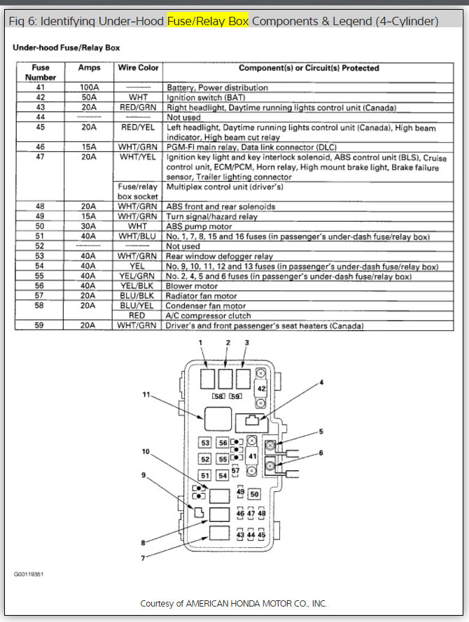
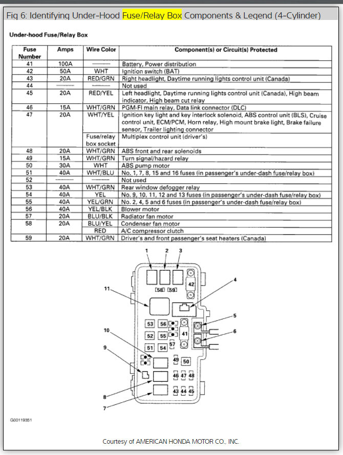
Tuesday, August 15th, 2017 AT 10:31 AM
I am looking to replace the A/C fuse for my car. Also, the fuse for left driver side window. Where is it located and what numbers are they? I am a female who knows nothing about cars but I think this would fix my A/C problem. It is hot here in Florida.









