AC not working?

Tiny
ENAVARRO
  • MEMBER
  • 2004 HONDA ACCORD
  • 170,000 MILES
Hello, I just bought this car. Everything works on the controls just the AC display does not come on therefore can't control it.
Friday, April 19th, 2019 AT 7:45 AM

22 Replies

Tiny
SCGRANTURISMO
  • MECHANIC
  • 4,897 POSTS
Hello,

While the extended warranty has run out, It does give you instructions for troubleshooting, repairing, and the part number of the the part that will need to be ordered in order to fix the problem.

https://www.2carpros.com/articles/car-air-conditioner-not-working-or-is-weak

Please go through it and get back to us with what you are able to find out. I have included it in the diagrams down below.

Thanks,
Alex
2CarPros
Was this
answer
helpful?
Yes
No
Tuesday, August 25th, 2020 AT 1:46 PM
Tiny
ENAVARRO
  • MEMBER
  • 2 POSTS
Thanks for answering my question before I purchase new a new control panel. Just want to let you know that everything works the audio button works I can see the display the CD player works I can see the display the XM radio works I can see the display but can't see the display to control the inside fans and AC.
Was this
answer
helpful?
Yes
No
Tuesday, August 25th, 2020 AT 1:46 PM
Tiny
SCGRANTURISMO
  • MECHANIC
  • 4,897 POSTS
Hello,

Okay, in the diagrams down below I have included a factory troubleshooting guide for the HVAC controls on your vehicle. Please go through them and get back to us with what you are able to find out. It will call for you to use a multimeter, so I have also included a link below for you to go to if you are unfamiliar with how to use one.

https://www.2carpros.com/articles/how-to-use-a-voltmeter

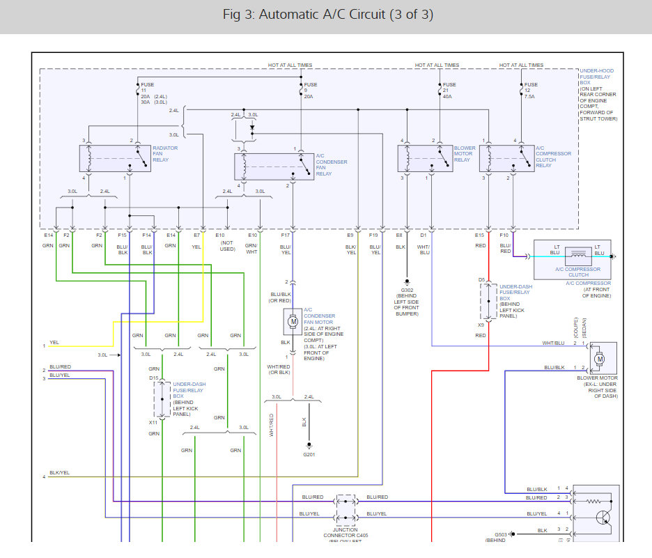
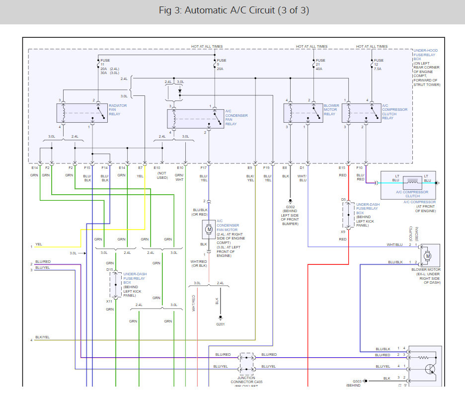
Here are the air conditioner wiring diagrams. Check out the diagrams (Below). Please let us know what you find. We are interested to see what it is.
Was this
answer
helpful?
Yes
No
Tuesday, August 25th, 2020 AT 1:46 PM
Tiny
RAMSET REYES
  • MEMBER
  • 1 POST
  • 2004 HONDA ACCORD
  • 2.4L
  • 4 CYL
  • 2WD
  • AUTOMATIC
  • 148,000 MILES
The directional buttons on my AC is not functioning. It otherwise functions properly, blowing hot or cold are. What could be causing this?
Was this
answer
helpful?
Yes
No
Thursday, December 17th, 2020 AT 10:30 AM (Merged)
Tiny
JACOBANDNICKOLAS
  • MECHANIC
  • 110,194 POSTS
Hi.

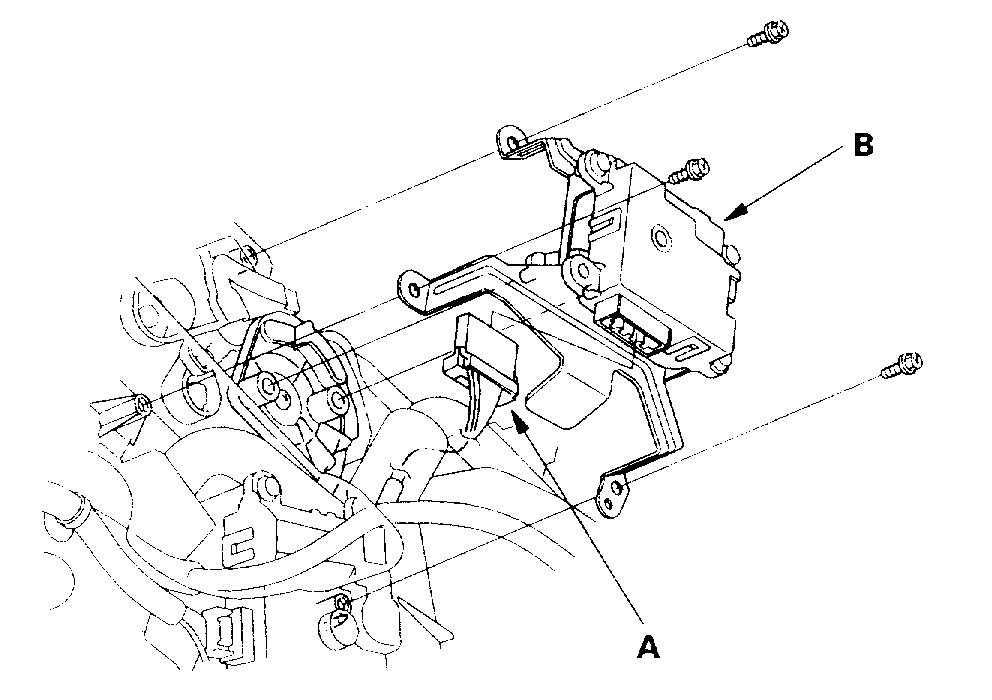
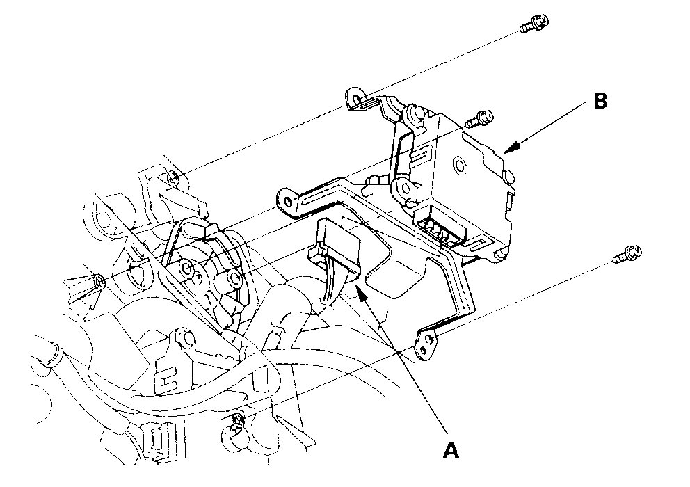
If the air flow doesn't change directions, it sounds like an issue with what is called a mode door actuator. That is the component that changes the air flow direction.

Here are the directions for replacement of the actuator. However, before getting a new one, check the existing one and confirm it isn't responding when you change flow direction.

The attached pictures correlate with these directions.

____________________________________________

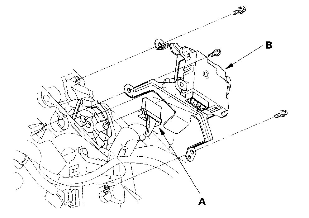
Mode Control Motor
Vehicle Heating and Air Conditioning Air Door Actuator / Motor Service and Repair Procedures Mode Control Motor
MODE CONTROL MOTOR
Mode Control Motor Replacement

4-door

1. Open the glove box. Remove the damper from the glove box, then let the glove box hang down.

Pic 1

2. Disconnect the 7P connector (A) from the mode control motor (B). Remove the self-tapping screws and the mode control motor from the heater unit.
3. Install the motor in the reverse order of removal. After installation, make sure the motor runs smoothly.

2-door

1. Open the glove box. Remove the damper from the glove box, then let the glove box hang down.

Pic 2

2. Disconnect the 10P connector (A) from the mode control motor (B). Remove the self-tapping screws and the mode control motor from the heater unit.
3. Install the motor in the reverse order of removal. After installation, make sure the motor runs smoothly.

________________________

Let me know if this helps.

Take care,
Joe
Was this
answer
helpful?
Yes
No
Thursday, December 17th, 2020 AT 10:30 AM (Merged)
Tiny
CHINAFJW
  • MEMBER
  • 1 POST
  • 2005 HONDA ACCORD
  • 4 CYL
  • FWD
  • AUTOMATIC
  • 42,000 MILES
The A/C doesn't work. I didn't hear running noise from condense fan. I checked fuses under hood is fine. What are problems possible?
Was this
answer
helpful?
Yes
No
Thursday, December 17th, 2020 AT 10:30 AM (Merged)
Tiny
KHLOW2008
  • MECHANIC
  • 41,814 POSTS
Hi chinafjw,

If there is insufficient gas, the compressor will also not work. It could be due to the control panel. Are the various vent positions functioning well? this guide will help us fix it

https://www.2carpros.com/articles/car-air-conditioner-not-working-or-is-weak

Please run down this guide and report back.
Was this
answer
helpful?
Yes
No
+3
Thursday, December 17th, 2020 AT 10:30 AM (Merged)
Tiny
RODTWILL
  • MEMBER
  • 1 POST
  • 2004 HONDA ACCORD
  • 236,000 MILES
A/C clutch will not engage.
Was this
answer
helpful?
Yes
No
Thursday, December 17th, 2020 AT 10:30 AM (Merged)
Tiny
JACOBANDNICKOLAS
  • MECHANIC
  • 110,194 POSTS
Welcome to 2CarPros.

This could be a result of different things. Is the system properly charged? If it is too low on Freon, it won't engage. Also, is this something that happened all at once?

Here are links that explain how to check for an AC not working. Additionally, I will add a link that shows how to add Freon.

https://www.2carpros.com/articles/car-air-conditioner-not-working-or-is-weak

https://www.2carpros.com/articles/air-conditioner-how-to-add-freon

Take a look through these and let me know if you have additional questions or need help.

Joe
Was this
answer
helpful?
Yes
No
Thursday, December 17th, 2020 AT 10:30 AM (Merged)
Tiny
LEXICAKES
  • MEMBER
  • 1 POST
  • 2004 HONDA ACCORD
  • 6 CYL
  • FWD
  • AUTOMATIC
  • 48,000 MILES
My '04 Accord just had a brand new A/C compressor installed. Now I only get cool air when the car in moving at 35/40mph or above. When the car is stopped the vents blow only warm/hot air.
Was this
answer
helpful?
Yes
No
Thursday, December 17th, 2020 AT 10:30 AM (Merged)
Tiny
JIM SHIRRON
  • MECHANIC
  • 77 POSTS
It sounds like you may have a cooling fan problem. Some cars use 2, one for the engine, one for the A/C. The A/C condenser needs a steady flow of air to work properly. When you're moving down the road, it has airflow, you have cold air. When you're stopped, no airflow, hot air. The cooling fan should come on when you turn the A/C on, or shortly thereafter. I'd have whoever installed your compressor look at it, I'll bet thats your problem.
Was this
answer
helpful?
Yes
No
Thursday, December 17th, 2020 AT 10:30 AM (Merged)
Tiny
CAROLINEBASSEM
  • MEMBER
  • 1 POST
  • 2004 HONDA ACCORD
  • 4 CYL
  • 2WD
  • AUTOMATIC
  • 75,000 MILES
My ac is split. The right side works perfectly but the left side takes avery long time to blow cold air may be 1 hour but after that it blows cold air. What is the problem?
Was this
answer
helpful?
Yes
No
Thursday, December 17th, 2020 AT 10:30 AM (Merged)
Tiny
KHLOW2008
  • MECHANIC
  • 41,814 POSTS
Hi carolinebassem,

Seems there is a problem with the air mix door operations and it could be a bad linkage or motor.

This guide can help us fix it

https://www.2carpros.com/articles/car-air-conditioner-not-working-or-is-weak

Try turning the heater to maximum and returning it to cool to see if it works.
Was this
answer
helpful?
Yes
No
Thursday, December 17th, 2020 AT 10:30 AM (Merged)
Tiny
DIPENDRAJAIN
  • MEMBER
  • 4 POSTS
  • 2004 HONDA ACCORD
  • 60,000 MILES
My honda accord manual ac doesnt seem to cool after I cross 60MPH. Below that speeds it works brilliantly well. This problem happens almost all the time. Also one side the air seems cooler than the other. I did make sure both side temp was set the same. The ac starts cooling again if I switch off the engine for sometime and start again. Then again after I cross the 60mph speed the blower starts throwing normal air i.E not cool/chilled air.

Pl help
Was this
answer
helpful?
Yes
No
Thursday, December 17th, 2020 AT 10:31 AM (Merged)
Tiny
ASEMASTER6371
  • MECHANIC
  • 52,796 POSTS
Sounds like the system is icing up. Have the pressures checked to verify they are correct.

Could be clogged condenser, bad dryer or expansion valve

Roy
Was this
answer
helpful?
Yes
No
Thursday, December 17th, 2020 AT 10:31 AM (Merged)
Tiny
WRENCHTECH
  • MECHANIC
  • 20,761 POSTS
Does this happen after maintaining that speed for a period of time or right away when reaching that speed?
Was this
answer
helpful?
Yes
No
Thursday, December 17th, 2020 AT 10:31 AM (Merged)
Tiny
DIPENDRAJAIN
  • MEMBER
  • 4 POSTS
Wrenchtech

I have only noticed this problem once I cross that speed. And yes it only happens when I maintain speed higher that that on a highway. Seems really weird and difficult to diagnose.
Was this
answer
helpful?
Yes
No
Thursday, December 17th, 2020 AT 10:31 AM (Merged)
Tiny
WRENCHTECH
  • MECHANIC
  • 20,761 POSTS
That's not what I asked.

Does it shut off immediately upon reaching that speed or does it have to maintain speed for a while before it happens?
Was this
answer
helpful?
Yes
No
Thursday, December 17th, 2020 AT 10:31 AM (Merged)
Tiny
DIPENDRAJAIN
  • MEMBER
  • 4 POSTS
The blower works but the air that comes out is not cool. Though on the passenger side the air slightly cooler than the driver side though still not cool at all. It does not shut off immediately. It stops cooling after sometime. Though the auto feature does increase the blower speed if u reduce the temp.
Was this
answer
helpful?
Yes
No
Thursday, December 17th, 2020 AT 10:31 AM (Merged)
Tiny
WRENCHTECH
  • MECHANIC
  • 20,761 POSTS
And if you shut the system off while you're driving and leave it off for 30 minutes or so, it will work again?
Was this
answer
helpful?
Yes
No
Thursday, December 17th, 2020 AT 10:31 AM (Merged)

Please login or register to post a reply.