blend doors calibration instructions please?

2014 CHEVROLET SILVERADO
115,000 MILES • 4.3L • V6 • RWD • AUTOMATIC
Avatar
E91749
  • MEMBER
  • 1 POST
Defrost door are out of calibration. No scan tech2. How to reset and calibrate have system with no scanner? Thanks

Oct 6, 2017 at 11:34 AM
Advertisement
Avatar
STEVE W.
  • CERTIFIED EXPERT
  • 15,111 POSTS
From the book -
Do not adjust any controls on the HVAC control module while the HVAC control module is self-calibrating. If interrupted, improper HVAC performance will result.

Clear all DTCs.
Place the ignition switch to the OFF position.
Install the HVAC actuator.
Connect all previously disconnected components.
Remove the HVAC control module fuse for a minimum of 10 s.
Install the HVAC control module fuse.
Start the vehicle.
Wait 40 s for the HVAC control module to self-calibrate.
Operate system and verify that no DTCs have set as current DTCs.

Dec 1, 2020 at 8:24 AM
Avatar
FRANKALONG
  • MEMBER
  • 15 POSTS
What is the procedure for calibrating the actuators after they have been replaced? I have automatic dual climate control. I am assuming that the actuator notch has to be in the center position. And that any codes should be erased. Is it best to disconnect the battery or can the HVAC fuse be removed then reinstalled? There is some confusion as to the correct method.
thanks
Apr 30, 2021 at 1:03 PM (Merged)
Advertisement
Avatar
ASEMASTER6371
  • CERTIFIED EXPERT
  • 52,796 POSTS
Good evening.


Here is how you can recalibrate the blend door actuators

RE-CALIBRATING ACTUATORS

When replacing the HVAC control module it will be necessary to allow the HVAC control module to perform a calibration process. When installing the HVAC control module be sure to perform the following:

IMPORTANT: Do not adjust any controls on the HVAC control module while the HVAC control module is self-calibrating. If interrupted, improper HVAC performance will result.

1. Place the ignition switch to the OFF position.
2. Disconnect the scan tool.
3. Install the HVAC control module.
4. Connect all previously disconnected components.
5. Start the vehicle.
6. Wait 40 seconds for the HVAC control module to self-calibrate.
7. Verify that no DTCs have set as current DTCs.

When replacing the HVAC actuator it will be necessary to allow the HVAC control module to perform a calibration process. When installing the HVAC
actuator be sure to perform one of the following:

IMPORTANT: Do not adjust any controls on the HVAC control module while the HVAC control module is self-calibrating. If interrupted, improper HVAC performance will result.

Preferred Method (w/ Scan Tool)
1. Clear all DTCs.
2. Place the ignition switch in the OFF position.
3. Install the HVAC actuator.
4. Connect all previously disconnected components.
5. Start the vehicle.
6. With the scan tool, initiate the Motor Re-calibration feature of the Heating and Air Conditioning Special Functions menu.
7. Verify that no DTCs have set as current DTCs.

IMPORTANT: Do not adjust any controls on the HVAC control module while the HVAC control module is self-calibrating. If interrupted, improper HVAC performance will result.

Alternate Method (w/o Scan Tool)
1. Clear all DTCs.
2. Place the ignition switch to the OFF position.
3. Install the HVAC actuator.
4. Connect all previously disconnected components.
5. Remove the HVAC/ECAS fuse for a minimum of 10 seconds.
6. Install the HVAC/ECAS fuse.
7. Start the vehicle.
8. Wait 40 seconds for the HVAC control module to self-calibrate.
9. Verify that no DTCs have set as current DTCs.

This guide can help as well

https://www.2carpros.com/articles/replace-blend-door-motor

Roy
Apr 30, 2021 at 1:03 PM (Merged)
Avatar
CKUENY
  • MEMBER
  • 2 POSTS
The have system in the truck blows fine and at the appropriate levels. The problem I have is when I start the vehicle to warm it up, it will not blow hot air until the vehicle is put in gear and driving down the road. Any suggestions as to what is causing this?
Apr 30, 2021 at 1:03 PM (Merged)
Avatar
HMAC300
  • CERTIFIED EXPERT
  • 48,601 POSTS
might be air in system check for full coolant level. it may also be a an actuator not fully open. try pulling hvac fuse for 60 seconds then reinstalling that resets actuators but you wouldn't know until next time you fired truck up
Apr 30, 2021 at 1:03 PM (Merged)
Avatar
TONYH3
  • MEMBER
  • 8 POSTS
I installed a new blend door actuator. I have tried at least 7 different ways to reset the actuator but all have failed. The problem is cold setting produces heat. Hot setting produces cold.
Apr 30, 2021 at 1:03 PM (Merged)
Avatar
ASEMASTER6371
  • CERTIFIED EXPERT
  • 52,796 POSTS
Good afternoon,

After replacing with a new actuator, you remove the HVAC1 fuse for 2 minutes. Then turn on the key and install the fuse. Leave it for 3 minutes. That is the procedure for calibration.

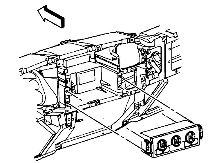
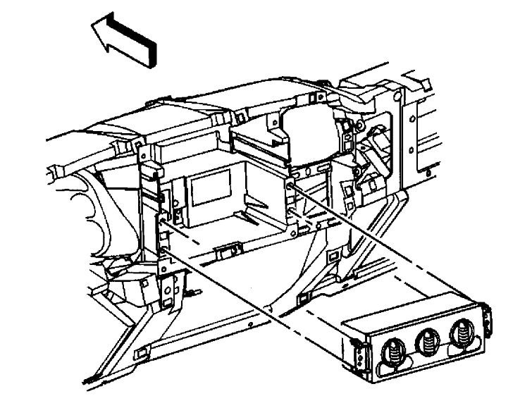
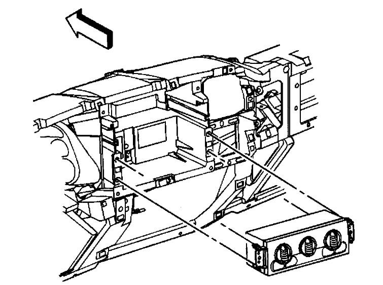
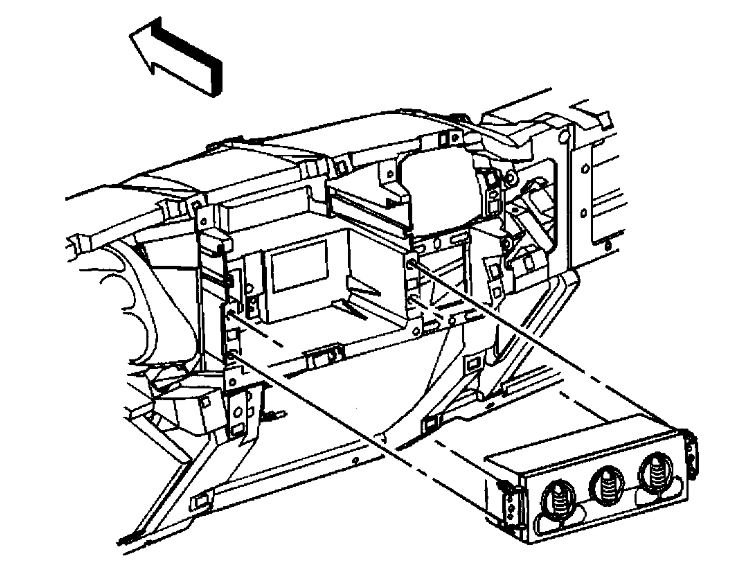
Did you replace the actuator? This guide can help

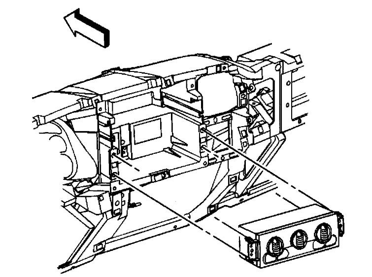
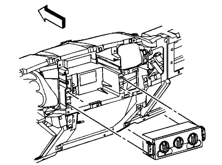
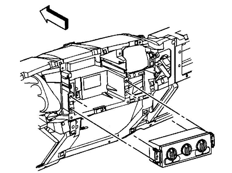
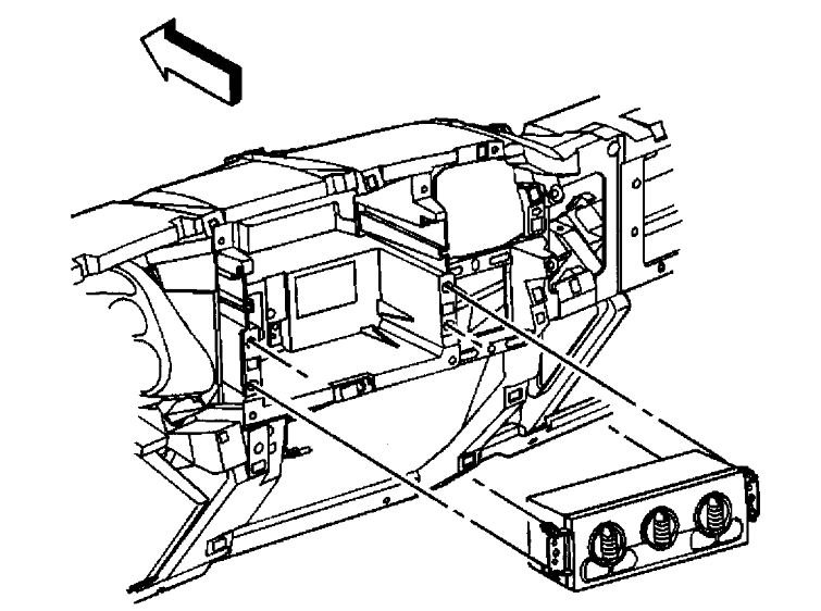
https://www.2carpros.com/articles/replace-blend-door-motor

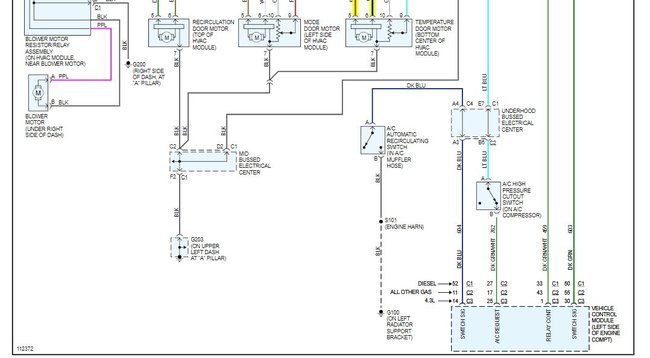
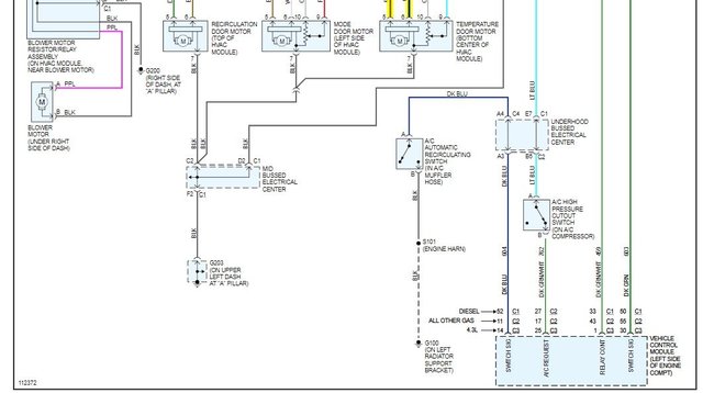
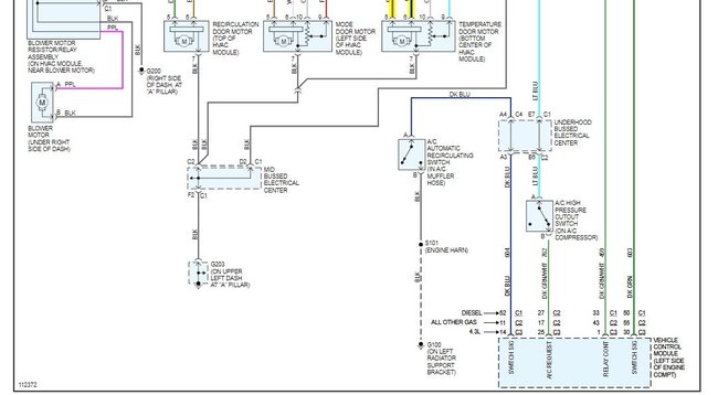
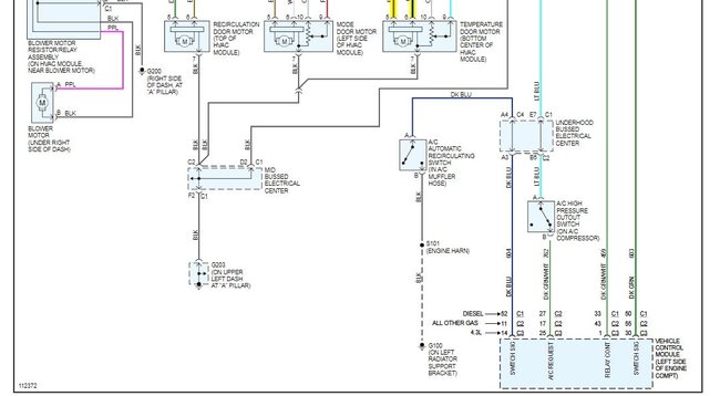
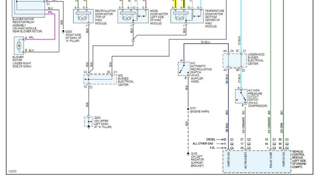
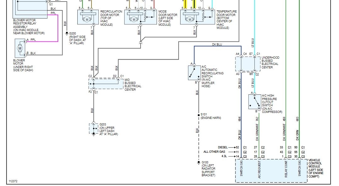
Check out the diagrams (Below). Please let us know what happens.
Apr 30, 2021 at 1:03 PM (Merged)
Avatar
TONYH3
  • MEMBER
  • 8 POSTS
Hello,

I replaced the actuator. Then went through the procedure of pulling the fuse for 2 minutes and turning on the key(not starting) and then installing the fuse and waiting for 3 minutes. Same result twice. I tried once turning key off after calibration, then starting engine to test controls. The second time I just started engine and tested the controls after calibration. The actuator did the same thing: cold setting was hot and hot setting was cold.
Apr 30, 2021 at 1:03 PM (Merged)
Avatar
ASEMASTER6371
  • CERTIFIED EXPERT
  • 52,796 POSTS
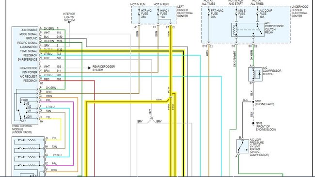
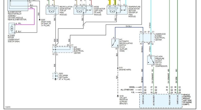
Okay, it is not the actuator. You will need to test for power to the actuator to be sure it is getting a signal from the control head.

With the key on, you need to test for 12 volts at the actuator motor. The color is on the diagram I attached.

Start there.

Roy
Apr 30, 2021 at 1:03 PM (Merged)
Avatar
TONYH3
  • MEMBER
  • 8 POSTS
I checked pins 5 and 6 on the connector and have 11.7V.
Apr 30, 2021 at 1:03 PM (Merged)
Avatar
ASEMASTER6371
  • CERTIFIED EXPERT
  • 52,796 POSTS
Okay, you have a low battery in the truck.

Is that with the actuator hooked up or disconnected?

Roy

Apr 30, 2021 at 1:03 PM (Merged)
Avatar
TONYH3
  • MEMBER
  • 8 POSTS
Disconnected.
Apr 30, 2021 at 1:03 PM (Merged)
Avatar
TONYH3
  • MEMBER
  • 8 POSTS
I also started engine and have 14.64V.
Apr 30, 2021 at 1:03 PM (Merged)
Avatar
ASEMASTER6371
  • CERTIFIED EXPERT
  • 52,796 POSTS
Only one of the wires should have power, not both.

I would suspect the control head is not working correctly or the wiring is shorted together between the actuator and the control head.

Roy
Apr 30, 2021 at 1:03 PM (Merged)
Avatar
TONYH3
  • MEMBER
  • 8 POSTS
You are correct. Using a common ground, with key on, pin 5 has 12.4V, while pin 6 has a low or no mV value. So there is no shorting.
Apr 30, 2021 at 1:03 PM (Merged)
Avatar
ASEMASTER6371
  • CERTIFIED EXPERT
  • 52,796 POSTS
Then how did you come up with voltage on both pins?
Apr 30, 2021 at 1:03 PM (Merged)
Avatar
TONYH3
  • MEMBER
  • 8 POSTS
I assumed the voltage across both pins was what you were looking for. Sorry.
Apr 30, 2021 at 1:03 PM (Merged)
Avatar
ASEMASTER6371
  • CERTIFIED EXPERT
  • 52,796 POSTS
No, that is good. The fact you have system voltage tells me there is no short.

It looks like the control head.

Roy
Apr 30, 2021 at 1:03 PM (Merged)
Avatar
TONYH3
  • MEMBER
  • 8 POSTS
Thanks Roy. I will move on to that.
Apr 30, 2021 at 1:03 PM (Merged)
Avatar
ASEMASTER6371
  • CERTIFIED EXPERT
  • 52,796 POSTS
You are welcome.

Always glad to help.

Roy
Apr 30, 2021 at 1:03 PM (Merged)
Avatar
JAMESWIS
  • MEMBER
  • 2 POSTS
I have a 2009 Silverado 1500 HYBRID. My issue is that my A/C doesn't get very cold (usually). I've vacuumed the system and refilled but system still doesn't always blow cold air. It has the digital Dual Climate control system, with digital temp. The coldest it shows on the display is 60degrees. When going down the highway with A/C on full blast with recirculation on, my thermometer in the middle vent only shows air at 60-65 degrees. As I'm sure you know, a proper working A/C system should put out about 40 degree air at the vent when working correctly.
The next issue I've discovered is that sometimes when I switch from Cold to Hot, then back to cold, my temp doesn't drop all the way. Today it only went back down to 70 degrees at the vent, which is pointing me to the blend actuator, however with dual climate controls, I'm not sure if it still only uses 1 blend door, or if there is 2? Also when I set it to dual zones, the temps don't get any colder on one side or the other. The low pressure side of the system under the hood feels pretty cold to the touch, although in this system its very hard to feel it as the hybrid inverter and cables are in the way..
With this being a hybrid, I'm not able to find any information about calibration procedures for it, and reading the previous posts on this site, I'm not seeing any years listed either... What years does the processes above apply to?
What climate control system does it apply to? Digital or Analog?
I don't have any DTC's.. I'm currently living in Maryland, but about to move to Georgia, and really need the A/C to work in this truck. It's a white pickup truck, so I know it should be a lot colder than it is now. I've even had black trucks with colder A/C than this one..
Thanks
Sep 8, 2021 at 6:25 PM
Avatar
KASEKENNY
  • CERTIFIED EXPERT
  • 18,907 POSTS
We need to back track just a little bit to make sure we are not missing something. First we need to hook the gauge set up and see what the pressures are for the high and low side with the system off and then with it on.

https://www.2carpros.com/articles/re-charge-an-air-conditioner-system

We could just have a weak compressor or even a restriction so let's start with making sure that side of the system is operating or we will need fix this.

I attached a chart below that will help with looking at pressures and what they should be based on ambient temperature.

Next you do have two blend doors with a dual climate system. I am going to attach the process below for how to replace them but here is a video on this truck up to a 2007. Your truck is going to be similar.

https://youtu.be/Eqf-H3COtSo

I am also attaching the process below (last page) for how to recalibrate the doors.

If I am going to guess, I suspect we have an issue with the compressor operation or Freon pressures so let's start with that and go from there.

Thanks
Sep 9, 2021 at 8:34 AM
Avatar
JAMESWIS
  • MEMBER
  • 2 POSTS
So with my gauge set and vacuum pump, and being located slightly west of Baltimore city, I'm able to pull around 27 inches of vacuum on an A/C system. Of which I did, and this system holds for steady for hours with no drop in vacuum. I refilled the system with R134, and when running, my low pressure side pulls down to right around 35-40 PSI on an 80 degree day... High pressure side runs around 170-175 PSI, which is why I'm pressure sure the compressor is good. Being that its electric, it's one of the trickier systems I've worked on, since I'm used to revving the engine up to around 2,000 RPMs to achieve the coldest temperatures I can, but this one seems to pull down without me doing that, and it doesn't make a difference anyway...
One thought I did have would be a if there was a clog in the Orifice tube, which I have seen cause an a system to stay warmer than it should, however this was on an Escalade with front and rear zones. The rear was very cold where the front wasn't. Usually when they get a clog like that, they pressures won't show right on the gauges making it pretty clear there's an issue. With that being said, I'm going to assume my Compressor is working correctly in this Silverado...
Something else I think I left out, is that over the summer, on days when it was in the upper 90's outside, I was getting air around 55 degrees at the vent, which is better, but still not good enough, nor what it should be. What I can't seem to comprehend is that on warmer days, the system seems to run colder, and on cooler days, the system seems to produce warmer air... I've never seen anything like this. And no, it's not in my head. lol... I'm measuring this with my thermometer in the vent. :)

Let me ask this.. With this being digital, and having to set "hot / cold" on the controls by telling it a temp like 60 or 90, does this system try to automatically keep the cabin at a certain temperature? Is there a "cabin temperature sensor" that could be bad telling the system it's running 20 degrees cooler than it really is?
Sep 9, 2021 at 9:06 AM
Avatar
STEVE W.
  • CERTIFIED EXPERT
  • 15,111 POSTS
The display is for the set temperature. So if you set it to say 72 degrees the system will run the AC and heat to maintain that temperature. Set it to 60 and it does the same. What most of them do to measure the temperature is to use an aspirator sensor. It's basically a thermistor with a tiny fan that draws cabin air over it. Yours is in the headliner near your head. They can get hair and crud in them and cause problems and when they fail usually by defaulting to a set temperature of about 70 degrees.
However yours also has a host of others and all of those can cause it to default to that same temperature. In your case I'm thinking one of them has a problem and is defaulting to that set temperature. That is because of the way you said that hotter outside temperatures made the AC work better. The higher ambient temp would tend to make the system try to cool more to get back to that set temperature.

Ambient Air Temperature Sensor - under the hood, used for HVAC and engine controls.
Inside Air Temperature Sensor Assembly - in headliner
All of these are located in the HVAC ducts
Upper Left and Right Air Temperature Sensors
Lower Left and Right Air Temperature Sensors
Upper and Lower Air Temperature Sensors (used with the automatic controls)
Unfortunately you need a higher end scan tool like a Tech 2 to be able to talk to the HVAC controller and see what it shows for the sensor temperatures.
One thing you can do without a high end tool can be done with any scan tool that can read live data, use it to check what the ambient temperature sensor shows as the current outdoor temperature, then compare that to the dash display and verify it is within a degree or two of a known correct thermometer. If it is then try this reset, Turn the key on, now press the AC and Recirculate buttons down and hold them for at least 5 seconds. That will reset the modules internal memory to be sure all the sensors agree. I like to do that when the vehicle has been setting a while, preferably inside out of any sun or heat as that get's the sensors all closer to the same temperatures. Once reset see if anything has changed, I have seen them get confused and the control module thinks it like 40 degrees outside when it is 60, causes interesting things to happen. Beyond that a scan tool to see what the HVAC is seeing would be next. One other thing you might try would be a hard reset of the system. I have seen that "repair" many issues as well. The easiest way is to disconnect the battery and let it set for about 5 minutes, then reconnect it, this erases the KA memory though so you may need to drive it a bit so it can relearn idle and shifting, and if there is ANY issue with the hybrid side don't do this. Instead find the HVAC fuses (39 and 70) in the under hood fuse panel and pull them for 30 seconds. This will normally reset the system. Test again. If no change then grab a scan tool and see what it shows, some of these can fail and set a code that doesn't show anywhere but on a scan tool.
Sep 9, 2021 at 2:24 PM