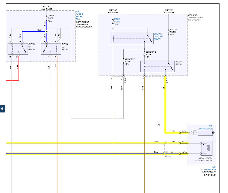
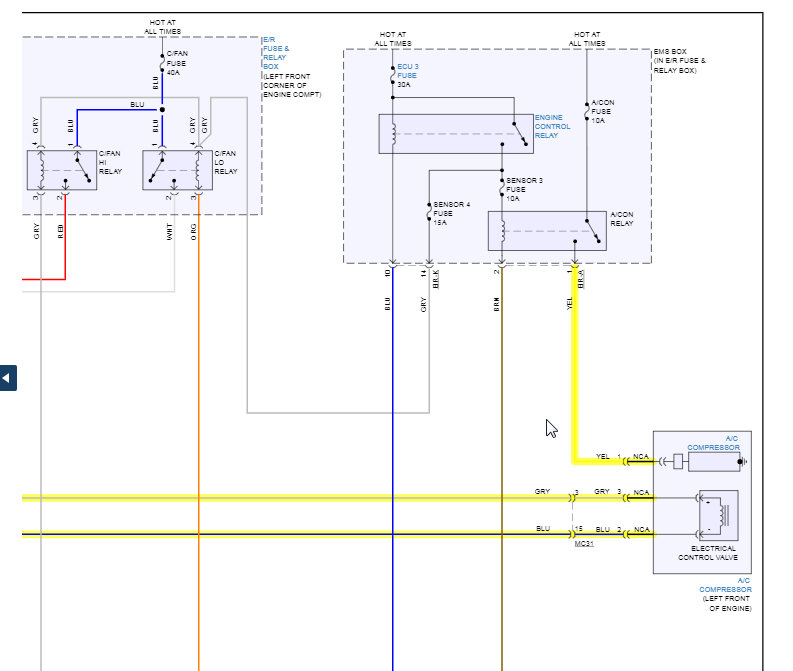
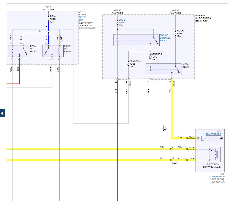
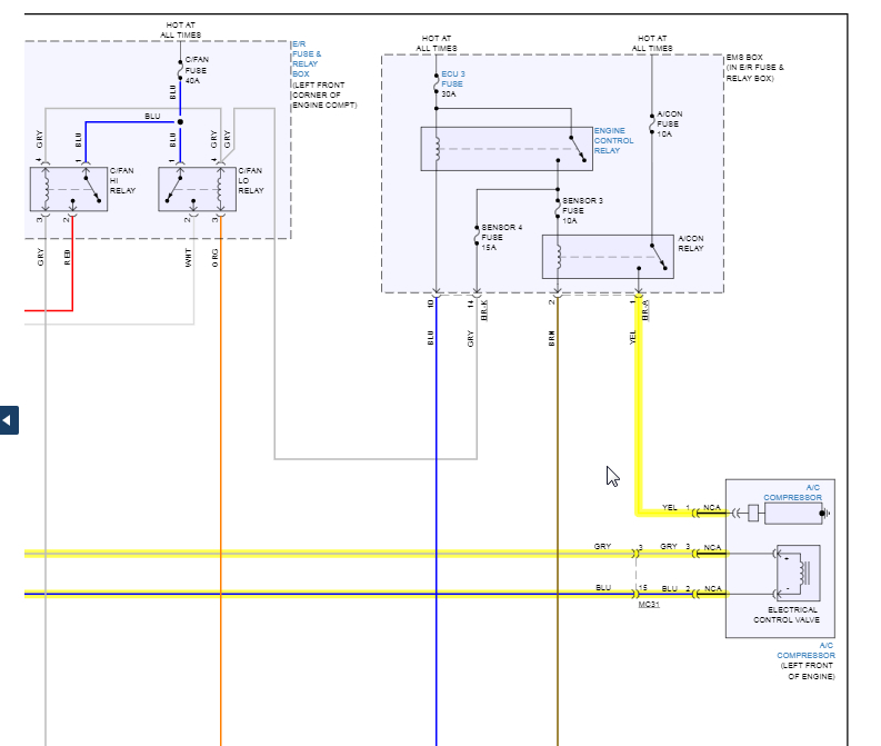
The A/C stopped working a while back. It would work for like the first 5 minutes then quit. After a while it quit working all together. We had the engine replaced not too long ago due to one of the connecting rods coming apart. We had asked the dealer if they could also find out the issue with the A/C since it wasn't working then. They said they would. When they called me to let me know it was ready, I asked them what was wrong with the A/C. They said they couldn't find anything wrong and only recommended replacing the discharge line as it had been seeping. Told them we would get around to it. Picked up the car, A/C was working fine for 2 weeks then it stopped again. We replaced the discharge line a had the system flushed. System was charged to 1.21lbs, still not working. We had already replaced the thermistor (evaporator temperature sensor) and high side pressure switch just because they were cheap. Still cannot figure out what is going on with it. Any suggestions?
Monday, May 10th, 2021 AT 7:14 PM





