Monday, July 3rd, 2023 AT 3:26 PM
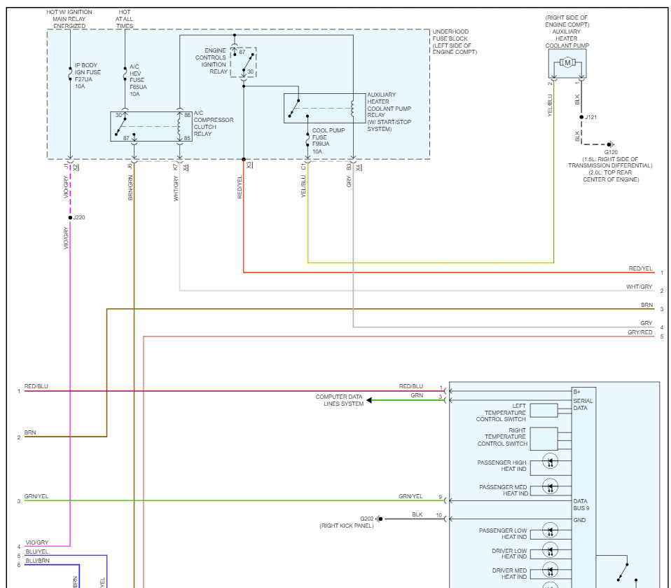
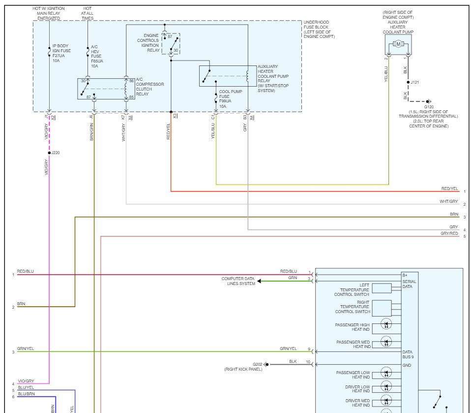
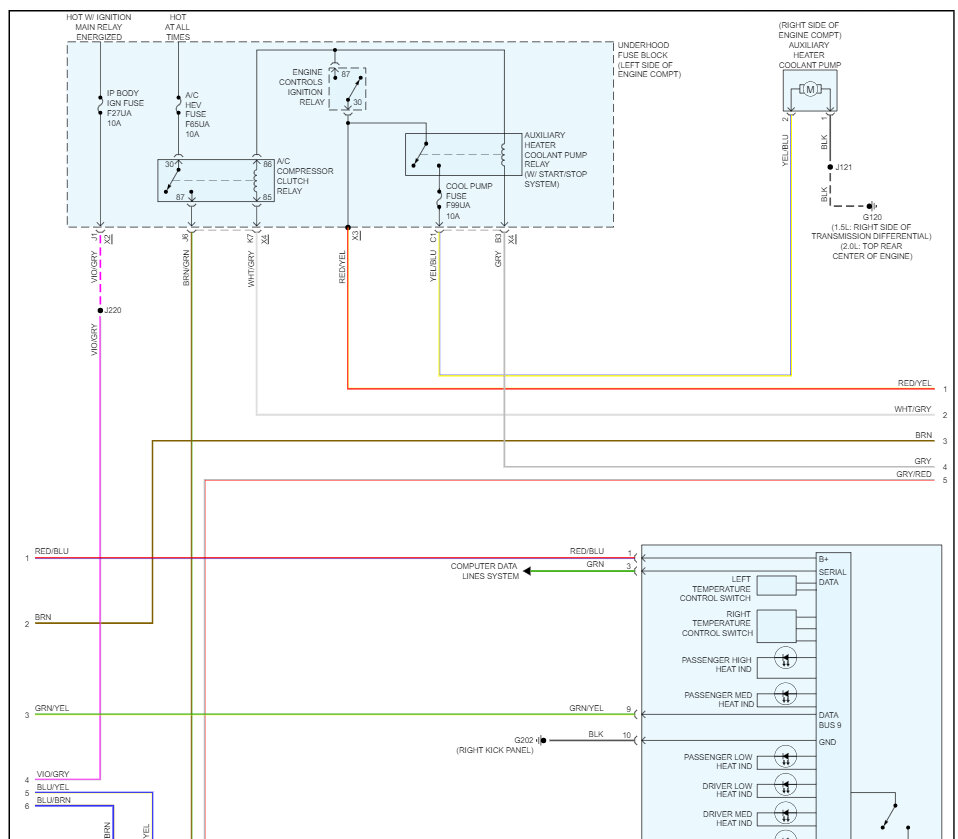
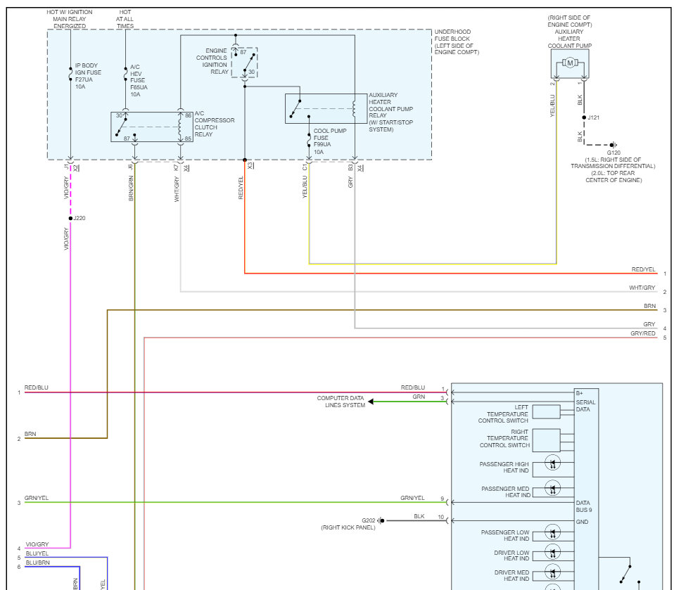
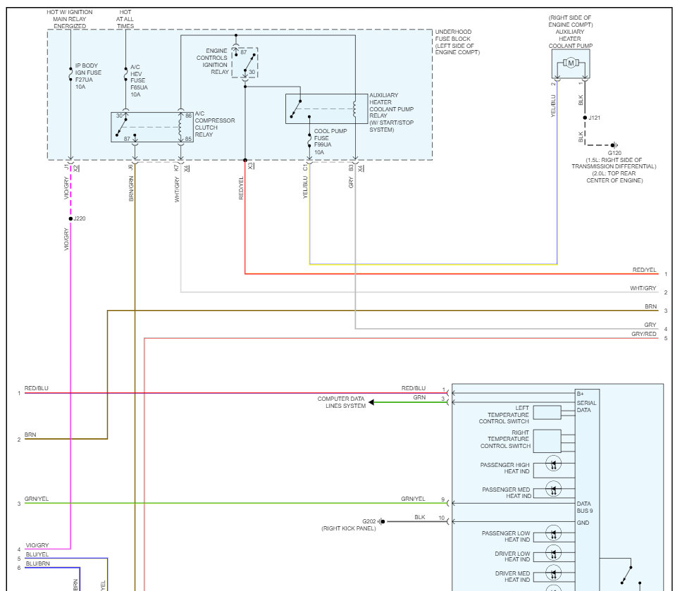
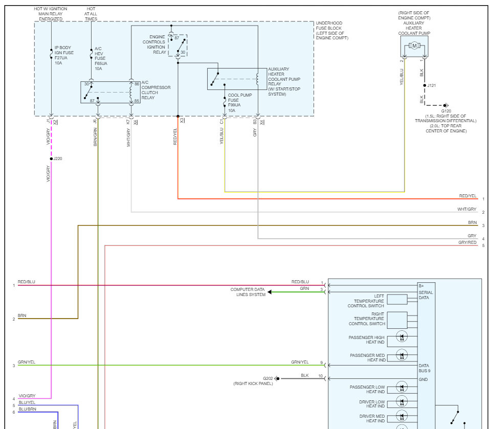
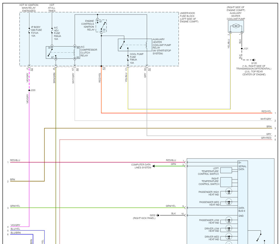
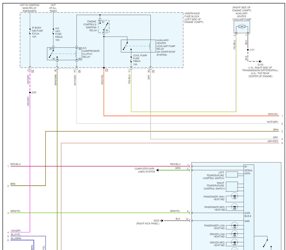
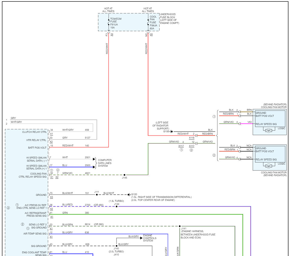
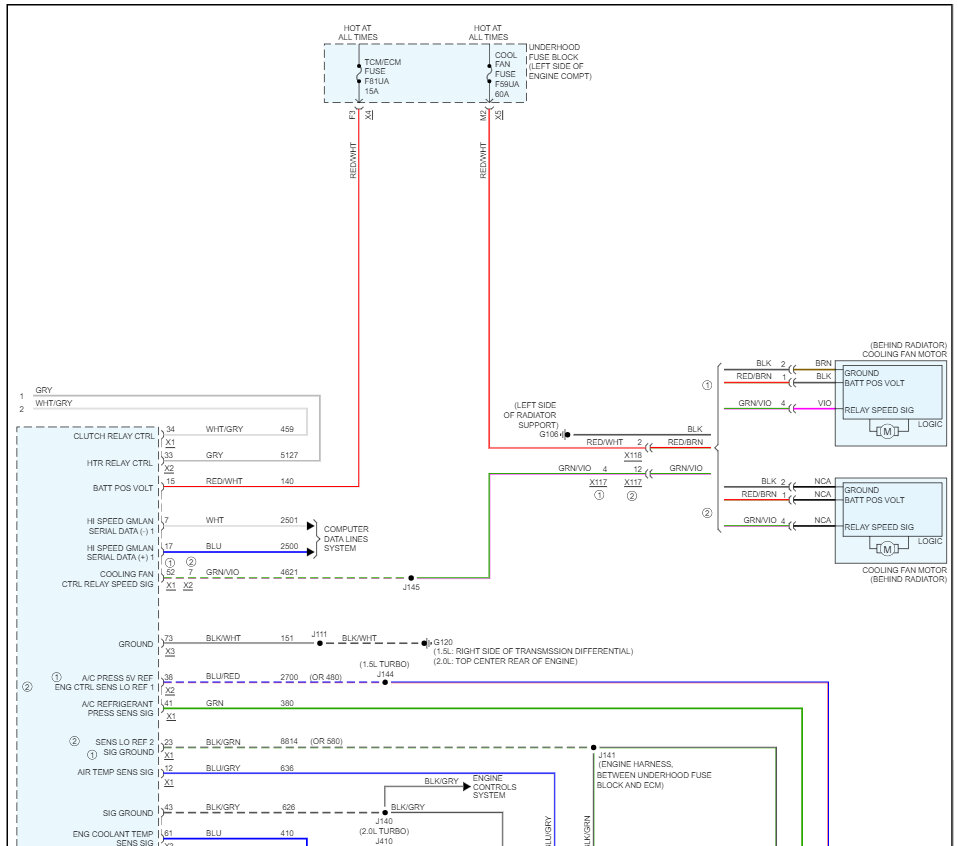
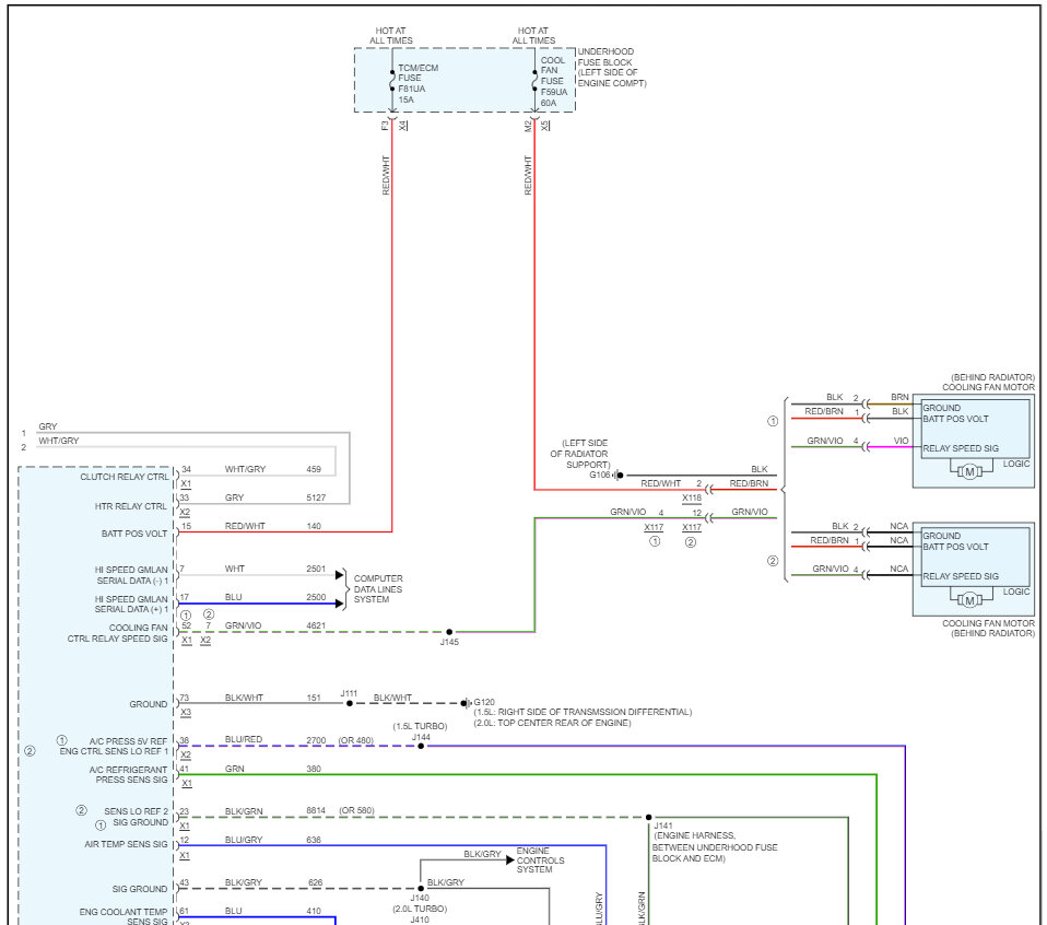
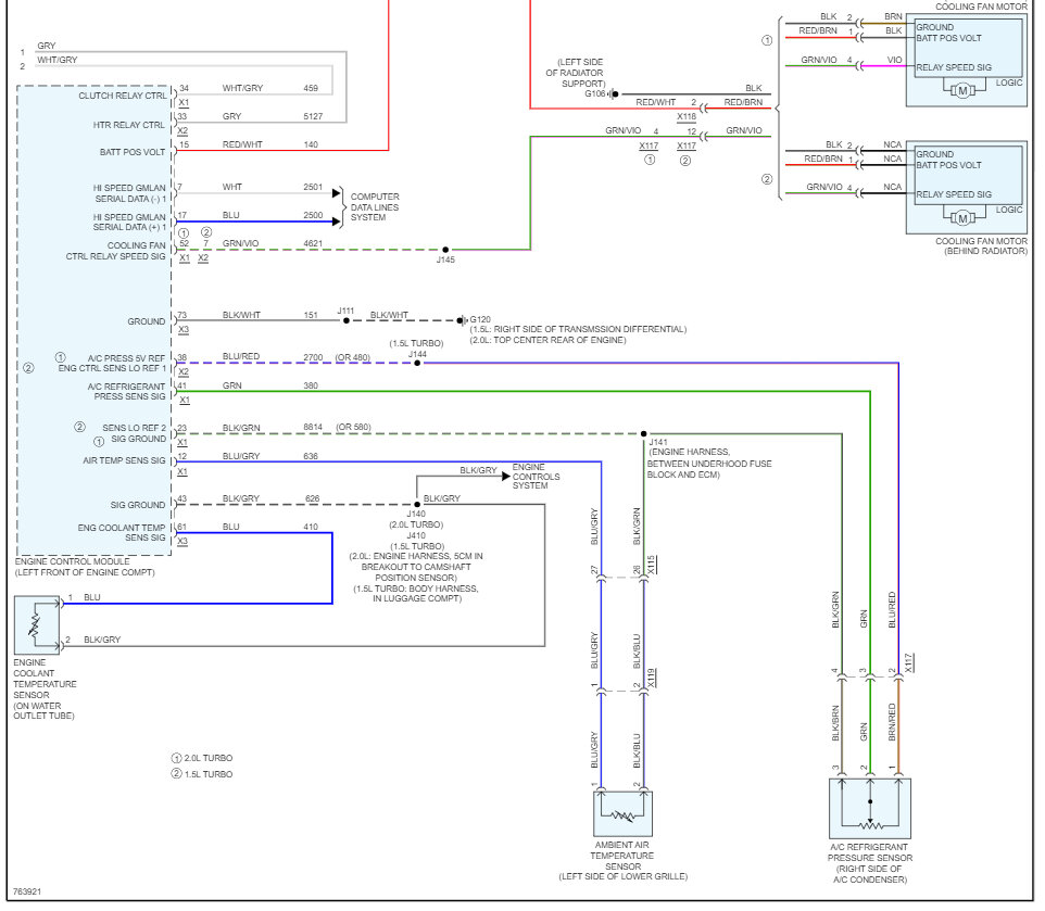
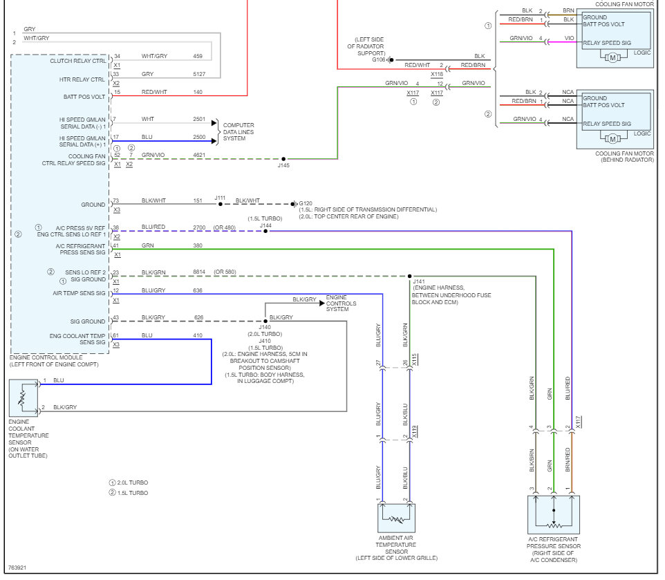
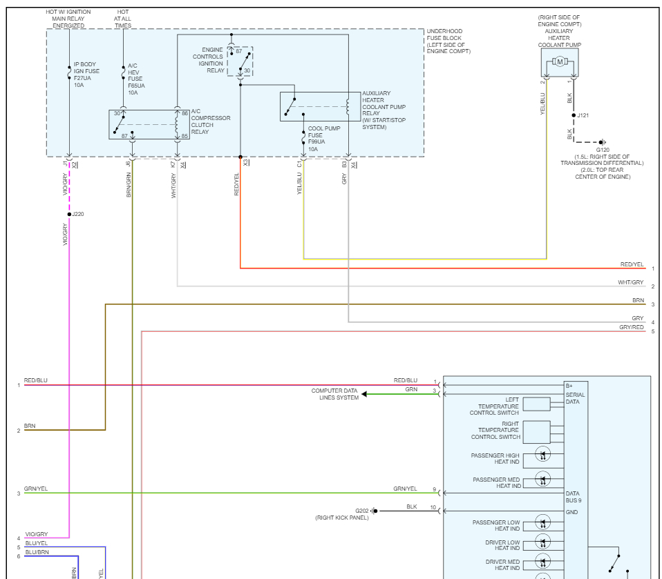
Hi there. Bear with me. The other morning on my way to work my climate control buttons started going wacky. By that I mean kind of doing their own thing. The heated seat buttons started scrolling through the options and other buttons went in and out. At one point I was able to set the A/C where I wanted it but after a few minutes the whole thing shut down. So, I turned it back on and it did it again. So, I get to work, and it sits there all day and now it doesn’t power up at all. The weird part is though I can still control the climate through the digital screen. But what’s weird is whenever I start the car it automatically goes to 72 degrees and in the defrost face mode. But I am still able to set the A/C where I want it and it will run fine. So, has the climate control module gone bad on me? The physical button controls. Thanks




















