Climate control not working

Tiny
CHAZ59
  • MEMBER
  • 2006 CHEVROLET MALIBU
  • 165,000 MILES
Auto climate control unit quit working and thought it was the fan and replaced it - no go. So, checked and tested all fuses and relays with a wiring diagram, all good, replaced control head and still no go after 'learning' mode.
Now, manual fan controls non-functional, vent and AC controls all work, temp settings don't seem to work, and fan only blows at low speed and won't shut off even with ignition off. Don't know how to test electronic fan control thigy, but do get continuity readings at all terminals. No codes present except egr valve out.
Querried dealer and what they said was replace the control head which I already did. Research seems to indicate many problems with this and other electronics on board with this model line. Car is 2006 Malibu Maxx LTZ. Any insights?
Thursday, August 1st, 2013 AT 7:20 AM

7 Replies

Tiny
JDL
  • MECHANIC
  • 16,098 POSTS
Did you check voltage and ground circuits. Any applicable fuses, not only check the fuse, check for voltage on the fuse circuit. Some fuse circuits are hot all the time, some go hot with the key on.

Can you check for hvac trouble codes? Some of the national brand autostores will check codes for free. I hate to see you throw parts at it, but, there is a blower motor control module, besides the hvac control module. I'd test those wiring circuits first.

At the blower motor, purple wire is voltage, white wire is ground. Could be a wiring connector or wiring circuit issue? I did look at TSBs for your vehicle, didn't see anything that caught my attention.

Here is a guide so you can check power and ground becasue it sounds like you have lost one.

https://www.2carpros.com/articles/how-to-use-a-test-light-circuit-tester

Check fuses as well

https://www.2carpros.com/articles/how-to-check-a-car-fuse

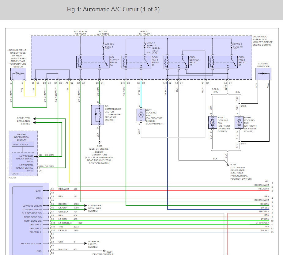
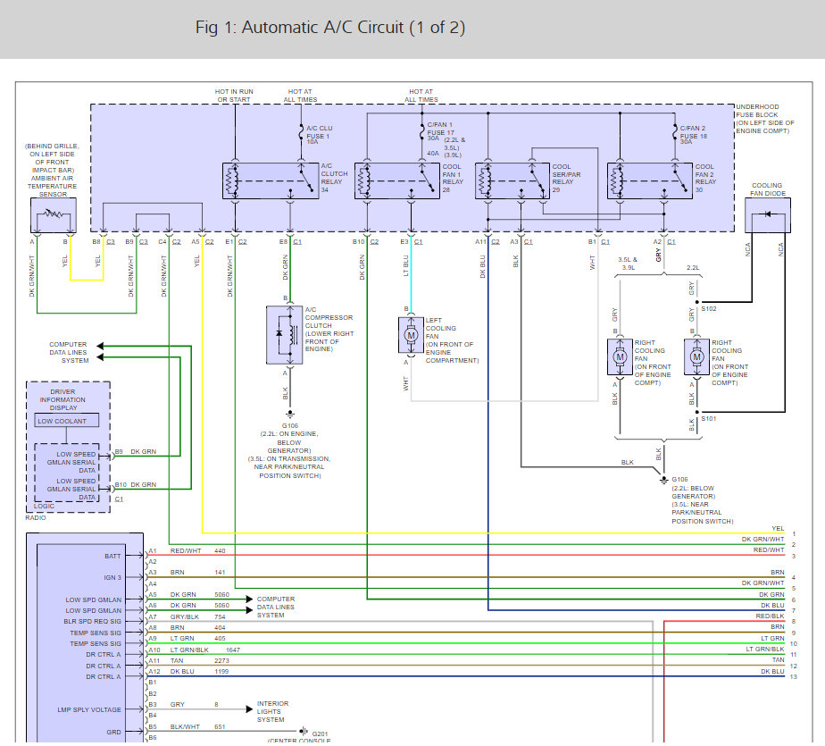
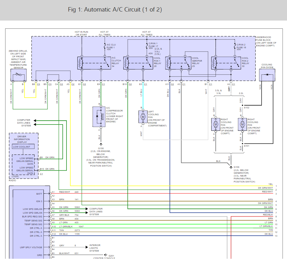
Check the wiring diagrams and fuse panel information (below).

Please let us know what you find.

Cheers
Was this
answer
helpful?
Yes
No
+1
Thursday, August 1st, 2013 AT 9:59 AM
Tiny
CHAZ59
  • MEMBER
  • 3 POSTS
I already checked those things and had the codes scanned, but will check again. Your wiring diagram is more detailed, thanks!

Wondering if perhaps the axillary blower motor control is bad? Unfamiliar with this as it's different than a normal resistor array? Not really sure if I tested its function properly.

What seems odd is that at one point the fan would only blow on high and not shut off, then I unplugged the control module and replugged it in to 'learn' again, and now the fan only blows super slow and again will not turn off with the ignition.

Perhaps at this point I'd be better off investing in the 'real' repair manual for the car. Probably save its cost in pinpointing the problem since the dealership doesn't seem to offer anything more than a 'guess and throw more parts at it' approach. I really don't think they have a clue.

I've found Mitchel to be very good on the details necessary for the difficult stuff. Usually I can access them at the public library, but they aren't keeping up to date with them in these days of budget woes.

I guess on-line access would be less expensive than the book form, and just as useful if you can print the files you need. Thank you
Was this
answer
helpful?
Yes
No
Thursday, August 1st, 2013 AT 1:33 PM
Tiny
JDL
  • MECHANIC
  • 16,098 POSTS
How did things turn out?
Was this
answer
helpful?
Yes
No
Thursday, August 1st, 2013 AT 3:11 PM
Tiny
CHAZ59
  • MEMBER
  • 3 POSTS
UPDATE. For those experiencing a similar problem. Solution to my problem was replacing climate control head, electronic fan control, and the fan. Heart of the problem was failure of the electronic fan control. This part is located under passenger dash near the fan and functions similar to a resistor network but it varies voltages to fan based on temps it senses. Its failure caused excessive voltages which took out the control head. I also replaced the fan as it is often damaged as well by this parts failure. Even though the fan still runs, it can cause a problem by continuing to draw excessive current. Works A-1 now. If you experience a similar problem I recommend checking the electronic fan control first. Not sure how to test one really since it's a sophisticated function, but it is the most likely culprit if you're having troubles. Thanks to all!
Was this
answer
helpful?
Yes
No
+8
Friday, August 16th, 2013 AT 3:54 AM
Tiny
JDL
  • MECHANIC
  • 16,098 POSTS
Good job. Please use 2CarPros anytime, we are here to help. Please tell a friend.

Cheers
Was this
answer
helpful?
Yes
No
Saturday, June 27th, 2015 AT 10:05 AM
Tiny
ROGER WOO
  • MEMBER
  • 1 POST
2004 Chevrolet Malibu LS HVAC Issue
Problem: Climate control unit faulty.
Symptoms: Blower fan works at all speeds but a/c button will not turn on and the air only blows through the vents. No defrost or feet. Air temperature is outside air.
Fix: Pull the side panel on the passenger seat side at the center console by your ankle. It's held on by velcro. Under the panel you will see a fuse block look on the far upper far right corner and the 2nd fuse down is a small red 10 amp fuse. Pull it out with the supplied the supplied tweezers (tan ones found under the same panel) and replace it. That's what I did and it worked for me.
Was this
answer
helpful?
Yes
No
Friday, November 10th, 2017 AT 3:57 PM
Tiny
KEN L
  • MASTER CERTIFIED MECHANIC
  • 55,322 POSTS
Great addition to this thread! Please feel free to help out whenever you are on the site :)

Cheers, Ken
Was this
answer
helpful?
Yes
No
Monday, November 13th, 2017 AT 1:43 PM

Please login or register to post a reply.