Working on it and now the A/C stopped working?

Tiny
BENEFITS1976
  • MEMBER
  • 2002 JEEP GRAND CHEROKEE
  • 4.7L
  • V8
  • 4WD
  • AUTOMATIC
  • 192,000 MILES
Hi,

I have two problems with the vehicle listed above limited model, 4.7 with hydraulic fan. Overheating which I am still working on it and now the AC stop working. I energized the clutch manually through the relay it engaged. What is missing is the signal from the computer to the relay. I checked refrigerant static pressure. It was 75 psi at 70 degrees F.
Any suggestions about the A/C?
Also, I would like the A/C wiring diagram.
Wednesday, October 16th, 2024 AT 1:27 PM

50 Replies

Tiny
AL514
  • MECHANIC
  • 5,595 POSTS
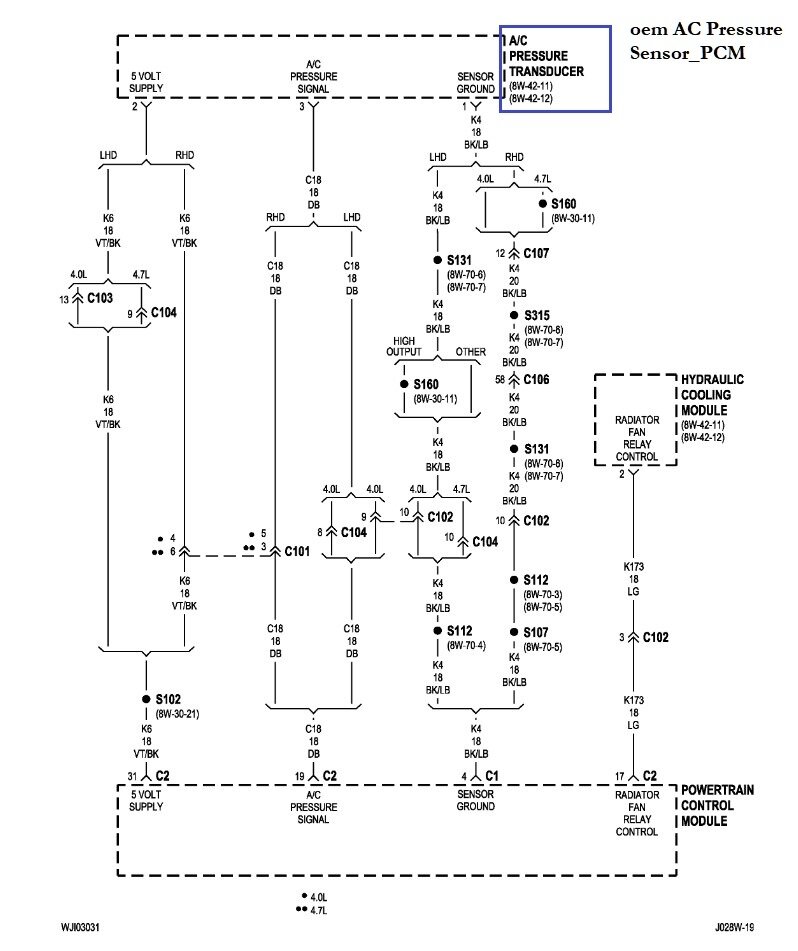
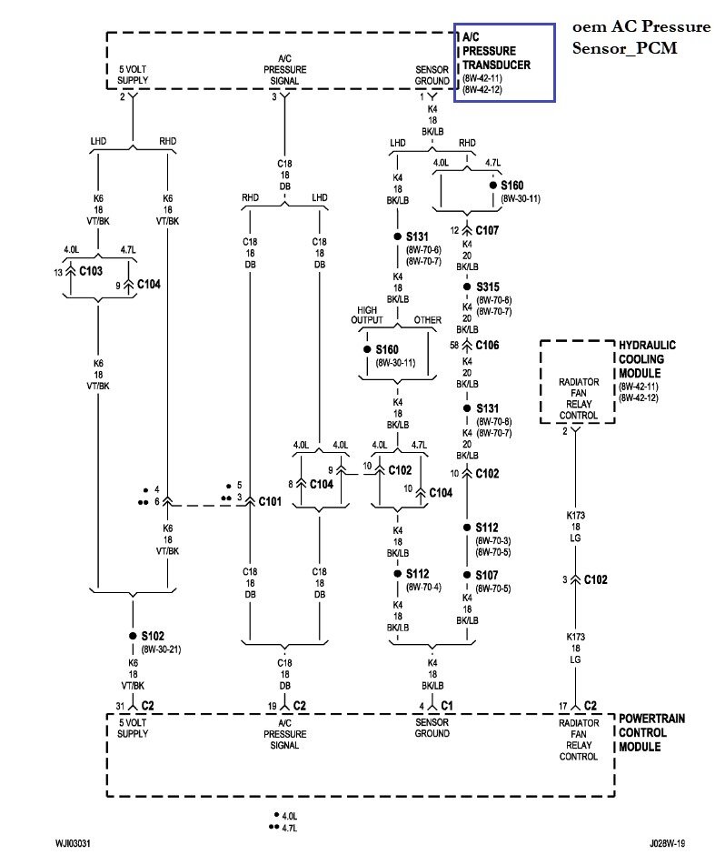
Hello, do you have an automatic A/C system or manual? Automatic being that you can set the temps different per drivers' side and passenger's side. And you would really need to see what the pressures are on both the low and high side of the A/C system to make sure there are no restrictions occurring or other faults. I will post the wiring diagrams for both systems. But if you have a scan tool that can read live engine data, you should be able to see the A/C pressure transducer signal in the live data, since the signal is sent to the PCM. The pressure transducer is a 3 wire, so it has a 5volt reference, a ground and a signal wire.
Was this
answer
helpful?
Yes
No
Wednesday, October 16th, 2024 AT 3:07 PM
Tiny
AL514
  • MECHANIC
  • 5,595 POSTS
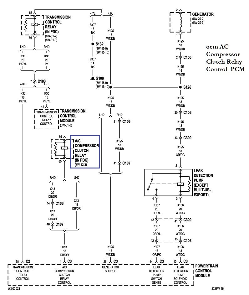
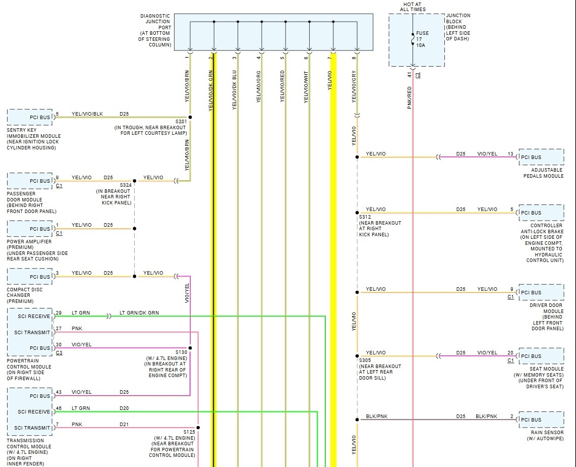
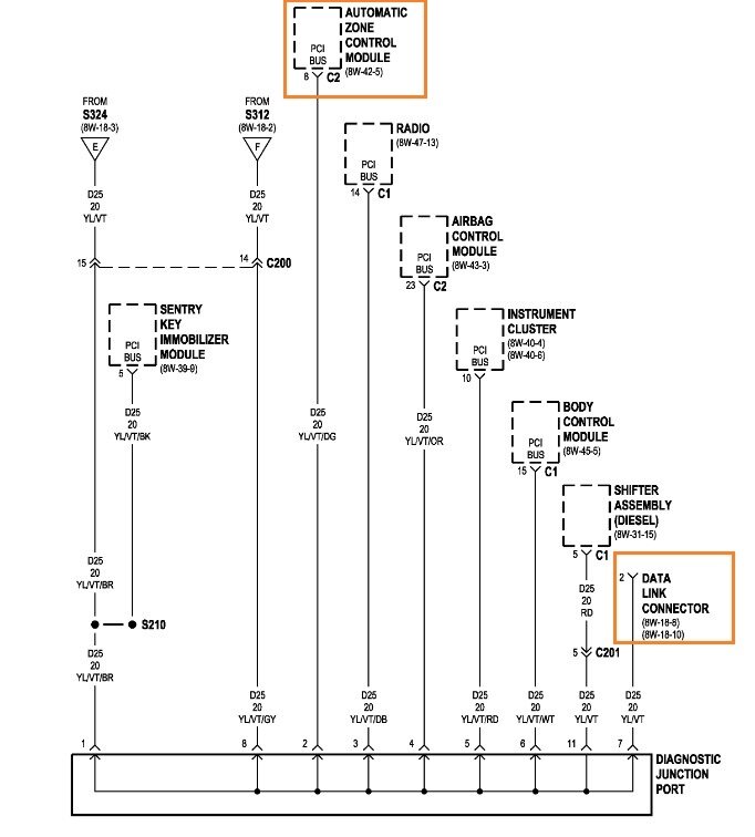
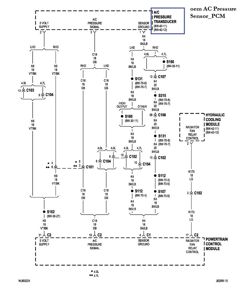
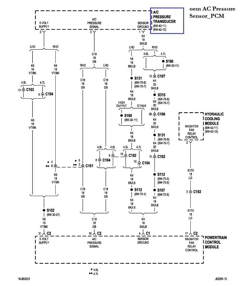
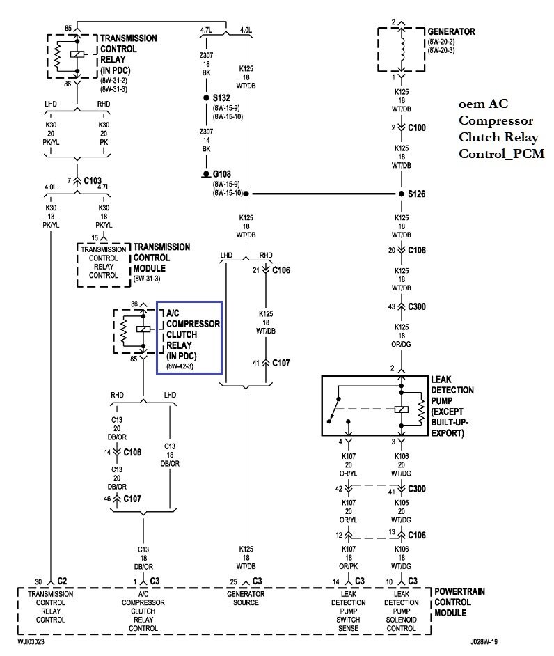
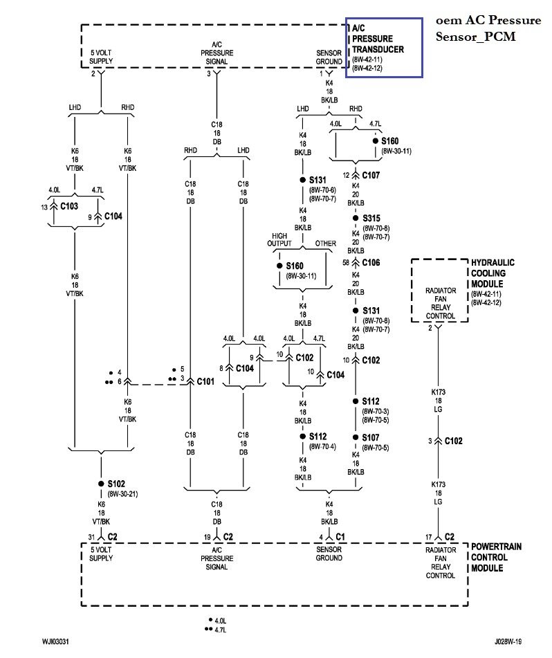
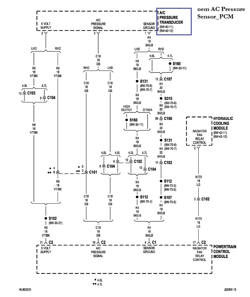
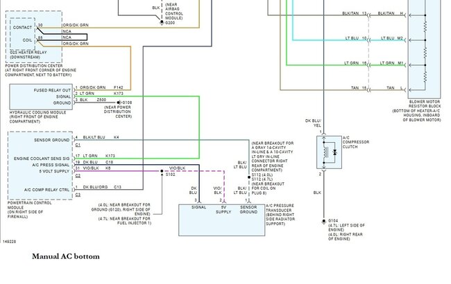
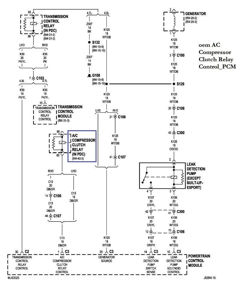
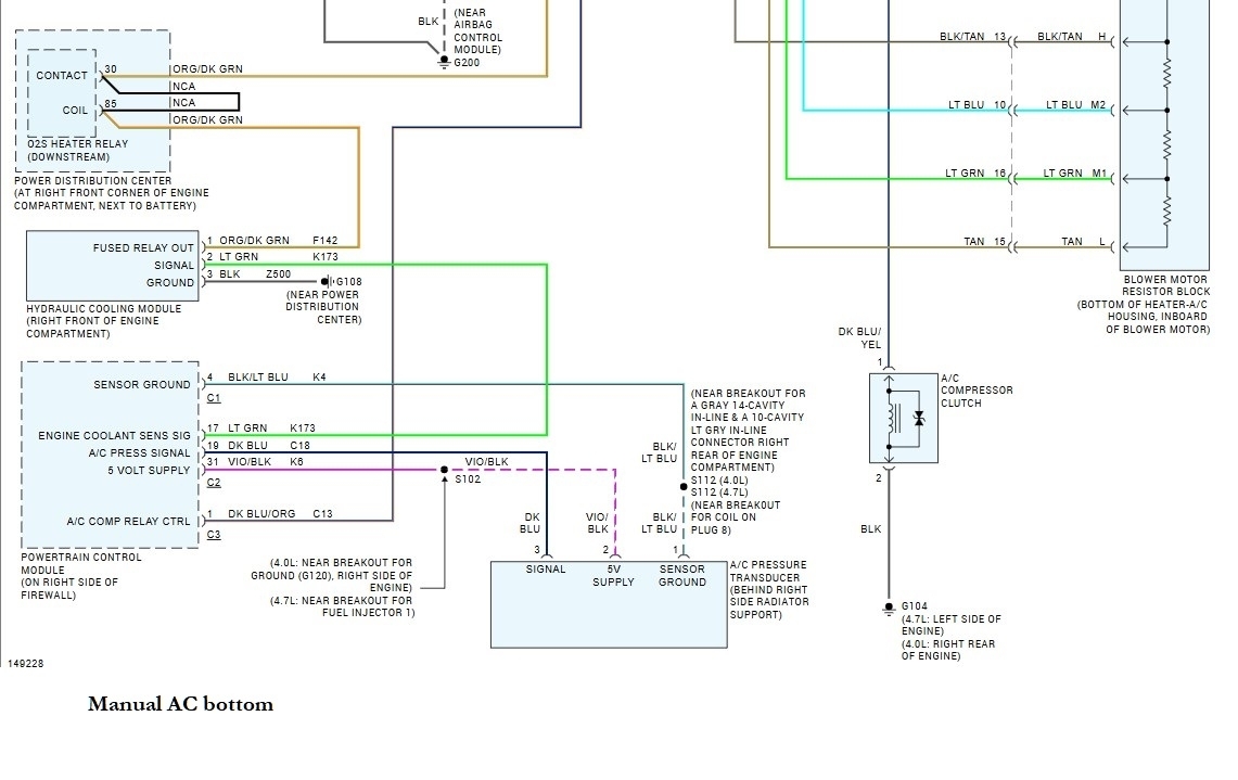
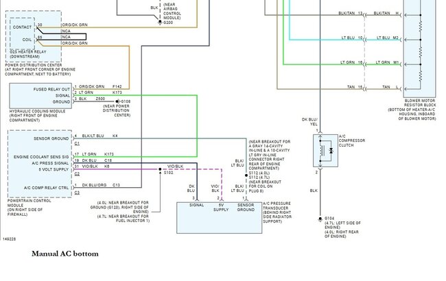
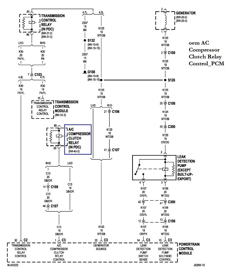
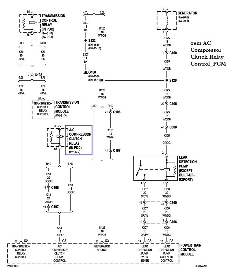
Here are the wiring diagrams, 1,2 are for the Automatic AC setup top and bottom.,
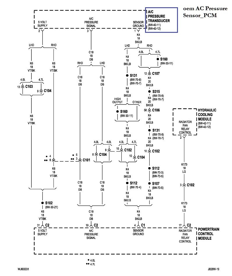
Diagrams 3,4 are the Manual A/C system top and bottom, Diagram 5 is the OEM A/C Pressure sensor to PCM, Diagram 6 is the OEM A/C Compressor Relay to PCM.
And the last 4 diagrams is some HVAC operations info that might be helpful.

https://www.2carpros.com/articles/car-air-conditioner-not-working-or-is-weak

https://www.2carpros.com/articles/how-a-car-air-conditioner-works
Was this
answer
helpful?
Yes
No
Wednesday, October 16th, 2024 AT 3:44 PM
Tiny
BENEFITS1976
  • MEMBER
  • 38 POSTS
Please see picture what I have. I have a code reader. It does not show me the transducer signal. However, I back probe the signal wire at the sensor connector. It was 0.9 V, after that I turned on the engine and manually engaged the compressor (run it for few seconds) by jumping the relay load side. The voltage of the transducer went up to 1.3v. So far what I know is that I have refrigerant in the system 75 PSI on low side did not check on high side which I will do. The clutch works. The transducer changes voltage but I do not have control from the computer. I am not a mechanic, but I learned by watching YouTube videos

So, what the PCM needs as input to send ground (dark blue/org wire) to the A/C clutch relay?
Was this
answer
helpful?
Yes
No
Wednesday, October 16th, 2024 AT 3:49 PM
Tiny
AL514
  • MECHANIC
  • 5,595 POSTS
So, that looks like you can set the temperatures different per each side of the vehicle, so that would be the Automatic AC System. It sounds like there might be a restriction in the system, if 75 PSI is with the compressor engaged, that's a pretty high reading for the low side. At around 70f, and I assume this is R134, you should see about 30-40 PSI roughly, and around 150 on the high side, so you may find that the high side is low in this situation, I know that sounds a bit confusing, but with a restriction in the system your pressures will be off.
This is the list of sensors and how data is used for an automatic system, there's a number of temperature sensors, and if you have a scan tool that can read BCM trouble codes or other module fault codes there might be some set that you're not seeing with a basic OBD2 scan tool. A full system scan may reveal other trouble codes and usually does. I rarely do a full system scan and see a clean report with no codes set. Even engine temperature is used, so I would get that under control first.
If you suspect a head gasket issue, you can run a chemical head gasket test, or most of the time I just open the radiator in the morning when the vehicle is still cold from overnight, and watch for bubbles of compression gases coming out of the radiator opening once the engine is started. (2nd picture is a chemical head gasket test).
Was this
answer
helpful?
Yes
No
Wednesday, October 16th, 2024 AT 6:05 PM
Tiny
BENEFITS1976
  • MEMBER
  • 38 POSTS
75 PSI is static pressure before running the compressor. I have code reader no codes found. I do not have scan tool.
Was this
answer
helpful?
Yes
No
Thursday, October 17th, 2024 AT 7:06 AM
Tiny
AL514
  • MECHANIC
  • 5,595 POSTS
Well, in that case I would deal with the overheating issue first, because if the vehicle is going to overheat you won't be able to use the A/C anyway. It will actually cause the engine to overheat quicker because of the heavy load an A/C compressor puts on the engine. So, if you have replaced the thermostat and the cooling system is in good working order, try the head gasket test. The chemical test is not that expensive, the first thing I always do when there's a suspect cylinder head or head gasket issue is just watch for bubbles at the first startup of the day. If it runs for a little while with the radiator cap off and you start to see combustion gases bubbling out, you know which direction to take your diagnosis. The engine has pretty high mileage.
Was this
answer
helpful?
Yes
No
Thursday, October 17th, 2024 AT 1:42 PM
Tiny
BENEFITS1976
  • MEMBER
  • 38 POSTS
What is normal operating temperature of a Jeep?
What is the thermostat OEM recommended temperature?

When I was driving the engine temperature went +220 degrees. I had to turn the heater on to cool it down. And after shutting it off the engine the coolant was boiling in the reserve tank.

I did not replace the thermostat yet.
The jeep is equipped with hydraulic fan.
Was this
answer
helpful?
Yes
No
Thursday, October 17th, 2024 AT 1:50 PM
Tiny
AL514
  • MECHANIC
  • 5,595 POSTS
Here's the OEM part number if needed, it should open at 195f. Along with the replacement procedure as well. On the 3rd diagram, notice the position where the small hole on the thermostat is located, it's for letting air bleed out of the system after you replace it. Just make sure the new thermostat is positioned the same. You don't want to keep driving it in that condition, with over heating so much it will eventually warp the cylinder heads from such high temperatures and cause other problems.
Was this
answer
helpful?
Yes
No
+1
Thursday, October 17th, 2024 AT 4:54 PM
Tiny
BENEFITS1976
  • MEMBER
  • 38 POSTS
Hi,

I pulled codes from Ac/heater unit by pushing simultaneously on A/C button and recirculation button. The codes are:
12
29
30
32
52

I don't know if some of them cause A/C not working. Also, FYI yesterday I disconnected the transducer to check for 5 v reference and ground. Also, I disconnected the A/C clutch relay to check powers and grounds.
Was this
answer
helpful?
Yes
No
Friday, October 18th, 2024 AT 6:20 PM
Tiny
AL514
  • MECHANIC
  • 5,595 POSTS
Okay, cool. I didn't even know you could pull codes with that method, good deal, there is a list of two-digit codes for the Automatic zone control system, which is the HVAC control unit in this vehicle. This is the self-test method if you need it for future use. I'll post the list of codes next. I assume your 5v ref and ground were good.
Was this
answer
helpful?
Yes
No
Saturday, October 19th, 2024 AT 11:09 AM
Tiny
AL514
  • MECHANIC
  • 5,595 POSTS
Okay, this is pretty crazy, but you can actually run self-tests on the HVAC system just by the same method you did to retrieve the codes, this is the first section that came up so read through these carefully. Some of the 2nd section is repeated I think but that's okay, I'll post that next, But the code 12, 29, 30, and 32 are the codes that are in the "Current" List, so happening right now, from codes 33-60 they are Historic codes, so stored in memory.
Was this
answer
helpful?
Yes
No
Saturday, October 19th, 2024 AT 11:33 AM
Tiny
AL514
  • MECHANIC
  • 5,595 POSTS
This is the list of Current codes, and it looks like there is actually some sort of network issue with that hvac controller. So these can be either a wiring issue which is only on a 1 wire PCI bus. Which is just a 0-7v roughly message. 0-7volt square wave signal, which you wont be able to see with a multimeter but you could check the network for either a short to ground in which it would read 0volts, or a short to power in which it would read battery power (12v) or 5volt if it is shorted to a 5v Ref.
12 being Country code buss message missing,
29 OAT bus message missing
30 Display intensity bus message missing
32 Raw OAT bus message missing
Was this
answer
helpful?
Yes
No
Saturday, October 19th, 2024 AT 11:41 AM
Tiny
AL514
  • MECHANIC
  • 5,595 POSTS
These are the Historic codes, the 60 is the Engine RPM bus message missing, but this can be caused by just network activity missing altogether.
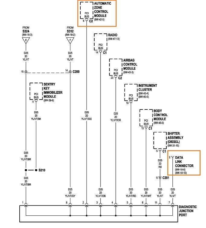
There is a huge list of self-tests you can run through the HVAC controller, but with these codes you're not really looking at a one component fault, these are all communications codes setting, which will cause the system to go down apparently.
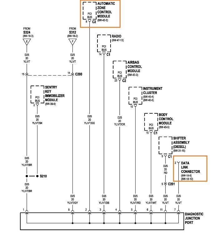
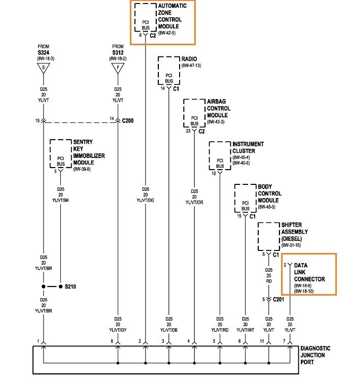
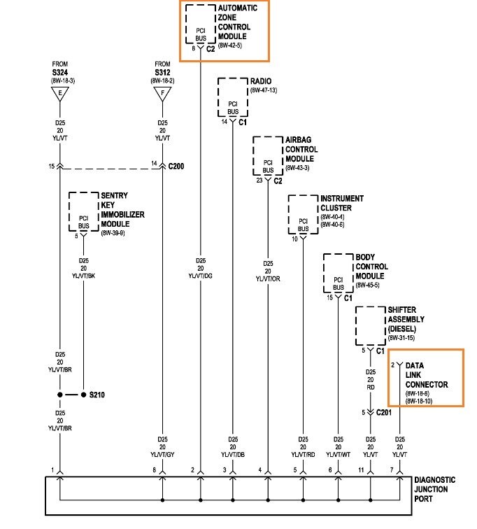
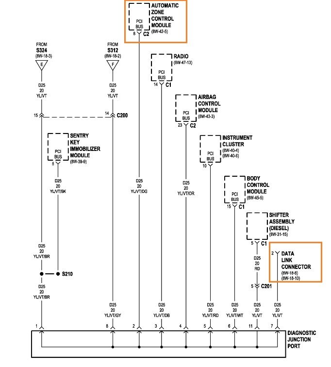
They have the Data link connector and this large splice pack "Diagnostic Junction Port" labelled as the same thing, so you'll have to look and see if there's actually 2 connectors or just the one DLC. According to their diagrams everything on the PCI bus goes to pin 2 of the DLC (diagram 7). It's a bit misleading.
Was this
answer
helpful?
Yes
No
Saturday, October 19th, 2024 AT 11:58 AM
Tiny
BENEFITS1976
  • MEMBER
  • 38 POSTS
Sorry, I am lost. Winter is coming so I am not worried about A/C. The biggest problem now is the overheating and the most important is now all power windows are not working from all doors I cannot roll up or roll down windows. Door locks and mirror work from all doors.
I fixed on the driver door jamb side the harness the power and ground were broken but still no power windows from all doors. I do not know how to proceed.I guess I need a wiring diagram, sorry.
Was this
answer
helpful?
Yes
No
Saturday, October 19th, 2024 AT 4:46 PM
Tiny
BENEFITS1976
  • MEMBER
  • 38 POSTS
Okay, updates. I disconnected battery negative. After reconnected it guess what ac is working and power windows are working again.
Do you think why is overheating too. Maybe the PCM does not send enough signal to the hydraulic fan solenoid to turn the fan faster.
Was this
answer
helpful?
Yes
No
Sunday, October 20th, 2024 AT 9:15 AM
Tiny
AL514
  • MECHANIC
  • 5,595 POSTS
I would still check the thermostat, if you notice a mark, such as is caused by a thermostat that is sticking when trying to open, you can also boil the thermostat, and it should pop open at 195f so just before boiling point. Getting up to 220 or hotter is pretty high. Or take a short test drive and see if it starts to overheat. Just don't continue to drive it if it starts overheating. So, you don't need any of the window diagrams now?
Was this
answer
helpful?
Yes
No
Monday, October 21st, 2024 AT 11:09 AM
Tiny
BENEFITS1976
  • MEMBER
  • 38 POSTS
No need of diagrams power windows are working. Thank you. I believe it was a network problem. Because the AC and power windows stop working at the same time and the ac had those codes. After disconnecting the battery everything went back. What can causes that a bad ground or one of the modules or what else. I ordered a thermostat and a water pump I will replace both. The one on the truck is a GMB brand water pump I heard bad things about it. Also, I believe the thermostat installed in the truck is faulty because when the temp of the coolant was 207 the upper hose was hot the bottom was cold.
Was this
answer
helpful?
Yes
No
Monday, October 21st, 2024 AT 11:41 AM
Tiny
AL514
  • MECHANIC
  • 5,595 POSTS
Networking issues can happen for any number of reasons, I had a 2017 Ford F350 yesterday that was setting all kinds of strange codes after a wire repair, and just clearing the codes and then key off for a few seconds, and everything was back to normal, this truck has a couple of bad batteries though as well, they lose voltage quick with the key On, but you could go around the engine compartment and check the grounds on the engine block and to the body/frame. If they look dirty or have any green corrosion, I will usually just clean them up really good and bolt them back down, grab some electronics cleaner from AutoZone, it's really good for corrosion and just cleaning terminals in general. When you take the thermostat out, take a couple pictures of it so I can see if there are any of the sticking type of marks on the middle section.
Was this
answer
helpful?
Yes
No
Monday, October 21st, 2024 AT 12:22 PM
Tiny
AL514
  • MECHANIC
  • 5,595 POSTS
I'll get back to you in a couple hours. Just need to run out for a call.
Was this
answer
helpful?
Yes
No
Monday, October 21st, 2024 AT 12:24 PM
Tiny
BENEFITS1976
  • MEMBER
  • 38 POSTS
I believe the thermostat installed in the truck is faulty because when the temperature of the coolant was 207 the upper hose was hot the bottom was cold. So the thermostat should starts to open at 195 or it should be full open at 195?. Yes I will take pictures.
Was this
answer
helpful?
Yes
No
Monday, October 21st, 2024 AT 12:33 PM

Please login or register to post a reply.