Air conditioner is not working

Tiny
DAVE BROWN2
  • MEMBER
  • 2013 TOYOTA RAV4
  • 0.6L
  • 4 CYL
  • 100,000 MILES
I was told to check relay no relay in spot (empty). All fuses okay. Stuck don't know what to do.
Saturday, May 30th, 2020 AT 3:47 PM

37 Replies

Tiny
KASEKENNY
  • MECHANIC
  • 18,907 POSTS
We need to start with checking pressures. If your system is low then the compressor will not come on. You need a gauge set that will test high and low side pressure. Let me know what they are and we can go from there.

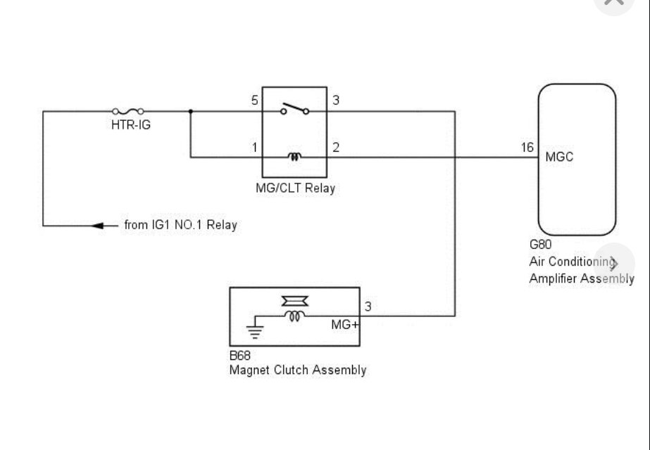
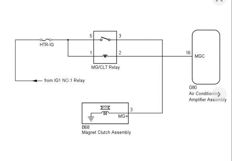
It appears your vehicle doesn't have a traditional AC relay. It calls it a MG/CLT relay. If you can locate this relay in the engine compartment fuse box (right side of the engine) we can check that as well.

I attached the info about this and the process to test it. If this is the one that was empty then we need to put a relay in and retest the system.

https://www.2carpros.com/articles/car-air-conditioner-not-working-or-is-weak

https://www.2carpros.com/articles/re-charge-an-air-conditioner-system
Was this
answer
helpful?
Yes
No
-1
Saturday, May 30th, 2020 AT 6:44 PM
Tiny
DAVE BROWN2
  • MEMBER
  • 2 POSTS
All set. It was just low.I feel stupid not to check that be for every fuse. Thank you.
Was this
answer
helpful?
Yes
No
Saturday, May 30th, 2020 AT 7:02 PM
Tiny
KASEKENNY
  • MECHANIC
  • 18,907 POSTS
Awesome. I love it when it's an easy solution. Glad you got it figured out. Please come back to 2CarPros next time and thanks for the update.
Was this
answer
helpful?
Yes
No
+1
Sunday, May 31st, 2020 AT 10:33 AM
Tiny
2011RAV4
  • MEMBER
  • 10 POSTS
  • 2011 TOYOTA RAV4
  • 2.5L
  • 4 CYL
  • 4WD
  • AUTOMATIC
  • 50,000 MILES
The AC just started blowing hot air! I was told Toyota AC are hard to diagnose. All the fuses look okay. The Freon was checked and said it was okay. A friend hooked up Techstream program and was able to turn the clutch on and AC was working but stopped as soon as the program was turned off! He said it might be the compressor. I just want to know if there is anything else I should check before I go out and get a compressor.
Was this
answer
helpful?
Yes
No
Tuesday, April 13th, 2021 AT 10:17 AM (Merged)
Tiny
ASEMASTER6371
  • MECHANIC
  • 52,796 POSTS
Good evening.

No, they are not hard to work on at all.

No, to the compressor. If he activated the compressor and it blew cold air then it is working.

It sounds like an electrical issue turning the compressor on.

Did you check all fuses with a test light for power on both sides?

Roy

https://www.2carpros.com/articles/car-air-conditioner-not-working-or-is-weak
Was this
answer
helpful?
Yes
No
+1
Tuesday, April 13th, 2021 AT 10:17 AM (Merged)
Tiny
2011RAV4
  • MEMBER
  • 10 POSTS
Thanks for the response. I did check the fuses with a multi meter but I will double check them again with a test light and get back to you!
Was this
answer
helpful?
Yes
No
Tuesday, April 13th, 2021 AT 10:17 AM (Merged)
Tiny
ASEMASTER6371
  • MECHANIC
  • 52,796 POSTS
Sounds like a plan.

Keep me updated.

Roy
Was this
answer
helpful?
Yes
No
Tuesday, April 13th, 2021 AT 10:17 AM (Merged)
Tiny
2011RAV4
  • MEMBER
  • 10 POSTS
Hi, sorry it took so long to get back to you. I checked all the fuses with the test light and they all looked good.

I was able to get a couple of pictures from Techstream that might help you.

The first one is with the ac on full but the clutch not engaged.

The second one is when I forced the clutch on with Techstream.

I noticed the pressure going up a lot on the second picture so I shut the clutch off. Also, both the fans on the radiator did not turn on at all and the air was not cold. I checked both fan fuses and they looked okay. I did not test them with the light because they are 30 amp box type and not sure how to test them. Any help would be appreciated!
Was this
answer
helpful?
Yes
No
-1
Tuesday, April 13th, 2021 AT 10:17 AM (Merged)
Tiny
ASEMASTER6371
  • MECHANIC
  • 52,796 POSTS
Okay, that does not give me any pressure readings. I need pressure readings on the high and low side.

The AC may be off due to low Freon level or the low side pressure is below 20 lbs.

Roy
Was this
answer
helpful?
Yes
No
Tuesday, April 13th, 2021 AT 10:17 AM (Merged)
Tiny
2011RAV4
  • MEMBER
  • 10 POSTS
Okay. I will get the gauges from my buddy this weekend and let you know what reading I get.

Do you need the static readings and the reading when I have the clutch engaged in Techstream? Would that also be the reason the AC condenser fan does not come on? I thought it always comes on when the compressor turns on.
Was this
answer
helpful?
Yes
No
Tuesday, April 13th, 2021 AT 10:17 AM (Merged)
Tiny
ASEMASTER6371
  • MECHANIC
  • 52,796 POSTS
Yes, both static and running with clutch engaged.

Roy
Was this
answer
helpful?
Yes
No
Tuesday, April 13th, 2021 AT 10:17 AM (Merged)
Tiny
2011RAV4
  • MEMBER
  • 10 POSTS
Okay. I got the gauges from a friend!

85 degrees outside temperature with car not running.

Low side 115
High side 175

Car running at about 2,000 rpm and manually turning on clutch in Techstream.

Low side 34
High side 255

Ran like that for a few minutes (both radiator fans were also on) then the high side just kept going up every time I turn the clutch on! I had to shut the clutch off in techstream!

I also got a trouble code of B1479.

I read that would be the code for the "flow sensor on the compressor".

I also read voltage for flow sensor should be above 3.8 when compressor is off. Mine was at 3.56.V. Could the sensor be bad?
Was this
answer
helpful?
Yes
No
Tuesday, April 13th, 2021 AT 10:17 AM (Merged)
Tiny
ASEMASTER6371
  • MECHANIC
  • 52,796 POSTS
Okay, from the static pressures, you need an expansion valve. That would also explain why the high side keeps going up.

You need to go through the wiring to find out why the compressor will not come on.

Roy
Was this
answer
helpful?
Yes
No
Tuesday, April 13th, 2021 AT 10:17 AM (Merged)
Tiny
GARY HARTUNG
  • MEMBER
  • 5 POSTS
  • 2010 TOYOTA RAV4
  • 4 CYL
  • 2WD
  • AUTOMATIC
  • 59,000 MILES
Looking for magnetic clutch relay where it’s supposed to be in fuse box is empty.
Was this
answer
helpful?
Yes
No
Tuesday, April 13th, 2021 AT 10:17 AM (Merged)
Tiny
2011RAV4
  • MEMBER
  • 10 POSTS
Changing the expansion valve looks like a big job!

What about the trouble code of B1479. Would the flow meter cause the pressure to go up? I read about someone who had a similar problem on a 2010 rav4 with the clutch only going on with the Techstream program and they told him it was a bad compressor?
Was this
answer
helpful?
Yes
No
Tuesday, April 13th, 2021 AT 10:17 AM (Merged)
Tiny
SCGRANTURISMO
  • MECHANIC
  • 4,897 POSTS
Hello,

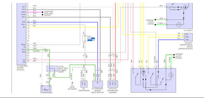
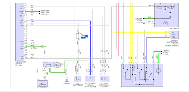
I have included in the diagrams down below your vehicle's J/B relay block where the A/C relay is located. I have it highlighted for you. It looks like it is a 5 pin relay that can be purchased at any auto parts store. Purchase the relay and plug it in. It only goes one way, and it should restore your vehicle's A/C system to operating conditions again. Please keep us informed.

Thanks,
Alex
2CarPros
Was this
answer
helpful?
Yes
No
Tuesday, April 13th, 2021 AT 10:17 AM (Merged)
Tiny
ASEMASTER6371
  • MECHANIC
  • 52,796 POSTS
That is not possible. If you command it on, then the compressor is good. It is the signal that is not activating the compressor.

B1479. I believe this set because you commanded it on and left it on. Doing what you did was intended as a test with key on engine off, not leaving the compressor run while the engine is running.

Roy

B1479/79
Item Description
Symptom/DTC B1479/79
Descriptor
Manual Air Conditioning System
Probable Causes
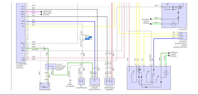
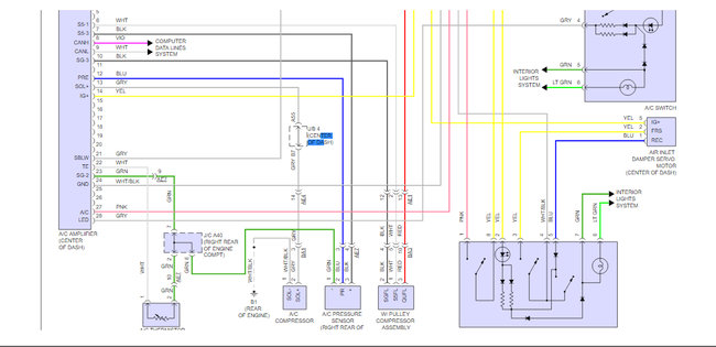
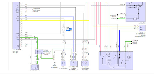
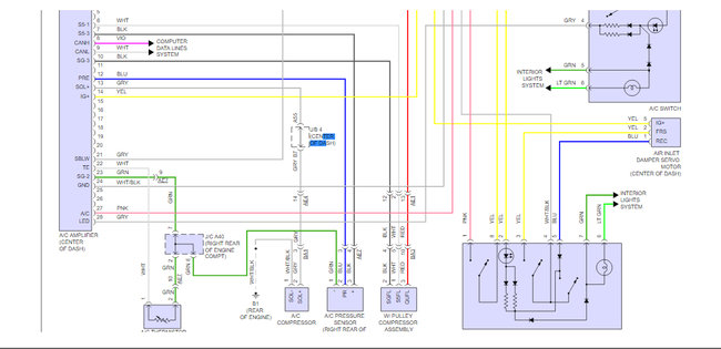
Air Conditioning Amplifier
Flow Sensor (Compressor and Pulley)
Harness or Connector Between Flow Sensor And Air Conditioning Amplifier
Was this
answer
helpful?
Yes
No
Tuesday, April 13th, 2021 AT 10:17 AM (Merged)
Tiny
GARY HARTUNG
  • MEMBER
  • 5 POSTS
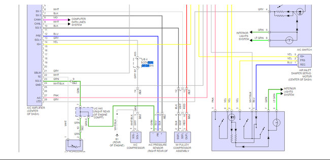
That didn’t work. Where is the ac amplifier located?
Was this
answer
helpful?
Yes
No
+1
Tuesday, April 13th, 2021 AT 10:17 AM (Merged)
Tiny
2011RAV4
  • MEMBER
  • 10 POSTS
Thanks again.

Do you know if the expansion valve on my vehicle can be taken out from the firewall side?

I could not find any videos on my make and model specifically, but some other ones show the bolts to get it off can be accessed from the firewall side while others show having to take if off from inside the car!
Was this
answer
helpful?
Yes
No
Tuesday, April 13th, 2021 AT 10:17 AM (Merged)
Tiny
SCGRANTURISMO
  • MECHANIC
  • 4,897 POSTS
Hello again,

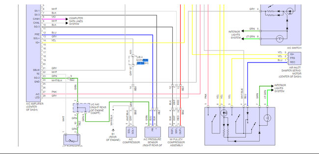
I have provided both the Engine Room R/B diagram and callout but also the Instrument Panel Junction Block diagram and callout for you in the diagrams down below. I have highlighted all of the fuses that have anything to do with your vehicle's A?C system. Please go through them and get back to us with what you are able to find out.

Thanks,
Alex
2CarPros
Was this
answer
helpful?
Yes
No
Tuesday, April 13th, 2021 AT 10:17 AM (Merged)

Please login or register to post a reply.