Sunday, May 28th, 2017 AT 12:12 PM
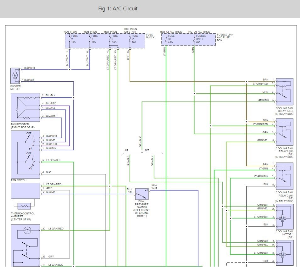
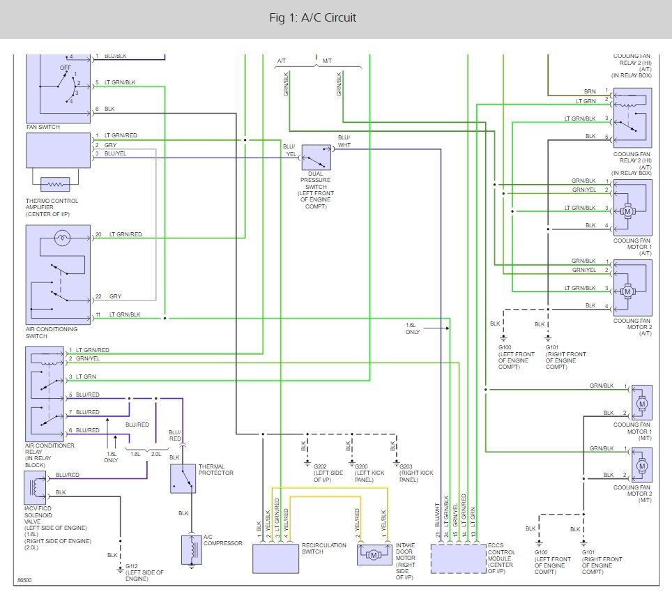
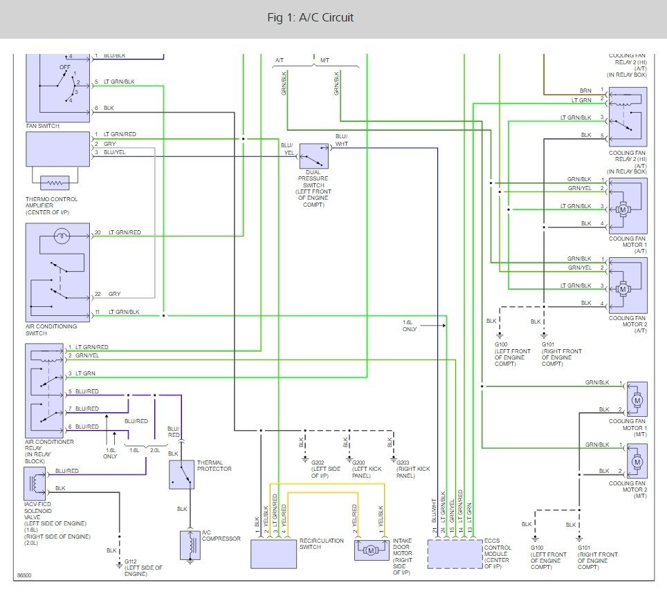
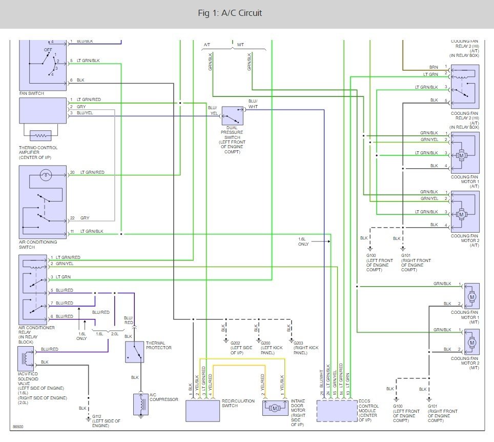
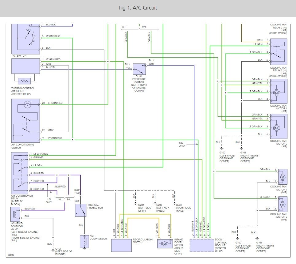
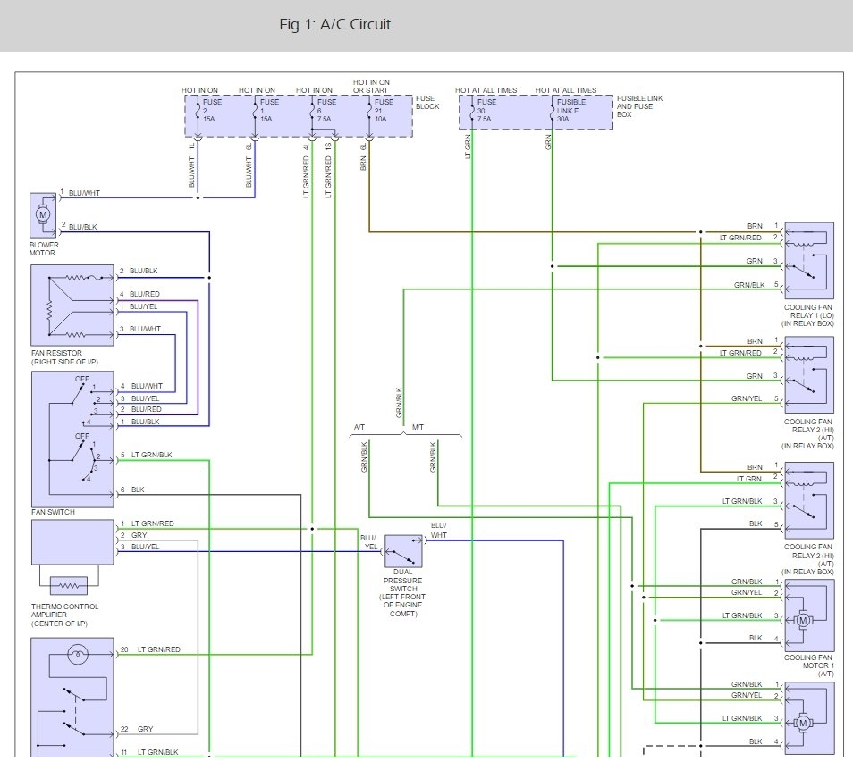
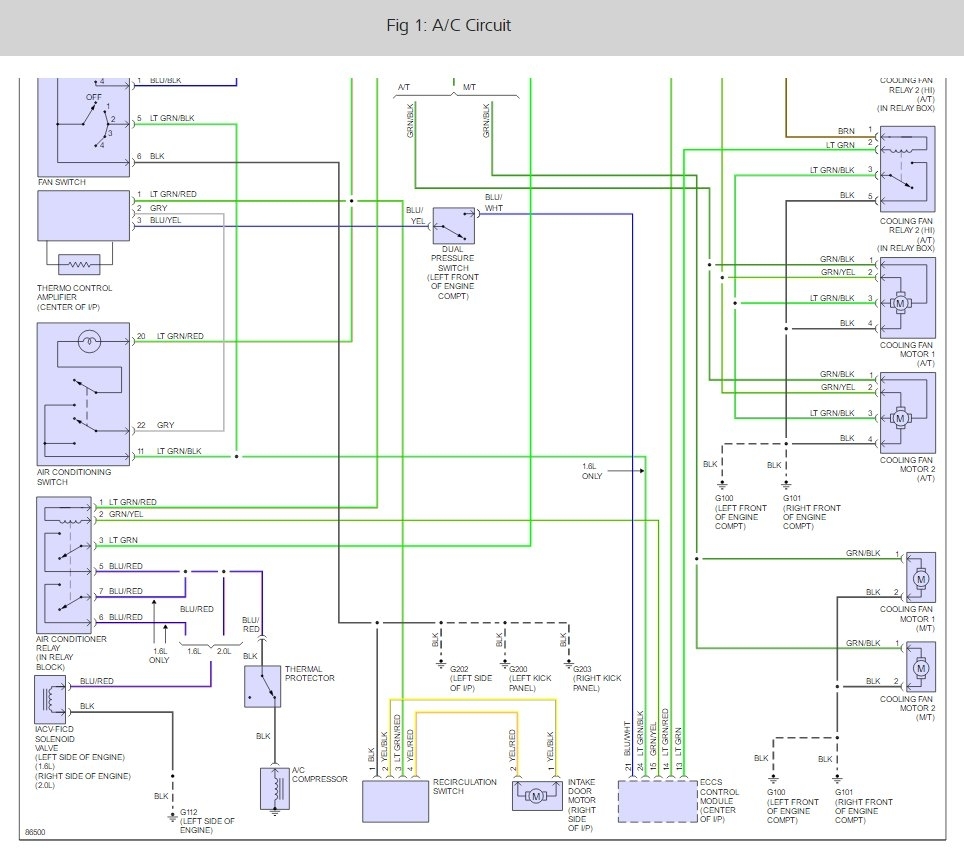
Hi, A/C compressor is not activated when l turn on A/C button. A/C button has three pins and only has power. Relay and all fuses are okay.




