A/C lines freezing up and not blowing air

Tiny
ANGELA.LEAL
  • MEMBER
  • 2004 FORD EXPEDITION
  • 5.4L
  • V8
  • 2WD
  • AUTOMATIC
  • 148,394 MILES
The lines of the A/C under the hood are freezing up at the start of the vehicle and not blowing inside.
Monday, August 3rd, 2020 AT 11:17 AM

3 Replies

Tiny
ASEMASTER6371
  • MECHANIC
  • 52,796 POSTS
Good afternoon,

Do you mean the blower motor is not working at all?

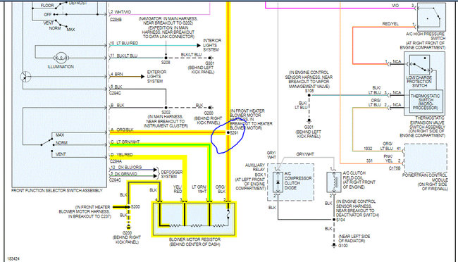
I attached the location for you of the blower motor. We will need to do some voltage checks to determine the failure.

https://www.2carpros.com/articles/how-to-check-a-car-fuse

https://www.2carpros.com/articles/how-to-check-an-electrical-relay-and-wiring-control-circuit

Do you have a test light or voltmeter to do some checks? It could be the motor or the resistor.

https://www.2carpros.com/articles/how-to-check-wiring

Roy

3. Remove the RH scuff plate.

imageOpen In New TabZoom/Print

4. Remove the RH lower A-pillar trim panel.

All vehicles

imageOpen In New TabZoom/Print

5. Position the carpet aside.

imageOpen In New TabZoom/Print

6. Remove the blower motor.
1 Disconnect the electrical connector and position the wire harness aside.
2 Remove the screws.
3 Remove the blower motor.
Was this
answer
helpful?
Yes
No
Monday, August 3rd, 2020 AT 11:51 AM
Tiny
ANGELA.LEAL
  • MEMBER
  • 2 POSTS
It may be the blower motor that is not working, but, the lines that are on top of engine and seen once hood is open are freezing with the start of the vehicle and the control center/panel is also not working at all.
Was this
answer
helpful?
Yes
No
Monday, August 3rd, 2020 AT 12:05 PM
Tiny
ASEMASTER6371
  • MECHANIC
  • 52,796 POSTS
Okay, the lines are icing up from the blower motor not working. If there is no air flow across the evaporator, the lines will freeze.

Let me know when you want to do some voltage checks.

Roy
Was this
answer
helpful?
Yes
No
Monday, August 3rd, 2020 AT 12:21 PM

Please login or register to post a reply.