A/C not blowing cold air?

Tiny
STACEY MORREN
  • MEMBER
  • 2008 HONDA CIVIC
  • 4WD
  • MANUAL
  • 180,000 MILES
Which fuses should I check, because it isn't blowing cold air?
I've already put Freon in it and coolant in the reservoir tank.
Friday, July 23rd, 2021 AT 3:44 PM

1 Reply

Tiny
JACOBANDNICKOLAS
  • MECHANIC
  • 110,192 POSTS
Hi,

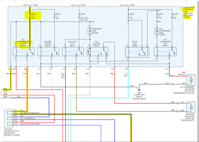
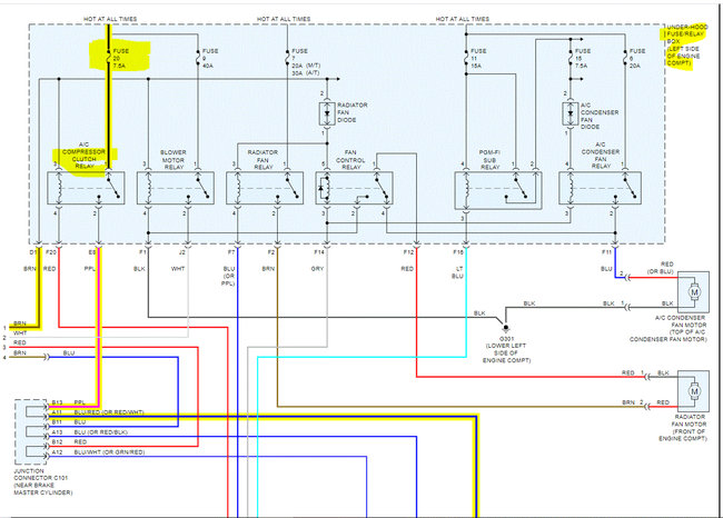
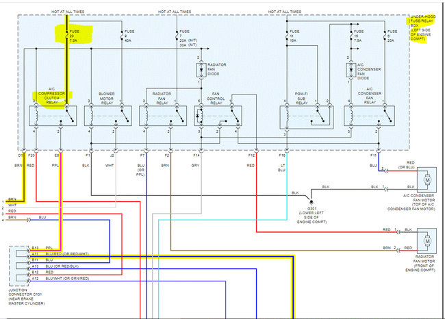
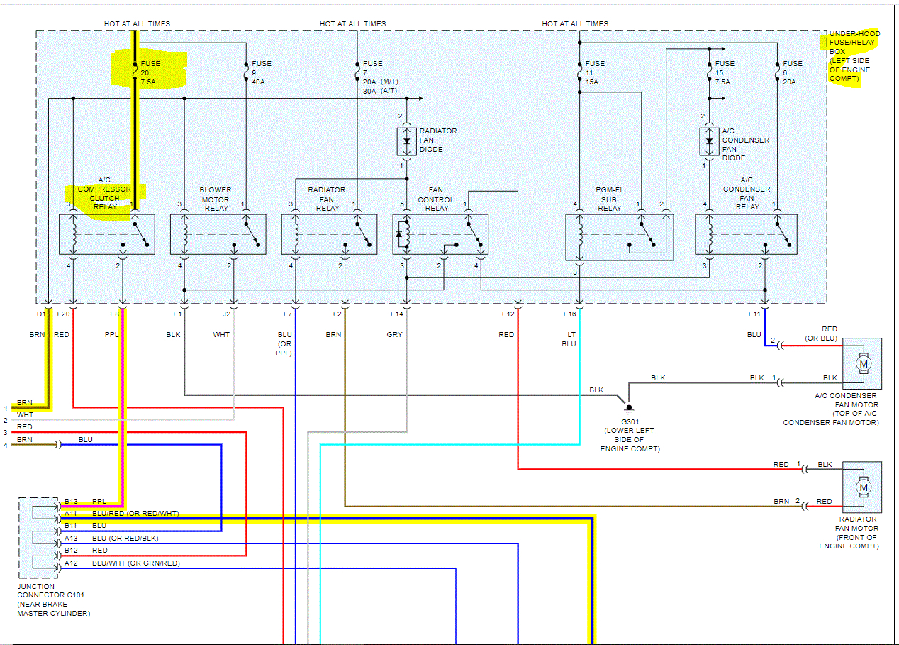
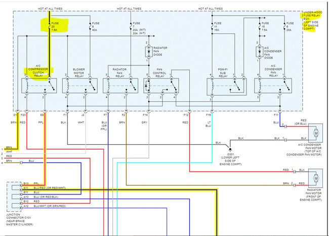
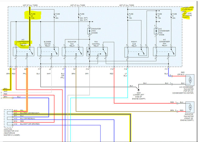
There are a couple of fuses to check and a compressor relay. Take a look at the pics below. I attached the entire wiring schematic for the A/C system. I highlighted the power supply to the compressor, the fuses to check, and the relay.

As far as the relay, if there is a different one in the box having the same part number, switch them. If there isn't, here is a link that explains how to test one:

https://www.2carpros.com/articles/how-to-check-an-electrical-relay-and-wiring-control-circuit

In addition to checking the fuses, make sure there is power to them. Here is a link that you may find helpful:

https://www.2carpros.com/articles/how-to-check-a-car-fuse

One last link. Take a look through this and let me know if anything helps:

https://www.2carpros.com/articles/car-air-conditioner-not-working-or-is-weak

Pic 5 shows the fuse box in the vehicle and pic 6 shows the one under the hood.

Let me know what you find or if you have other questions.

Take care,

Joe

See pics below.
Was this
answer
helpful?
Yes
No
Friday, July 23rd, 2021 AT 11:01 PM

Please login or register to post a reply.