HOME
ASK A QUESTION
REPAIR GUIDES
BECOME A MEMBER
LOG IN
Login with Facebook
OR
Remember me
NOT A MEMBER?
FORGOT PASSWORD?
CONTACT US
PRIVACY POLICY
TERMS AND CONDITIONS
☰
Home
Chevrolet
Avalanche
Brakes
ABS
Wheel Speed Sensor
Replace/Remove
Do you have to replace the wheel bearing hub and the wheel speed sensor together?
MJ56
MEMBER
2011 CHEVROLET AVALANCHE
5.2L
4WD
AUTOMATIC
115,500 MILES
Or can you just replace the wheel speed sensor?
Sunday, November 20th, 2022 AT 5:44 AM
1 Reply
STEVE W.
MECHANIC
15,697 POSTS
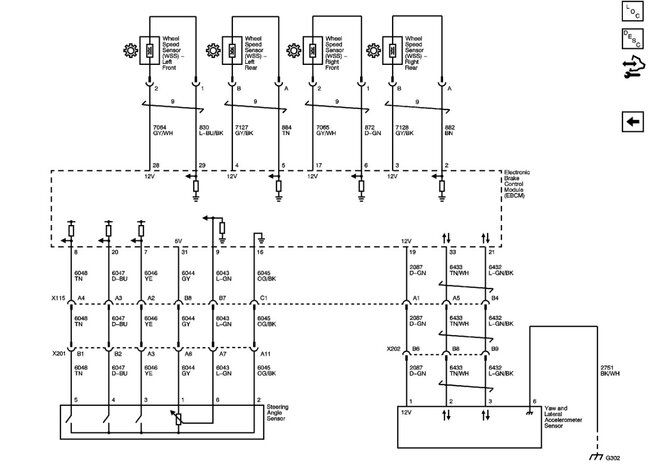
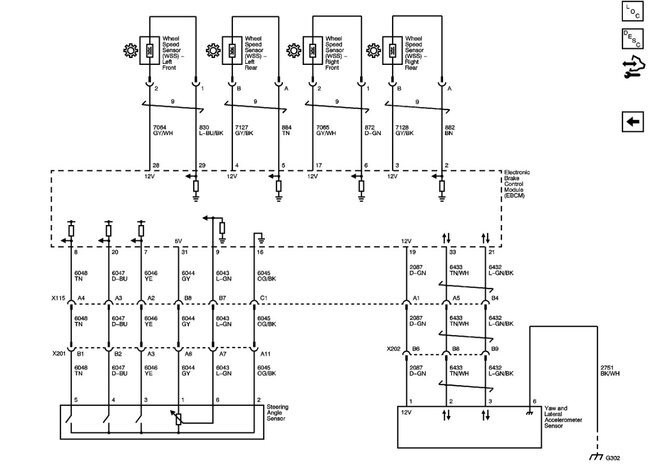
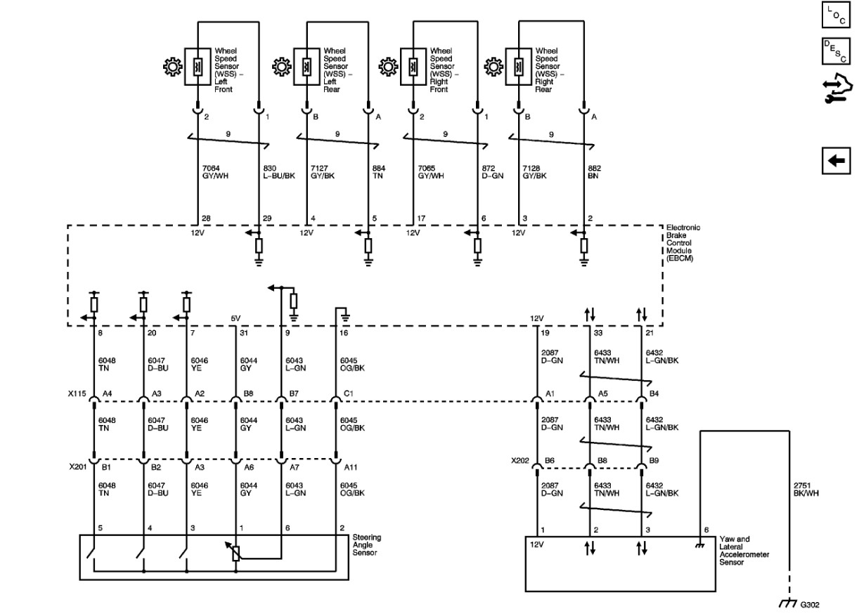
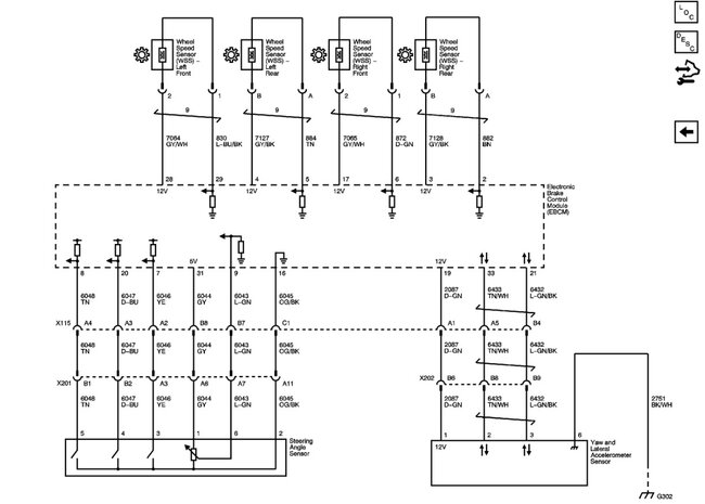
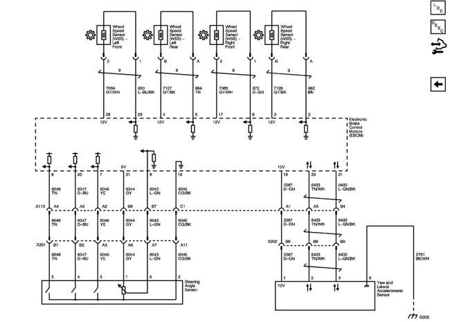
If the hub is in good shape and not making noise you can replace just the speed sensor, however if you live in an area where they salt the roads you may have a very difficult time removing the sensor without breaking it. Also, GM had an issue for a while with the harness between the ABS sensor and the brake control module failing which mimics a bad sensor.
These might help:
https://www.2carpros.com/articles/abs-wheel-speed-sensor-test
https://www.2carpros.com/articles/how-to-replace-an-abs-wheel-speed-sensor
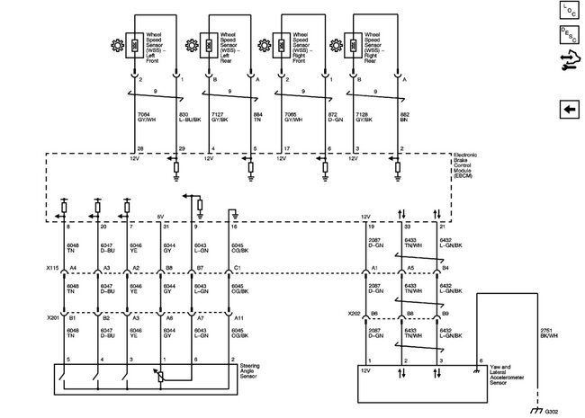
Image (Click to make bigger)
Was this
answer
helpful?
Yes
No
+1
Sunday, November 20th, 2022 AT 6:38 AM
Please
login
or
register
to post a reply.
Related ABS Wheel Speed Sensor Replace/Remove Content
Need A New Front Left Wheel Speeds Sensor?
I'm Sure I Need A New Front Left Wheel Speeds Sensor. What Is Your Advice On How To Proceed? Don
Asked by
dbachman
·
1 ANSWER
11 IMAGES
2005
CHEVROLET AVALANCHE
VIDEO
How to Replace ABS Wheel Speed Sensor Video
Instructional repair video
GUIDE
ABS Traction Control Wheel Speed Sensor Replacement
A wheel speed sensor is designed to provide feedback information to the traction control and ABS computer to help monitor tire rotational speed. This guide will help walk...
Brakes
I Have Replaced Calipers And Lines Less Than A Yr Also Abs Fuse Is Unplugged And Brakes Are Locking Up
Asked by
3watson
·
4 ANSWERS
2006
CHEVROLET AVALANCHE
2002 Chevy Avalanche Do All Chevy Brakes Suck?
The Brakes On My Av. Stink! I Have Even Gone The Extra To Install Drilled And Slotted Rotors. With New Brake Pads, They Are Adequate. Down...
Asked by
ladbak1
·
3 ANSWERS
2002
CHEVROLET AVALANCHE
2002 Chevy Avalanche Replaced Breaks,need Parking...
Actually It Is My Dads Truck. He Bought To Truck Off The Lot When They Came Out. Hardly Ever Drives It. He Had Metal Grinding From His...
Asked by
stawg624
·
1 ANSWER
2002
CHEVROLET AVALANCHE
2002 Chevy Avalanche Rear Brakes?
I Cannot Get The Reaar Disc Brake Rotor Off. Caliper Is Off Bracket Is Off. I Sprayed Penetrating Oil Through Out The Rotor. I Tapped And...
Asked by
cathans
·
3 ANSWERS
2002
CHEVROLET AVALANCHE
VIEW MORE
Ask a Car Question. It's Free!
How to Replace ABS Wheel Speed Sensor Video
ABS and Traction Control Module Replacement
ABS Module Replacement Video