ABS light, traction control and stability all on

Tiny
DADDYCOOP
  • MEMBER
  • 2007 SUZUKI XL7
  • 6 CYL
  • 4WD
  • AUTOMATIC
  • 85,000 MILES
Okay, I really see some smart ones here. Well, I too am a mechanic and really stumped over this. I bought a new Foxwell ob code reader a np64 elite to be exact, well into the test, and the test was only to see how the meter worked. No codes at test time, I plugged in tester, tried to auto VIN, it did not. So went manually, it was going thru diagnostics and then the dash lights as well as the headlights flickered then all went out, the car went out. Nothing, even had to jump it after this, now after starting it back up is when these lights appeared as I said above, never had them before! No the tester said it could not find the computer re-plug in, I did so many times same results! I called or emailed Foxwell, they said "no way this could have happened". The meter is a read only instrument, so I got no where, so now desperate to fix it, I looked into a meter that would do this car and it was now an Autel, so I got it plugged in and same thing, it could not find the computer? So I went in and put car in manually, it started to run test then when about done would abort, and say it didn't have communication to computer, I called them they said "no way it has to work", send us a video, which I did so, they came back few days latter said "oh, this unit does not do your car specific"!
Now I go to a dealership where I have a friend, he has a $5,000.00 reader, it would not communicate with car? Now I take it to a bigger shop which has newest hand held readers, and it to would not communicate, he said oh it's a 2007 too old. So now I go to another friend that has the newest Snap On, he hooks up and no communication, but does a read manually and found 4 codes not ABS related and did erase them. So, yes, he could read that way. Now I today much desperate go get another specific ABS reader a Zurich zr11, it was updated and still no communications. Please help me
Saturday, December 19th, 2020 AT 2:12 PM

21 Replies

Tiny
DADDYCOOP
  • MEMBER
  • 14 POSTS
Also, I unhooked the battery for 4 hours crossed the terminals and turned light switch on 2 run down capacitors and still all 3 alerts.
Was this
answer
helpful?
Yes
No
Sunday, December 20th, 2020 AT 5:36 AM
Tiny
KASEKENNY
  • MECHANIC
  • 18,907 POSTS
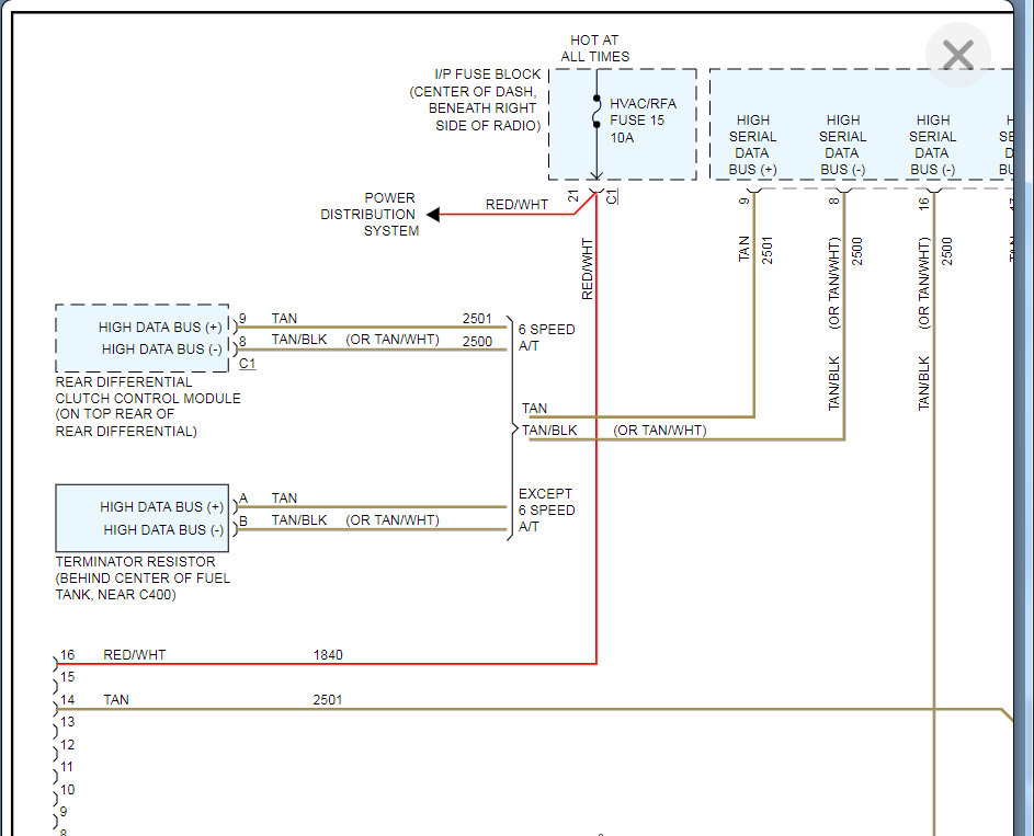
Okay. Couple things. I doubt this is a scan tool issue. With that many tools not communicating with the vehicle, we most likely have a bus issue. You have a hybrid bus on this vehicle meaning you have two types of bus communication. First you have the GMLAN high speed bus that handles most all the communication between the modules. Then you have a CAN bus for the brake control module.

The fact that you cannot communicate with the brake module means either the module has failed, or it is a power, ground, or bus issue.

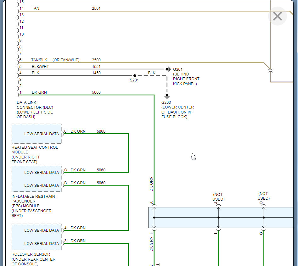
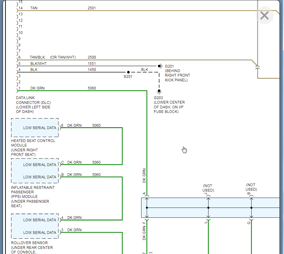
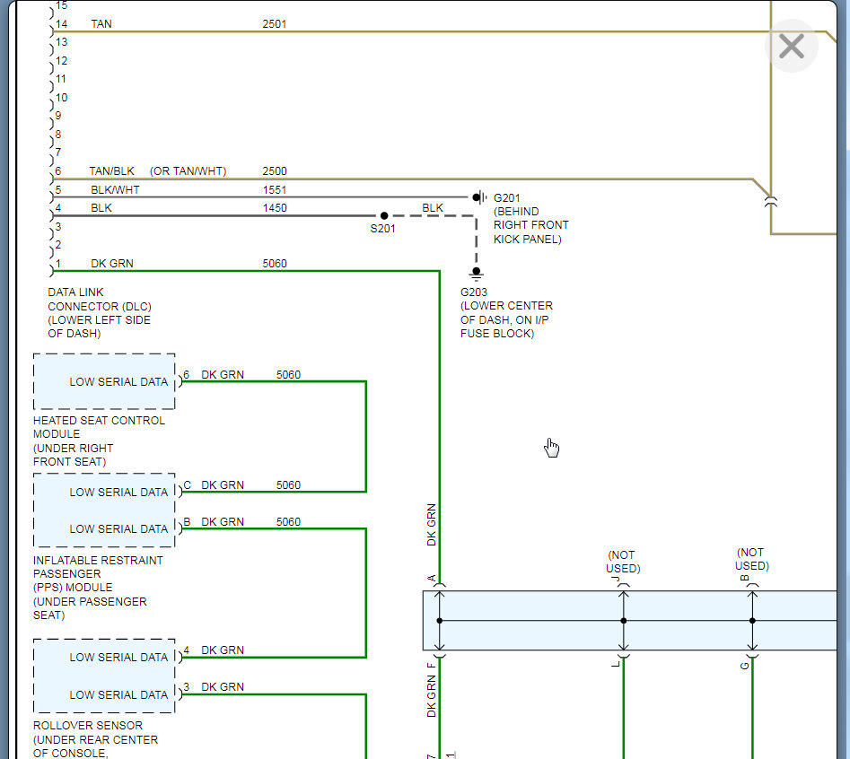
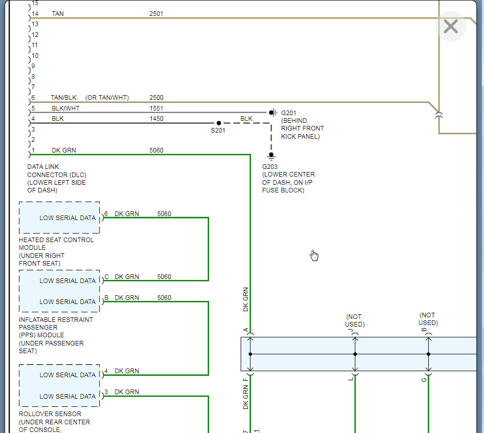
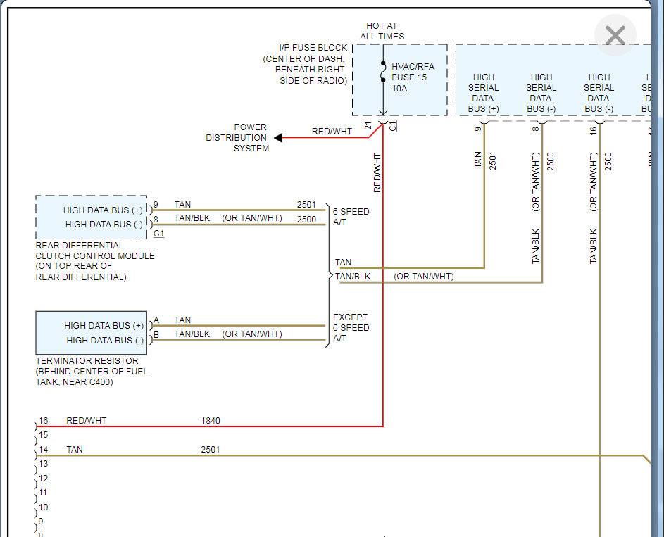
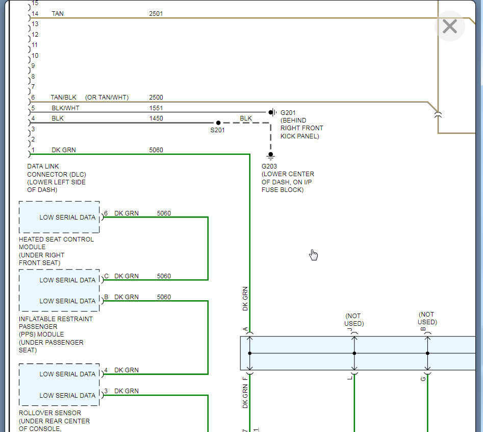
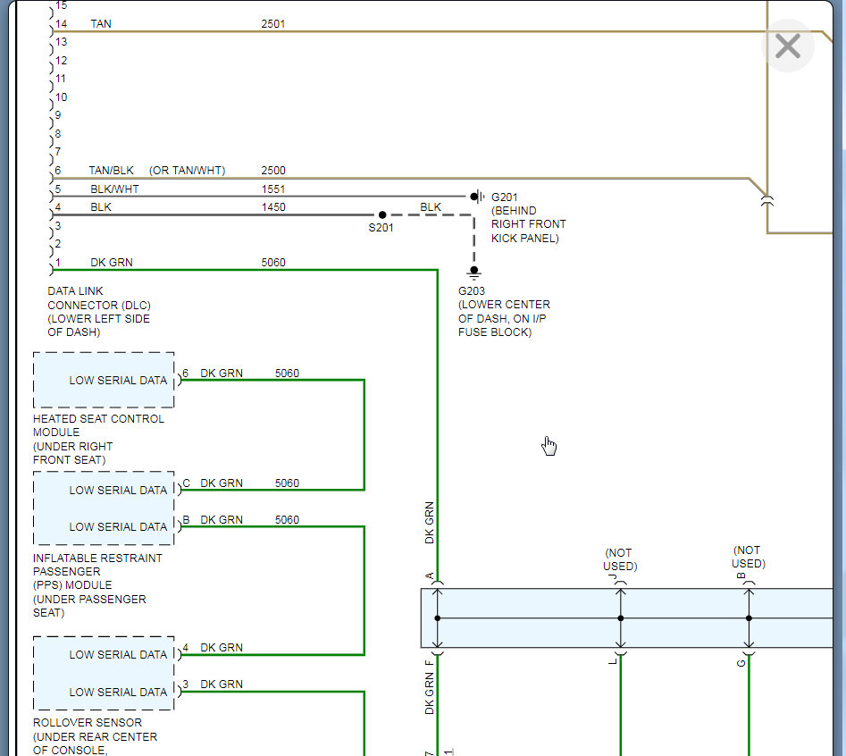
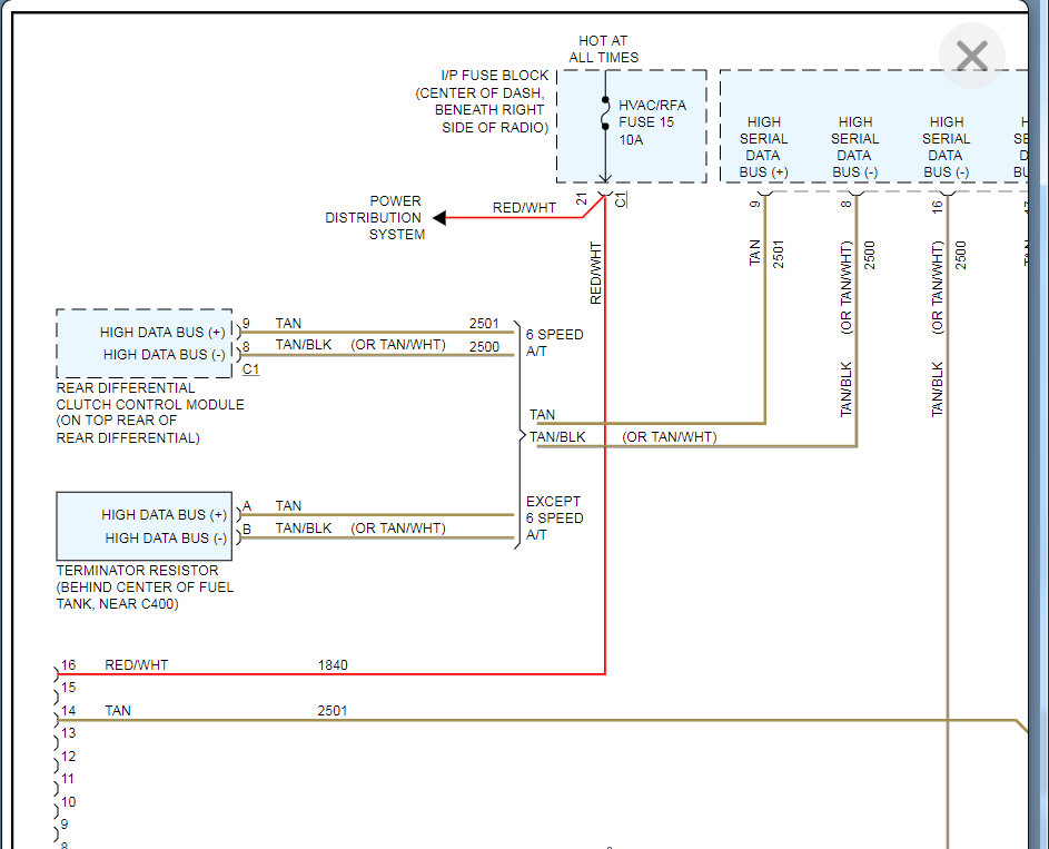
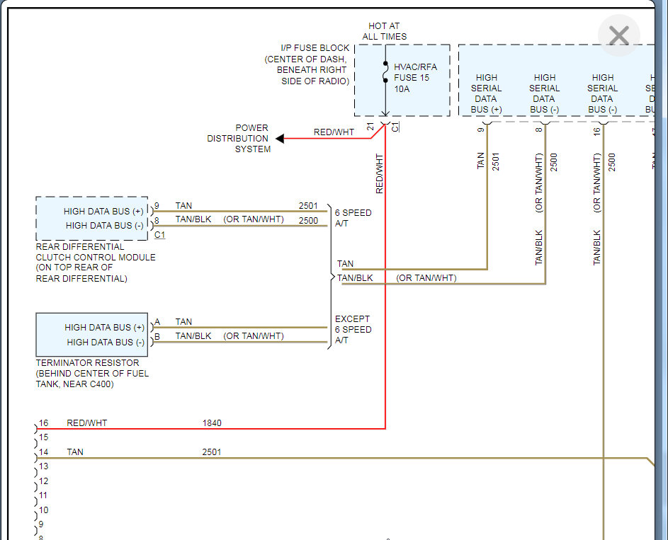
Take a look at the wiring diagrams and let's check voltage on pin 6 and 14 of the DLC. This is the GMLAN data bus wires. With the key on you should have about 2.5 volts on both lines.

If you don't have communication with the BCM then you are not going to be able to pull codes and it is not going to recognize the VIN. So we need to start here and then we are going to have to check termination resistance.

You do this by unhooking the battery and check the resistance across pin 6 and 14 of the DLC.

Here is a guide that covers CAN networks in a little more detail:

https://www.2carpros.com/articles/can-scan-controller-area-network-easy

Let me know the voltage and and resistance of this and we can go from there. Thanks
Was this
answer
helpful?
Yes
No
Sunday, December 20th, 2020 AT 7:13 PM
Tiny
DADDYCOOP
  • MEMBER
  • 14 POSTS
See all the diagrams or schematics, where exactly do you want these values? Tell me exactly and I will get them today for you. Thanks for trying to help me.
Was this
answer
helpful?
Yes
No
Monday, December 21st, 2020 AT 7:01 AM
Tiny
DADDYCOOP
  • MEMBER
  • 14 POSTS
Now I see your story let me get back to you.
Was this
answer
helpful?
Yes
No
Monday, December 21st, 2020 AT 7:04 AM
Tiny
DADDYCOOP
  • MEMBER
  • 14 POSTS
Wow, you amaze me with your intelligence. That's great thank you for helping. I will get these values in next hour or so for you.
Was this
answer
helpful?
Yes
No
Monday, December 21st, 2020 AT 7:10 AM
Tiny
DADDYCOOP
  • MEMBER
  • 14 POSTS
Okay Kenny, here is what I got between 6 and 14 terminals.385 volts and even did each pin to ground and got nothing. That reading was directly between the two pins of.385 vdc, and with battery both terminals off I got 58 ohms between pin 6 and 14 of the dlc.
Thanks a million.
Was this
answer
helpful?
Yes
No
+1
Monday, December 21st, 2020 AT 8:19 AM
Tiny
KASEKENNY
  • MECHANIC
  • 18,907 POSTS
Okay. The voltage to both pins 6 and 14 and when you checked them to ground was 0 volts?

Meaning you put one lead on 6 and the other on ground and then 14 and ground and it was 0?

If this is the case, let's go to pin 16 and check for power. Meaning put one lead of the meter on 16 and the other on ground. You should have 12 volts. See the diagram below and we can go from there. Thanks
Was this
answer
helpful?
Yes
No
Monday, December 21st, 2020 AT 6:57 PM
Tiny
DADDYCOOP
  • MEMBER
  • 14 POSTS
Darn it Kenny, now laying in bed I think I did it wrong, i'll do it right tomorrow morning and then let you know. Right this time. I'm sorry, i'm better than that.
Was this
answer
helpful?
Yes
No
Monday, December 21st, 2020 AT 10:50 PM
Tiny
KASEKENNY
  • MECHANIC
  • 18,907 POSTS
Haha. Electrical is the hardest thing to do on these so don't beat yourself up. I have woke up many times realizing what I did wrong so you are not alone.

Just let us know what you find and we can go from there. Thanks
Was this
answer
helpful?
Yes
No
Tuesday, December 22nd, 2020 AT 6:48 PM
Tiny
DADDYCOOP
  • MEMBER
  • 14 POSTS
Hurt my leg, give me a couple of day. Merry Christmas.
Was this
answer
helpful?
Yes
No
Thursday, December 24th, 2020 AT 9:22 AM
Tiny
KASEKENNY
  • MECHANIC
  • 18,907 POSTS
Merry Christmas. We are here whenever you need us. Thanks for the update.
Was this
answer
helpful?
Yes
No
Thursday, December 24th, 2020 AT 12:36 PM
Tiny
DADDYCOOP
  • MEMBER
  • 14 POSTS
Should be today my friend.
Was this
answer
helpful?
Yes
No
Monday, December 28th, 2020 AT 6:22 AM
Tiny
DADDYCOOP
  • MEMBER
  • 14 POSTS
I got the readings now:

#6 to ground 2.4 volts
#14 to ground 2.1 volts
#16 to ground 11.6 volts
Was this
answer
helpful?
Yes
No
Monday, December 28th, 2020 AT 8:05 AM
Tiny
DADDYCOOP
  • MEMBER
  • 14 POSTS
Hello Kenny, waiting on you. I need to get this darn vehicle read like last week?
Was this
answer
helpful?
Yes
No
Thursday, December 31st, 2020 AT 3:14 PM
Tiny
KASEKENNY
  • MECHANIC
  • 18,907 POSTS
Okay. Those are good readings and would not cause the tool to not communicate. This proves it is not the tool. Which means it is most likely the module. However, in reading back through this can you take me through what was happening before the dash went out? Was the vehicle working properly before this happened and you were just trying your new tool or was there an issue to cause this?
Was this
answer
helpful?
Yes
No
Friday, January 1st, 2021 AT 8:54 AM
Tiny
DADDYCOOP
  • MEMBER
  • 14 POSTS
Kenny, I use 1 cheap code reader it will read, but I use the new autel or the new foxwell, or a new snap on x 3 we tried, none will communicate with the car at all.
To take you back to the original foxwell scanner read.
I got in plugged in reader to connector, turned key on and yes it has power and lit up meter, in fact all meters will light up, then I turned key on to the furthest point, tried to hit VIN recognize, nothing so I tried manual, did not see the exact Suzuki in there so hit the closet one, hit read it started reading going thru the different systems then right about 80% done the cars dash flickered a few times and the meter got to about the end then came up no communication. So I unplugged it, tried to start car and nothing it was dead, no clicks nothing, so I put charger on, only a few minutes and bam it started, well for that scenario I did have a bad battery, cell wise, got new battery tried again, kept saying cannot communicate, so put on autel, and it is made for this car, same thing, can't establish a communication check connections! So now I took to buddies huge dealership which he hooked up a brand new snap on, it said no communication, and he said we can't read, so I got another buddy that has a new hand help $5,000.00 Snap On, he hooked up, it did light up, and again no communication for his either, he tried even doing abs alone and nothing would read, but kicker is I put on a real cheap unit older one it would read codes but it was a small unit and had no ABS, so I went out and bought another brand new reader that said will read all cars ABS and reset all cars ABS, put it on, and it do would not establish a communication, it looked but could not find the proper protocol meaning could not hook up to whatever brand of computer I have, which for this car I am clueless of that type. I see many like iso 9141-2 kwp slow kwp fast and so on, could it be I have a computer that these readers dont list and can't communicate with? I tries all these readers on other cars they all work and I have updated each of them as current as can be. In your park now?
Was this
answer
helpful?
Yes
No
Friday, January 1st, 2021 AT 10:48 AM
Tiny
KASEKENNY
  • MECHANIC
  • 18,907 POSTS
Okay. That helps. Was the vehicle running fine with no issue when you were scanning it the first time or was it doing the same thing as it is now which is why you were scanning it and you just discovered it would not connect? In other words, I am trying to see if something happened to cause it to not start during that first scan or it was already doing that.
Was this
answer
helpful?
Yes
No
Friday, January 1st, 2021 AT 6:00 PM
Tiny
DADDYCOOP
  • MEMBER
  • 14 POSTS
There may have only been a light on for excessive emissions leak, that's it and I was having issues only with that, then after and only after I hooked up the foxwell. It did as said and then gave me the ABS and traction control, and all wheel drive, the battery was defective the first test, and I think the headlights stayed on during the test, and it shut off, I think for that reason but not sure. After getting a new battery starting was never an issue again. Just the no communications.
Was this
answer
helpful?
Yes
No
Friday, January 1st, 2021 AT 8:52 PM
Tiny
KASEKENNY
  • MECHANIC
  • 18,907 POSTS
Okay. So currently the vehicle is acting like it was prior to scanning it?

If that is the case then this issue was there prior to you scanning it. Which means you have a decision to make. If the vehicle is operating and driving then you can replace the module as that is most likely the issue as it is not responding to the scan tools. Or you can just leave be until there is an issue that would require its replacement.

If it were me, I would not mess with it if the vehicle is operating. The failure to communicate with the scan tool is not uncommon but there are communication circuits in the control module that will receive and respond to the scan tool. If the wiring is intact and the module has power and ground (which it does or it wouldn't work) then the module is the issue. Again, as long as the vehicle is operating I would not worry about this until it is necessary.
Was this
answer
helpful?
Yes
No
Saturday, January 2nd, 2021 AT 5:18 PM
Tiny
DADDYCOOP
  • MEMBER
  • 14 POSTS
The biggest problem is it snows here and she does not have All Wheel Drive. Now, they say since ABS light is on, and when you refer to module you are saying the computer, I would get another one but don't know how or where to program it since no Suzuki shops anywhere around now.
Was this
answer
helpful?
Yes
No
Sunday, January 3rd, 2021 AT 5:51 AM

Please login or register to post a reply.