A/C Wiring Diagram needed?

Tiny
JOHNSTRAWSER
  • MEMBER
  • 2007 DODGE TRUCK
  • 3.7L
  • V6
  • 2WD
  • AUTOMATIC
  • 177,000 MILES
The button that turns on the A/C is not working neither is the nob that controls where the air goes. A wiring diagram would help.
Thursday, August 24th, 2023 AT 4:21 PM

1 Reply

Tiny
JACOBANDNICKOLAS
  • MECHANIC
  • 110,194 POSTS
Hi,

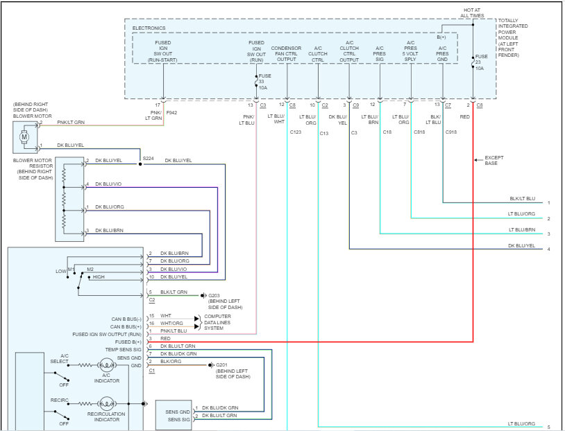
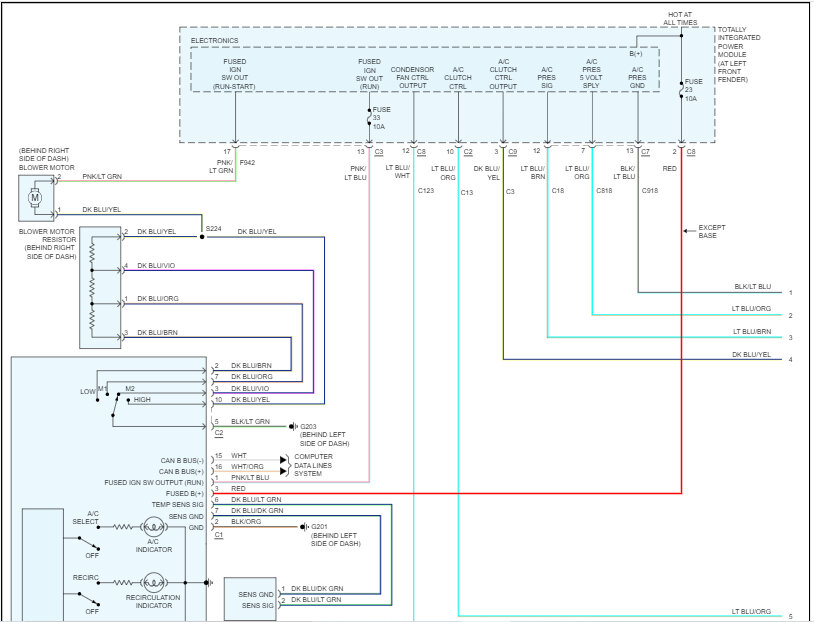
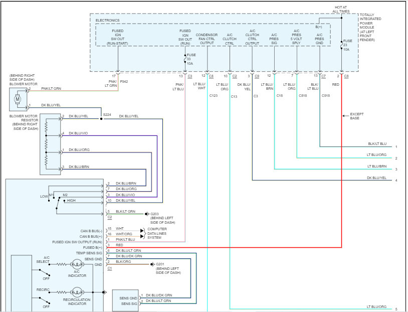
I attached the wiring schematic for the entire HVAC system. I'm assuming this is a full-size truck but need confirmation. They used the same engine in the Dakota.

Let me know. Also, the schematic below is two pages. I had to cut each one in half to make them readable for you. I did overlap them so you can follow from one to the next.

Here is a link you may find helpful:

https://www.2carpros.com/articles/how-to-check-wiring

Let me know if this helps and if I got the correct model.

Take care,

Joe

See pics below.

Was this
answer
helpful?
Yes
No
+3
Thursday, August 24th, 2023 AT 9:02 PM

Please login or register to post a reply.