A/C not blowing air

Tiny
BLAKE KING
  • MEMBER
  • 2005 CHEVROLET TAHOE
  • 5.3L
  • V8
  • 4WD
  • AUTOMATIC
  • 250,000 MILES
Hello, I have been struggling finding the issue with my AC System that is causing the A/C to no longer blow. I have already replaced the parts as follows: HVAC Control Module, Blower Motor Resistor (Automatic Controls), and Blower Motor. None of these have remedied the issue. I am led to believe that there is a possible grounding issue, as there once was an intermittent time that the AC Stopped working previous, but it came back on shortly after. Since the initial issue, I have only had my AC come back maybe 3 times in the last 6 months. Each time will last for minutes before turning back off. When it does come on however, it doesn't seem to register different speeds/variables.
Saturday, June 4th, 2022 AT 1:36 PM

1 Reply

Tiny
STEVE W.
  • MECHANIC
  • 15,697 POSTS
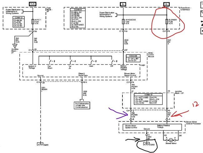
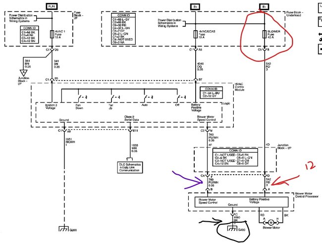
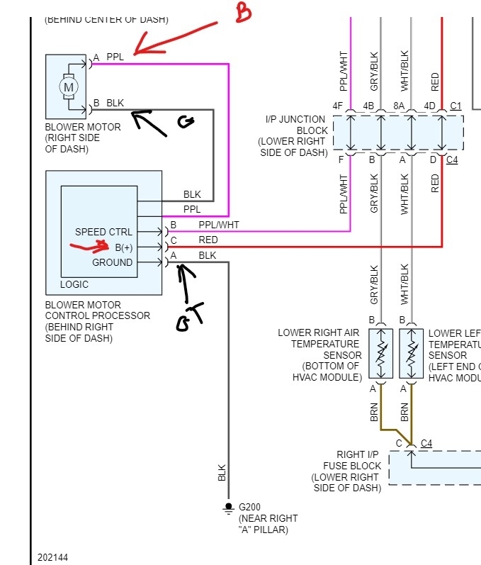
Well, as you have replaced a few parts how about we try testing the connections to see if we can locate the problem? The way the system works on the automatic version is to use a pulsed signal to the speed control processor and it basically turns the power on and off to the blower to control the blower speed. So first let's verify that the blower motor works, there will be a connector for the motor itself with two wires either red and black or purple and black. The black is ground the other is battery positive. If you run a pair of jumper wires to those pins on the motor from the battery the motor should blow at full speed. Next step is to take a test light, connect it to the positive lead you have and test the blower speed control ground, unplug the wire into the speed controller module and find the black wire in the connector. Touch the test light to it, if the ground is okay, the light should come on. Next connect the test light to the ground you brought in to test the blower motor. Touch it to the red wire in the speed control connector, it should light up if the power feed is good.
If both of those check out then you need to test the actual speed controller, as you have already replaced it, I doubt it's the issue, more likely is a bad connection in the splice pack or a bad ground. The ground connects through that black wire to a screw at the bottom of the door pillar in the passengers footwell, they tend to corrode. To repair it is simple, crimp a new ring terminal on and relocate the ground a bit higher up, be sure it contacts bare steel and dab over it with some dielectric grease once connected and tested.
Was this
answer
helpful?
Yes
No
Saturday, June 4th, 2022 AT 4:54 PM

Please login or register to post a reply.