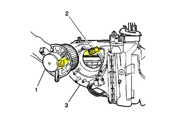
Sunday, October 6th, 2019 AT 11:27 AM
While on my A/C control it shows that it is on and it starts blowing cold air again after a while, and it is a constant on and off. Keep in mind my climate control never turns off when the A/C stops.

