A/C relay location needed

Tiny
JWF8601
  • MEMBER
  • 2011 NISSAN MURANO
  • 3.5L
  • 6 CYL
  • 114,000 MILES
Looking for the location of the A/C relay.
Monday, June 18th, 2018 AT 5:58 AM

20 Replies

Tiny
KHLOW2008
  • MECHANIC
  • 41,814 POSTS
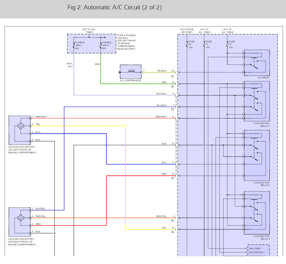
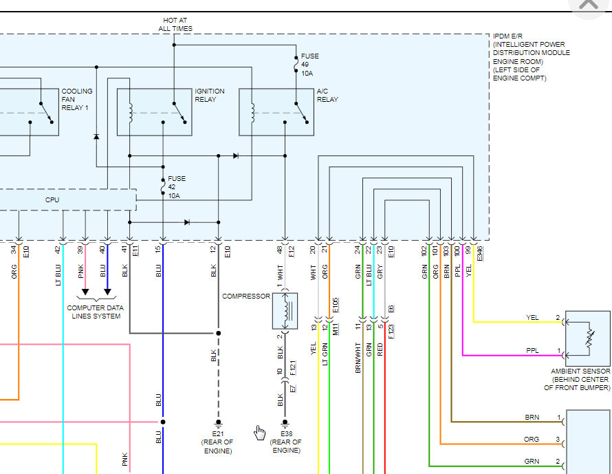
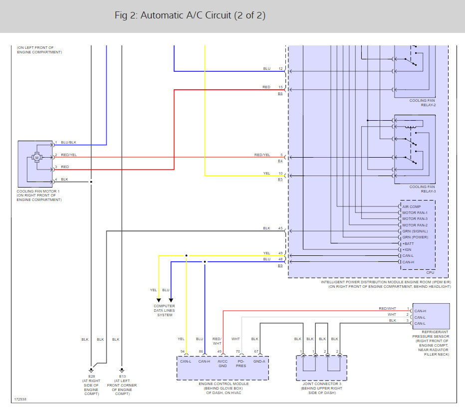
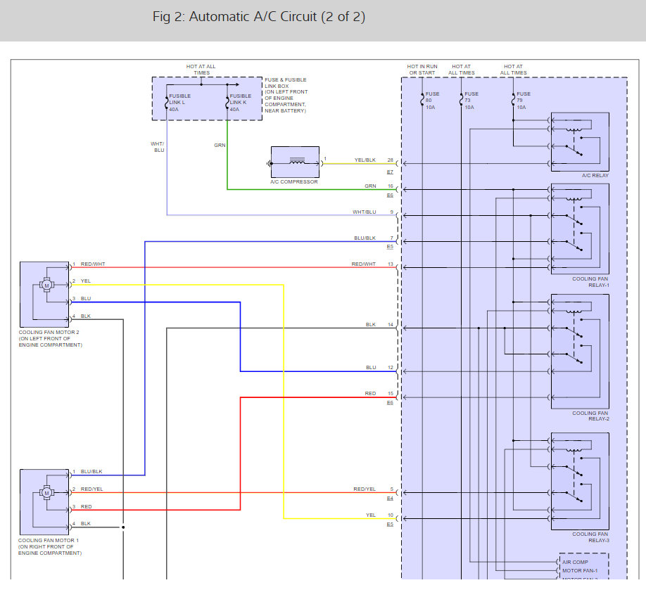
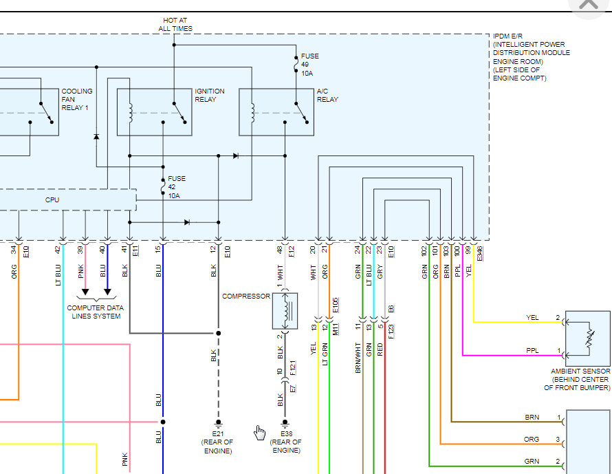
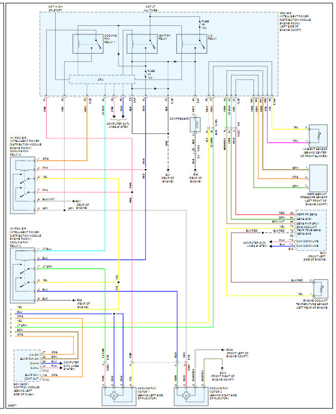
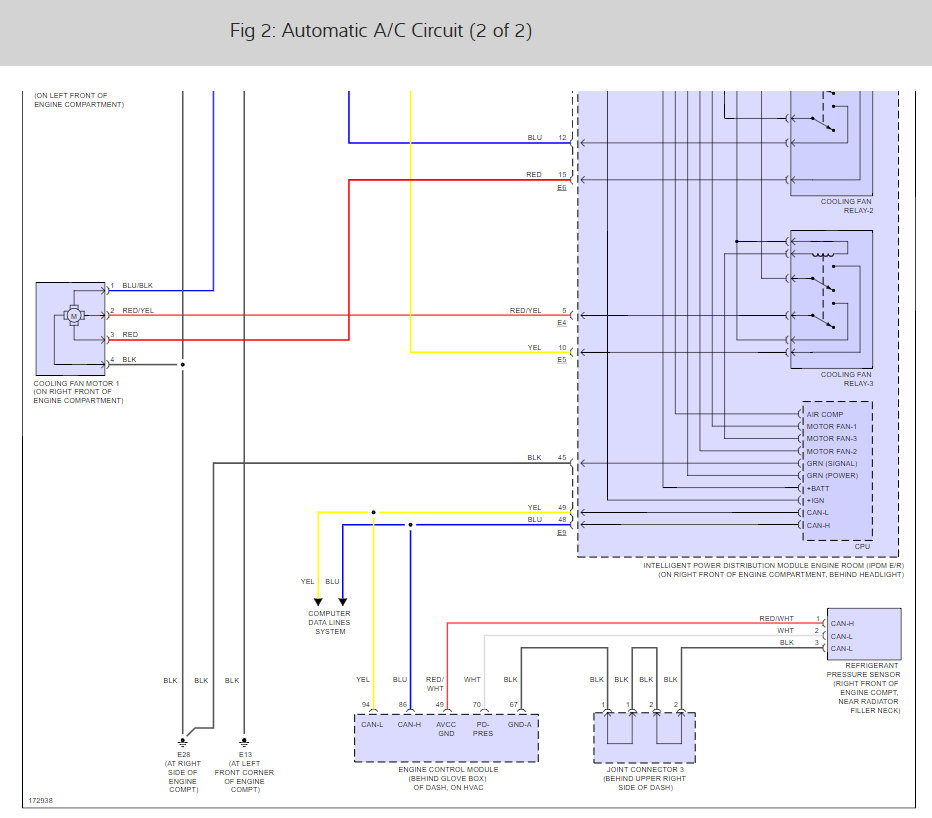
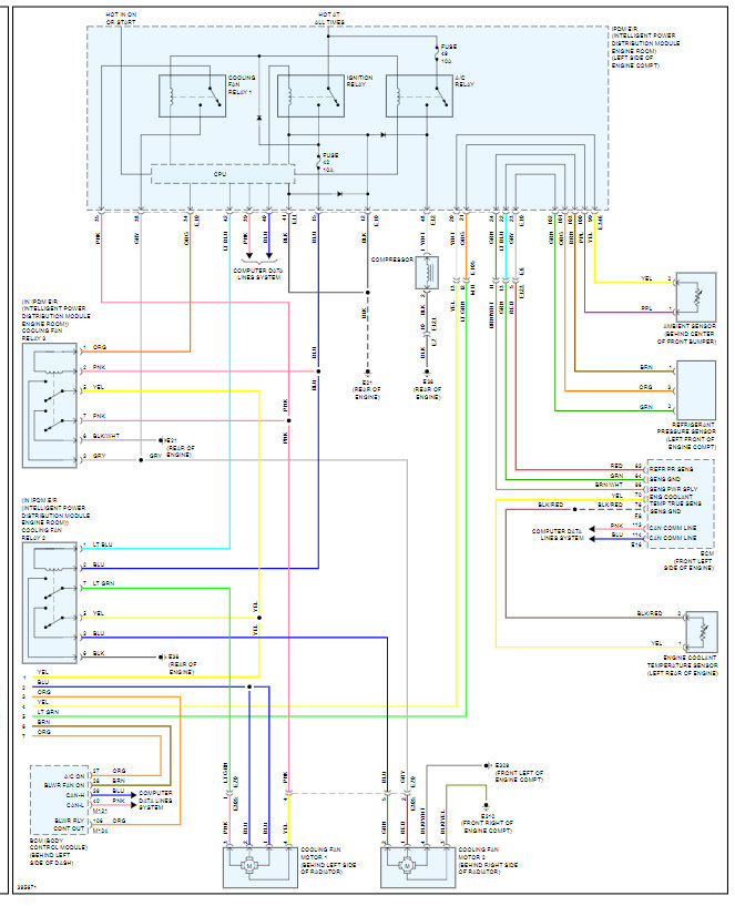
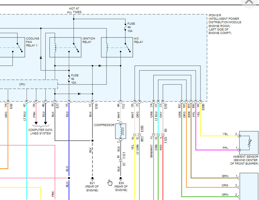
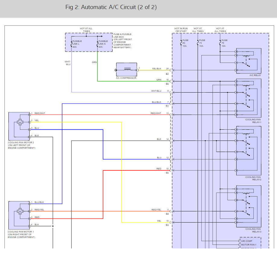
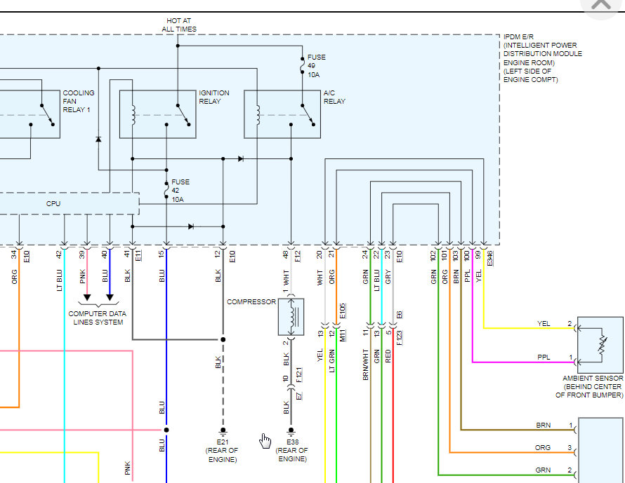
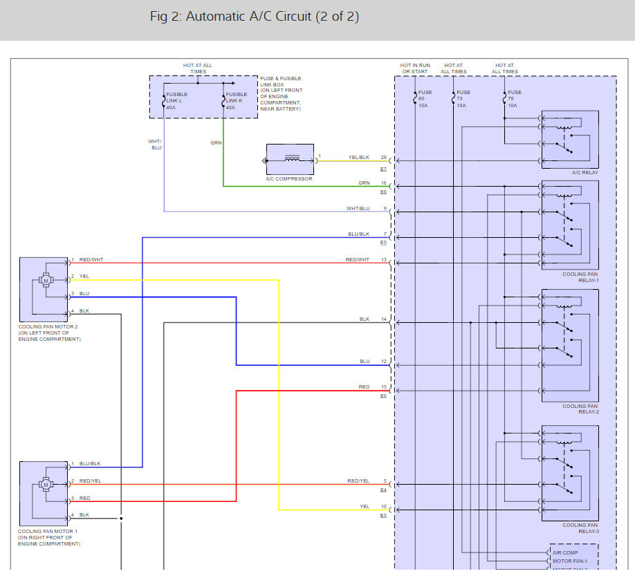
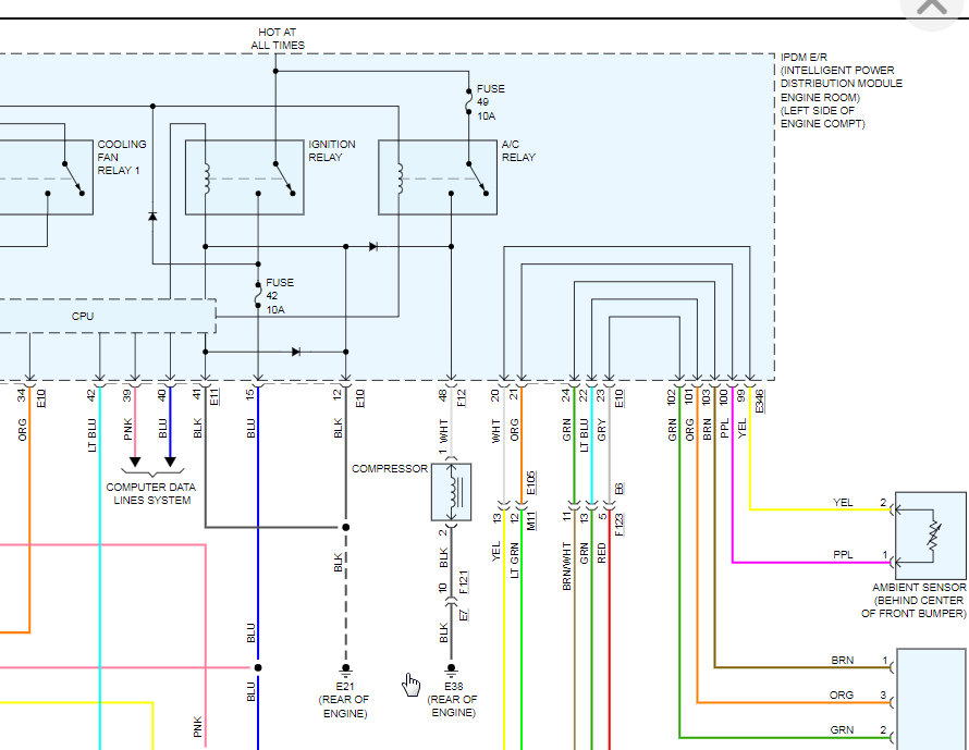
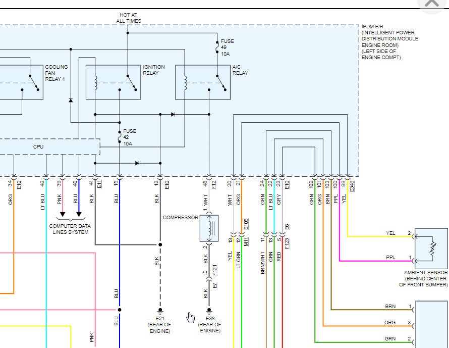
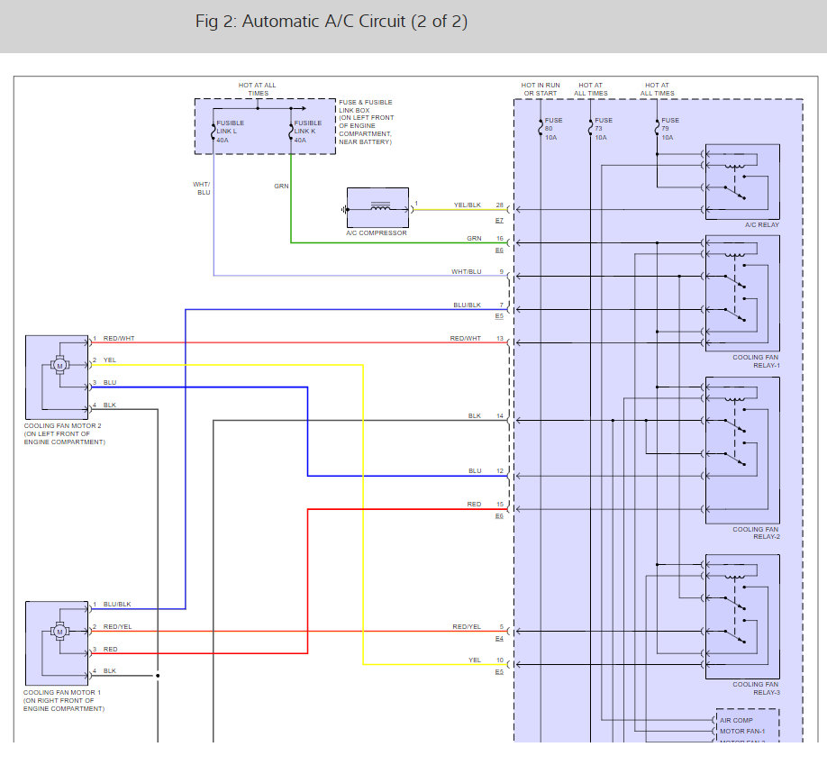
The A/C compressor relay is located inside the IPDM and is not serviceable you will need to replace the unit. Check out the diagrams (Below). Please let us know if you need anything else to get the problem fixed.
Was this
answer
helpful?
Yes
No
+6
Monday, June 18th, 2018 AT 7:01 AM
Tiny
DAOK68
  • MEMBER
  • 2 POSTS
  • 2009 NISSAN MURANO
  • 3.5L
  • 6 CYL
  • 4WD
  • AUTOMATIC
  • 120,000 MILES
Where is the air condition relay located?
Was this
answer
helpful?
Yes
No
+7
Tuesday, July 28th, 2020 AT 6:11 PM (Merged)
Tiny
DANNY L
  • MECHANIC
  • 5,648 POSTS
Hello, I am Danny.

It is located under hood in the IPDM (Intelligent Power Distribution Module). I have attached a picture and circled it in red. Hope this helps and feel free to ask any further if needed. Thanks for using 2CarPros.
Danny-
Was this
answer
helpful?
Yes
No
+13
Tuesday, July 28th, 2020 AT 6:11 PM (Merged)
Tiny
DAOK68
  • MEMBER
  • 2 POSTS
Hi Danny, you give an answer but I want to know number of relay or any sign to say that is the AC relay. In the box it does not say AC relay. I want to know what the color of air condition murano 2009 relay location Thanks
Was this
answer
helpful?
Yes
No
+4
Tuesday, July 28th, 2020 AT 6:12 PM (Merged)
Tiny
KEN L
  • MASTER CERTIFIED MECHANIC
  • 55,322 POSTS
You may not find the AC relay because it is integrated into the IPDM. I would take it apart to see what I can find. Here is the wiring diagrams so you can tell which relay is what:

https://www.2carpros.com/articles/how-to-check-an-electrical-relay-and-wiring-control-circuit

Check out the diagrams (below). Please let us know what you find.
Was this
answer
helpful?
Yes
No
+3
Tuesday, July 28th, 2020 AT 6:12 PM (Merged)
Tiny
DAOK68
  • MEMBER
  • 2 POSTS
You think AC no relay on my vehicle? Can you mark color on diagrams what color for AC?
Was this
answer
helpful?
Yes
No
+2
Tuesday, July 28th, 2020 AT 6:12 PM (Merged)
Tiny
KEN L
  • MASTER CERTIFIED MECHANIC
  • 55,322 POSTS
There is a relay but it is in the IPDM which they replace as a unit. But I have heard of people digging into the unit and replacing the relay separately.

Check fuses 49 and 42.

Use the wiring diagrams to figure out the color wiring going to it.
Was this
answer
helpful?
Yes
No
+2
Tuesday, July 28th, 2020 AT 6:12 PM (Merged)
Tiny
DAOK68
  • MEMBER
  • 2 POSTS
I cannot find fuse 49 and 42. It does not say anything about number.
Was this
answer
helpful?
Yes
No
-2
Tuesday, July 28th, 2020 AT 6:12 PM (Merged)
Tiny
KEN L
  • MASTER CERTIFIED MECHANIC
  • 55,322 POSTS
Got you covered. Here are the fuse panel identification and a guide to help you test them:

https://www.2carpros.com/articles/how-to-check-a-car-fuse

Check out the diagrams (below). Please let us know what you find.
Was this
answer
helpful?
Yes
No
+4
Tuesday, July 28th, 2020 AT 6:12 PM (Merged)
Tiny
THOMAS WOODRUFF SR.
  • MEMBER
  • 2 POSTS
  • 2005 NISSAN MURANO
  • 3.5L
  • 6 CYL
  • AUTOMATIC
  • 213,000 MILES
Trying to find the relay so I can force the compressor on to charge the system. I cannot for the life of me find it. Thanks for any and all help.
Was this
answer
helpful?
Yes
No
+2
Tuesday, July 28th, 2020 AT 6:12 PM (Merged)
Tiny
ASEMASTER6371
  • MECHANIC
  • 52,796 POSTS
Good evening.

There is no clutch relay for you to access. It is part of the TIPM.

Note: The compressor relay or A/C relay is located in the IPDM (intelligent power distribution module) and is not serviceable.

What is the issue with your AC system?

Roy
Was this
answer
helpful?
Yes
No
-1
Tuesday, July 28th, 2020 AT 6:12 PM (Merged)
Tiny
THOMAS WOODRUFF SR.
  • MEMBER
  • 2 POSTS
I got it. The plug came loose on the clutch. Thanks.
Was this
answer
helpful?
Yes
No
Tuesday, July 28th, 2020 AT 6:12 PM (Merged)
Tiny
ASEMASTER6371
  • MECHANIC
  • 52,796 POSTS
You are welcome.

Glad you found the issue.

Roy
Was this
answer
helpful?
Yes
No
+1
Tuesday, July 28th, 2020 AT 6:12 PM (Merged)
Tiny
2CP-ARCHIVES
  • MEMBER
  • 4,540 POSTS
  • 2003 NISSAN MURANO
  • 160,000 MILES
Where is the a/c control relay located
Was this
answer
helpful?
Yes
No
+1
Tuesday, July 28th, 2020 AT 6:12 PM (Merged)
Tiny
KEN L
  • MASTER CERTIFIED MECHANIC
  • 55,322 POSTS
Hello,

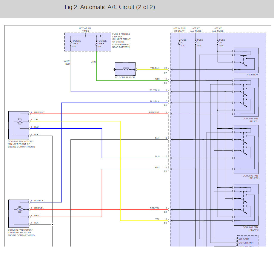
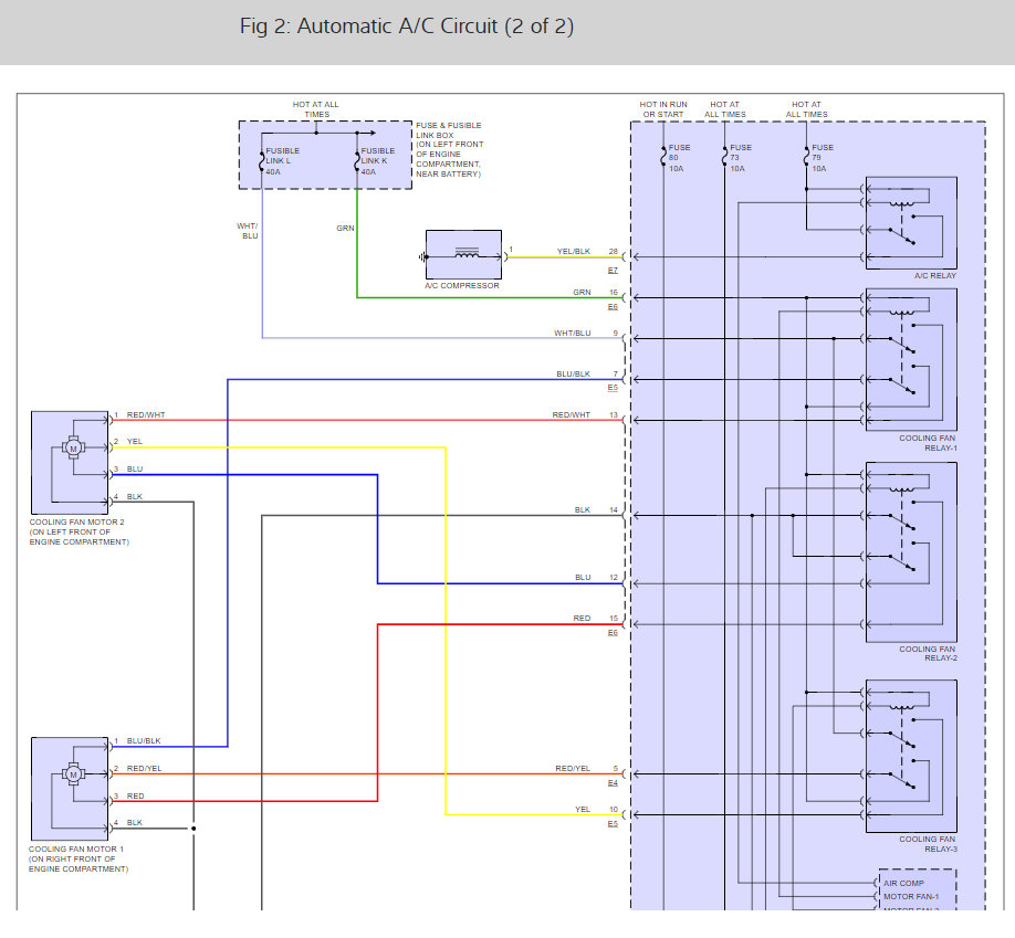
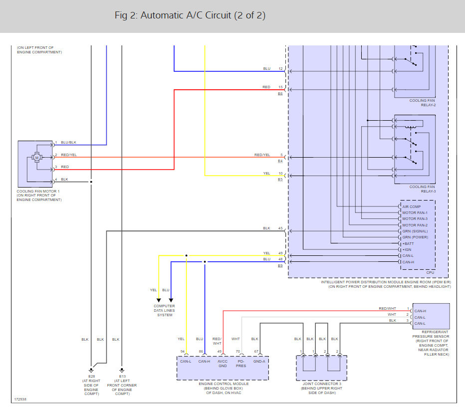
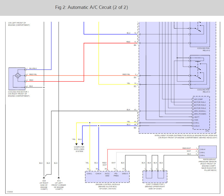
The system uses a relay for the A/C system which is under hood in the Power Distribution Module Engine Room (IPDM E/R) at right of engine compartment, behind the headlight.

Here are some diagrams (below) that show the location and here is a guide that will help you test the relay:

https://www.2carpros.com/articles/how-to-check-an-electrical-relay-and-wiring-control-circuit

Please run this test and get back to us so we can continue helping you. Here are the HVAC system wiring diagrams because there are several fuses that run the systems as well:

https://www.2carpros.com/articles/how-to-check-a-car-fuse

Check out the diagrams (below)

Please let us know what happens.

Cheers, Ken

(if you give this post a down vote please say why)
Was this
answer
helpful?
Yes
No
+17
Tuesday, July 28th, 2020 AT 6:12 PM (Merged)
Tiny
VIDRO30
  • MEMBER
  • 2 POSTS
Hello Ken,

My A/C system just stopped blowing cold air suddenly. The compressor does not seem to start anymore. I performed the IPDM auto active test but did not hear the clutch. I understand it is supposed to engage and disengage 5 times. I brought the car (Nissan Quest 2013) to my mechanic who verified if there was sufficient refrigerant in the system. There was enough refrigerant so his conclusion was that the compressor was defective. However, he did not perform any electrical test to verify if the problem was not the A/C clutch relay. I did check the continuity on the fuse and it is okay. I would like to test the relay but I understand it is not serviceable. Could you assist me? Thank you.
Was this
answer
helpful?
Yes
No
+1
Wednesday, August 26th, 2020 AT 9:33 PM
Tiny
KASEKENNY
  • MECHANIC
  • 18,907 POSTS
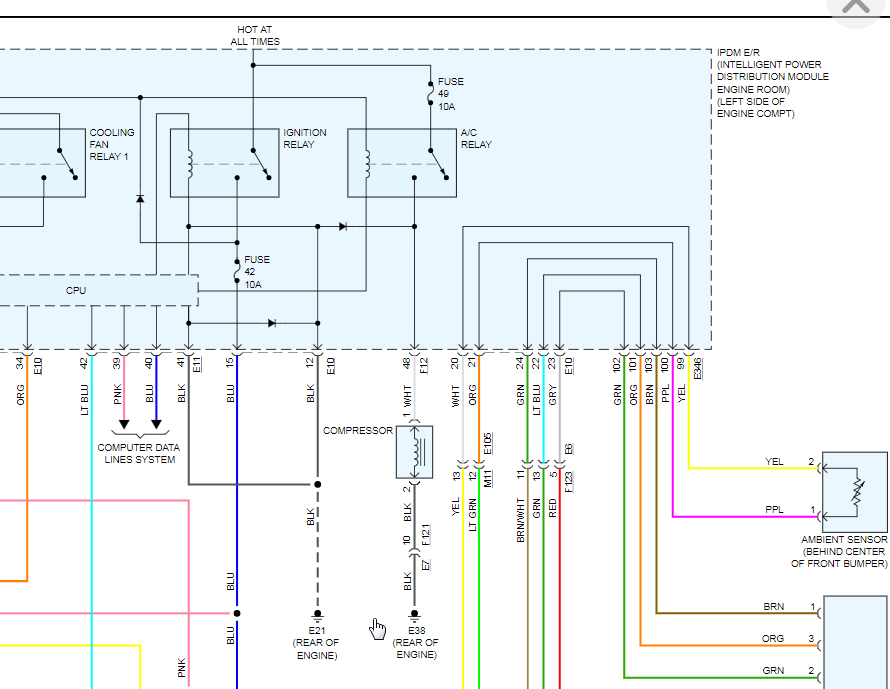
The easiest way to find out if there is an electrical issue causing the compressor to not come on is to just go to the compressor with the engine on and A/C on and check for voltage. If you have voltage then everything is working and it is most likely the compressor.

I have attached the wiring. Just go to the compressor on the white wire and check for voltage. If there is no voltage then we need to to go to the relay and suspect that is the issue.

Let us know if you have questions. Thanks
Was this
answer
helpful?
Yes
No
Sunday, August 30th, 2020 AT 7:31 AM
Tiny
VIDRO30
  • MEMBER
  • 2 POSTS
Thank you Ken. I finally replaced the compressor and the A/C started working again. But now the weird thing is that if I leave the car parked with the A/C running for 20 minutes, it cools down the cabin with air coming out of the vents at around 43F. But if I drive the car, the A/C suddenly stops after a few minutes. The compressor won't turn on again unless I wait for a few hours. I have to figure out what is happening. Might be a bad sensor.
Was this
answer
helpful?
Yes
No
+1
Monday, June 7th, 2021 AT 7:45 AM
Tiny
KASEKENNY
  • MECHANIC
  • 18,907 POSTS
It could be a sensor but it sounds like we may have a pressure issue that is causing a sensor to tell the PCM to cut it off.

Let's check the high and low side pressures with the engine off and then the A/C running when it is working. Lastly take it for a drive and then check the pressures again and let us know what the PSI is. This will tell us if there is an issue with the system. If not, then we can dig into a sensor issue.

https://www.2carpros.com/articles/re-charge-an-air-conditioner-system

Below is a chart showing the possible issues with pressures. Let us know what happens. Thanks
Was this
answer
helpful?
Yes
No
+3
Monday, June 7th, 2021 AT 8:08 PM

Please login or register to post a reply.