Wednesday, June 28th, 2023 AT 7:27 PM
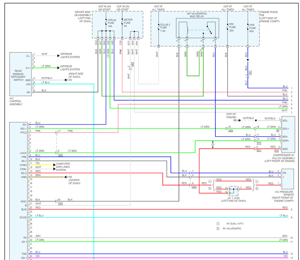
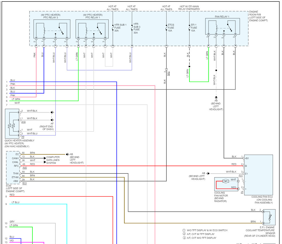
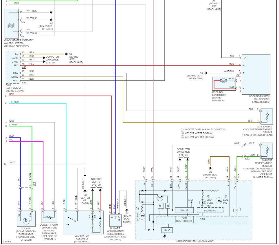
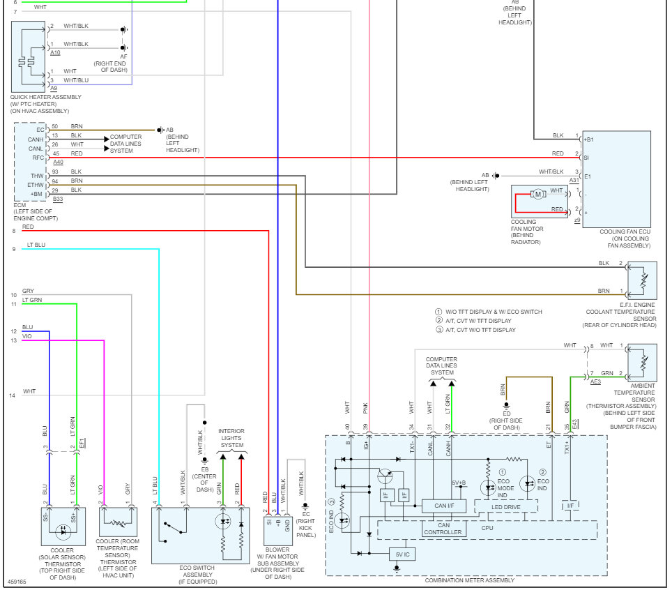
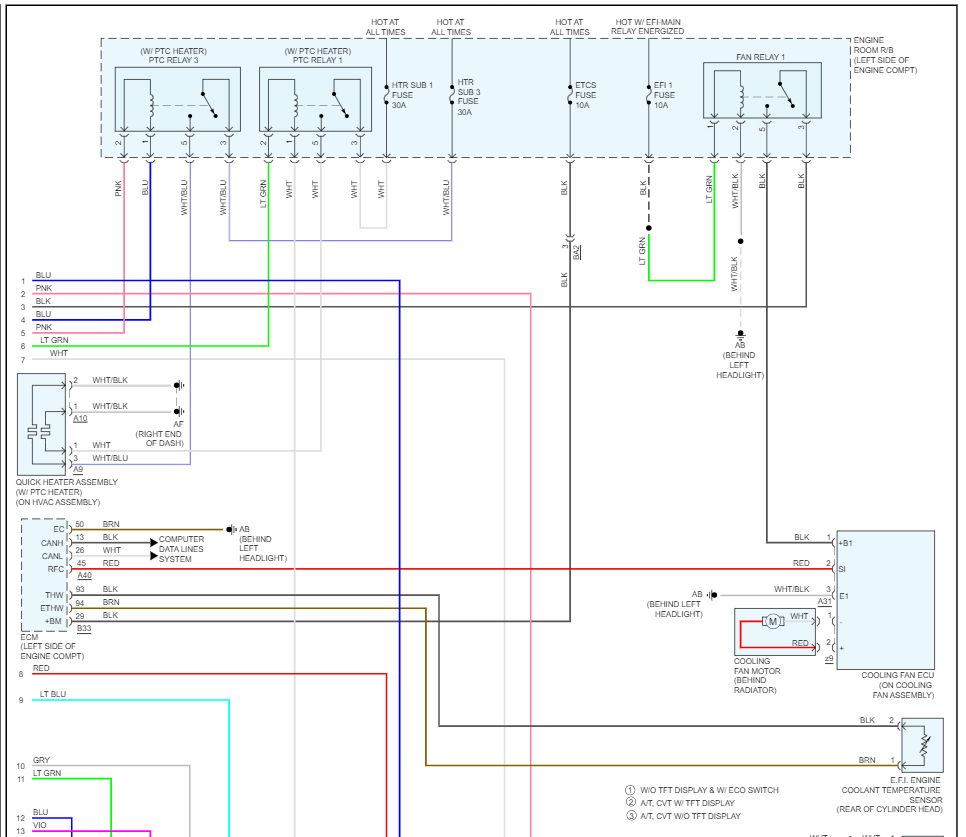
A/C works while driving fine when you're at an idle the A/C compressor turns off and the radiator fan does not work, only with the A/C at idle. My car does not overheat. The only thing I noticed is the A/C pressure goes up and the compressor turns off because the fan does not come on the cool the cond. Down.





