Tuesday, July 17th, 2018 AT 4:20 AM
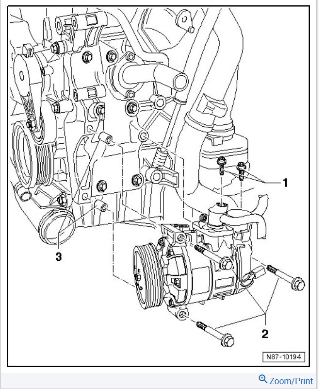
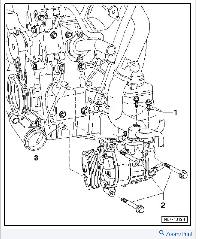
At highway speed or over 45+ mph the A/C blows cold, but as soon as I come to a stop/idle A/C start to blow warm. I ran numerous of test for this problem. Both radiator fans work, compressed works, I have the right amount of refrigerant in the system, and no leaks. So that brought me to replace my A/C condenser which was clogged full of dirt and debris and a few damaged on it. After replacing the condenser I still have the same problem. What should I do next?



