A/C heating

Tiny
DARONSKI
  • MEMBER
  • 2003 OLDSMOBILE BRAVADA
  • 139,000 MILES
The climate control panel does not come on or do anything.
Replaced the blower motor control module/resistor and blew 40 amp fuse. Replaced fuse and still does not work.
The control panel worked before.

Thanks.
Friday, October 6th, 2017 AT 8:35 AM

1 Reply

Tiny
KASEKENNY
  • MECHANIC
  • 18,907 POSTS
There are a couple of possible causes, but I want to clarify when you say they worked before, what happened in order for it to stop working?

If I understand correctly, you came out one day and it just was not working?

If that is the case, we need to check the fuses for the climate control module and then check power getting to the module.

Here are a couple guides that will help with this:

https://www.2carpros.com/articles/how-to-check-wiring

https://www.2carpros.com/articles/how-to-use-a-voltmeter

https://www.2carpros.com/articles/how-to-check-a-car-fuse

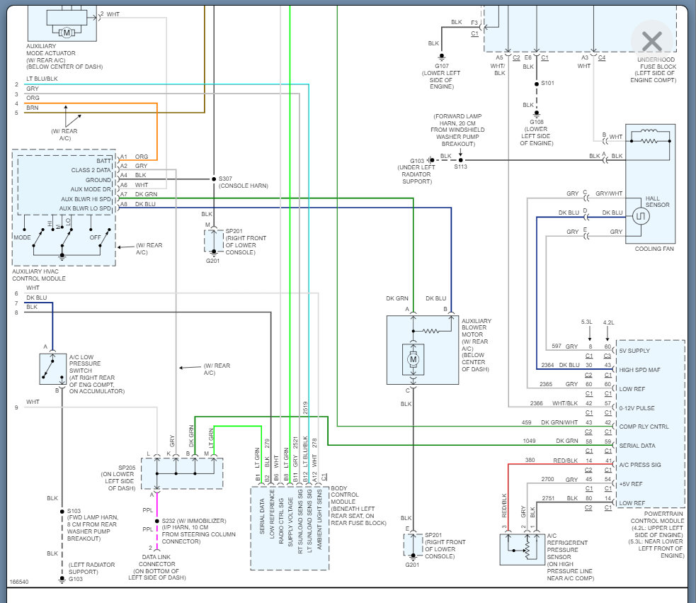
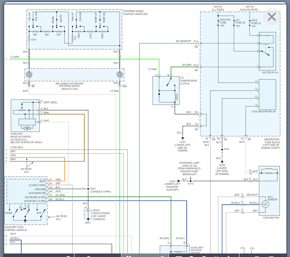
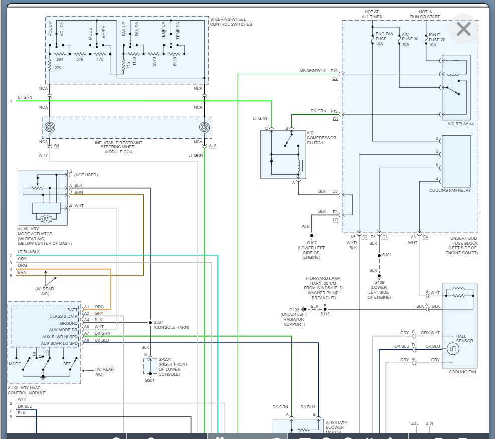
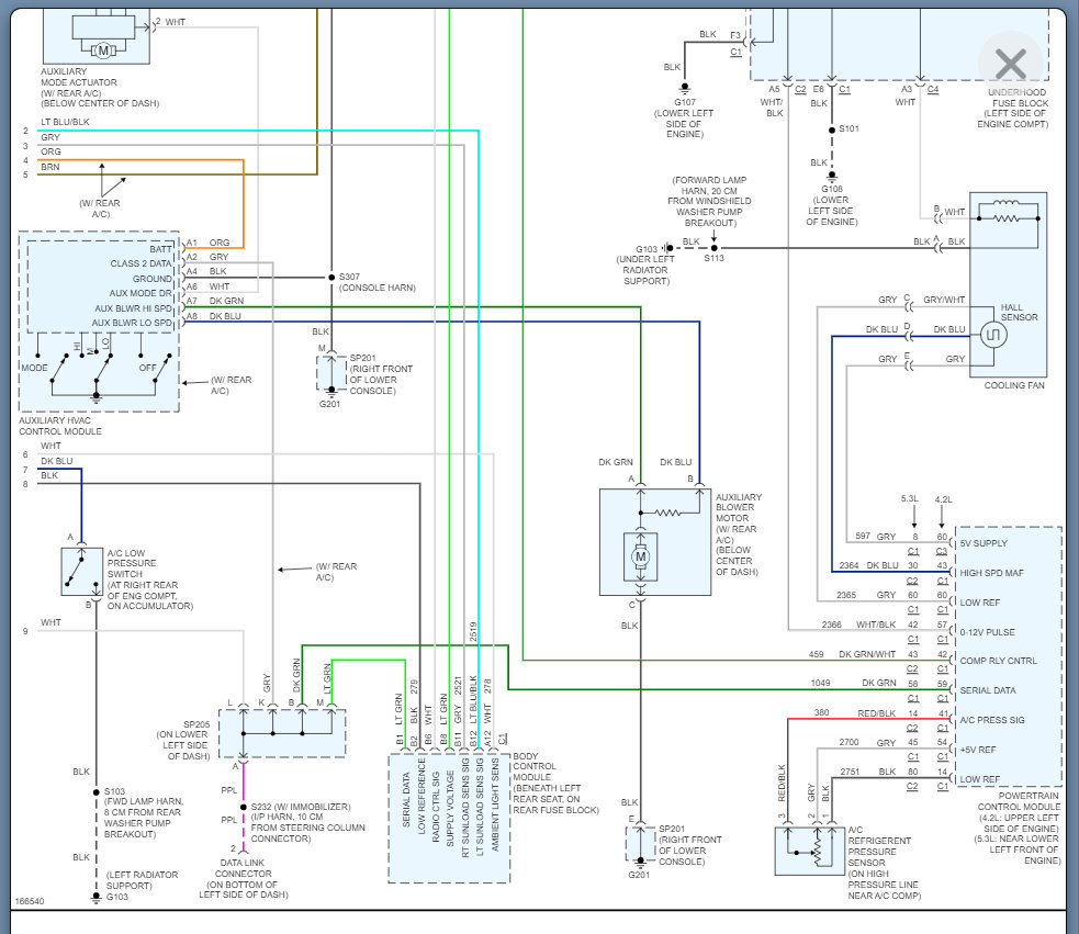
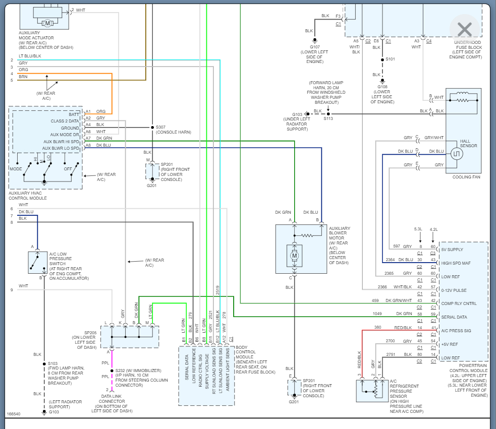
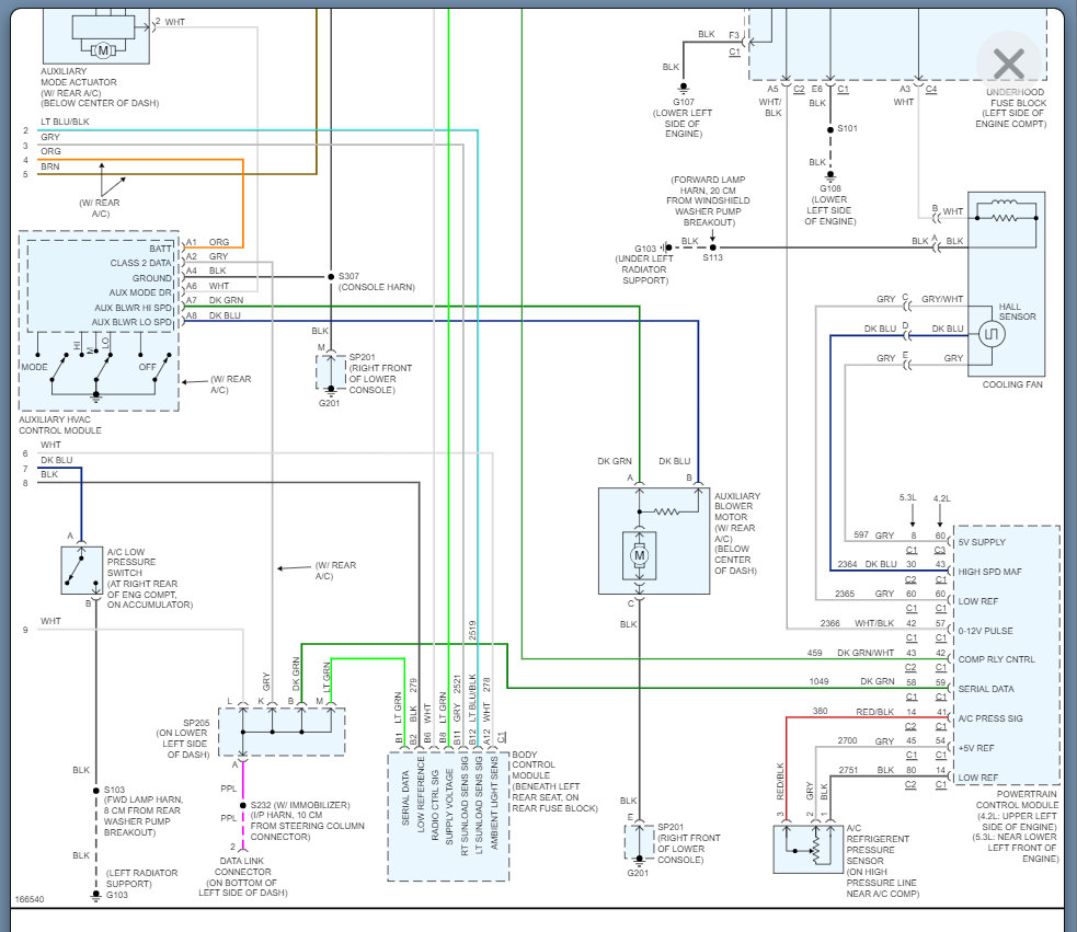
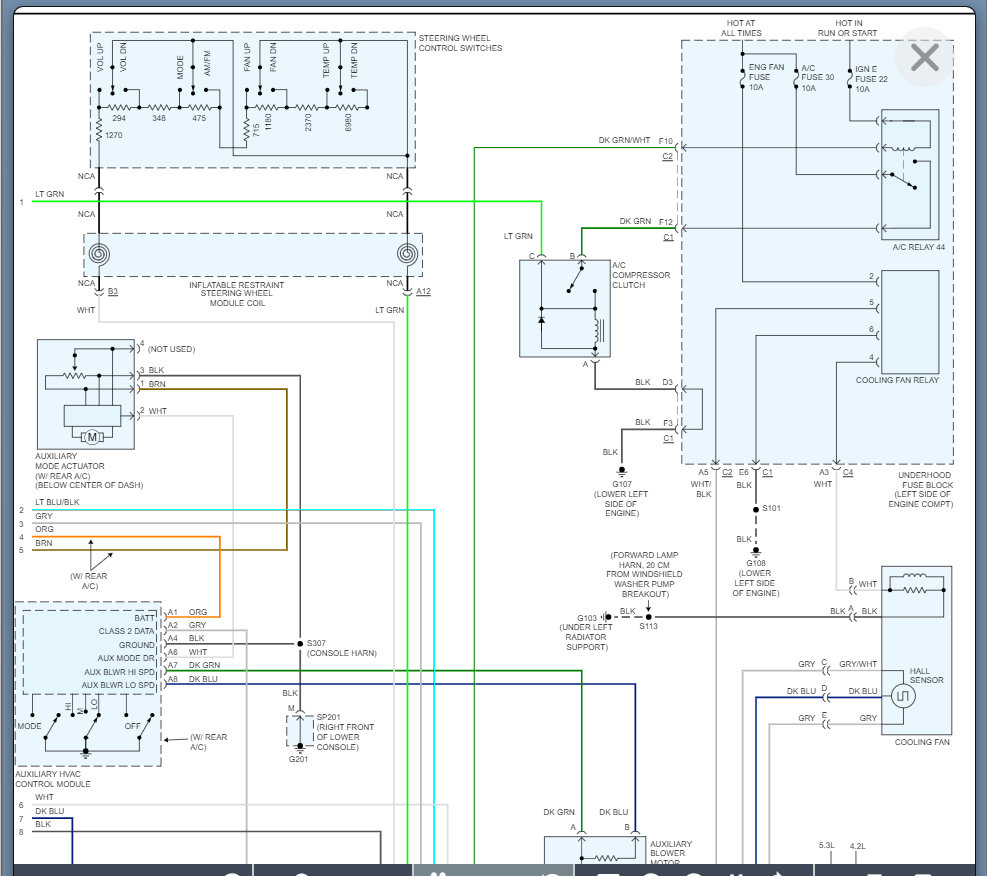
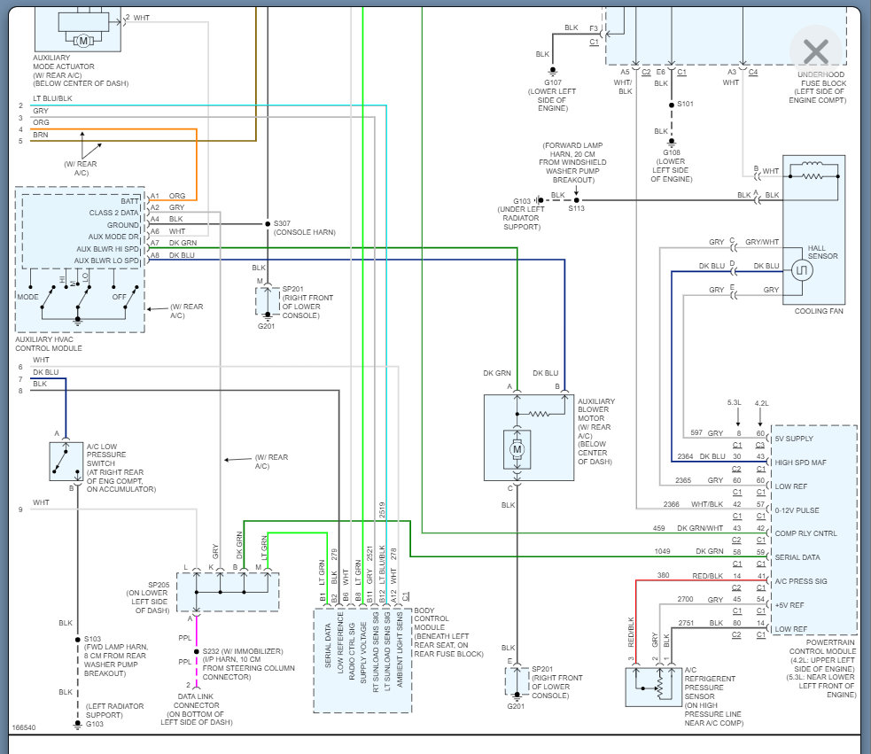
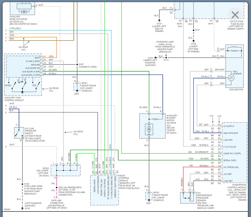
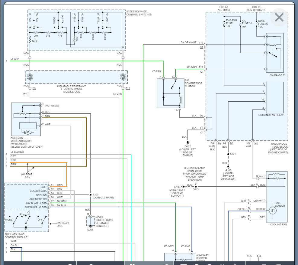
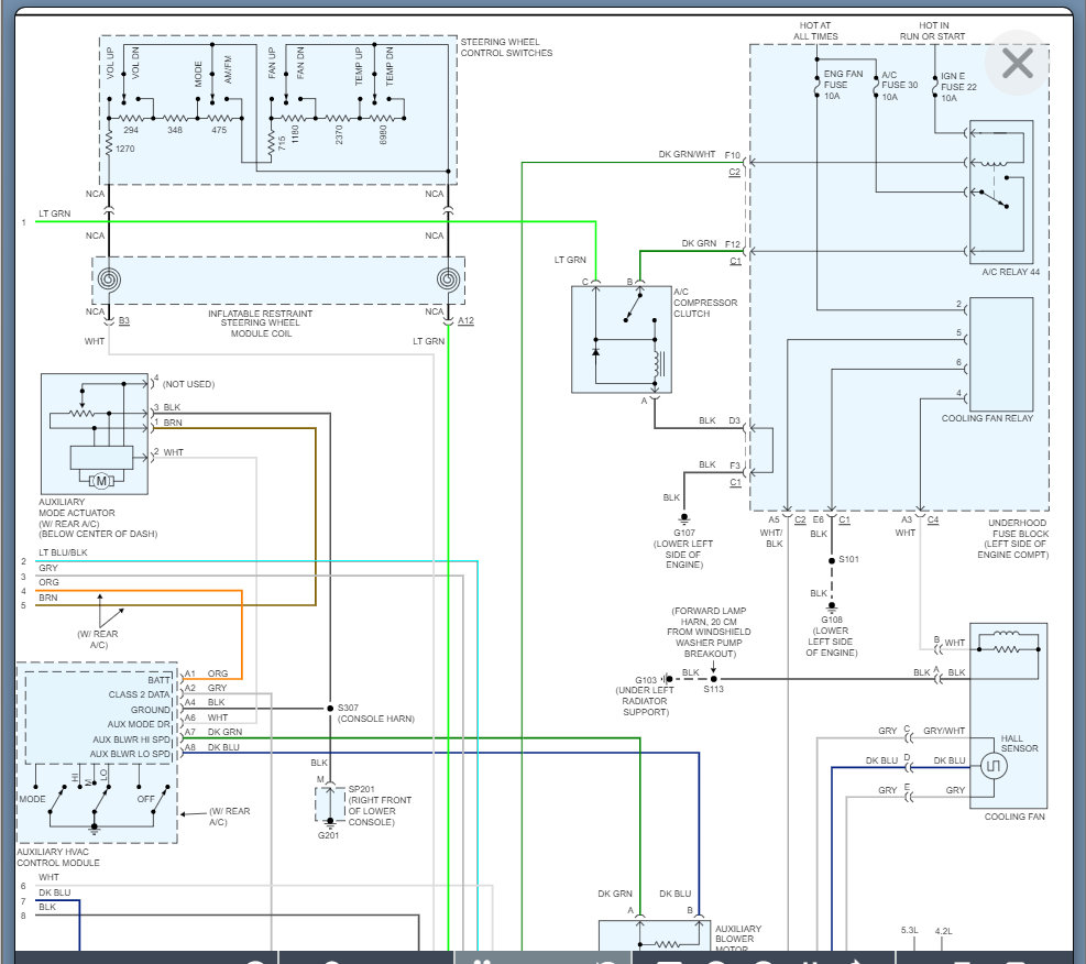
Below you will find the wiring diagrams for this which will help ensure this is a module issue.

So, if you have power and ground at the module on the proper circuits then you need to replace the module.

Please let me know what questions you have, and we can go from there.

Thanks
Was this
answer
helpful?
Yes
No
Friday, April 29th, 2022 AT 1:34 PM

Please login or register to post a reply.