Tuesday, June 4th, 2013 AT 6:32 PM
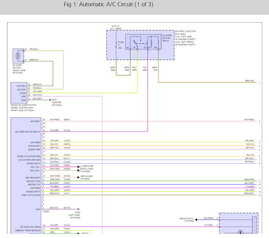
A/C quit working some time ago and I am finally getting around to fixing it. I brought it in to the dealer to have a diagnostic done on it and they said to change the evap. Temp. Sensor. So I completed that and the compressor did turn on when I finished the job. It was late and the next day when I went to use the car the compressor wouldn't turn on anyore. I ran it for about 3 minutes the night that I did the repair. I brought the car back to the dealer and they rescanned the car, coming up with codes for a stuck cooling thermostat (anti freeze). Low battery voltage and some communications error that they said was probably from disconnection the battery when changing the sensor. I have all the electrical diagrams for the a/c but am running out of ideas to check.





















