A/C blower

Tiny
ZOG1974
  • MEMBER
  • 2001 JEEP GRAND CHEROKEE
  • 4.7L
  • V8
  • 4WD
  • AUTOMATIC
  • 142,000 MILES
A/C and heat blower stays on after car is shut off and key is removed. I replaced the blower resistor about a year ago.
Wednesday, August 22nd, 2018 AT 6:35 AM

21 Replies

Tiny
ASEMASTER6371
  • MECHANIC
  • 52,796 POSTS
Good morning.

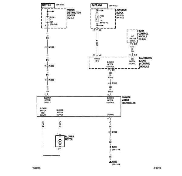
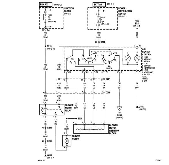
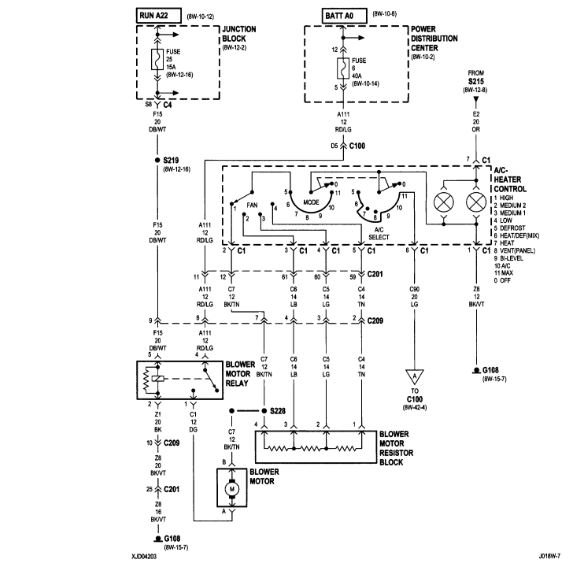
Try removing the blower relay and make sure the motor turns off.

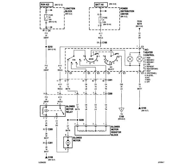
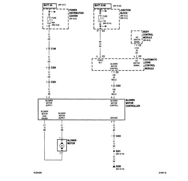
The resistor is on the ground side of the circuit. There is power to the motor with the key on and the resistor and control head control the speeds.

Roy
Was this
answer
helpful?
Yes
No
Wednesday, August 22nd, 2018 AT 8:22 AM
Tiny
ZOG1974
  • MEMBER
  • 46 POSTS
Is the relay under the hood?
Was this
answer
helpful?
Yes
No
Wednesday, August 22nd, 2018 AT 9:30 AM
Tiny
ASEMASTER6371
  • MECHANIC
  • 52,796 POSTS
No, behind the glove box

Roy

Warning: on vehicles equipped with airbags, disable the airbag system before attempting any steering wheel, steering column, or instrument panel component diagnosis or service. Disconnect and isolate the battery negative (ground) cable, then wait two minutes for the airbag system capacitor to discharge before performing further diagnosis or service. This is the only sure way to disable the airbag system. Failure to take the proper precautions could result in an accidental airbag deployment and possible personal injury.

1. Disconnect and isolate the battery negative cable.
2. Roll the glove box down from the instrument panel. Refer to Instrument Panel System for the procedures.

Fig.21 Blower Motor Relay Remove/Install
imageZoom/Print

3. Reach through the instrument panel glove box opening to locate the blower motor relay.
4. Unplug the blower motor relay from its wire harness connector.
Was this
answer
helpful?
Yes
No
-1
Wednesday, August 22nd, 2018 AT 11:54 AM
Tiny
ZOG1974
  • MEMBER
  • 46 POSTS
Is it under the glove compartment? Having trouble locating it. Where is it in regards to the blower motor
Was this
answer
helpful?
Yes
No
Wednesday, August 22nd, 2018 AT 3:24 PM
Tiny
ASEMASTER6371
  • MECHANIC
  • 52,796 POSTS
It is behind the glove box door.

Roy
Was this
answer
helpful?
Yes
No
Wednesday, August 22nd, 2018 AT 3:34 PM
Tiny
ZOG1974
  • MEMBER
  • 46 POSTS
This is only thing behind door.
Was this
answer
helpful?
Yes
No
Wednesday, August 22nd, 2018 AT 5:07 PM
Tiny
ASEMASTER6371
  • MECHANIC
  • 52,796 POSTS
No picture attached.
Was this
answer
helpful?
Yes
No
Thursday, August 23rd, 2018 AT 2:18 AM
Tiny
ZOG1974
  • MEMBER
  • 46 POSTS
My picture will not load, but there is nothing behind the door.
Was this
answer
helpful?
Yes
No
Thursday, August 23rd, 2018 AT 2:36 AM
Tiny
ZOG1974
  • MEMBER
  • 46 POSTS
See?
Was this
answer
helpful?
Yes
No
Thursday, August 23rd, 2018 AT 2:40 AM
Tiny
ZOG1974
  • MEMBER
  • 46 POSTS
This one is a little better.
Was this
answer
helpful?
Yes
No
Thursday, August 23rd, 2018 AT 2:41 AM
Tiny
ASEMASTER6371
  • MECHANIC
  • 52,796 POSTS
Let me check again.

What is the production date on the drivers side door?

Roy
Was this
answer
helpful?
Yes
No
Thursday, August 23rd, 2018 AT 2:45 AM
Tiny
ZOG1974
  • MEMBER
  • 46 POSTS
2001 Jeep Grand Cherokee limited V8.
Was this
answer
helpful?
Yes
No
Thursday, August 23rd, 2018 AT 2:53 AM
Tiny
ASEMASTER6371
  • MECHANIC
  • 52,796 POSTS
Production date on the door?
Was this
answer
helpful?
Yes
No
Thursday, August 23rd, 2018 AT 3:00 AM
Tiny
ZOG1974
  • MEMBER
  • 46 POSTS
11/00.
Was this
answer
helpful?
Yes
No
Thursday, August 23rd, 2018 AT 3:05 AM
Tiny
ASEMASTER6371
  • MECHANIC
  • 52,796 POSTS
Okay, thanks.

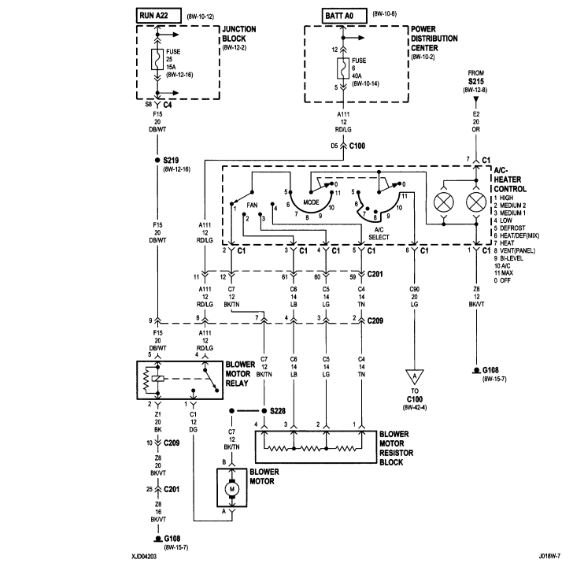
There was a cut off date with wire diagrams.

The blower resistor is what controls the blower.

If it is shorted, it will keep the blower working.

This time, if you replace the resistor, replace the blower motor with it. The reason the resistors fail is high current draw from the motor.

Roy
Was this
answer
helpful?
Yes
No
Thursday, August 23rd, 2018 AT 3:19 AM
Tiny
ZOG1974
  • MEMBER
  • 46 POSTS
So do I need to replace both? The blower resistor is less than a year old.
Was this
answer
helpful?
Yes
No
Thursday, August 23rd, 2018 AT 3:24 AM
Tiny
ASEMASTER6371
  • MECHANIC
  • 52,796 POSTS
Does not matter how old it is. If it is the issue, yes, I would replace both.

Roy
Was this
answer
helpful?
Yes
No
+1
Thursday, August 23rd, 2018 AT 3:25 AM
Tiny
ZOG1974
  • MEMBER
  • 46 POSTS
Thank you, you have been very helpful.
Was this
answer
helpful?
Yes
No
Thursday, August 23rd, 2018 AT 3:27 AM
Tiny
ASEMASTER6371
  • MECHANIC
  • 52,796 POSTS
You are welcome. Glad to help.

Roy
Was this
answer
helpful?
Yes
No
Thursday, August 23rd, 2018 AT 3:30 AM
Tiny
ZOG1974
  • MEMBER
  • 46 POSTS
Same vehicle just shut off while driving. Will not turn over. Any suggestions?
Was this
answer
helpful?
Yes
No
Tuesday, September 4th, 2018 AT 4:36 AM

Please login or register to post a reply.