Try to crank it back has had to be pushed off to restart

Tiny
SCOTT TIPTON
  • MEMBER
  • 1996 SATURN SL1
  • 1.9L
  • 4 CYL
  • 2WD
  • MANUAL
  • 200,000 MILES
I have been pushing my car off for 3 days now, my car listed above for the past 3 or 4 months when I cut the switch off and try to crank it back has had to be pushed off to restart and crank normally after that. But 3 days ago I turned the switch and I've had to push it off ever since, had past problems with the relays and thought I'd start with them for a quick fix. I've been looking for days now and I can't find 1 individual or website that even refers to anything on the 1996 SL1, only the 1996 Saturn SL2 and I'm no mechanic, have no idea of compatibility with the relays or other parts for 1996 or of the location of said switch. What are my options?
Monday, March 29th, 2021 AT 8:40 PM

1 Reply

Tiny
JACOBANDNICKOLAS
  • MECHANIC
  • 110,192 POSTS
Hi,

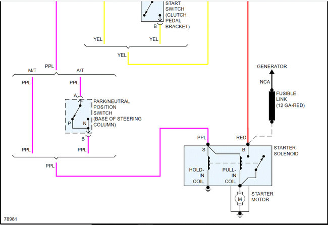
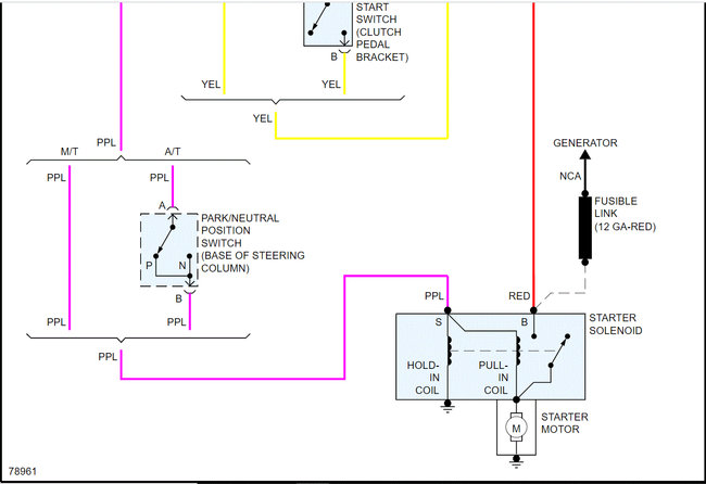
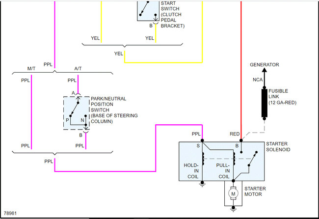
I can help you with the info. First, I attached the starting system wiring schematic below. I had to cut the pic in half to make it readable, but I did overlap it so you can follow.

Next, here is a link that explains how to test a starter and power to it:

https://www.2carpros.com/articles/starter-not-working-repair

Here is a link that explains how to test a relay:

https://www.2carpros.com/articles/how-to-check-an-electrical-relay-and-wiring-control-circuit

Okay, the first thing I need you to do is to check the ignition 3 fuse. It is in the under hood fuse box. See pic 3 for location. In addition to checking the fuse, confirm there is power both to it and from it. Here is a link to help:

https://www.2carpros.com/articles/how-to-check-a-car-fuse

Now, if the fuse is good, the next thing I will need you to do is check if there is power to the clutch safety switch. There will be a purple wire and a yellow one. In the start position, there should be power to the yellow wire at all times. The purple wire will get power when the clutch is depressed. Check for that function. See pic 4 for location. Here is a link to help:

https://www.2carpros.com/articles/how-to-check-wiring

Okay, if you have power out to the purple wire, go to the starter and check for power at the purple wire attached to the starter. You will need a helper to turn the key to the start position with the clutch depressed when you check. If there is power to the purple wire, and there is power to the heavy gauge wire from the battery to the starter, replace the starter.

Let me know what you find or if you have other questions.

Take care,
Joe
Was this
answer
helpful?
Yes
No
Tuesday, April 20th, 2021 AT 11:19 AM

Please login or register to post a reply.