Engine cranks no fire

Tiny
EROK
  • MEMBER
  • 1995 CHEVROLET SUBURBAN
  • 5.7L
  • V8
  • 4WD
  • AUTOMATIC
  • 150,000 MILES
It has a new cap and rotor. Been sitting for three years, ran when parked, now it turns over but no spark, possibly no fuel. Replaced the ignition coil as well.
Wednesday, December 15th, 2021 AT 12:24 PM

1 Reply

Tiny
JACOBANDNICKOLAS
  • MECHANIC
  • 110,194 POSTS
Hi,

The first thing we need to check is the ignition coil (in the distributor). I attached the directions below for testing. Here is a link that you may find helpful:

https://www.2carpros.com/articles/how-to-check-wiring

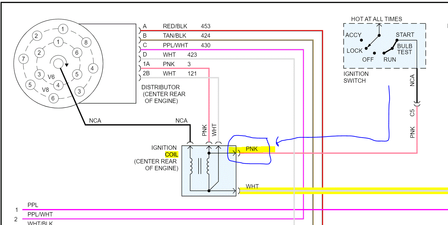
If the coil checks good, then locate the pink wire at the distributor connector. Disconnect the connector, turn the key to run, and confirm there is power to the coil. See pic 2

If the coil is good and getting power, then we need to check for diagnostic trouble codes. There could be an issue with the ignition control module. To determine that, you need to check for diagnostic trouble codes.

This vehicle has an OBD1 system that doesn't require a scanner. All you need is a short jumper wire or even a paper clip. Follow the directions in this link and let me know if codes are found:

https://www.2carpros.com/articles/buick-cadillac-chevy-gmc-oldsmobile-pontiac-gm-1983-1995-obd1-code-definitions-and-retrieval-method

Let me know what you find or if you have questions.

Take care,

Joe

See pics below.

Was this
answer
helpful?
Yes
No
Wednesday, December 15th, 2021 AT 7:30 PM

Please login or register to post a reply.