Sunday, July 21st, 2013 AT 12:37 PM
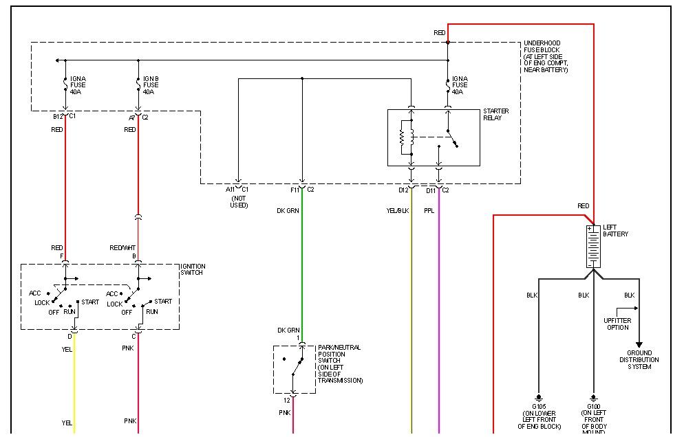
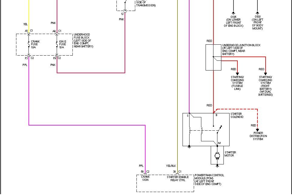
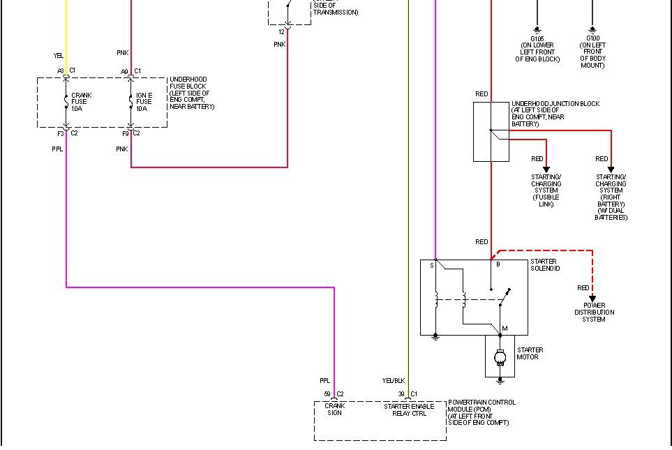
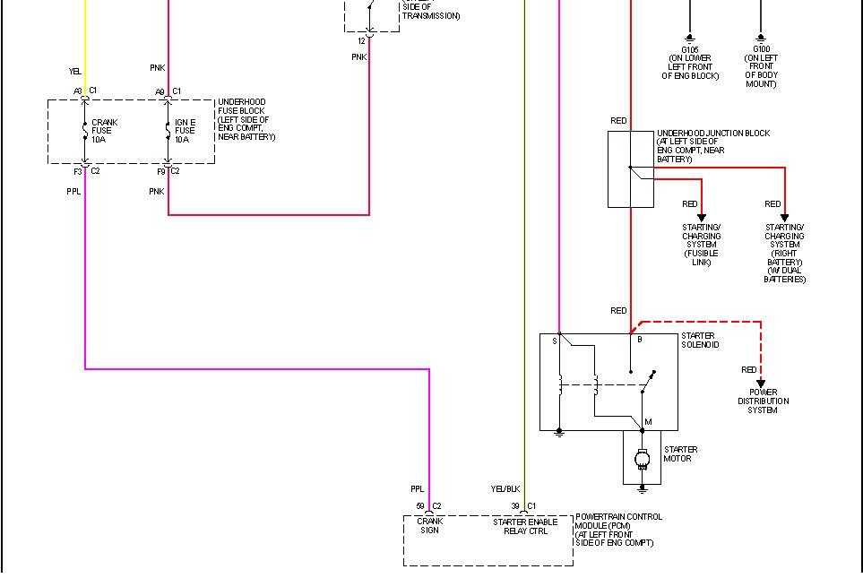
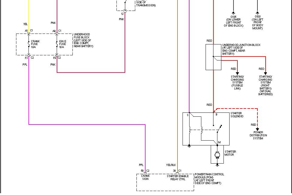
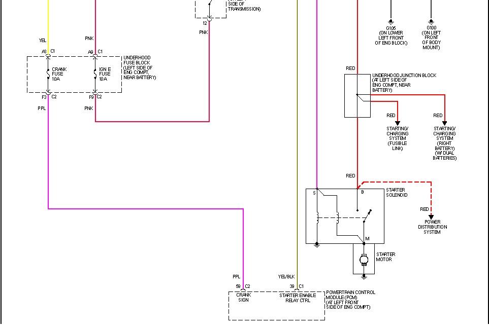
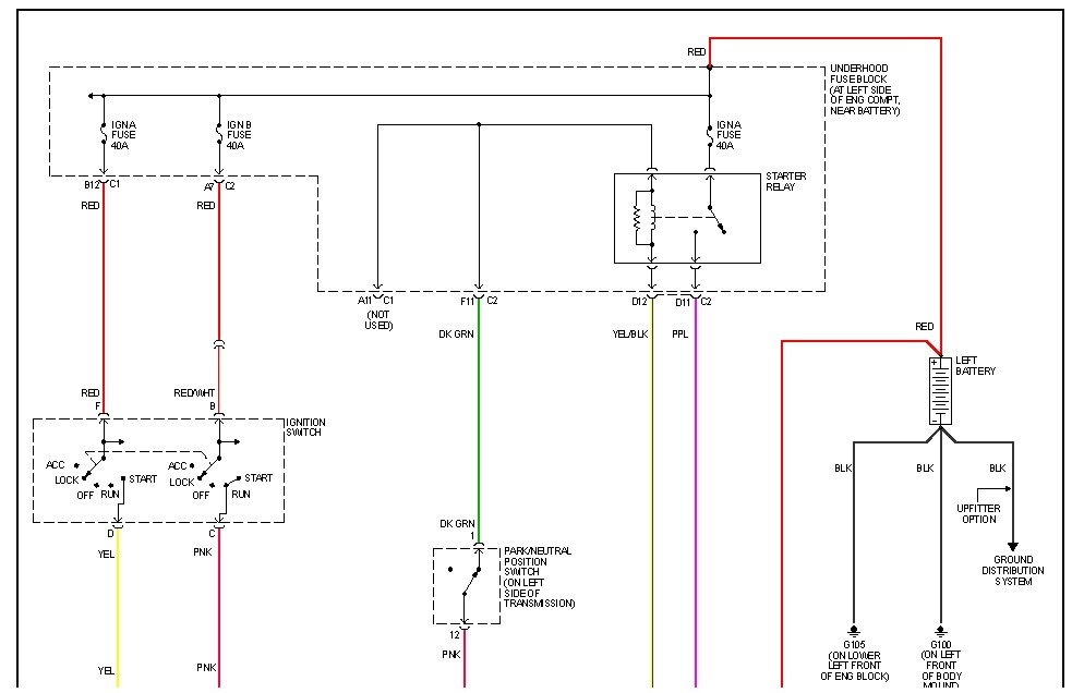
Replaced battery, started and ran to friends house 30mi. Shut off. Started and left there got home 10mi. Next day won't turn over and when you return key to off position fuel pump will continue to run unless you pull relay. Pulled starter spins fine when hooked to battery. Security light goes out when switched on like it should. Checked all ign. Fuses. Wtf?





