Friday, June 24th, 2022 AT 1:14 PM
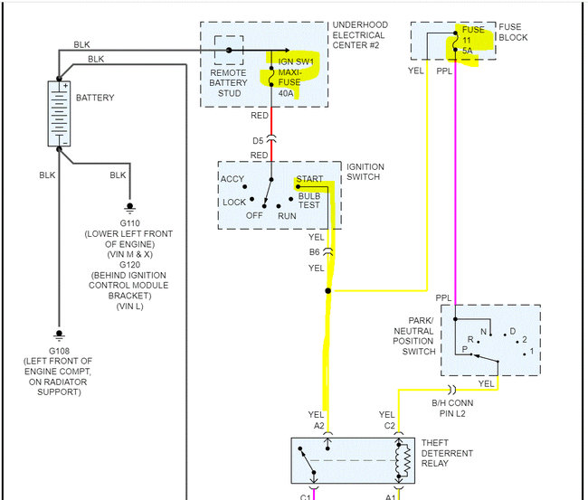
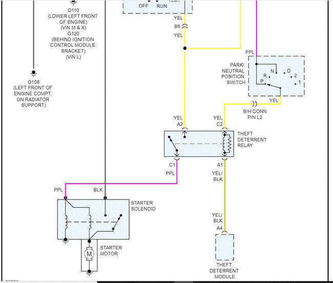
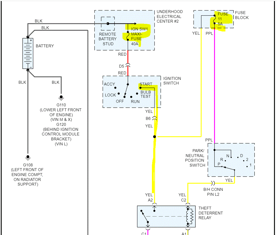
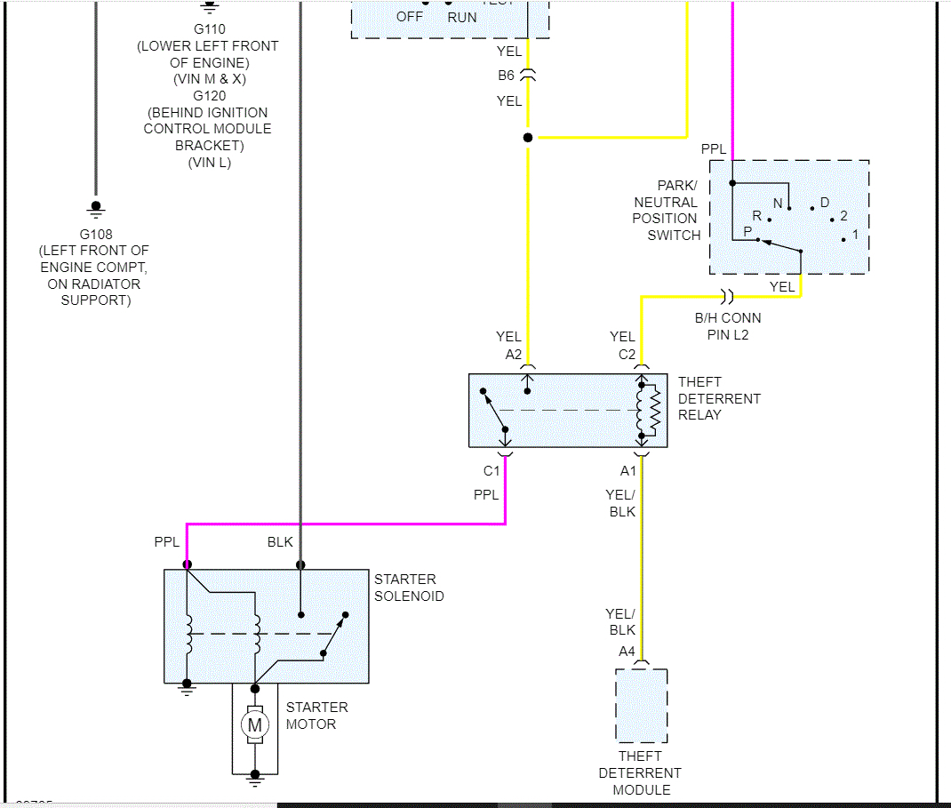
This car was running fine when I bought it. One morning we went to start the vehicle for work and there was nothing at all (no power). After letting the vehicle sit for about 8 months I decided to get it back on the road. I replaced the battery and the starter motor, cleaning all connections in the process. Everything lights up on the dash and I am getting power from the battery to the starter along with the small ignition wire when turning the key to the start position, and again no start no crank. The theft system is not blinking or anything and I have went through and checked all fuses and relays. The only thing I see is that there are three wires on the starter that were hooked up before on the old one that I put back instead of just two wires that I am seeing everywhere else. I believe the third wire is supposed to be grounded on the transaxle stud but was moved to the starter for some reason and asking if this could possibly be the issue or I am missing something.







