Sunday, October 13th, 2019 AT 5:05 PM
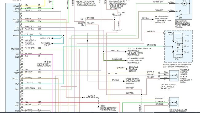
I replaced the speed sensor on top of the rear end twice and it still shifts hard and the speedometer still does not work. Help. Maybe a fuse under the hood?

