Not shifting from two wheel drive to four wheel drive

Tiny
KHUM
  • MEMBER
  • 1998 CHEVROLET TAHOE
  • 5.7L
  • V8
  • 4WD
  • AUTOMATIC
  • 183,000 MILES
Four wheel drive does not change two wheel to four wheel drive.
Saturday, December 2nd, 2017 AT 11:59 AM

1 Reply

Tiny
KEN L
  • MASTER CERTIFIED MECHANIC
  • 55,030 POSTS
Hello,

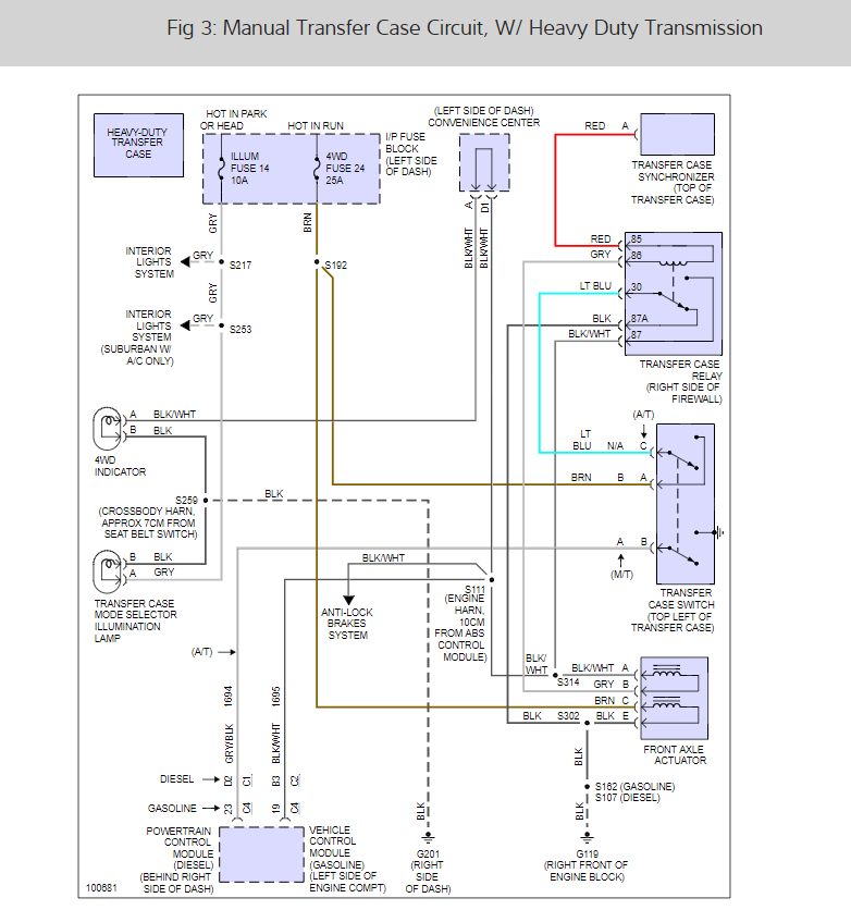
One of two things happens on these trucks, first is the switch goes out and the next is the encoder (actuator) goes out both cause the light to come on. I would try the switch first.

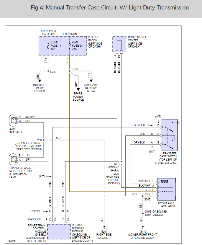
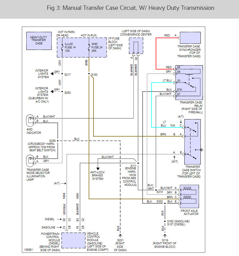
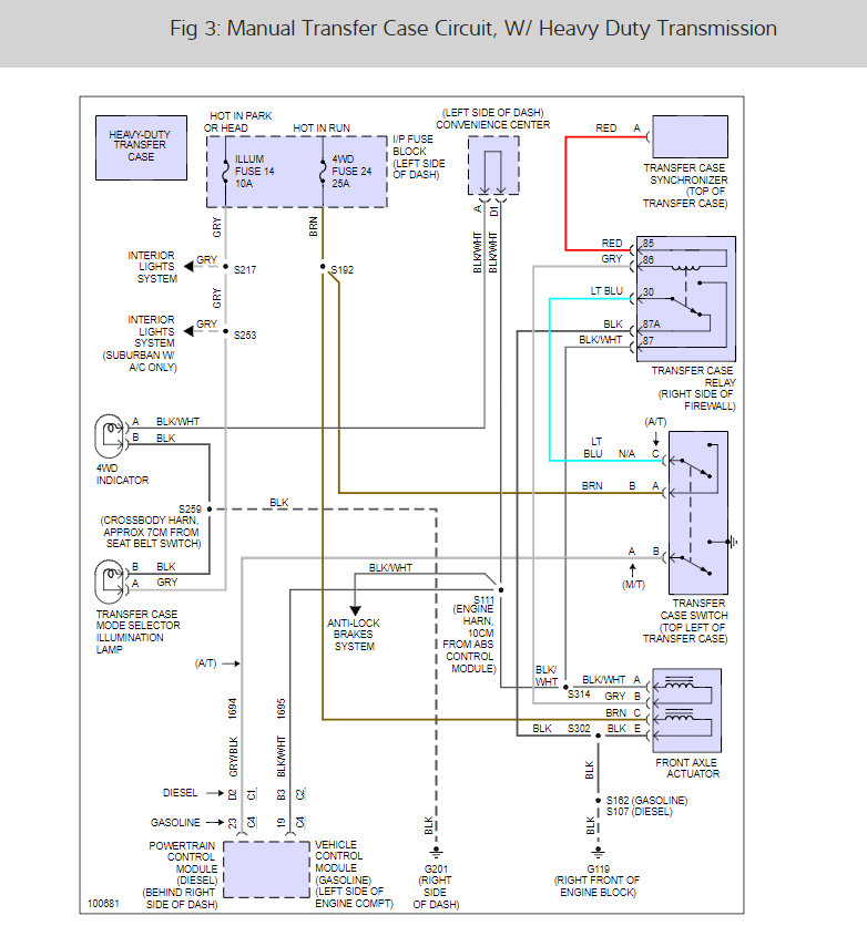
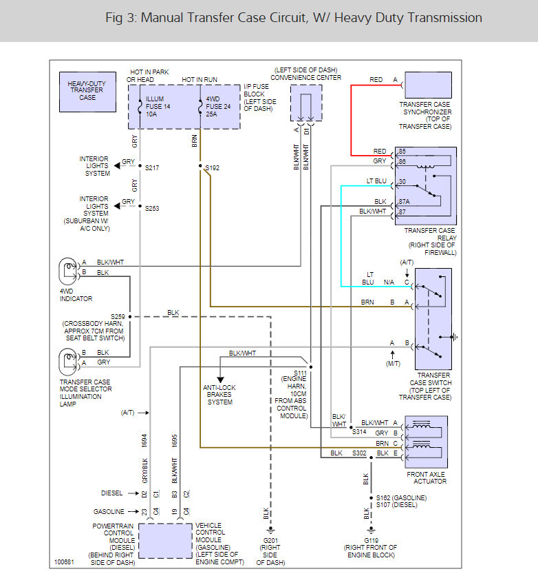
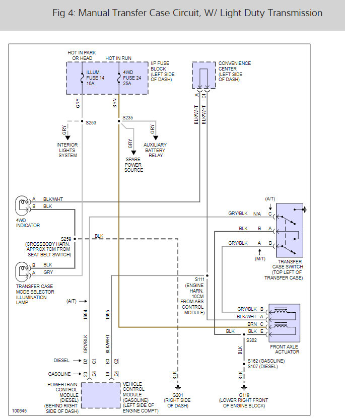
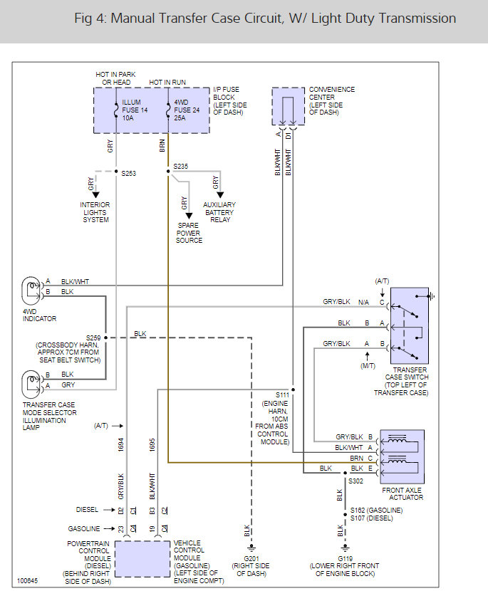
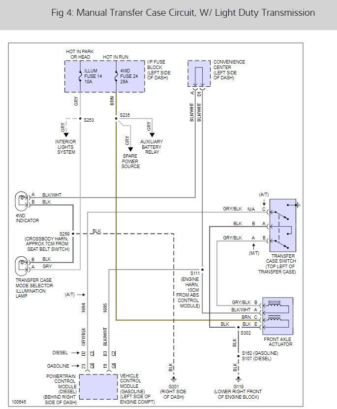
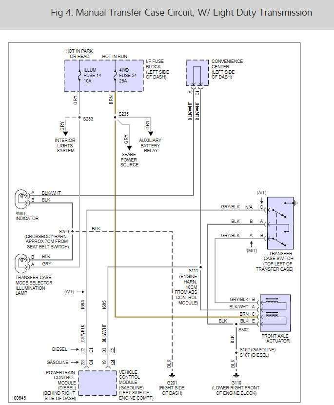
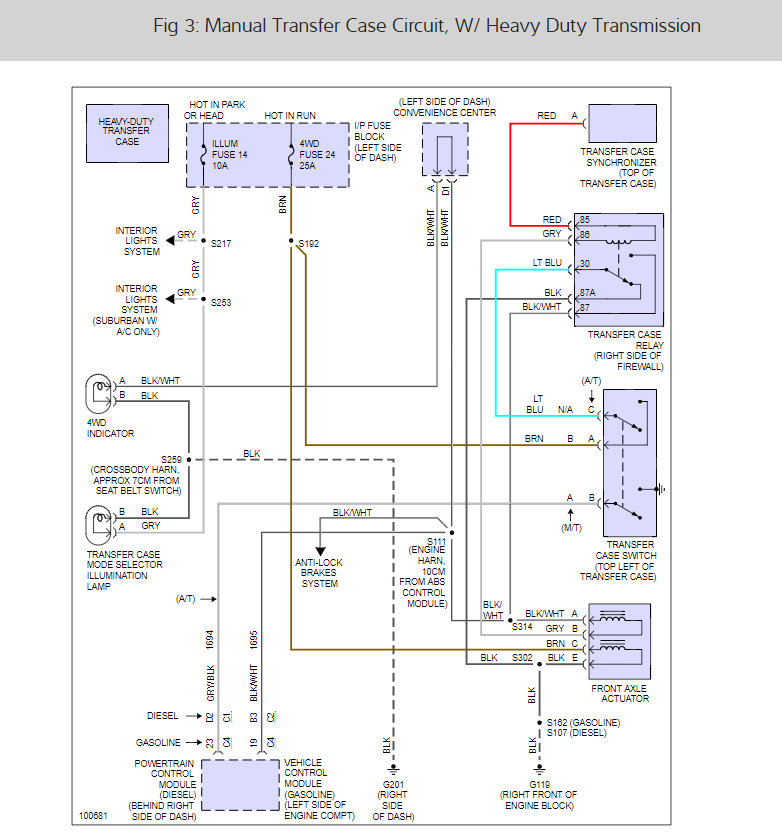
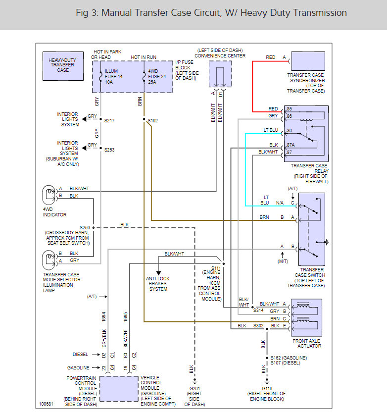
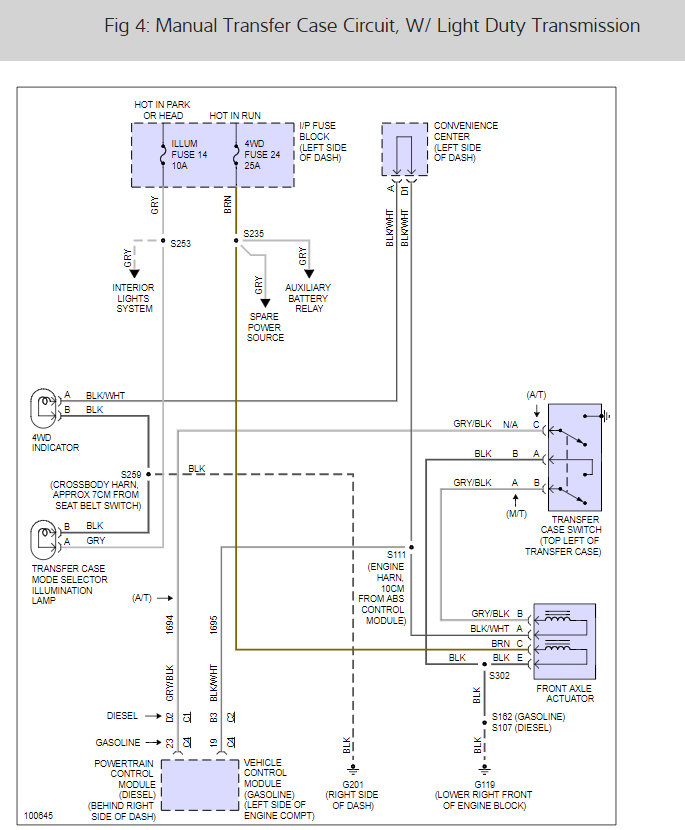
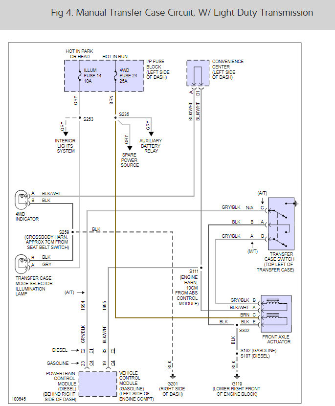
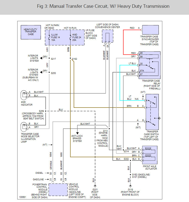
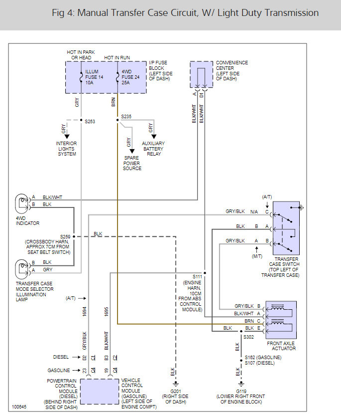
Here is a wiring diagram of the system and a guide to help you confirm the failure:

https://www.2carpros.com/articles/how-to-check-a-car-fuse

Here is a guide to help you check the wiring:

https://www.2carpros.com/articles/how-to-check-wiring

You should check the fuses as well.

Check out the diagrams (below).

Please let us know what you find.

Cheers, Ken
Was this
answer
helpful?
Yes
No
Sunday, December 3rd, 2017 AT 1:11 PM

Please login or register to post a reply.