Saturday, March 26th, 2022 AT 5:21 PM
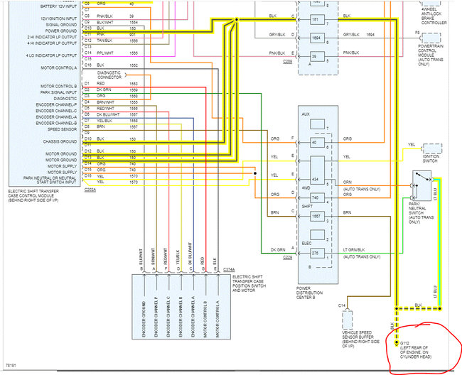
When I push the 4HI button nothing happens. I've checked the fuse, it's good, checked the fuse for power and it has power. The 2HI light is lit but nothing happens when I hit the 4HI button. No flashing, nothing. When the transfer case shift motor when out in the past, the 4HI button light would flash and then go back to lighting the 2HI button light. I installed a new push button switch thinking that was the problem and did not solve the issue. Is there a relay to the shift motor?


