My 4WD (4 wheel drive) is not working why?

Tiny
JUSTIN BAU
  • MEMBER
  • 2008 DODGE RAM
  • 6.7L
  • 6 CYL
  • 4WD
  • AUTOMATIC
  • 290,000 MILES
I replaced the actuator and the wheel speed sensor, now it’s sending another code saying open circuit. When I switch it to 4wd nothing happens, no sound or anything and it shows Serv 4wd on dash. Anybody have an idea what this could be? I’m assuming a wire is possibly bare? I do not know. It was like this when I purchased the truck.
Tuesday, June 4th, 2019 AT 12:22 AM

48 Replies

Tiny
STEVE W.
  • MECHANIC
  • 15,671 POSTS
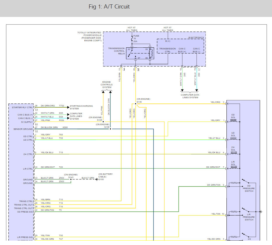
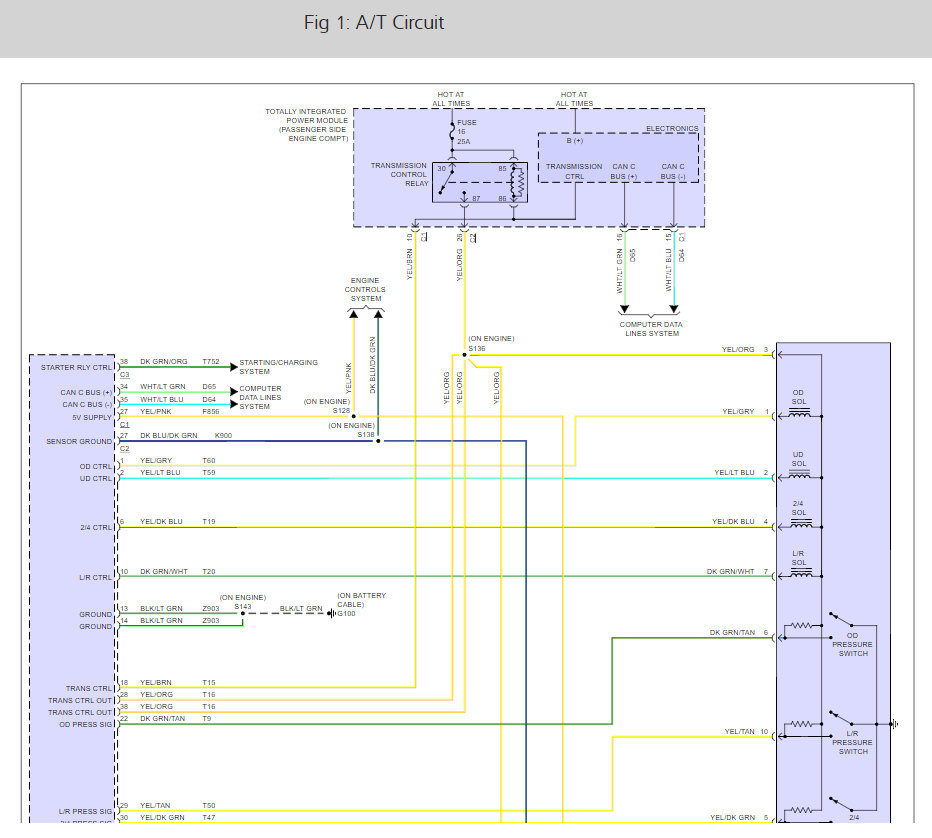
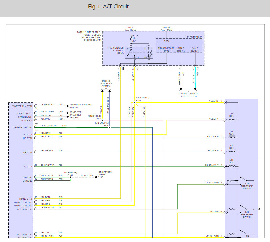
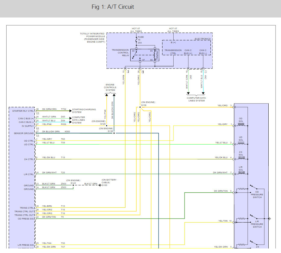
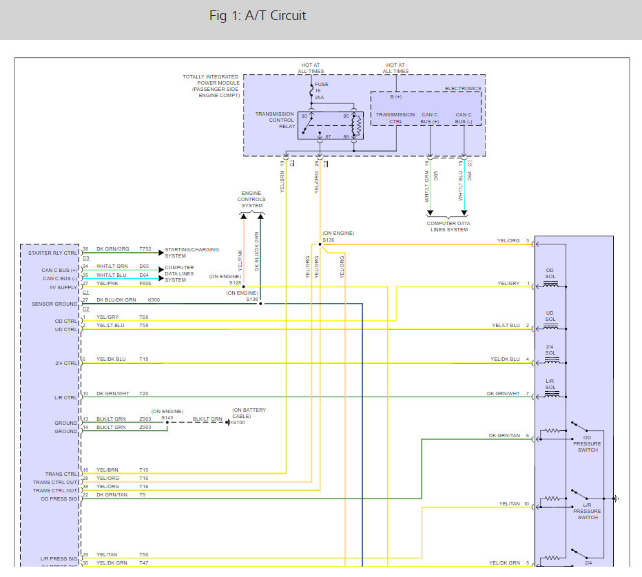
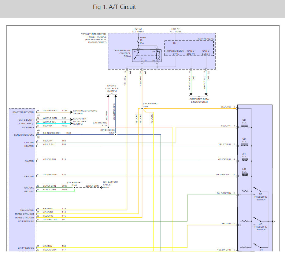
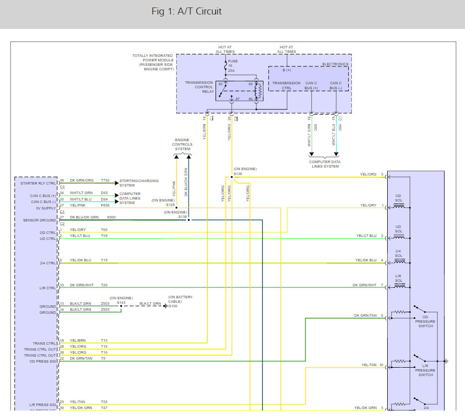
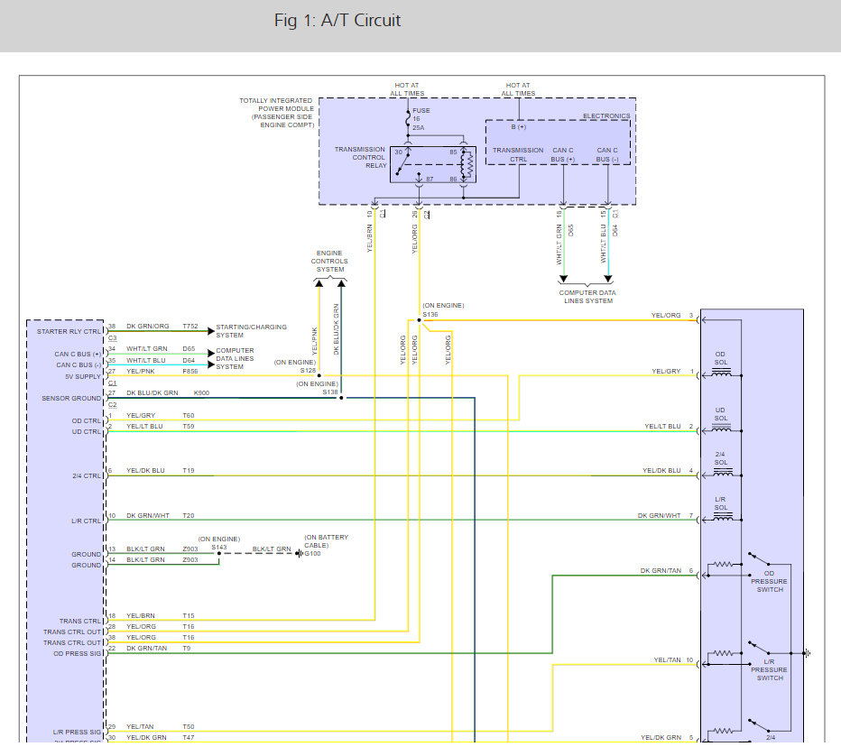
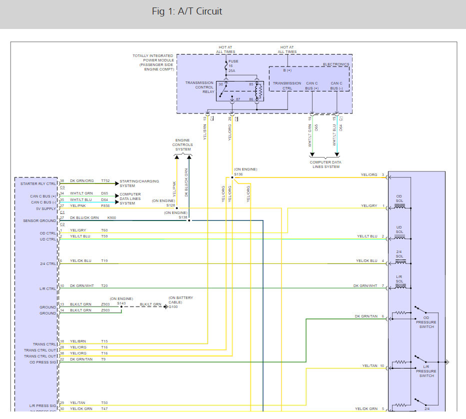
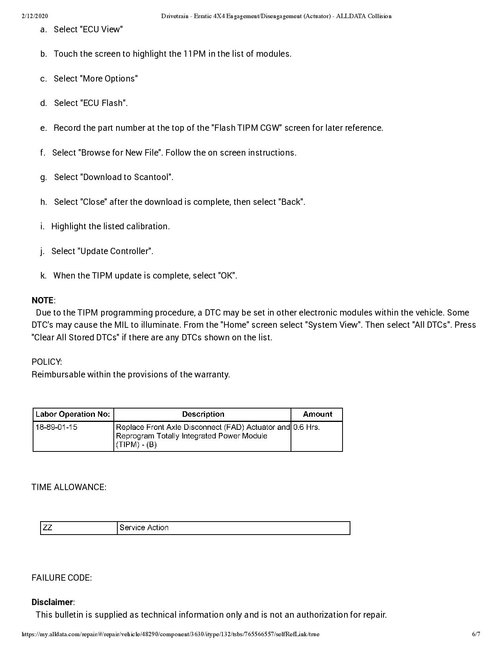
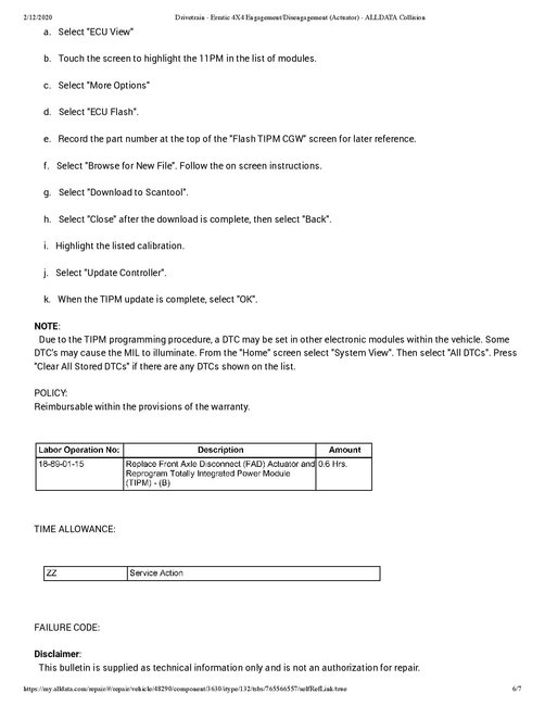
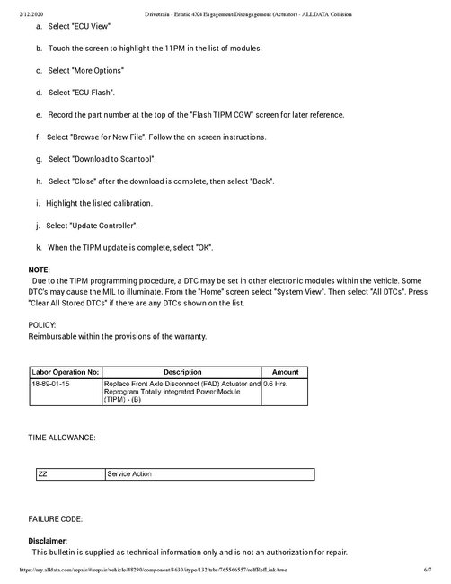
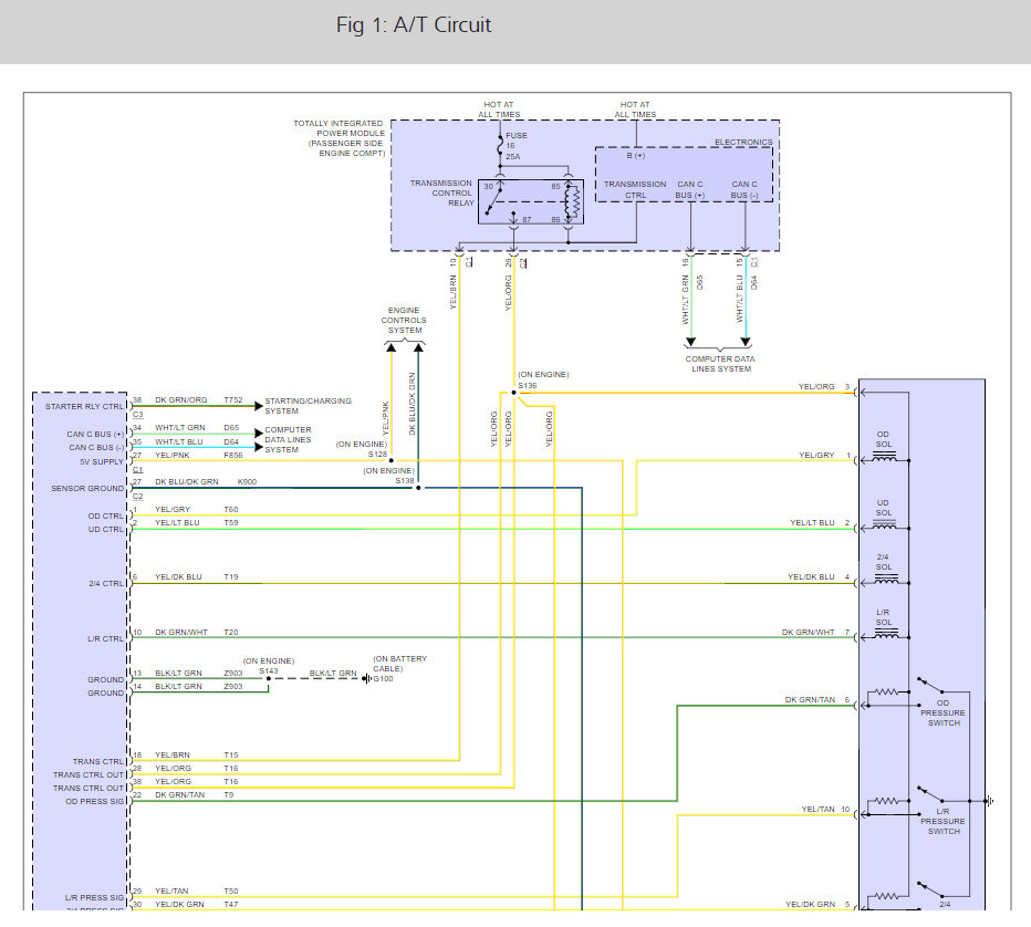
Welcome to 2CarPros. The circuit open code shows it is a connection issue lets use this guide and the wiring diagrams below to help fix the problem.

https://www.2carpros.com/articles/how-to-check-wiring

Check out the diagrams (Below). Let us know what happens and please upload pictures or videos of the problem.

Was this
answer
helpful?
Yes
No
-1
Wednesday, June 5th, 2019 AT 4:24 PM
Tiny
HROOKER83
  • MEMBER
  • 7 POSTS
I found the wiring harness was damaged by the transfer case. Got it fixed thanks to the guide and diagrams.
Was this
answer
helpful?
Yes
No
Tuesday, May 11th, 2021 AT 11:10 AM
Tiny
TEXASDAWG2003
  • MEMBER
  • 23 POSTS
  • 2007 DODGE RAM
  • 67,000 MILES
The service 4x4 light comes on any time the knob is moved. Codes are c140d c1407 c1469 and c1405. I have not been able to find the flow chart or possible cause of these codes I know it will be a hard failure because as soon as the codes are cleared it was scanned and the codes came back any info will be helpful. The transfer case shift motor was replaced all the fuses are good the transfer case will shift into all gears without the motor on it when the shift shaft is turned by hand there is a short somewhere that puts the service 4x4 light on and it has the 4 codes c140d c1407 c1469 c1405 is the order the codes come up I cant find a flow chart, the possible causes chart or much detail in the codes, or a elc diagram on the 4x4 system.
Was this
answer
helpful?
Yes
No
Tuesday, May 11th, 2021 AT 12:24 PM (Merged)
Tiny
TY ANDERSON
  • MECHANIC
  • 719 POSTS
Does your truck have the Nv-246 transfer case in it? You can find the circle model stamp plate on the back side of the transfer case.
Here is a list of possible causes for each fault code listed
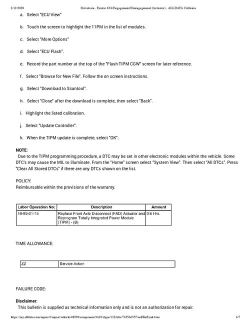
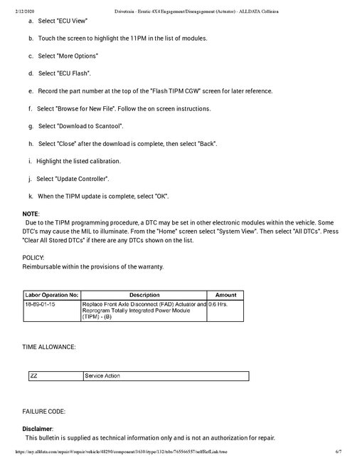
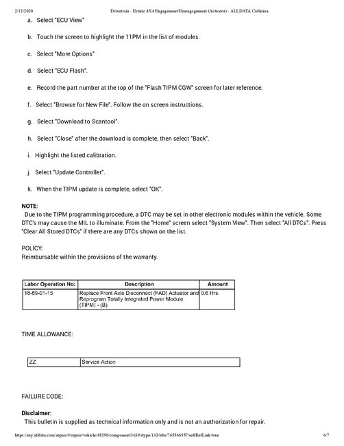
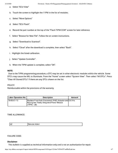
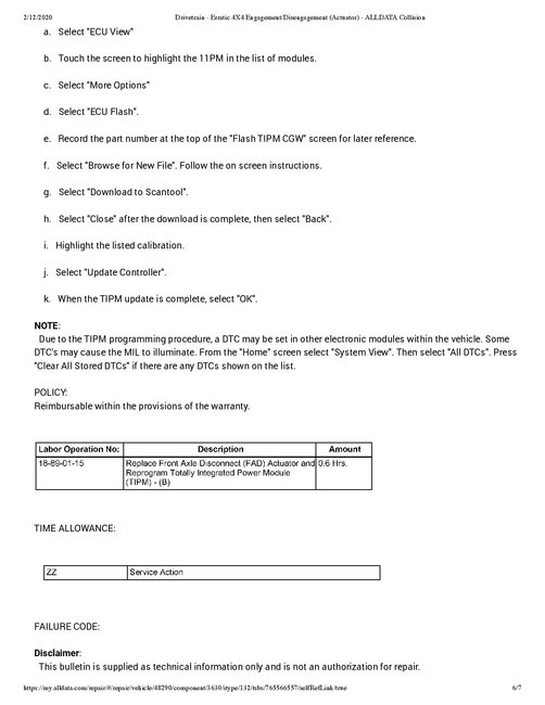
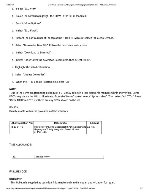
Also, found a technical service bulletin for code C1405 (only)
so you may what to look at that (TSB reference number 21-011-07)
possible causes
shift motor control A circuit open (dark green wire)
shift motor control B circuit open (yellow wire)
shift motor/ mode sensor assembly
totally integrated power module (TIPM)
C1407 transfer case brake control circuit low (TIPM)
Possible causes
transfer case motor brake circuit open (yellow w/grey stripe wire)
transfer case motor brake circuit shorted to ground (yellow w/grey stripe wire)
transfer case motor assembly
totally integrated power module (TIPM)
C1469 Front axle disconnect return control circuit high (TIPM)
Possible causes
Front axle lock control circuit shorted to voltage
Front axle lock control circuit shorted to ground
front axle disconnect module
totally integrated power module (TIPM)
C1405 transfer case range position sensor circuit high (TIPM)
Possible causes
totally integrated power module (TIPM) fuses
5 volt supply circuit shorted to voltage (yellow with orange stripe wire)
Mode sensor A circuit shorted to voltage (white with dark green stripe wire)
Mode sensor A circuit open (same as above white w/dark green)
TIPM sensor return circuit open
Shift motor/mode sensor assembly
Totally integrated power module (TIPM)

Hope this sheds some light, talk to you soon, TY
Was this
answer
helpful?
Yes
No
+3
Tuesday, May 11th, 2021 AT 12:24 PM (Merged)
Tiny
TEXASDAWG2003
  • MEMBER
  • 23 POSTS
Yes it is that transfer case

Is there a test procedure fore each code. Have you found Test procedures?
Was this
answer
helpful?
Yes
No
Tuesday, May 11th, 2021 AT 12:24 PM (Merged)
Tiny
TY ANDERSON
  • MECHANIC
  • 719 POSTS
It sounds like the transfer case selector switch has gone out but to be sure lets run a test through the switch using this guide and the wiring diagrams (Below)

https://www.2carpros.com/articles/how-to-check-wiring

and

https://www.2carpros.com/articles/how-to-use-a-test-light-circuit-tester

Test for signal at the switch

Here is a a TSB

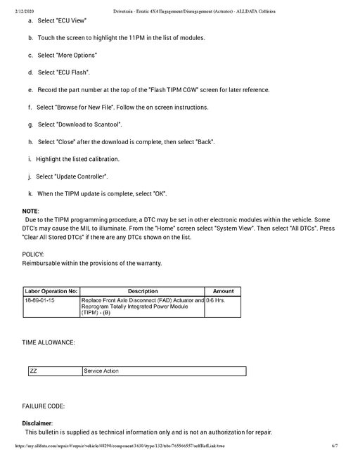
The TSB Reference number 21-011-07 applies only to 4wd light duty ram truck that are equipped w/a NV-246 t case and were built on or between October 30,2006 and June 19,2007. Let me know it this applies to your truck you may need to contact a dodge dealer and supply them with you VIN to get a exact built date. This TSB only applies to the C1405 code only to determine if the inner bearing support plate is worn allowing t case shift actuator to over-travel and cause a fault determined by the vehicle's computer.

CODE c140d - t case motor control circuit open (TIPM)
Diag steps
1Key on engine running at idle switch t case switch to ea. Position. With scan tool is c140d code active? Y/N
2Key off engine off Remove the TIPM C4 harness connector and measure resistance between the (t101 Shift motor Control A circuit and the (t102) Shift motor control B circuit. Is the resistance between 40-100 ohms?
3 Disconnect the shift motor/mode sensor assembly harness connector. Measure resistance between the (t101) shift motor control A circuit and the (t102) shift motor control B circuit at the shift motor/mode sensor assembly component side. Is the resistance between 40-100 ohms?
4 Measure the resistance of the (t101) shift motor control A circuit between the shift motor/mode sensor assembly harness connector and the TPIM C4 harness connector. Is the resistance above 5.0 OHMS?
5 Measure the resistance of the (t102) shift motor control B circuit between the shift motor/mode sensor assembly harness connector. Is the resistance above 5.0 ohms?
6. Inspect all wiring and connector that pertain to this circuit. Were any problems found?
Here is some pic of wiring diagrams at contain the t102 and t101 circuit.

Check out the diagrams (Below)

Let us know what happens and please upload pictures or videos of the problem.

Cheers
Was this
answer
helpful?
Yes
No
+2
Tuesday, May 11th, 2021 AT 12:24 PM (Merged)
Tiny
TEXASDAWG2003
  • MEMBER
  • 23 POSTS
You guys nailed it the selector switch has bad I found out after testing. Once replace dht truck works great! I love this site where do I send money?
Was this
answer
helpful?
Yes
No
+3
Tuesday, May 11th, 2021 AT 12:24 PM (Merged)
Tiny
ELBIN
  • MEMBER
  • 2 POSTS
  • 2007 DODGE RAM
  • 5.7L
  • V8
  • 4WD
  • AUTOMATIC
  • 65 MILES
My four wheel drive will not engage all it does is make clicking sounds when I switch the 4wd on What could be causing this problem?
Was this
answer
helpful?
Yes
No
Tuesday, May 11th, 2021 AT 12:24 PM (Merged)
Tiny
JACOBANDNICKOLAS
  • MECHANIC
  • 110,192 POSTS
It sounds like the transfer case shift actuator is not working which is common here is the location in the diagrams below so you can change it out. Check out the diagrams (Below). Please let us know what you find.
Was this
answer
helpful?
Yes
No
Tuesday, May 11th, 2021 AT 12:24 PM (Merged)
Tiny
ELBIN
  • MEMBER
  • 2 POSTS
Yes it was the problem I got new one all fixed thank you.
Was this
answer
helpful?
Yes
No
Tuesday, May 11th, 2021 AT 12:24 PM (Merged)
Tiny
GILLYMAN3000
  • MEMBER
  • 19 POSTS
  • 2007 DODGE RAM
  • 5.7L
  • V8
  • 4WD
  • AUTOMATIC
  • 170,000 MILES
Light just keeps flashing. I can hear a click on the transfer case, I don’t hear the front actuator, I had a used known good actuator for the front I use for testing, I installed it and still same results, just flashes. Can you please provide a wiring diagram for the 4 wheel drive? Is the control module on the transfer case known to cause this issue?
Was this
answer
helpful?
Yes
No
Tuesday, May 11th, 2021 AT 12:25 PM (Merged)
Tiny
JOETECHPRO
  • MECHANIC
  • 705 POSTS
Hey GILLYMAN3000,

If you have access to a hoist raise the vehicle, activate the 4x4 and put the transmission in drive. If you release the brake and get someone to watch the front drive shaft you should be able to see if the transfer case is sending drive to the front differential.

Does the front driveshaft turn?

Once you have narrowed it down to transfer case or differential actuator then it will be quicker to pinpoint the issue.

Let us know what you are getting here.

Regards, Joe
Was this
answer
helpful?
Yes
No
Tuesday, May 11th, 2021 AT 12:25 PM (Merged)
Tiny
GILLYMAN3000
  • MEMBER
  • 19 POSTS
Yes the front shaft is turning. When I put it in 4 wheel.
Was this
answer
helpful?
Yes
No
Tuesday, May 11th, 2021 AT 12:25 PM (Merged)
Tiny
JOETECHPRO
  • MECHANIC
  • 705 POSTS
Hey GILLYMAN3000,

Okay, so it sounds like you have an issue with the activation of the front differential actuator.

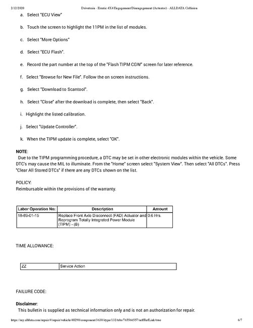
There is a TSB that could be applicable to your vehicle.

I have attached the TSB below, I would contact your local dodge dealer and see if this TSB is applicable to your vehicle.

Regards, Joe
Was this
answer
helpful?
Yes
No
+1
Tuesday, May 11th, 2021 AT 12:25 PM (Merged)
Tiny
GILLYMAN3000
  • MEMBER
  • 19 POSTS
Thank you!
Was this
answer
helpful?
Yes
No
Tuesday, May 11th, 2021 AT 12:25 PM (Merged)
Tiny
JOETECHPRO
  • MECHANIC
  • 705 POSTS
Hey GILLYMAN3000,

No problem, keep us updated with the repair.

Best of luck!

Regards, Joe
Was this
answer
helpful?
Yes
No
Tuesday, May 11th, 2021 AT 12:25 PM (Merged)
Tiny
JORDANB1986
  • MEMBER
  • 4 POSTS
  • 2006 DODGE RAM
  • 5.7L
  • V8
  • 4WD
  • AUTOMATIC
  • 112,000 MILES
1500 Big Horn with a Hemi engine, nv243 transfer case with electronic four wheel drive selector.

So my truck will not go into four wheel drive and I am kind of stuck. I cannot get my truck to go into four wheel drive. I move the selector switch from two wheel drive to 4hi lock and nothing happens. Dash indicator lights do not light up and the front drive shaft spins freely. (Also in 4lo lock)

I have replaced the four wheel drive selector switch on the dash, did not fix the problem. I have tried replacing the shift motor on the transfer case, did not fix the problem. (Put the old one back on and returned the new one)

I get no sound or movement at the transfer case when I move the selector switch so I think my issue is electrical.

I have tested pins 2 and 3 on the c4 connector at the TIPM (see picture) and I had 2.4ohms of resistance. This seems very low to me. Is it possible a short here is my issue? What else can I test?

I also have the service manual, wiring diagram, and connector pinout and I am capable of testing these but I cannot find what the resistance should be.

Update: After putting the TIPM back together after some testing my truck is now stuck in four wheel drive with the indicator light on. Can I confirm a wiring/connector issue?
Was this
answer
helpful?
Yes
No
Tuesday, May 11th, 2021 AT 12:25 PM (Merged)
Tiny
KEN L
  • MASTER CERTIFIED MECHANIC
  • 55,281 POSTS
Hello,

I am sure you checked the fuses and you replaced the first things I though of also. The only thing really left is the TIPM but to be sure lets test the continuity by following this guide

https://www.2carpros.com/articles/how-to-check-wiring

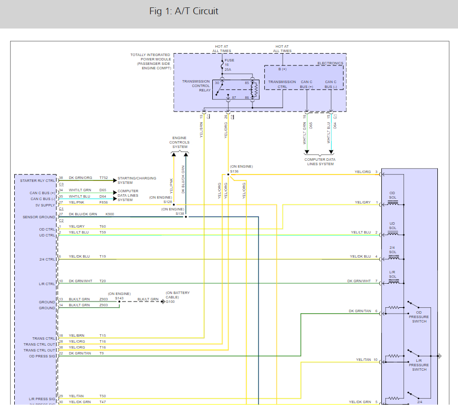
Here are the wiring diagrams, you can see these is not much to it. If the wiring checks out I would replace the TIPM you may need to get it programmed to the car FYI. If it was a speed senor it would throw a code.

Check out the diagrams (Below)

Let us know what happens and please upload pictures or videos of the problem.

Cheers, Ken
Was this
answer
helpful?
Yes
No
+1
Tuesday, May 11th, 2021 AT 12:25 PM (Merged)
Tiny
JORDANB1986
  • MEMBER
  • 4 POSTS
Ok tested the continuity for the shift motor and selector switch.

It is my understanding that the 2 shaft speed sensors are only on the full-time 4wd transfer cases which mine is not. I looked and could not find these. Can you confirm that?

Results from my test:
The fused red B (+) at the shift motor (upload 1) did not give me tone. (Checked it a couple times)

I see there is some sort of splice point somewhere in the "right rear of the engine bay."

Is this near the pcm?

Should I get continuity all the way to the shift motor? I'm sure it goes through a relay but I'm thinking that is inside the TIPM.
Was this
answer
helpful?
Yes
No
Tuesday, May 11th, 2021 AT 12:25 PM (Merged)
Tiny
KEN L
  • MASTER CERTIFIED MECHANIC
  • 55,281 POSTS
It sounds like you found the problem must have power from the TIPM for the system to work. Can you splice in and power that circuit up to see if that fixes it? That would be a kick. Double check that you have power at the fuse first.

Let me know.
Was this
answer
helpful?
Yes
No
+1
Tuesday, May 11th, 2021 AT 12:25 PM (Merged)

Please login or register to post a reply.